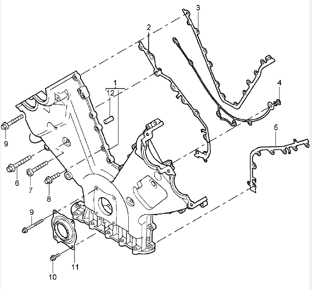
Timing Chain Cover Porsche Cayenne . These motors are essentially vags last cut at the vr6. They can warp over time. Porsche cayenne engine rebuilt timing chain cover install. The timing covers cover the timing chains or belts and allow access to them. Complete #how to #guide for your vag/vw/audi/porsche #vr6 3.6. My mechanic tells me i have a serious oil leak at the timing cover due to bolts heads popped off.
from www.design911.com
Porsche cayenne engine rebuilt timing chain cover install. The timing covers cover the timing chains or belts and allow access to them. These motors are essentially vags last cut at the vr6. They can warp over time. Complete #how to #guide for your vag/vw/audi/porsche #vr6 3.6. My mechanic tells me i have a serious oil leak at the timing cover due to bolts heads popped off.
Porsche 955 Cayenne Timing chain cover gasket 94810113007 94810113007
Timing Chain Cover Porsche Cayenne These motors are essentially vags last cut at the vr6. Complete #how to #guide for your vag/vw/audi/porsche #vr6 3.6. They can warp over time. Porsche cayenne engine rebuilt timing chain cover install. These motors are essentially vags last cut at the vr6. My mechanic tells me i have a serious oil leak at the timing cover due to bolts heads popped off. The timing covers cover the timing chains or belts and allow access to them.
From www.design911.com
Porsche Cayenne Macan Panamera Timing chain guide rail 95810506900 Timing Chain Cover Porsche Cayenne The timing covers cover the timing chains or belts and allow access to them. My mechanic tells me i have a serious oil leak at the timing cover due to bolts heads popped off. These motors are essentially vags last cut at the vr6. Complete #how to #guide for your vag/vw/audi/porsche #vr6 3.6. They can warp over time. Porsche cayenne. Timing Chain Cover Porsche Cayenne.
From www.aliexpress.com
M48 MCX MCF MCW Engine Timing Chain Tensioner Kit for Porsche Cayenne Timing Chain Cover Porsche Cayenne My mechanic tells me i have a serious oil leak at the timing cover due to bolts heads popped off. The timing covers cover the timing chains or belts and allow access to them. They can warp over time. Porsche cayenne engine rebuilt timing chain cover install. Complete #how to #guide for your vag/vw/audi/porsche #vr6 3.6. These motors are essentially. Timing Chain Cover Porsche Cayenne.
From www.europaparts.com
Porsche Timing Chain Kit (Cayenne Panamera Macan) 47715 by Febi Timing Chain Cover Porsche Cayenne They can warp over time. These motors are essentially vags last cut at the vr6. Porsche cayenne engine rebuilt timing chain cover install. My mechanic tells me i have a serious oil leak at the timing cover due to bolts heads popped off. The timing covers cover the timing chains or belts and allow access to them. Complete #how to. Timing Chain Cover Porsche Cayenne.
From www.design911.com
Porsche 955 Cayenne Timing chain cover gasket 94810113007 94810113007 Timing Chain Cover Porsche Cayenne These motors are essentially vags last cut at the vr6. Complete #how to #guide for your vag/vw/audi/porsche #vr6 3.6. My mechanic tells me i have a serious oil leak at the timing cover due to bolts heads popped off. The timing covers cover the timing chains or belts and allow access to them. Porsche cayenne engine rebuilt timing chain cover. Timing Chain Cover Porsche Cayenne.
From www.proxyparts.com
Timing cover Porsche Cayenne 4.8 V8 32V Turbo 94810102204 M4851 Timing Chain Cover Porsche Cayenne Complete #how to #guide for your vag/vw/audi/porsche #vr6 3.6. Porsche cayenne engine rebuilt timing chain cover install. The timing covers cover the timing chains or belts and allow access to them. These motors are essentially vags last cut at the vr6. They can warp over time. My mechanic tells me i have a serious oil leak at the timing cover. Timing Chain Cover Porsche Cayenne.
From www.design911.co.uk
Porsche Cayenne Timing Chain 95510546501 95510546501 Design 911 Timing Chain Cover Porsche Cayenne Porsche cayenne engine rebuilt timing chain cover install. Complete #how to #guide for your vag/vw/audi/porsche #vr6 3.6. The timing covers cover the timing chains or belts and allow access to them. These motors are essentially vags last cut at the vr6. My mechanic tells me i have a serious oil leak at the timing cover due to bolts heads popped. Timing Chain Cover Porsche Cayenne.
From shopee.com.my
PORSCHE PANAMERA/ CAYENNE 3.6 TIMING CHAIN KIT SET FEBI GERMANY OEM Timing Chain Cover Porsche Cayenne The timing covers cover the timing chains or belts and allow access to them. These motors are essentially vags last cut at the vr6. Complete #how to #guide for your vag/vw/audi/porsche #vr6 3.6. Porsche cayenne engine rebuilt timing chain cover install. They can warp over time. My mechanic tells me i have a serious oil leak at the timing cover. Timing Chain Cover Porsche Cayenne.
From partslinkent.com
1118 PORSCHE CAYENNE TURBO 4.8 ENGINE FACE FRONT PLATE TIMING CHAIN Timing Chain Cover Porsche Cayenne Porsche cayenne engine rebuilt timing chain cover install. Complete #how to #guide for your vag/vw/audi/porsche #vr6 3.6. My mechanic tells me i have a serious oil leak at the timing cover due to bolts heads popped off. These motors are essentially vags last cut at the vr6. The timing covers cover the timing chains or belts and allow access to. Timing Chain Cover Porsche Cayenne.
From www.europaparts.com
Porsche Timing Chain Kit (Cayenne 955 S Turbo Turbo S) 103760 by Febi Timing Chain Cover Porsche Cayenne My mechanic tells me i have a serious oil leak at the timing cover due to bolts heads popped off. Porsche cayenne engine rebuilt timing chain cover install. They can warp over time. These motors are essentially vags last cut at the vr6. Complete #how to #guide for your vag/vw/audi/porsche #vr6 3.6. The timing covers cover the timing chains or. Timing Chain Cover Porsche Cayenne.
From www.hjlautoparts.com
Timing Chain Kit For Porsche Cayenne 958 Porsche Panamera 970 Hybrid 3 Timing Chain Cover Porsche Cayenne Complete #how to #guide for your vag/vw/audi/porsche #vr6 3.6. Porsche cayenne engine rebuilt timing chain cover install. My mechanic tells me i have a serious oil leak at the timing cover due to bolts heads popped off. The timing covers cover the timing chains or belts and allow access to them. These motors are essentially vags last cut at the. Timing Chain Cover Porsche Cayenne.
From www.design911.com
Timing Chain Cover Gasket (LEFT). Porsche 955 Cayenne 94810112904 Timing Chain Cover Porsche Cayenne My mechanic tells me i have a serious oil leak at the timing cover due to bolts heads popped off. They can warp over time. These motors are essentially vags last cut at the vr6. The timing covers cover the timing chains or belts and allow access to them. Complete #how to #guide for your vag/vw/audi/porsche #vr6 3.6. Porsche cayenne. Timing Chain Cover Porsche Cayenne.
From www.proxyparts.com
Timing cover Porsche Cayenne 4.8 V8 32V Turbo 94810102204 M4851 Timing Chain Cover Porsche Cayenne Porsche cayenne engine rebuilt timing chain cover install. Complete #how to #guide for your vag/vw/audi/porsche #vr6 3.6. The timing covers cover the timing chains or belts and allow access to them. They can warp over time. These motors are essentially vags last cut at the vr6. My mechanic tells me i have a serious oil leak at the timing cover. Timing Chain Cover Porsche Cayenne.
From www.proxyparts.com
Timing cover Porsche Cayenne 4.8 V8 32V Turbo 94810102204 M4851 Timing Chain Cover Porsche Cayenne Complete #how to #guide for your vag/vw/audi/porsche #vr6 3.6. My mechanic tells me i have a serious oil leak at the timing cover due to bolts heads popped off. They can warp over time. These motors are essentially vags last cut at the vr6. Porsche cayenne engine rebuilt timing chain cover install. The timing covers cover the timing chains or. Timing Chain Cover Porsche Cayenne.
From www.design911.com
Porsche Cayenne Macan Panamera Timing chain guide rail 94810516612 Timing Chain Cover Porsche Cayenne They can warp over time. Porsche cayenne engine rebuilt timing chain cover install. My mechanic tells me i have a serious oil leak at the timing cover due to bolts heads popped off. These motors are essentially vags last cut at the vr6. The timing covers cover the timing chains or belts and allow access to them. Complete #how to. Timing Chain Cover Porsche Cayenne.
From www.design911.com
Porsche 955 Cayenne Timing chain cover gasket 94810113007 94810113007 Timing Chain Cover Porsche Cayenne My mechanic tells me i have a serious oil leak at the timing cover due to bolts heads popped off. Porsche cayenne engine rebuilt timing chain cover install. They can warp over time. These motors are essentially vags last cut at the vr6. The timing covers cover the timing chains or belts and allow access to them. Complete #how to. Timing Chain Cover Porsche Cayenne.
From www.proxyparts.com
Timing cover Porsche Cayenne 4.8 V8 32V Turbo 94810102204 M4851 Timing Chain Cover Porsche Cayenne These motors are essentially vags last cut at the vr6. They can warp over time. Complete #how to #guide for your vag/vw/audi/porsche #vr6 3.6. My mechanic tells me i have a serious oil leak at the timing cover due to bolts heads popped off. Porsche cayenne engine rebuilt timing chain cover install. The timing covers cover the timing chains or. Timing Chain Cover Porsche Cayenne.
From www.ebay.com
SWAG Timing Chain Fits PORSCHE Cayenne Macan Panamera 3.04.8L Timing Chain Cover Porsche Cayenne The timing covers cover the timing chains or belts and allow access to them. These motors are essentially vags last cut at the vr6. My mechanic tells me i have a serious oil leak at the timing cover due to bolts heads popped off. Porsche cayenne engine rebuilt timing chain cover install. They can warp over time. Complete #how to. Timing Chain Cover Porsche Cayenne.
From www.design911.com
Porsche 958 957 Cayenne 970 Panamera Timing chain gasket 94810113022 Timing Chain Cover Porsche Cayenne Porsche cayenne engine rebuilt timing chain cover install. They can warp over time. The timing covers cover the timing chains or belts and allow access to them. These motors are essentially vags last cut at the vr6. Complete #how to #guide for your vag/vw/audi/porsche #vr6 3.6. My mechanic tells me i have a serious oil leak at the timing cover. Timing Chain Cover Porsche Cayenne.
From www.design911.co.uk
Porsche Cayenne Macan Panamera Timing chain gasket 94810112720 Timing Chain Cover Porsche Cayenne Porsche cayenne engine rebuilt timing chain cover install. The timing covers cover the timing chains or belts and allow access to them. Complete #how to #guide for your vag/vw/audi/porsche #vr6 3.6. My mechanic tells me i have a serious oil leak at the timing cover due to bolts heads popped off. They can warp over time. These motors are essentially. Timing Chain Cover Porsche Cayenne.
From www.proxyparts.com
Timing cover Porsche Cayenne 4.8 V8 32V Turbo 94810102204 M4851 Timing Chain Cover Porsche Cayenne These motors are essentially vags last cut at the vr6. The timing covers cover the timing chains or belts and allow access to them. My mechanic tells me i have a serious oil leak at the timing cover due to bolts heads popped off. They can warp over time. Complete #how to #guide for your vag/vw/audi/porsche #vr6 3.6. Porsche cayenne. Timing Chain Cover Porsche Cayenne.
From vdhtools.nl
902G19 FORCE Timingset PORSCHE Cayenne 4.5L, 4.8l; VDH Tools Timing Chain Cover Porsche Cayenne Complete #how to #guide for your vag/vw/audi/porsche #vr6 3.6. These motors are essentially vags last cut at the vr6. My mechanic tells me i have a serious oil leak at the timing cover due to bolts heads popped off. Porsche cayenne engine rebuilt timing chain cover install. The timing covers cover the timing chains or belts and allow access to. Timing Chain Cover Porsche Cayenne.
From www.design911.com
Timing Chain Cover Gasket (LEFT). Porsche 955 Cayenne 94810112904 Timing Chain Cover Porsche Cayenne Porsche cayenne engine rebuilt timing chain cover install. They can warp over time. These motors are essentially vags last cut at the vr6. My mechanic tells me i have a serious oil leak at the timing cover due to bolts heads popped off. The timing covers cover the timing chains or belts and allow access to them. Complete #how to. Timing Chain Cover Porsche Cayenne.
From www.youtube.com
Porsche Cayenne 3.6 Complete Timing Chain Replacement Guide YouTube Timing Chain Cover Porsche Cayenne They can warp over time. My mechanic tells me i have a serious oil leak at the timing cover due to bolts heads popped off. These motors are essentially vags last cut at the vr6. Complete #how to #guide for your vag/vw/audi/porsche #vr6 3.6. Porsche cayenne engine rebuilt timing chain cover install. The timing covers cover the timing chains or. Timing Chain Cover Porsche Cayenne.
From www.europaparts.com
Porsche Timing Chain Kit (Cayenne 4.8L V8 4802, 4852) Kit901 by Iwis Timing Chain Cover Porsche Cayenne The timing covers cover the timing chains or belts and allow access to them. Porsche cayenne engine rebuilt timing chain cover install. They can warp over time. These motors are essentially vags last cut at the vr6. My mechanic tells me i have a serious oil leak at the timing cover due to bolts heads popped off. Complete #how to. Timing Chain Cover Porsche Cayenne.
From www.oceanproperty.co.th
Porsche Cayenne Complete Timing Chain Replacement Guide, 40 OFF Timing Chain Cover Porsche Cayenne Porsche cayenne engine rebuilt timing chain cover install. They can warp over time. The timing covers cover the timing chains or belts and allow access to them. Complete #how to #guide for your vag/vw/audi/porsche #vr6 3.6. My mechanic tells me i have a serious oil leak at the timing cover due to bolts heads popped off. These motors are essentially. Timing Chain Cover Porsche Cayenne.
From www.porscheatlantaperimeterparts.com
Porsche Cayenne Duplex chain. Engine timing chain. Engine timing cover Timing Chain Cover Porsche Cayenne They can warp over time. These motors are essentially vags last cut at the vr6. Porsche cayenne engine rebuilt timing chain cover install. The timing covers cover the timing chains or belts and allow access to them. Complete #how to #guide for your vag/vw/audi/porsche #vr6 3.6. My mechanic tells me i have a serious oil leak at the timing cover. Timing Chain Cover Porsche Cayenne.
From www.urotuning.com
FEBI Timing Chain Kit Porsche / 3.0L / 3.6L / Cayenne / Macan Timing Chain Cover Porsche Cayenne They can warp over time. Porsche cayenne engine rebuilt timing chain cover install. My mechanic tells me i have a serious oil leak at the timing cover due to bolts heads popped off. Complete #how to #guide for your vag/vw/audi/porsche #vr6 3.6. The timing covers cover the timing chains or belts and allow access to them. These motors are essentially. Timing Chain Cover Porsche Cayenne.
From www.ebay.co.uk
Timing Chain Kit PorscheMACAN,CAYENNE,PANAMERA 94810516910 Timing Chain Cover Porsche Cayenne Complete #how to #guide for your vag/vw/audi/porsche #vr6 3.6. My mechanic tells me i have a serious oil leak at the timing cover due to bolts heads popped off. The timing covers cover the timing chains or belts and allow access to them. These motors are essentially vags last cut at the vr6. They can warp over time. Porsche cayenne. Timing Chain Cover Porsche Cayenne.
From www.design911.com
Porsche 958 Cayenne Timing chain tensioner 95810546700 95810546700 Timing Chain Cover Porsche Cayenne My mechanic tells me i have a serious oil leak at the timing cover due to bolts heads popped off. Porsche cayenne engine rebuilt timing chain cover install. Complete #how to #guide for your vag/vw/audi/porsche #vr6 3.6. The timing covers cover the timing chains or belts and allow access to them. These motors are essentially vags last cut at the. Timing Chain Cover Porsche Cayenne.
From www.design911.com
Porsche 955 Cayenne Timing chain cover gasket 94810113007 94810113007 Timing Chain Cover Porsche Cayenne These motors are essentially vags last cut at the vr6. They can warp over time. Complete #how to #guide for your vag/vw/audi/porsche #vr6 3.6. The timing covers cover the timing chains or belts and allow access to them. Porsche cayenne engine rebuilt timing chain cover install. My mechanic tells me i have a serious oil leak at the timing cover. Timing Chain Cover Porsche Cayenne.
From www.aliexpress.com
TimingChainKitForPorscheCayenne957958Panamera97048LV82008 Timing Chain Cover Porsche Cayenne Complete #how to #guide for your vag/vw/audi/porsche #vr6 3.6. They can warp over time. The timing covers cover the timing chains or belts and allow access to them. These motors are essentially vags last cut at the vr6. Porsche cayenne engine rebuilt timing chain cover install. My mechanic tells me i have a serious oil leak at the timing cover. Timing Chain Cover Porsche Cayenne.
From www.proxyparts.com
Timing cover Porsche Cayenne 4.8 V8 32V Turbo 94810102204 M4851 Timing Chain Cover Porsche Cayenne These motors are essentially vags last cut at the vr6. Complete #how to #guide for your vag/vw/audi/porsche #vr6 3.6. The timing covers cover the timing chains or belts and allow access to them. They can warp over time. My mechanic tells me i have a serious oil leak at the timing cover due to bolts heads popped off. Porsche cayenne. Timing Chain Cover Porsche Cayenne.
From www.eliteporsche.co.uk
Porsche Cayenne Engine Management Light Timing Chain Replacement Timing Chain Cover Porsche Cayenne The timing covers cover the timing chains or belts and allow access to them. Porsche cayenne engine rebuilt timing chain cover install. Complete #how to #guide for your vag/vw/audi/porsche #vr6 3.6. They can warp over time. My mechanic tells me i have a serious oil leak at the timing cover due to bolts heads popped off. These motors are essentially. Timing Chain Cover Porsche Cayenne.
From www.proxyparts.com
Timing cover Porsche Cayenne 4.8 V8 32V Turbo 94810102204 M4851 Timing Chain Cover Porsche Cayenne The timing covers cover the timing chains or belts and allow access to them. Porsche cayenne engine rebuilt timing chain cover install. My mechanic tells me i have a serious oil leak at the timing cover due to bolts heads popped off. Complete #how to #guide for your vag/vw/audi/porsche #vr6 3.6. These motors are essentially vags last cut at the. Timing Chain Cover Porsche Cayenne.
From www.aliexpress.com
Car Accessories 94810113021 94810113020 Timing chain cover plate gasket Timing Chain Cover Porsche Cayenne They can warp over time. My mechanic tells me i have a serious oil leak at the timing cover due to bolts heads popped off. Complete #how to #guide for your vag/vw/audi/porsche #vr6 3.6. Porsche cayenne engine rebuilt timing chain cover install. These motors are essentially vags last cut at the vr6. The timing covers cover the timing chains or. Timing Chain Cover Porsche Cayenne.