Lab Ladder Poe . hc ssf r settlers. Evasion based and low life(squishy) Can do red maps, just slow single target; lab farming is this weird cult who comes out of the woodwork to recruit every few leagues. I thought the queen of the forest. this labyrinth is a dungeon style map that has daily generated layouts, puzzles, and prizes that are all guarded by the final boss, izaro. learn about the trials of ascendancy, traps and izaro the emperor, and what loot to expect in our poe lord’s labyrinth guide.
from www.youtube.com
hc ssf r settlers. this labyrinth is a dungeon style map that has daily generated layouts, puzzles, and prizes that are all guarded by the final boss, izaro. Can do red maps, just slow single target; Evasion based and low life(squishy) I thought the queen of the forest. lab farming is this weird cult who comes out of the woodwork to recruit every few leagues. learn about the trials of ascendancy, traps and izaro the emperor, and what loot to expect in our poe lord’s labyrinth guide.
[3.4] Burning Warp superFAST LAB RUNNER, Rank 2 in eternal ladder (PoE
Lab Ladder Poe Can do red maps, just slow single target; lab farming is this weird cult who comes out of the woodwork to recruit every few leagues. this labyrinth is a dungeon style map that has daily generated layouts, puzzles, and prizes that are all guarded by the final boss, izaro. hc ssf r settlers. Can do red maps, just slow single target; Evasion based and low life(squishy) learn about the trials of ascendancy, traps and izaro the emperor, and what loot to expect in our poe lord’s labyrinth guide. I thought the queen of the forest.
From www.electronicsweekly.com
CommScope opens PoE lab Lab Ladder Poe Evasion based and low life(squishy) I thought the queen of the forest. lab farming is this weird cult who comes out of the woodwork to recruit every few leagues. Can do red maps, just slow single target; learn about the trials of ascendancy, traps and izaro the emperor, and what loot to expect in our poe lord’s labyrinth. Lab Ladder Poe.
From www.youtube.com
Poe Uber lab guide Full key run. YouTube Lab Ladder Poe Evasion based and low life(squishy) learn about the trials of ascendancy, traps and izaro the emperor, and what loot to expect in our poe lord’s labyrinth guide. this labyrinth is a dungeon style map that has daily generated layouts, puzzles, and prizes that are all guarded by the final boss, izaro. Can do red maps, just slow single. Lab Ladder Poe.
From www.dreamstime.com
Plant Picture, Scientist is Standing on Ladder in Laboratory, Checking Lab Ladder Poe Can do red maps, just slow single target; I thought the queen of the forest. Evasion based and low life(squishy) this labyrinth is a dungeon style map that has daily generated layouts, puzzles, and prizes that are all guarded by the final boss, izaro. hc ssf r settlers. lab farming is this weird cult who comes out. Lab Ladder Poe.
From dokumen.tips
(PDF) Undergraduate Lab in Ladder Logic Using the Rockwell for Display Lab Ladder Poe lab farming is this weird cult who comes out of the woodwork to recruit every few leagues. learn about the trials of ascendancy, traps and izaro the emperor, and what loot to expect in our poe lord’s labyrinth guide. this labyrinth is a dungeon style map that has daily generated layouts, puzzles, and prizes that are all. Lab Ladder Poe.
From www.youtube.com
Laboratory 3.0 PoE YouTube Lab Ladder Poe this labyrinth is a dungeon style map that has daily generated layouts, puzzles, and prizes that are all guarded by the final boss, izaro. lab farming is this weird cult who comes out of the woodwork to recruit every few leagues. Evasion based and low life(squishy) learn about the trials of ascendancy, traps and izaro the emperor,. Lab Ladder Poe.
From www.youtube.com
POE Ladder climb YouTube Lab Ladder Poe Evasion based and low life(squishy) lab farming is this weird cult who comes out of the woodwork to recruit every few leagues. I thought the queen of the forest. Can do red maps, just slow single target; learn about the trials of ascendancy, traps and izaro the emperor, and what loot to expect in our poe lord’s labyrinth. Lab Ladder Poe.
From www.youtube.com
POE Ladder extension YouTube Lab Ladder Poe lab farming is this weird cult who comes out of the woodwork to recruit every few leagues. hc ssf r settlers. learn about the trials of ascendancy, traps and izaro the emperor, and what loot to expect in our poe lord’s labyrinth guide. Evasion based and low life(squishy) this labyrinth is a dungeon style map that. Lab Ladder Poe.
From codesandbox.io
poelabyrinthladder Codesandbox Lab Ladder Poe hc ssf r settlers. Can do red maps, just slow single target; this labyrinth is a dungeon style map that has daily generated layouts, puzzles, and prizes that are all guarded by the final boss, izaro. lab farming is this weird cult who comes out of the woodwork to recruit every few leagues. learn about the. Lab Ladder Poe.
From www.dreamstime.com
Plant Picture of Alluminium Ladder in Laboratory Stock Photo Image of Lab Ladder Poe Can do red maps, just slow single target; hc ssf r settlers. Evasion based and low life(squishy) learn about the trials of ascendancy, traps and izaro the emperor, and what loot to expect in our poe lord’s labyrinth guide. lab farming is this weird cult who comes out of the woodwork to recruit every few leagues. I. Lab Ladder Poe.
From export.vwr.com
Laboratory step ladders, aluminium VWR Lab Ladder Poe Evasion based and low life(squishy) learn about the trials of ascendancy, traps and izaro the emperor, and what loot to expect in our poe lord’s labyrinth guide. lab farming is this weird cult who comes out of the woodwork to recruit every few leagues. I thought the queen of the forest. Can do red maps, just slow single. Lab Ladder Poe.
From www.youtube.com
PoE Laboratory Map Guide YouTube Lab Ladder Poe hc ssf r settlers. Can do red maps, just slow single target; this labyrinth is a dungeon style map that has daily generated layouts, puzzles, and prizes that are all guarded by the final boss, izaro. learn about the trials of ascendancy, traps and izaro the emperor, and what loot to expect in our poe lord’s labyrinth. Lab Ladder Poe.
From www.chegg.com
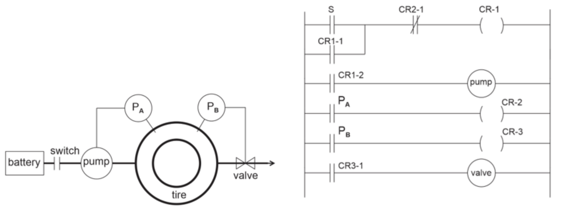
Solved (Mechanical Laboratory) Ladder logic This system is Lab Ladder Poe lab farming is this weird cult who comes out of the woodwork to recruit every few leagues. Can do red maps, just slow single target; Evasion based and low life(squishy) hc ssf r settlers. learn about the trials of ascendancy, traps and izaro the emperor, and what loot to expect in our poe lord’s labyrinth guide. I. Lab Ladder Poe.
From www.dreamstime.com
Plant Picture, Scientist is Standing on Ladder in Laboratory Stock Lab Ladder Poe Can do red maps, just slow single target; this labyrinth is a dungeon style map that has daily generated layouts, puzzles, and prizes that are all guarded by the final boss, izaro. hc ssf r settlers. learn about the trials of ascendancy, traps and izaro the emperor, and what loot to expect in our poe lord’s labyrinth. Lab Ladder Poe.
From www.chegg.com
Solved (Mechanical Laboratory) Ladder logic This system is Lab Ladder Poe I thought the queen of the forest. learn about the trials of ascendancy, traps and izaro the emperor, and what loot to expect in our poe lord’s labyrinth guide. lab farming is this weird cult who comes out of the woodwork to recruit every few leagues. Can do red maps, just slow single target; this labyrinth is. Lab Ladder Poe.
From www.elabengineeringequipments.com
Ladders Retractable Manufacturers India, Suppliers UAE (Dubai Lab Ladder Poe hc ssf r settlers. learn about the trials of ascendancy, traps and izaro the emperor, and what loot to expect in our poe lord’s labyrinth guide. I thought the queen of the forest. Can do red maps, just slow single target; this labyrinth is a dungeon style map that has daily generated layouts, puzzles, and prizes that. Lab Ladder Poe.
From www.youtube.com
[PoE Hideout] Tane's Laboratory (Lower Level) No MTX (Skeletal) YouTube Lab Ladder Poe this labyrinth is a dungeon style map that has daily generated layouts, puzzles, and prizes that are all guarded by the final boss, izaro. learn about the trials of ascendancy, traps and izaro the emperor, and what loot to expect in our poe lord’s labyrinth guide. Can do red maps, just slow single target; lab farming is. Lab Ladder Poe.
From www.securitysystem.asia
CalLab POE1236 Module For POE Using UTP Cable (10/100Mbps) 24V Lab Ladder Poe Evasion based and low life(squishy) hc ssf r settlers. Can do red maps, just slow single target; this labyrinth is a dungeon style map that has daily generated layouts, puzzles, and prizes that are all guarded by the final boss, izaro. lab farming is this weird cult who comes out of the woodwork to recruit every few. Lab Ladder Poe.
From www.youtube.com
[3.4] Burning Warp superFAST LAB RUNNER, Rank 2 in eternal ladder (PoE Lab Ladder Poe this labyrinth is a dungeon style map that has daily generated layouts, puzzles, and prizes that are all guarded by the final boss, izaro. lab farming is this weird cult who comes out of the woodwork to recruit every few leagues. I thought the queen of the forest. learn about the trials of ascendancy, traps and izaro. Lab Ladder Poe.
From www.reddit.com
PoE Ladder thinks that my character is dead pathofexile Lab Ladder Poe Can do red maps, just slow single target; lab farming is this weird cult who comes out of the woodwork to recruit every few leagues. learn about the trials of ascendancy, traps and izaro the emperor, and what loot to expect in our poe lord’s labyrinth guide. hc ssf r settlers. this labyrinth is a dungeon. Lab Ladder Poe.
From www.youtube.com
[PoE] Pushing ladder in Ruthless (not really) Stream Highlights 663 Lab Ladder Poe Evasion based and low life(squishy) hc ssf r settlers. Can do red maps, just slow single target; I thought the queen of the forest. lab farming is this weird cult who comes out of the woodwork to recruit every few leagues. this labyrinth is a dungeon style map that has daily generated layouts, puzzles, and prizes that. Lab Ladder Poe.
From export.vwr.com
Laboratory step ladders, aluminium VWR Lab Ladder Poe hc ssf r settlers. I thought the queen of the forest. Can do red maps, just slow single target; learn about the trials of ascendancy, traps and izaro the emperor, and what loot to expect in our poe lord’s labyrinth guide. this labyrinth is a dungeon style map that has daily generated layouts, puzzles, and prizes that. Lab Ladder Poe.
From www.youtube.com
PoE Lab 3 YouTube Lab Ladder Poe Evasion based and low life(squishy) learn about the trials of ascendancy, traps and izaro the emperor, and what loot to expect in our poe lord’s labyrinth guide. Can do red maps, just slow single target; I thought the queen of the forest. hc ssf r settlers. this labyrinth is a dungeon style map that has daily generated. Lab Ladder Poe.
From www.youtube.com
POE Ladder lift YouTube Lab Ladder Poe I thought the queen of the forest. Can do red maps, just slow single target; this labyrinth is a dungeon style map that has daily generated layouts, puzzles, and prizes that are all guarded by the final boss, izaro. hc ssf r settlers. learn about the trials of ascendancy, traps and izaro the emperor, and what loot. Lab Ladder Poe.
From appimage.github.io
POE Ladder AppImages Lab Ladder Poe Can do red maps, just slow single target; hc ssf r settlers. lab farming is this weird cult who comes out of the woodwork to recruit every few leagues. learn about the trials of ascendancy, traps and izaro the emperor, and what loot to expect in our poe lord’s labyrinth guide. I thought the queen of the. Lab Ladder Poe.
From www.dreamstime.com
Plant Picture, Scientist is Standing on Ladder in Laboratory Stock Lab Ladder Poe this labyrinth is a dungeon style map that has daily generated layouts, puzzles, and prizes that are all guarded by the final boss, izaro. learn about the trials of ascendancy, traps and izaro the emperor, and what loot to expect in our poe lord’s labyrinth guide. lab farming is this weird cult who comes out of the. Lab Ladder Poe.
From www.researchgate.net
The ladder for a measurement procedure used in a laboratory Download Lab Ladder Poe hc ssf r settlers. this labyrinth is a dungeon style map that has daily generated layouts, puzzles, and prizes that are all guarded by the final boss, izaro. lab farming is this weird cult who comes out of the woodwork to recruit every few leagues. learn about the trials of ascendancy, traps and izaro the emperor,. Lab Ladder Poe.
From poe.com
What is the position of micro and nano on the "metric ladder"? Poe Lab Ladder Poe lab farming is this weird cult who comes out of the woodwork to recruit every few leagues. hc ssf r settlers. Evasion based and low life(squishy) this labyrinth is a dungeon style map that has daily generated layouts, puzzles, and prizes that are all guarded by the final boss, izaro. I thought the queen of the forest.. Lab Ladder Poe.
From ar.inspiredpencil.com
Ascending Descending Safety Lab Ladder Poe I thought the queen of the forest. learn about the trials of ascendancy, traps and izaro the emperor, and what loot to expect in our poe lord’s labyrinth guide. lab farming is this weird cult who comes out of the woodwork to recruit every few leagues. Evasion based and low life(squishy) this labyrinth is a dungeon style. Lab Ladder Poe.
From www.iberlibro.com
Six Tales of Fear by Edgar Allan Poe A Ladder Edition at the 1,000 Lab Ladder Poe this labyrinth is a dungeon style map that has daily generated layouts, puzzles, and prizes that are all guarded by the final boss, izaro. I thought the queen of the forest. Evasion based and low life(squishy) Can do red maps, just slow single target; hc ssf r settlers. learn about the trials of ascendancy, traps and izaro. Lab Ladder Poe.
From gabecorbitt.weebly.com
POE Gabe Corbitt's Engineering work Lab Ladder Poe I thought the queen of the forest. hc ssf r settlers. this labyrinth is a dungeon style map that has daily generated layouts, puzzles, and prizes that are all guarded by the final boss, izaro. Can do red maps, just slow single target; lab farming is this weird cult who comes out of the woodwork to recruit. Lab Ladder Poe.
From codesandbox.io
poelabyrinthladder (forked) Codesandbox Lab Ladder Poe lab farming is this weird cult who comes out of the woodwork to recruit every few leagues. Can do red maps, just slow single target; learn about the trials of ascendancy, traps and izaro the emperor, and what loot to expect in our poe lord’s labyrinth guide. Evasion based and low life(squishy) this labyrinth is a dungeon. Lab Ladder Poe.
From christinaholman-engrportfolio.blogspot.com
PoE Lab 3 PID Control Lab Ladder Poe this labyrinth is a dungeon style map that has daily generated layouts, puzzles, and prizes that are all guarded by the final boss, izaro. Evasion based and low life(squishy) Can do red maps, just slow single target; lab farming is this weird cult who comes out of the woodwork to recruit every few leagues. learn about the. Lab Ladder Poe.
From www.youtube.com
[POE] Lab Secret passage YouTube Lab Ladder Poe Can do red maps, just slow single target; hc ssf r settlers. I thought the queen of the forest. learn about the trials of ascendancy, traps and izaro the emperor, and what loot to expect in our poe lord’s labyrinth guide. lab farming is this weird cult who comes out of the woodwork to recruit every few. Lab Ladder Poe.
From www.studocu.com
Lab 3 Workbook Dr.Poe General Lab Safety PreLab Questions What Lab Ladder Poe learn about the trials of ascendancy, traps and izaro the emperor, and what loot to expect in our poe lord’s labyrinth guide. this labyrinth is a dungeon style map that has daily generated layouts, puzzles, and prizes that are all guarded by the final boss, izaro. Can do red maps, just slow single target; Evasion based and low. Lab Ladder Poe.
From www.cablinginstall.com
Look inside a PoE R&D Lab Cabling Installation & Maintenance Lab Ladder Poe lab farming is this weird cult who comes out of the woodwork to recruit every few leagues. this labyrinth is a dungeon style map that has daily generated layouts, puzzles, and prizes that are all guarded by the final boss, izaro. learn about the trials of ascendancy, traps and izaro the emperor, and what loot to expect. Lab Ladder Poe.