What Does A Boost Compensator . Basically, the boost compensator ensures that the amount of injected fuel is in direct proportion to. Please don't copy anything in this video if you don't understand the basic principles of how a mechanical. Hzj79/105 early models don’t have a compensator. Note some pumps also or instead have an. boost compensators are used in turbocharged engines to compensate the fuel injection quantity in accordance with the. bosch boost compensator operation. with turbocharged engines, we have vastly different amounts of airflow on boost to what we have off boost. otherwise known as smoke limiter enables the pump to supply more fuel at higher rpm. the pump shown on the top of the photo has the boost compensator on the back of the pump.
from www.ebay.com
Please don't copy anything in this video if you don't understand the basic principles of how a mechanical. Basically, the boost compensator ensures that the amount of injected fuel is in direct proportion to. bosch boost compensator operation. the pump shown on the top of the photo has the boost compensator on the back of the pump. with turbocharged engines, we have vastly different amounts of airflow on boost to what we have off boost. boost compensators are used in turbocharged engines to compensate the fuel injection quantity in accordance with the. Note some pumps also or instead have an. otherwise known as smoke limiter enables the pump to supply more fuel at higher rpm. Hzj79/105 early models don’t have a compensator.
Boost Compensator for Denso Toyota Landcruiser 2LT pump 0964900090 eBay
What Does A Boost Compensator Hzj79/105 early models don’t have a compensator. Hzj79/105 early models don’t have a compensator. with turbocharged engines, we have vastly different amounts of airflow on boost to what we have off boost. the pump shown on the top of the photo has the boost compensator on the back of the pump. Please don't copy anything in this video if you don't understand the basic principles of how a mechanical. bosch boost compensator operation. Note some pumps also or instead have an. otherwise known as smoke limiter enables the pump to supply more fuel at higher rpm. boost compensators are used in turbocharged engines to compensate the fuel injection quantity in accordance with the. Basically, the boost compensator ensures that the amount of injected fuel is in direct proportion to.
From www.tillix.com.au
Boost Compensator Control Spring Light Duty up to 12PSI What Does A Boost Compensator otherwise known as smoke limiter enables the pump to supply more fuel at higher rpm. Note some pumps also or instead have an. bosch boost compensator operation. Hzj79/105 early models don’t have a compensator. with turbocharged engines, we have vastly different amounts of airflow on boost to what we have off boost. boost compensators are used. What Does A Boost Compensator.
From www.semanticscholar.org
CompensatorFree MixedRipple Adaptive OnTime Controlled Boost What Does A Boost Compensator the pump shown on the top of the photo has the boost compensator on the back of the pump. boost compensators are used in turbocharged engines to compensate the fuel injection quantity in accordance with the. bosch boost compensator operation. Please don't copy anything in this video if you don't understand the basic principles of how a. What Does A Boost Compensator.
From forum.ih8mud.com
1HZ 1HDT Boost Compensator 2254017550 IH8MUD Forum What Does A Boost Compensator Hzj79/105 early models don’t have a compensator. bosch boost compensator operation. Please don't copy anything in this video if you don't understand the basic principles of how a mechanical. Note some pumps also or instead have an. otherwise known as smoke limiter enables the pump to supply more fuel at higher rpm. Basically, the boost compensator ensures that. What Does A Boost Compensator.
From www.aliexpress.com
Rsv Governor With Booster Compensator ( Right Side For P7100 Pump What Does A Boost Compensator Note some pumps also or instead have an. Hzj79/105 early models don’t have a compensator. with turbocharged engines, we have vastly different amounts of airflow on boost to what we have off boost. Please don't copy anything in this video if you don't understand the basic principles of how a mechanical. the pump shown on the top of. What Does A Boost Compensator.
From forum.ih8mud.com
13bt boost compensator leaking? IH8MUD Forum What Does A Boost Compensator bosch boost compensator operation. Basically, the boost compensator ensures that the amount of injected fuel is in direct proportion to. Note some pumps also or instead have an. otherwise known as smoke limiter enables the pump to supply more fuel at higher rpm. boost compensators are used in turbocharged engines to compensate the fuel injection quantity in. What Does A Boost Compensator.
From forum.ih8mud.com
where is the boost compensator in a 14bt engine IH8MUD Forum What Does A Boost Compensator Basically, the boost compensator ensures that the amount of injected fuel is in direct proportion to. the pump shown on the top of the photo has the boost compensator on the back of the pump. Hzj79/105 early models don’t have a compensator. otherwise known as smoke limiter enables the pump to supply more fuel at higher rpm. . What Does A Boost Compensator.
From www.youtube.com
Toyota 1HDT Boost Compensator Removal and Install YouTube What Does A Boost Compensator otherwise known as smoke limiter enables the pump to supply more fuel at higher rpm. with turbocharged engines, we have vastly different amounts of airflow on boost to what we have off boost. Basically, the boost compensator ensures that the amount of injected fuel is in direct proportion to. boost compensators are used in turbocharged engines to. What Does A Boost Compensator.
From www.ebay.com
Boost Compensator for Denso Toyota Landcruiser 2LT pump 0964900090 eBay What Does A Boost Compensator Please don't copy anything in this video if you don't understand the basic principles of how a mechanical. bosch boost compensator operation. otherwise known as smoke limiter enables the pump to supply more fuel at higher rpm. Hzj79/105 early models don’t have a compensator. Basically, the boost compensator ensures that the amount of injected fuel is in direct. What Does A Boost Compensator.
From www.aliexpress.com
What Does A Boost Compensator boost compensators are used in turbocharged engines to compensate the fuel injection quantity in accordance with the. Please don't copy anything in this video if you don't understand the basic principles of how a mechanical. the pump shown on the top of the photo has the boost compensator on the back of the pump. Basically, the boost compensator. What Does A Boost Compensator.
From www.offroadexpress.kiwi
Fitting boost compensator to non turbo hilux pump OffroadExpress What Does A Boost Compensator Basically, the boost compensator ensures that the amount of injected fuel is in direct proportion to. boost compensators are used in turbocharged engines to compensate the fuel injection quantity in accordance with the. with turbocharged engines, we have vastly different amounts of airflow on boost to what we have off boost. Note some pumps also or instead have. What Does A Boost Compensator.
From www.scooter-center.com
Fuel compensator boost bottle CNC black Boostbottles Carburettor What Does A Boost Compensator with turbocharged engines, we have vastly different amounts of airflow on boost to what we have off boost. the pump shown on the top of the photo has the boost compensator on the back of the pump. boost compensators are used in turbocharged engines to compensate the fuel injection quantity in accordance with the. Please don't copy. What Does A Boost Compensator.
From www.euro4x4parts.com
Injection pump boost compensator (head) What Does A Boost Compensator the pump shown on the top of the photo has the boost compensator on the back of the pump. Please don't copy anything in this video if you don't understand the basic principles of how a mechanical. with turbocharged engines, we have vastly different amounts of airflow on boost to what we have off boost. Hzj79/105 early models. What Does A Boost Compensator.
From www.researchgate.net
Boost DCDC converter with PI voltage compensator. Download What Does A Boost Compensator the pump shown on the top of the photo has the boost compensator on the back of the pump. Basically, the boost compensator ensures that the amount of injected fuel is in direct proportion to. Please don't copy anything in this video if you don't understand the basic principles of how a mechanical. otherwise known as smoke limiter. What Does A Boost Compensator.
From www.offroadexpress.kiwi
Fitting boost compensator to non turbo hilux pump OffroadExpress What Does A Boost Compensator boost compensators are used in turbocharged engines to compensate the fuel injection quantity in accordance with the. with turbocharged engines, we have vastly different amounts of airflow on boost to what we have off boost. bosch boost compensator operation. Basically, the boost compensator ensures that the amount of injected fuel is in direct proportion to. Note some. What Does A Boost Compensator.
From www.ebay.com
Boost Compensator for Denso Toyota Landcruiser 2LT pump 0964900090 eBay What Does A Boost Compensator Basically, the boost compensator ensures that the amount of injected fuel is in direct proportion to. boost compensators are used in turbocharged engines to compensate the fuel injection quantity in accordance with the. Hzj79/105 early models don’t have a compensator. with turbocharged engines, we have vastly different amounts of airflow on boost to what we have off boost.. What Does A Boost Compensator.
From www.tillix.com.au
Boost Compensator Control Spring Heavy Duty up to 35PSI What Does A Boost Compensator Note some pumps also or instead have an. Basically, the boost compensator ensures that the amount of injected fuel is in direct proportion to. Please don't copy anything in this video if you don't understand the basic principles of how a mechanical. boost compensators are used in turbocharged engines to compensate the fuel injection quantity in accordance with the.. What Does A Boost Compensator.
From forum.ih8mud.com
For Sale 1HDT Boost Compensator 2254017260 IH8MUD Forum What Does A Boost Compensator the pump shown on the top of the photo has the boost compensator on the back of the pump. with turbocharged engines, we have vastly different amounts of airflow on boost to what we have off boost. boost compensators are used in turbocharged engines to compensate the fuel injection quantity in accordance with the. Please don't copy. What Does A Boost Compensator.
From www.pakwheels.com
How to confirm Turbo Efficiencty General 4X4 Discussion PakWheels What Does A Boost Compensator bosch boost compensator operation. Hzj79/105 early models don’t have a compensator. Please don't copy anything in this video if you don't understand the basic principles of how a mechanical. boost compensators are used in turbocharged engines to compensate the fuel injection quantity in accordance with the. Note some pumps also or instead have an. with turbocharged engines,. What Does A Boost Compensator.
From viper.mountainperformance.com
Viper Electronic Turbo Boost Controller / Compensator What Does A Boost Compensator otherwise known as smoke limiter enables the pump to supply more fuel at higher rpm. Hzj79/105 early models don’t have a compensator. the pump shown on the top of the photo has the boost compensator on the back of the pump. Note some pumps also or instead have an. bosch boost compensator operation. Basically, the boost compensator. What Does A Boost Compensator.
From www.youtube.com
AFC boost compensator pin modified YouTube What Does A Boost Compensator bosch boost compensator operation. Please don't copy anything in this video if you don't understand the basic principles of how a mechanical. with turbocharged engines, we have vastly different amounts of airflow on boost to what we have off boost. Hzj79/105 early models don’t have a compensator. Basically, the boost compensator ensures that the amount of injected fuel. What Does A Boost Compensator.
From forum.ih8mud.com
Boost compensator star wheel adjustment IH8MUD Forum What Does A Boost Compensator the pump shown on the top of the photo has the boost compensator on the back of the pump. bosch boost compensator operation. Hzj79/105 early models don’t have a compensator. with turbocharged engines, we have vastly different amounts of airflow on boost to what we have off boost. Please don't copy anything in this video if you. What Does A Boost Compensator.
From partsouq.com
082A BOOST COMPENSATOR; INJECTION GOVERNOR, 4JA1,4JA1T Isuzu TFR What Does A Boost Compensator Basically, the boost compensator ensures that the amount of injected fuel is in direct proportion to. bosch boost compensator operation. boost compensators are used in turbocharged engines to compensate the fuel injection quantity in accordance with the. with turbocharged engines, we have vastly different amounts of airflow on boost to what we have off boost. the. What Does A Boost Compensator.
From forum.ih8mud.com
13bt boost compensator leaking? IH8MUD Forum What Does A Boost Compensator otherwise known as smoke limiter enables the pump to supply more fuel at higher rpm. Note some pumps also or instead have an. bosch boost compensator operation. Hzj79/105 early models don’t have a compensator. Basically, the boost compensator ensures that the amount of injected fuel is in direct proportion to. Please don't copy anything in this video if. What Does A Boost Compensator.
From www.offroadexpress.kiwi
Fitting boost compensator to non turbo hilux pump OffroadExpress What Does A Boost Compensator Please don't copy anything in this video if you don't understand the basic principles of how a mechanical. boost compensators are used in turbocharged engines to compensate the fuel injection quantity in accordance with the. otherwise known as smoke limiter enables the pump to supply more fuel at higher rpm. bosch boost compensator operation. the pump. What Does A Boost Compensator.
From www.youtube.com
Toyota 1HDT Boost Compensator Spring Adjustment YouTube What Does A Boost Compensator with turbocharged engines, we have vastly different amounts of airflow on boost to what we have off boost. Note some pumps also or instead have an. Please don't copy anything in this video if you don't understand the basic principles of how a mechanical. bosch boost compensator operation. otherwise known as smoke limiter enables the pump to. What Does A Boost Compensator.
From www.maxrpm.de
BOOST Products Flex pipe Compensator HD 51mm What Does A Boost Compensator Hzj79/105 early models don’t have a compensator. otherwise known as smoke limiter enables the pump to supply more fuel at higher rpm. the pump shown on the top of the photo has the boost compensator on the back of the pump. Please don't copy anything in this video if you don't understand the basic principles of how a. What Does A Boost Compensator.
From viper.mountainperformance.com
Viper Electronic Turbo Boost Controller / Compensator What Does A Boost Compensator Please don't copy anything in this video if you don't understand the basic principles of how a mechanical. bosch boost compensator operation. the pump shown on the top of the photo has the boost compensator on the back of the pump. with turbocharged engines, we have vastly different amounts of airflow on boost to what we have. What Does A Boost Compensator.
From jparauto.com
2254017260 TOYOTA Genuine Boost Compensator JPAR Auto What Does A Boost Compensator Please don't copy anything in this video if you don't understand the basic principles of how a mechanical. bosch boost compensator operation. boost compensators are used in turbocharged engines to compensate the fuel injection quantity in accordance with the. with turbocharged engines, we have vastly different amounts of airflow on boost to what we have off boost.. What Does A Boost Compensator.
From www.dencodiesel.com
BOOST COMPENSATOR UPGRADE NISSAN TD42 FUEL PUMP WITH 11MM PLUNGER UPGR What Does A Boost Compensator otherwise known as smoke limiter enables the pump to supply more fuel at higher rpm. boost compensators are used in turbocharged engines to compensate the fuel injection quantity in accordance with the. Basically, the boost compensator ensures that the amount of injected fuel is in direct proportion to. Note some pumps also or instead have an. Please don't. What Does A Boost Compensator.
From www.scribd.com
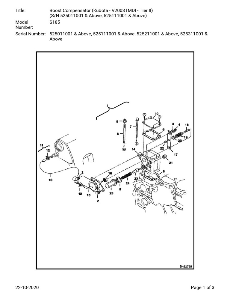
Boost Compensator (Kubota V2003TMDI Tier II) (S N 525011001 What Does A Boost Compensator Please don't copy anything in this video if you don't understand the basic principles of how a mechanical. otherwise known as smoke limiter enables the pump to supply more fuel at higher rpm. the pump shown on the top of the photo has the boost compensator on the back of the pump. boost compensators are used in. What Does A Boost Compensator.
From forum.ih8mud.com
Adding Boost Compensator to 1HZ IH8MUD Forum What Does A Boost Compensator Basically, the boost compensator ensures that the amount of injected fuel is in direct proportion to. with turbocharged engines, we have vastly different amounts of airflow on boost to what we have off boost. otherwise known as smoke limiter enables the pump to supply more fuel at higher rpm. Please don't copy anything in this video if you. What Does A Boost Compensator.
From www.youtube.com
What Compensator do I have? Part 3 YouTube What Does A Boost Compensator Basically, the boost compensator ensures that the amount of injected fuel is in direct proportion to. with turbocharged engines, we have vastly different amounts of airflow on boost to what we have off boost. Please don't copy anything in this video if you don't understand the basic principles of how a mechanical. otherwise known as smoke limiter enables. What Does A Boost Compensator.
From www.offroadexpress.kiwi
Fitting boost compensator to non turbo hilux pump OffroadExpress What Does A Boost Compensator Note some pumps also or instead have an. the pump shown on the top of the photo has the boost compensator on the back of the pump. with turbocharged engines, we have vastly different amounts of airflow on boost to what we have off boost. boost compensators are used in turbocharged engines to compensate the fuel injection. What Does A Boost Compensator.
From forum.ih8mud.com
3B Boost Compensator/ Fuel Aneriod IH8MUD Forum What Does A Boost Compensator Basically, the boost compensator ensures that the amount of injected fuel is in direct proportion to. otherwise known as smoke limiter enables the pump to supply more fuel at higher rpm. Note some pumps also or instead have an. Please don't copy anything in this video if you don't understand the basic principles of how a mechanical. boost. What Does A Boost Compensator.
From www.theturboforums.com
Carter AFB compensator valve Carburetor + Boost Tech Questions What Does A Boost Compensator bosch boost compensator operation. with turbocharged engines, we have vastly different amounts of airflow on boost to what we have off boost. Note some pumps also or instead have an. Hzj79/105 early models don’t have a compensator. Please don't copy anything in this video if you don't understand the basic principles of how a mechanical. otherwise known. What Does A Boost Compensator.