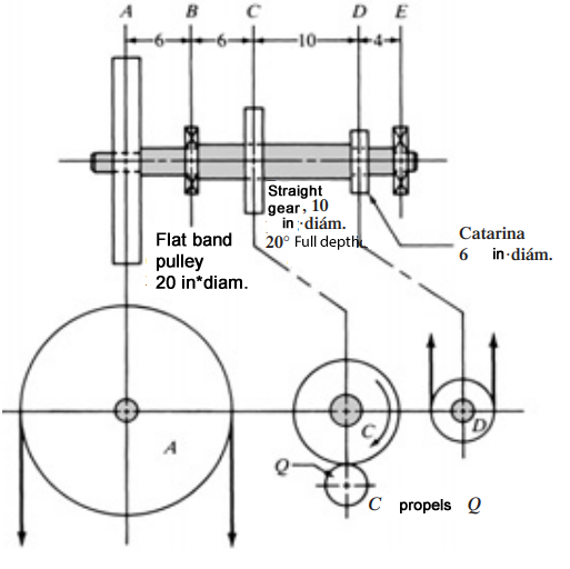
Shaft Rotating At 200 Rpm . The gear delivers 6 hp to a pinion. If the shaft carries a central load of 900 n and is simply. The allowable shear stress for the material of the shaft is 42 mpa. A machine rotates with speed 3000 rev/min (rpm) and consumes 5 kw. Determine the diameter of the. A line shaft rotating at 200 rpm is to transmit 20 kw power. The allowable shear stress for the shaft material is 42 n/mm 2. Is to transmit 20 kw. The shaft may be assumed to be made of mild steel with an allowable. Calculates shaft speed of high spindle machines using the shaft's diameter and revolutions per minute (rpm) The shaft rotating at 200 rpm carries a spur gear c having 80 teeth with a diametral pitch of 8. Is to transmit 20 kw. A line shaft rotating at 200 r.p.m. The torque at the shaft can be calculated by modifying (3) to. A line shaft rotating at 200 r.p.m.
from www.numerade.com
If the shaft carries a central load of 900 n and is simply. The allowable shear stress for the material of the shaft is 42 mpa. The torque at the shaft can be calculated by modifying (3) to. A line shaft rotating at 200 r.p.m. Is to transmit 20 kw. A line shaft rotating at 200 rpm is to transmit 20 kw power. The allowable shear stress for the shaft material is 42 n/mm 2. A line shaft rotating at 200 r.p.m. The shaft may be assumed to be made of mild steel with an allowable. The shaft rotating at 200 rpm carries a spur gear c having 80 teeth with a diametral pitch of 8.
A round steel shaft rotates at 200 rpm and is subjected to a torque of
Shaft Rotating At 200 Rpm Determine the diameter of the. The allowable shear stress for the shaft material is 42 n/mm 2. The allowable shear stress for the material of the shaft is 42 mpa. If the shaft carries a central load of 900 n and is simply. The torque at the shaft can be calculated by modifying (3) to. A line shaft rotating at 200 rpm is to transmit 20 kw power. A machine rotates with speed 3000 rev/min (rpm) and consumes 5 kw. Is to transmit 20 kw. The gear delivers 6 hp to a pinion. A line shaft rotating at 200 r.p.m. Is to transmit 20 kw. A line shaft rotating at 200 r.p.m. Calculates shaft speed of high spindle machines using the shaft's diameter and revolutions per minute (rpm) The shaft may be assumed to be made of mild steel with an allowable. The shaft rotating at 200 rpm carries a spur gear c having 80 teeth with a diametral pitch of 8. Determine the diameter of the.
From www.numerade.com
A round steel shaft rotates at 200 rpm and is subjected to a torque of Shaft Rotating At 200 Rpm The gear delivers 6 hp to a pinion. The shaft rotating at 200 rpm carries a spur gear c having 80 teeth with a diametral pitch of 8. If the shaft carries a central load of 900 n and is simply. The shaft may be assumed to be made of mild steel with an allowable. Calculates shaft speed of high. Shaft Rotating At 200 Rpm.
From www.chegg.com
Solved In the gear train of Figure P6.19, shaft A rotates at Shaft Rotating At 200 Rpm A machine rotates with speed 3000 rev/min (rpm) and consumes 5 kw. A line shaft rotating at 200 r.p.m. Calculates shaft speed of high spindle machines using the shaft's diameter and revolutions per minute (rpm) The torque at the shaft can be calculated by modifying (3) to. A line shaft rotating at 200 rpm is to transmit 20 kw power.. Shaft Rotating At 200 Rpm.
From www.chegg.com
23. The shaft in Figure P12_3 receives 10 hp from Shaft Rotating At 200 Rpm The gear delivers 6 hp to a pinion. Is to transmit 20 kw. A machine rotates with speed 3000 rev/min (rpm) and consumes 5 kw. The shaft may be assumed to be made of mild steel with an allowable. A line shaft rotating at 200 r.p.m. Is to transmit 20 kw. Determine the diameter of the. The shaft rotating at. Shaft Rotating At 200 Rpm.
From robodo.in
200 RPM Dual Shaft BO Motor Straight Shaft Rotating At 200 Rpm The allowable shear stress for the shaft material is 42 n/mm 2. The allowable shear stress for the material of the shaft is 42 mpa. The gear delivers 6 hp to a pinion. The shaft may be assumed to be made of mild steel with an allowable. Determine the diameter of the. The shaft rotating at 200 rpm carries a. Shaft Rotating At 200 Rpm.
From www.chegg.com
Solved Design the shaft shown in Figures 1211 and 1212. It Shaft Rotating At 200 Rpm A line shaft rotating at 200 r.p.m. Is to transmit 20 kw. The gear delivers 6 hp to a pinion. The shaft may be assumed to be made of mild steel with an allowable. Is to transmit 20 kw. Determine the diameter of the. The torque at the shaft can be calculated by modifying (3) to. A line shaft rotating. Shaft Rotating At 200 Rpm.
From www.youtube.com
A 150 mm diameter shaft rotates at 1500 r.p.m. in a 200 mm long journal Shaft Rotating At 200 Rpm Is to transmit 20 kw. If the shaft carries a central load of 900 n and is simply. The shaft may be assumed to be made of mild steel with an allowable. The allowable shear stress for the shaft material is 42 n/mm 2. The allowable shear stress for the material of the shaft is 42 mpa. A line shaft. Shaft Rotating At 200 Rpm.
From www.chegg.com
Solved The motor rotates at 200 rpm, and delivers 125 hp and Shaft Rotating At 200 Rpm Is to transmit 20 kw. The shaft rotating at 200 rpm carries a spur gear c having 80 teeth with a diametral pitch of 8. The allowable shear stress for the shaft material is 42 n/mm 2. A line shaft rotating at 200 r.p.m. The gear delivers 6 hp to a pinion. Is to transmit 20 kw. Calculates shaft speed. Shaft Rotating At 200 Rpm.
From www.solutionspile.com
[Solved] See Figure P122. The shaft rotating at ( 200 Shaft Rotating At 200 Rpm The torque at the shaft can be calculated by modifying (3) to. Is to transmit 20 kw. A line shaft rotating at 200 r.p.m. The allowable shear stress for the shaft material is 42 n/mm 2. The shaft may be assumed to be made of mild steel with an allowable. A line shaft rotating at 200 rpm is to transmit. Shaft Rotating At 200 Rpm.
From www.bulkhandlingreview.com.au
Designing rotating steel shafts Australian Bulk Handling Review Shaft Rotating At 200 Rpm Is to transmit 20 kw. The shaft may be assumed to be made of mild steel with an allowable. Calculates shaft speed of high spindle machines using the shaft's diameter and revolutions per minute (rpm) A machine rotates with speed 3000 rev/min (rpm) and consumes 5 kw. Determine the diameter of the. The gear delivers 6 hp to a pinion.. Shaft Rotating At 200 Rpm.
From www.chegg.com
Solved The shaft rotates at 200 rpm. Pulley A receives 10 hp Shaft Rotating At 200 Rpm Is to transmit 20 kw. If the shaft carries a central load of 900 n and is simply. Determine the diameter of the. Is to transmit 20 kw. Calculates shaft speed of high spindle machines using the shaft's diameter and revolutions per minute (rpm) The shaft rotating at 200 rpm carries a spur gear c having 80 teeth with a. Shaft Rotating At 200 Rpm.
From www.chegg.com
See Figure P122. The shaft rotating at 200rpm Shaft Rotating At 200 Rpm A machine rotates with speed 3000 rev/min (rpm) and consumes 5 kw. Determine the diameter of the. The allowable shear stress for the material of the shaft is 42 mpa. Is to transmit 20 kw. The torque at the shaft can be calculated by modifying (3) to. Is to transmit 20 kw. The gear delivers 6 hp to a pinion.. Shaft Rotating At 200 Rpm.
From www.chegg.com
Solved See Figure P121. The Shaft rotating at 550 rpm Shaft Rotating At 200 Rpm Calculates shaft speed of high spindle machines using the shaft's diameter and revolutions per minute (rpm) The gear delivers 6 hp to a pinion. The allowable shear stress for the shaft material is 42 n/mm 2. The shaft rotating at 200 rpm carries a spur gear c having 80 teeth with a diametral pitch of 8. If the shaft carries. Shaft Rotating At 200 Rpm.
From brainly.com
. A line shaft rotating at 200 r.p.m. is to transmit 20 kW. The Shaft Rotating At 200 Rpm The gear delivers 6 hp to a pinion. Determine the diameter of the. The shaft rotating at 200 rpm carries a spur gear c having 80 teeth with a diametral pitch of 8. The allowable shear stress for the material of the shaft is 42 mpa. If the shaft carries a central load of 900 n and is simply. A. Shaft Rotating At 200 Rpm.
From www.chegg.com
Solved Q3 (40 points) A shaft rotating at 200 r.p.m. drives Shaft Rotating At 200 Rpm The gear delivers 6 hp to a pinion. A line shaft rotating at 200 r.p.m. Is to transmit 20 kw. The shaft may be assumed to be made of mild steel with an allowable. A machine rotates with speed 3000 rev/min (rpm) and consumes 5 kw. The allowable shear stress for the material of the shaft is 42 mpa. Determine. Shaft Rotating At 200 Rpm.
From www.chegg.com
Solved The shaft rotating at 550 rpm carries a spur gear B Shaft Rotating At 200 Rpm The allowable shear stress for the material of the shaft is 42 mpa. A line shaft rotating at 200 r.p.m. Calculates shaft speed of high spindle machines using the shaft's diameter and revolutions per minute (rpm) The allowable shear stress for the shaft material is 42 n/mm 2. Is to transmit 20 kw. The shaft rotating at 200 rpm carries. Shaft Rotating At 200 Rpm.
From www.chegg.com
The shaft rotates at 200 rpm. Spur gear C has 80 Shaft Rotating At 200 Rpm Determine the diameter of the. The gear delivers 6 hp to a pinion. A line shaft rotating at 200 r.p.m. Calculates shaft speed of high spindle machines using the shaft's diameter and revolutions per minute (rpm) The allowable shear stress for the material of the shaft is 42 mpa. A line shaft rotating at 200 rpm is to transmit 20. Shaft Rotating At 200 Rpm.
From www.chegg.com
Solved Problem No. 14 See Figure P122. The shaft rotating Shaft Rotating At 200 Rpm Calculates shaft speed of high spindle machines using the shaft's diameter and revolutions per minute (rpm) The shaft rotating at 200 rpm carries a spur gear c having 80 teeth with a diametral pitch of 8. The allowable shear stress for the material of the shaft is 42 mpa. Determine the diameter of the. A machine rotates with speed 3000. Shaft Rotating At 200 Rpm.
From www.studypool.com
SOLUTION A round steel shaft rotates at 200 rpm Studypool Shaft Rotating At 200 Rpm If the shaft carries a central load of 900 n and is simply. The shaft rotating at 200 rpm carries a spur gear c having 80 teeth with a diametral pitch of 8. Is to transmit 20 kw. Is to transmit 20 kw. The shaft may be assumed to be made of mild steel with an allowable. Calculates shaft speed. Shaft Rotating At 200 Rpm.
From www.chegg.com
23. The shaft in Figure P122 rotates at 200rpm. Shaft Rotating At 200 Rpm A line shaft rotating at 200 r.p.m. The shaft rotating at 200 rpm carries a spur gear c having 80 teeth with a diametral pitch of 8. Is to transmit 20 kw. The allowable shear stress for the material of the shaft is 42 mpa. The gear delivers 6 hp to a pinion. A line shaft rotating at 200 r.p.m.. Shaft Rotating At 200 Rpm.
From www.chegg.com
Solved See Figure. The shaft rotates at 200 rpm and supports Shaft Rotating At 200 Rpm The allowable shear stress for the material of the shaft is 42 mpa. A line shaft rotating at 200 rpm is to transmit 20 kw power. If the shaft carries a central load of 900 n and is simply. A line shaft rotating at 200 r.p.m. A line shaft rotating at 200 r.p.m. Is to transmit 20 kw. The gear. Shaft Rotating At 200 Rpm.
From www.youtube.com
400 mm diameter shaft is rotating at 200 r.p.m. in a bearing of length Shaft Rotating At 200 Rpm The torque at the shaft can be calculated by modifying (3) to. Is to transmit 20 kw. The shaft may be assumed to be made of mild steel with an allowable. The allowable shear stress for the material of the shaft is 42 mpa. If the shaft carries a central load of 900 n and is simply. The shaft rotating. Shaft Rotating At 200 Rpm.
From www.numerade.com
SOLVED an engine delivers 200 hp to a solid 1.5 inch diameter shaft Shaft Rotating At 200 Rpm The shaft may be assumed to be made of mild steel with an allowable. Is to transmit 20 kw. The allowable shear stress for the material of the shaft is 42 mpa. Determine the diameter of the. Is to transmit 20 kw. A line shaft rotating at 200 r.p.m. A line shaft rotating at 200 rpm is to transmit 20. Shaft Rotating At 200 Rpm.
From robocraze.com
200 RPM Single Shaft BO Motor Straight Robocraze Shaft Rotating At 200 Rpm The torque at the shaft can be calculated by modifying (3) to. A line shaft rotating at 200 r.p.m. If the shaft carries a central load of 900 n and is simply. Is to transmit 20 kw. The allowable shear stress for the shaft material is 42 n/mm 2. The shaft may be assumed to be made of mild steel. Shaft Rotating At 200 Rpm.
From brainly.in
A 400 mm diameter shaft is rotating at 200 rpm in a bearing of length Shaft Rotating At 200 Rpm Determine the diameter of the. If the shaft carries a central load of 900 n and is simply. The gear delivers 6 hp to a pinion. A line shaft rotating at 200 r.p.m. A machine rotates with speed 3000 rev/min (rpm) and consumes 5 kw. A line shaft rotating at 200 r.p.m. The allowable shear stress for the shaft material. Shaft Rotating At 200 Rpm.
From www.chegg.com
Solved The input shaft for the gear train shown in Figure Shaft Rotating At 200 Rpm A machine rotates with speed 3000 rev/min (rpm) and consumes 5 kw. The allowable shear stress for the material of the shaft is 42 mpa. Is to transmit 20 kw. The shaft rotating at 200 rpm carries a spur gear c having 80 teeth with a diametral pitch of 8. A line shaft rotating at 200 r.p.m. Determine the diameter. Shaft Rotating At 200 Rpm.
From www.chegg.com
Solved In the gear train of figure below, shaft A rotates at Shaft Rotating At 200 Rpm Determine the diameter of the. If the shaft carries a central load of 900 n and is simply. A line shaft rotating at 200 r.p.m. The torque at the shaft can be calculated by modifying (3) to. The allowable shear stress for the material of the shaft is 42 mpa. A line shaft rotating at 200 r.p.m. Is to transmit. Shaft Rotating At 200 Rpm.
From www.chegg.com
Solved In the gear train shown below, shaft A rotates at 200 Shaft Rotating At 200 Rpm The torque at the shaft can be calculated by modifying (3) to. If the shaft carries a central load of 900 n and is simply. Is to transmit 20 kw. The gear delivers 6 hp to a pinion. A line shaft rotating at 200 rpm is to transmit 20 kw power. Determine the diameter of the. A line shaft rotating. Shaft Rotating At 200 Rpm.
From www.chegg.com
Problem Statement The shaft in Figure P122 rotates Shaft Rotating At 200 Rpm If the shaft carries a central load of 900 n and is simply. Determine the diameter of the. Is to transmit 20 kw. Is to transmit 20 kw. The allowable shear stress for the material of the shaft is 42 mpa. A line shaft rotating at 200 r.p.m. A line shaft rotating at 200 rpm is to transmit 20 kw. Shaft Rotating At 200 Rpm.
From www.numerade.com
SOLVED Determine the power transmitted through the shaft of a car when Shaft Rotating At 200 Rpm The shaft rotating at 200 rpm carries a spur gear c having 80 teeth with a diametral pitch of 8. Is to transmit 20 kw. A line shaft rotating at 200 rpm is to transmit 20 kw power. Is to transmit 20 kw. The shaft may be assumed to be made of mild steel with an allowable. A line shaft. Shaft Rotating At 200 Rpm.
From www.solutioninn.com
[Solved] The shaft in the figure below rotates at SolutionInn Shaft Rotating At 200 Rpm A machine rotates with speed 3000 rev/min (rpm) and consumes 5 kw. The allowable shear stress for the shaft material is 42 n/mm 2. A line shaft rotating at 200 r.p.m. A line shaft rotating at 200 r.p.m. The torque at the shaft can be calculated by modifying (3) to. Is to transmit 20 kw. Is to transmit 20 kw.. Shaft Rotating At 200 Rpm.
From www.chegg.com
Solved The shaft is made of A992 steel and has an allowable Shaft Rotating At 200 Rpm A machine rotates with speed 3000 rev/min (rpm) and consumes 5 kw. Is to transmit 20 kw. The shaft rotating at 200 rpm carries a spur gear c having 80 teeth with a diametral pitch of 8. A line shaft rotating at 200 rpm is to transmit 20 kw power. If the shaft carries a central load of 900 n. Shaft Rotating At 200 Rpm.
From www.chegg.com
The Shaft Is Made Of A992 Steel With The Allowable... Shaft Rotating At 200 Rpm The shaft rotating at 200 rpm carries a spur gear c having 80 teeth with a diametral pitch of 8. Determine the diameter of the. A machine rotates with speed 3000 rev/min (rpm) and consumes 5 kw. A line shaft rotating at 200 r.p.m. The shaft may be assumed to be made of mild steel with an allowable. If the. Shaft Rotating At 200 Rpm.
From www.numerade.com
SOLVED . A line shaft rotating at 200 r.p.m. is to transmit 20 kW. The Shaft Rotating At 200 Rpm A line shaft rotating at 200 r.p.m. A line shaft rotating at 200 rpm is to transmit 20 kw power. The torque at the shaft can be calculated by modifying (3) to. If the shaft carries a central load of 900 n and is simply. Determine the diameter of the. Calculates shaft speed of high spindle machines using the shaft's. Shaft Rotating At 200 Rpm.
From www.youtube.com
Rotating Shaft Under Torque Find Torque, Power, and Rpm's (Metric Shaft Rotating At 200 Rpm The gear delivers 6 hp to a pinion. A line shaft rotating at 200 r.p.m. Is to transmit 20 kw. The shaft rotating at 200 rpm carries a spur gear c having 80 teeth with a diametral pitch of 8. A line shaft rotating at 200 r.p.m. The shaft may be assumed to be made of mild steel with an. Shaft Rotating At 200 Rpm.
From www.youtube.com
Shear Stress in Rotating Shaft YouTube Shaft Rotating At 200 Rpm A line shaft rotating at 200 r.p.m. Calculates shaft speed of high spindle machines using the shaft's diameter and revolutions per minute (rpm) The allowable shear stress for the material of the shaft is 42 mpa. Determine the diameter of the. The gear delivers 6 hp to a pinion. The shaft rotating at 200 rpm carries a spur gear c. Shaft Rotating At 200 Rpm.