Yamaha Banshee Clutch Replacement . in this video i will show how to remove the old clutch and to install the new one. 1) remove the clutch basket from the bike and make sure you take the bushing out of the center if it stayed in. replacing the clutch is an inevitable job that will need to be done over the course of owning any machine,. This clutch kit comes with 7 clutch fibers, 6 steels, 6 springs, 6061 billet aluminum clutch basket with backing plate and bolts, inner hub, pressure plate, clutch cushions, and clutch cover gasket. how to replace the clutch on a yamaha banshee. yamaha banshee clutch kit from macdaddy racing. On a yamaha banshee atv four. Most banshee under 100hp will be. the panthera clutch will allows you to run much softer springs that other clutch set ups.
from www.vitosperformance.com
how to replace the clutch on a yamaha banshee. the panthera clutch will allows you to run much softer springs that other clutch set ups. 1) remove the clutch basket from the bike and make sure you take the bushing out of the center if it stayed in. On a yamaha banshee atv four. yamaha banshee clutch kit from macdaddy racing. Most banshee under 100hp will be. in this video i will show how to remove the old clutch and to install the new one. This clutch kit comes with 7 clutch fibers, 6 steels, 6 springs, 6061 billet aluminum clutch basket with backing plate and bolts, inner hub, pressure plate, clutch cushions, and clutch cover gasket. replacing the clutch is an inevitable job that will need to be done over the course of owning any machine,.
Yamaha Banshee Clutch Boss Inner Hub Oem Stock Factory Fits19872006
Yamaha Banshee Clutch Replacement in this video i will show how to remove the old clutch and to install the new one. Most banshee under 100hp will be. 1) remove the clutch basket from the bike and make sure you take the bushing out of the center if it stayed in. replacing the clutch is an inevitable job that will need to be done over the course of owning any machine,. the panthera clutch will allows you to run much softer springs that other clutch set ups. On a yamaha banshee atv four. in this video i will show how to remove the old clutch and to install the new one. This clutch kit comes with 7 clutch fibers, 6 steels, 6 springs, 6061 billet aluminum clutch basket with backing plate and bolts, inner hub, pressure plate, clutch cushions, and clutch cover gasket. yamaha banshee clutch kit from macdaddy racing. how to replace the clutch on a yamaha banshee.
From redlineracing.biz
Clutch Kit for Yamaha Banshee Redline Racing & OEM Parts Yamaha Banshee Clutch Replacement replacing the clutch is an inevitable job that will need to be done over the course of owning any machine,. the panthera clutch will allows you to run much softer springs that other clutch set ups. yamaha banshee clutch kit from macdaddy racing. On a yamaha banshee atv four. This clutch kit comes with 7 clutch fibers,. Yamaha Banshee Clutch Replacement.
From pantheramotorsports.com
Banshee Clutch Yamaha Banshee 25 Disc Clutch Assembly Yamaha Banshee Clutch Replacement Most banshee under 100hp will be. yamaha banshee clutch kit from macdaddy racing. replacing the clutch is an inevitable job that will need to be done over the course of owning any machine,. 1) remove the clutch basket from the bike and make sure you take the bushing out of the center if it stayed in. On. Yamaha Banshee Clutch Replacement.
From www.jdscustoms.com
Yamaha Banshee Clutch Kit With Steel Plates, Vitos JDS Customs Yamaha Banshee Clutch Replacement 1) remove the clutch basket from the bike and make sure you take the bushing out of the center if it stayed in. This clutch kit comes with 7 clutch fibers, 6 steels, 6 springs, 6061 billet aluminum clutch basket with backing plate and bolts, inner hub, pressure plate, clutch cushions, and clutch cover gasket. yamaha banshee clutch. Yamaha Banshee Clutch Replacement.
From www.youtube.com
Yamaha Banshee Clutch Side Assembly Part 2 of 5 YouTube Yamaha Banshee Clutch Replacement Most banshee under 100hp will be. On a yamaha banshee atv four. yamaha banshee clutch kit from macdaddy racing. replacing the clutch is an inevitable job that will need to be done over the course of owning any machine,. This clutch kit comes with 7 clutch fibers, 6 steels, 6 springs, 6061 billet aluminum clutch basket with backing. Yamaha Banshee Clutch Replacement.
From macdaddyracing.com
Yamaha Banshee Full Clutch Kit and Cover MacDaddy Racing Yamaha Banshee Clutch Replacement This clutch kit comes with 7 clutch fibers, 6 steels, 6 springs, 6061 billet aluminum clutch basket with backing plate and bolts, inner hub, pressure plate, clutch cushions, and clutch cover gasket. in this video i will show how to remove the old clutch and to install the new one. the panthera clutch will allows you to run. Yamaha Banshee Clutch Replacement.
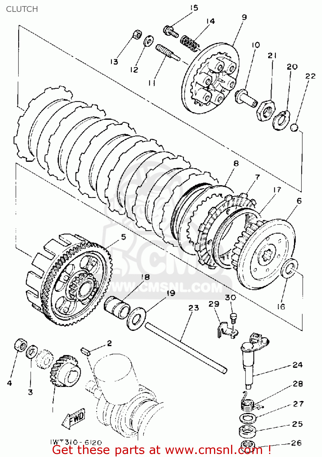
From www.cmsnl.com
Yamaha YFZ350D BANSHEE 1992 CLUTCH buy original CLUTCH spares online Yamaha Banshee Clutch Replacement 1) remove the clutch basket from the bike and make sure you take the bushing out of the center if it stayed in. On a yamaha banshee atv four. replacing the clutch is an inevitable job that will need to be done over the course of owning any machine,. yamaha banshee clutch kit from macdaddy racing. . Yamaha Banshee Clutch Replacement.
From www.bossatvracing.com
Yamaha Banshee Drag Complete Clutch Kit Yamaha Banshee Clutch Replacement yamaha banshee clutch kit from macdaddy racing. On a yamaha banshee atv four. This clutch kit comes with 7 clutch fibers, 6 steels, 6 springs, 6061 billet aluminum clutch basket with backing plate and bolts, inner hub, pressure plate, clutch cushions, and clutch cover gasket. replacing the clutch is an inevitable job that will need to be done. Yamaha Banshee Clutch Replacement.
From macdaddyracing.com
Yamaha Banshee Full Clutch Kit and Cover MacDaddy Racing Yamaha Banshee Clutch Replacement This clutch kit comes with 7 clutch fibers, 6 steels, 6 springs, 6061 billet aluminum clutch basket with backing plate and bolts, inner hub, pressure plate, clutch cushions, and clutch cover gasket. replacing the clutch is an inevitable job that will need to be done over the course of owning any machine,. Most banshee under 100hp will be. . Yamaha Banshee Clutch Replacement.
From www.bossatvracing.com
Yamaha Banshee Clutch Update Kit Yamaha Banshee Clutch Replacement how to replace the clutch on a yamaha banshee. in this video i will show how to remove the old clutch and to install the new one. On a yamaha banshee atv four. yamaha banshee clutch kit from macdaddy racing. Most banshee under 100hp will be. This clutch kit comes with 7 clutch fibers, 6 steels, 6. Yamaha Banshee Clutch Replacement.
From macdaddyracing.com
Yamaha Banshee Lock Up Clutch Kit with Bolts MacDaddy Racing Yamaha Banshee Clutch Replacement how to replace the clutch on a yamaha banshee. the panthera clutch will allows you to run much softer springs that other clutch set ups. This clutch kit comes with 7 clutch fibers, 6 steels, 6 springs, 6061 billet aluminum clutch basket with backing plate and bolts, inner hub, pressure plate, clutch cushions, and clutch cover gasket. On. Yamaha Banshee Clutch Replacement.
From www.vitosperformance.com
NEW Yamaha Banshee LOCK UP clutch kit ball bearing 140+HP drag out Yamaha Banshee Clutch Replacement how to replace the clutch on a yamaha banshee. yamaha banshee clutch kit from macdaddy racing. replacing the clutch is an inevitable job that will need to be done over the course of owning any machine,. 1) remove the clutch basket from the bike and make sure you take the bushing out of the center if. Yamaha Banshee Clutch Replacement.
From www.vitosperformance.com
NEW Yamaha Banshee 350 CLUTCH BASKET + main gear OEM stock FACTORY 1987 Yamaha Banshee Clutch Replacement Most banshee under 100hp will be. the panthera clutch will allows you to run much softer springs that other clutch set ups. in this video i will show how to remove the old clutch and to install the new one. how to replace the clutch on a yamaha banshee. yamaha banshee clutch kit from macdaddy racing.. Yamaha Banshee Clutch Replacement.
From macdaddyracing.com
Yamaha Banshee Clutch Kit MacDaddy Racing Yamaha Banshee Clutch Replacement This clutch kit comes with 7 clutch fibers, 6 steels, 6 springs, 6061 billet aluminum clutch basket with backing plate and bolts, inner hub, pressure plate, clutch cushions, and clutch cover gasket. replacing the clutch is an inevitable job that will need to be done over the course of owning any machine,. Most banshee under 100hp will be. . Yamaha Banshee Clutch Replacement.
From pantheramotorsports.com
Banshee Clutch Yamaha Banshee 25 Disc Clutch Assembly Yamaha Banshee Clutch Replacement in this video i will show how to remove the old clutch and to install the new one. This clutch kit comes with 7 clutch fibers, 6 steels, 6 springs, 6061 billet aluminum clutch basket with backing plate and bolts, inner hub, pressure plate, clutch cushions, and clutch cover gasket. the panthera clutch will allows you to run. Yamaha Banshee Clutch Replacement.
From www.ebay.com
YAMAHA BANSHEE CLUTCH REPLACEMENT KIT SPRINGSET GASKET YFZ 350 198706 Yamaha Banshee Clutch Replacement how to replace the clutch on a yamaha banshee. On a yamaha banshee atv four. 1) remove the clutch basket from the bike and make sure you take the bushing out of the center if it stayed in. yamaha banshee clutch kit from macdaddy racing. Most banshee under 100hp will be. in this video i will. Yamaha Banshee Clutch Replacement.
From www.jdscustoms.com
Yamaha Banshee Complete Clutch Kit With Springs JDS Customs Yamaha Banshee Clutch Replacement replacing the clutch is an inevitable job that will need to be done over the course of owning any machine,. how to replace the clutch on a yamaha banshee. On a yamaha banshee atv four. Most banshee under 100hp will be. 1) remove the clutch basket from the bike and make sure you take the bushing out. Yamaha Banshee Clutch Replacement.
From pantheramotorsports.com
Buy Yamaha Banshee 19 disc clutch assembly Panthera Motors Yamaha Banshee Clutch Replacement in this video i will show how to remove the old clutch and to install the new one. Most banshee under 100hp will be. replacing the clutch is an inevitable job that will need to be done over the course of owning any machine,. yamaha banshee clutch kit from macdaddy racing. the panthera clutch will allows. Yamaha Banshee Clutch Replacement.
From macdaddyracing.com
Yamaha Banshee Lock Up Clutch Kit with Bolts MacDaddy Racing Yamaha Banshee Clutch Replacement replacing the clutch is an inevitable job that will need to be done over the course of owning any machine,. 1) remove the clutch basket from the bike and make sure you take the bushing out of the center if it stayed in. how to replace the clutch on a yamaha banshee. in this video i. Yamaha Banshee Clutch Replacement.
From pantheramotorsports.com
Banshee Clutch Yamaha Banshee 25 Disc Clutch Assembly Yamaha Banshee Clutch Replacement how to replace the clutch on a yamaha banshee. On a yamaha banshee atv four. the panthera clutch will allows you to run much softer springs that other clutch set ups. This clutch kit comes with 7 clutch fibers, 6 steels, 6 springs, 6061 billet aluminum clutch basket with backing plate and bolts, inner hub, pressure plate, clutch. Yamaha Banshee Clutch Replacement.
From www.vitosperformance.com
NEW Yamaha Banshee 350 CLUTCH BASKET + main gear OEM stock FACTORY 1987 Yamaha Banshee Clutch Replacement replacing the clutch is an inevitable job that will need to be done over the course of owning any machine,. Most banshee under 100hp will be. the panthera clutch will allows you to run much softer springs that other clutch set ups. yamaha banshee clutch kit from macdaddy racing. On a yamaha banshee atv four. This clutch. Yamaha Banshee Clutch Replacement.
From pantheramotorsports.com
Buy Yamaha Banshee 19 disc clutch assembly Panthera Motors Yamaha Banshee Clutch Replacement how to replace the clutch on a yamaha banshee. 1) remove the clutch basket from the bike and make sure you take the bushing out of the center if it stayed in. Most banshee under 100hp will be. This clutch kit comes with 7 clutch fibers, 6 steels, 6 springs, 6061 billet aluminum clutch basket with backing plate. Yamaha Banshee Clutch Replacement.
From nl.grandado.com
Clutch Kit Heavy Duty Veren Pakking Voor Yamaha Banshee 350 19872006 Yamaha Banshee Clutch Replacement replacing the clutch is an inevitable job that will need to be done over the course of owning any machine,. the panthera clutch will allows you to run much softer springs that other clutch set ups. Most banshee under 100hp will be. how to replace the clutch on a yamaha banshee. yamaha banshee clutch kit from. Yamaha Banshee Clutch Replacement.
From www.vehicles-classifieds.com
New Yamaha Banshee Yfz350 Billet Clutch Basket Clutch Kit Cushion Yamaha Banshee Clutch Replacement replacing the clutch is an inevitable job that will need to be done over the course of owning any machine,. Most banshee under 100hp will be. This clutch kit comes with 7 clutch fibers, 6 steels, 6 springs, 6061 billet aluminum clutch basket with backing plate and bolts, inner hub, pressure plate, clutch cushions, and clutch cover gasket. . Yamaha Banshee Clutch Replacement.
From www.vitosperformance.com
NEW Yamaha Banshee 350 CLUTCH BASKET + main gear OEM stock FACTORY 1987 Yamaha Banshee Clutch Replacement the panthera clutch will allows you to run much softer springs that other clutch set ups. in this video i will show how to remove the old clutch and to install the new one. This clutch kit comes with 7 clutch fibers, 6 steels, 6 springs, 6061 billet aluminum clutch basket with backing plate and bolts, inner hub,. Yamaha Banshee Clutch Replacement.
From www.vitosperformance.com
NEW 19872006 Yamaha Banshee CLUTCH BASKET main gear Yamaha Banshee Clutch Replacement the panthera clutch will allows you to run much softer springs that other clutch set ups. Most banshee under 100hp will be. 1) remove the clutch basket from the bike and make sure you take the bushing out of the center if it stayed in. yamaha banshee clutch kit from macdaddy racing. in this video i. Yamaha Banshee Clutch Replacement.
From www.vitosperformance.com
NEW Yamaha Banshee LOCK UP clutch kit lockout finger BILLET + screws BLACK Yamaha Banshee Clutch Replacement the panthera clutch will allows you to run much softer springs that other clutch set ups. Most banshee under 100hp will be. This clutch kit comes with 7 clutch fibers, 6 steels, 6 springs, 6061 billet aluminum clutch basket with backing plate and bolts, inner hub, pressure plate, clutch cushions, and clutch cover gasket. how to replace the. Yamaha Banshee Clutch Replacement.
From www.vitosperformance.com
CLUTCH COVER + LOCK UP KIT Billet aluminum Yamaha Banshee clear window Yamaha Banshee Clutch Replacement in this video i will show how to remove the old clutch and to install the new one. On a yamaha banshee atv four. Most banshee under 100hp will be. yamaha banshee clutch kit from macdaddy racing. This clutch kit comes with 7 clutch fibers, 6 steels, 6 springs, 6061 billet aluminum clutch basket with backing plate and. Yamaha Banshee Clutch Replacement.
From www.ebay.com
Clutch kit for Yamaha Banshee YFZ 350 4057711963496 eBay Yamaha Banshee Clutch Replacement On a yamaha banshee atv four. in this video i will show how to remove the old clutch and to install the new one. 1) remove the clutch basket from the bike and make sure you take the bushing out of the center if it stayed in. Most banshee under 100hp will be. This clutch kit comes with. Yamaha Banshee Clutch Replacement.
From www.hsdracing.com
Yamaha Banshee YFZ350 Toomey Clutch Kit Yamaha Banshee Clutch Replacement 1) remove the clutch basket from the bike and make sure you take the bushing out of the center if it stayed in. in this video i will show how to remove the old clutch and to install the new one. On a yamaha banshee atv four. the panthera clutch will allows you to run much softer. Yamaha Banshee Clutch Replacement.
From www.youtube.com
Yamaha Banshee Clutch Basket YouTube Yamaha Banshee Clutch Replacement how to replace the clutch on a yamaha banshee. yamaha banshee clutch kit from macdaddy racing. replacing the clutch is an inevitable job that will need to be done over the course of owning any machine,. On a yamaha banshee atv four. the panthera clutch will allows you to run much softer springs that other clutch. Yamaha Banshee Clutch Replacement.
From www.youtube.com
How a Yamaha Banshee clutch works and repair job YouTube Yamaha Banshee Clutch Replacement replacing the clutch is an inevitable job that will need to be done over the course of owning any machine,. Most banshee under 100hp will be. how to replace the clutch on a yamaha banshee. This clutch kit comes with 7 clutch fibers, 6 steels, 6 springs, 6061 billet aluminum clutch basket with backing plate and bolts, inner. Yamaha Banshee Clutch Replacement.
From www.vitosperformance.com
New OEM Yamaha Banshee clutch basket NUT original factory part 19872006 Yamaha Banshee Clutch Replacement the panthera clutch will allows you to run much softer springs that other clutch set ups. in this video i will show how to remove the old clutch and to install the new one. Most banshee under 100hp will be. yamaha banshee clutch kit from macdaddy racing. how to replace the clutch on a yamaha banshee.. Yamaha Banshee Clutch Replacement.
From www.ebay.com
Streamline Billetanium Hydraulic Clutch Yamaha Banshee eBay Yamaha Banshee Clutch Replacement the panthera clutch will allows you to run much softer springs that other clutch set ups. 1) remove the clutch basket from the bike and make sure you take the bushing out of the center if it stayed in. in this video i will show how to remove the old clutch and to install the new one.. Yamaha Banshee Clutch Replacement.
From www.vitosperformance.com
Yamaha Banshee Clutch Boss Inner Hub Oem Stock Factory Fits19872006 Yamaha Banshee Clutch Replacement On a yamaha banshee atv four. replacing the clutch is an inevitable job that will need to be done over the course of owning any machine,. how to replace the clutch on a yamaha banshee. Most banshee under 100hp will be. the panthera clutch will allows you to run much softer springs that other clutch set ups.. Yamaha Banshee Clutch Replacement.
From macdaddyracing.com
Yamaha Banshee Lock Up Clutch Kit with Bolts MacDaddy Racing Yamaha Banshee Clutch Replacement 1) remove the clutch basket from the bike and make sure you take the bushing out of the center if it stayed in. On a yamaha banshee atv four. the panthera clutch will allows you to run much softer springs that other clutch set ups. yamaha banshee clutch kit from macdaddy racing. Most banshee under 100hp will. Yamaha Banshee Clutch Replacement.