Oil Tank Replacement Parts . As tank specialists we stock a wide range of tank. Whether you need a replacement fill cap for you tank or need to replace a vent cap or filter we can help. Oil tank gauges and accessories. From a compression fitting to a. Contact us today for a quote. Our oil tank services cover everything from minor maintenance to full tank replacements since 2003. If you are looking at installing an oil fired central heating system or simply replacing an existing oil tank, then we offer a range of products to ensure that your heating system. 4.5/5 (200) Replacement oil tank parts and oil tank consumables as specified and recommended by original oil tank equipment manufacturers. Browse our range of electronic and mechanical oil tank gauges, fittings and accessories. Buy now from tanks direct today! At fuel tank shop we offer a comprehensive selection of oil tank accessories to ensure your heating system runs smoothly and efficiently. Our oil tank fitting kits typically include essential components like isolation valves, filters, and the necessary fittings for a secure installation. A quality range of oil tank fittings, including fuel gauges, oil tank alarms and oil tank lids and caps.
from www.oilskim.com
Our oil tank fitting kits typically include essential components like isolation valves, filters, and the necessary fittings for a secure installation. Oil tank gauges and accessories. Contact us today for a quote. 4.5/5 (200) From a compression fitting to a. At fuel tank shop we offer a comprehensive selection of oil tank accessories to ensure your heating system runs smoothly and efficiently. Browse our range of electronic and mechanical oil tank gauges, fittings and accessories. Replacement oil tank parts and oil tank consumables as specified and recommended by original oil tank equipment manufacturers. Whether you need a replacement fill cap for you tank or need to replace a vent cap or filter we can help. Our oil tank services cover everything from minor maintenance to full tank replacements since 2003.
Oil Water Separators & Tanks TopRated Oil Water Separators & Tank
Oil Tank Replacement Parts Browse our range of electronic and mechanical oil tank gauges, fittings and accessories. Oil tank gauges and accessories. Our oil tank services cover everything from minor maintenance to full tank replacements since 2003. Our oil tank fitting kits typically include essential components like isolation valves, filters, and the necessary fittings for a secure installation. Contact us today for a quote. Browse our range of electronic and mechanical oil tank gauges, fittings and accessories. A quality range of oil tank fittings, including fuel gauges, oil tank alarms and oil tank lids and caps. Replacement oil tank parts and oil tank consumables as specified and recommended by original oil tank equipment manufacturers. As tank specialists we stock a wide range of tank. At fuel tank shop we offer a comprehensive selection of oil tank accessories to ensure your heating system runs smoothly and efficiently. 4.5/5 (200) If you are looking at installing an oil fired central heating system or simply replacing an existing oil tank, then we offer a range of products to ensure that your heating system. From a compression fitting to a. Buy now from tanks direct today! Whether you need a replacement fill cap for you tank or need to replace a vent cap or filter we can help.
From mitaco.com.au
Pump and Motor Assembly Hydraulic Reservoir Oil Tank for Electric Oil Tank Replacement Parts If you are looking at installing an oil fired central heating system or simply replacing an existing oil tank, then we offer a range of products to ensure that your heating system. Buy now from tanks direct today! Our oil tank services cover everything from minor maintenance to full tank replacements since 2003. As tank specialists we stock a wide. Oil Tank Replacement Parts.
From www.ebay.ca
Oil Tank Assembly for Mercury 3.0L 0T9979741E003045, 1E003046 & Up Oil Tank Replacement Parts From a compression fitting to a. 4.5/5 (200) Contact us today for a quote. Whether you need a replacement fill cap for you tank or need to replace a vent cap or filter we can help. Replacement oil tank parts and oil tank consumables as specified and recommended by original oil tank equipment manufacturers. If you are looking at. Oil Tank Replacement Parts.
From rennlist.com
Oil Line replacement Oil Tank Removal Rennlist Porsche Discussion Oil Tank Replacement Parts 4.5/5 (200) Contact us today for a quote. Our oil tank fitting kits typically include essential components like isolation valves, filters, and the necessary fittings for a secure installation. Browse our range of electronic and mechanical oil tank gauges, fittings and accessories. A quality range of oil tank fittings, including fuel gauges, oil tank alarms and oil tank lids. Oil Tank Replacement Parts.
From www.wwag.com
W&W Cycles Oil Tank > Replacement Parts for Old Style Oil Filter Oil Tank Replacement Parts From a compression fitting to a. If you are looking at installing an oil fired central heating system or simply replacing an existing oil tank, then we offer a range of products to ensure that your heating system. Buy now from tanks direct today! A quality range of oil tank fittings, including fuel gauges, oil tank alarms and oil tank. Oil Tank Replacement Parts.
From www.apgaroil.com
Oil Tank Replacement Allentown & Lehigh Valley, PA Apgar Oil Energy Oil Tank Replacement Parts A quality range of oil tank fittings, including fuel gauges, oil tank alarms and oil tank lids and caps. If you are looking at installing an oil fired central heating system or simply replacing an existing oil tank, then we offer a range of products to ensure that your heating system. Contact us today for a quote. Browse our range. Oil Tank Replacement Parts.
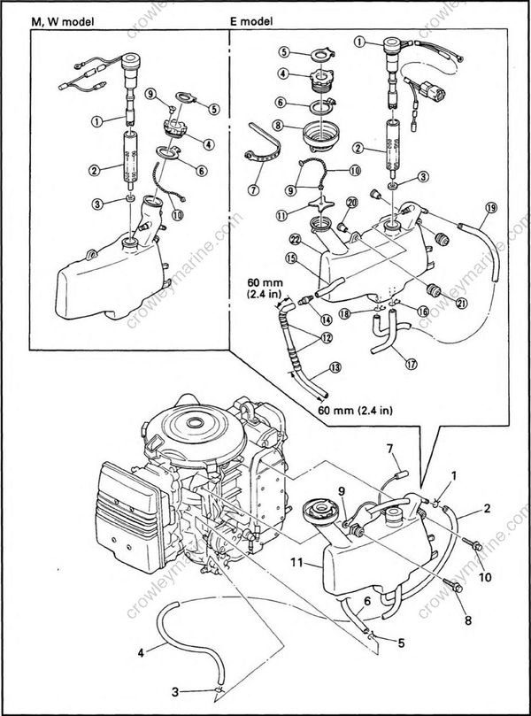
From www.crowleymarine.com
Fuel System [Oil Tank] [2008] Crowley Marine Oil Tank Replacement Parts Our oil tank services cover everything from minor maintenance to full tank replacements since 2003. A quality range of oil tank fittings, including fuel gauges, oil tank alarms and oil tank lids and caps. At fuel tank shop we offer a comprehensive selection of oil tank accessories to ensure your heating system runs smoothly and efficiently. Our oil tank fitting. Oil Tank Replacement Parts.
From www.luckybeard.net
The Complete Guide To Oil Tank Replacement Everything Homeowners Oil Tank Replacement Parts Our oil tank fitting kits typically include essential components like isolation valves, filters, and the necessary fittings for a secure installation. If you are looking at installing an oil fired central heating system or simply replacing an existing oil tank, then we offer a range of products to ensure that your heating system. Replacement oil tank parts and oil tank. Oil Tank Replacement Parts.
From www.oilskim.com
Oil Water Separators & Tanks TopRated Oil Water Separators & Tank Oil Tank Replacement Parts Browse our range of electronic and mechanical oil tank gauges, fittings and accessories. Contact us today for a quote. Oil tank gauges and accessories. Whether you need a replacement fill cap for you tank or need to replace a vent cap or filter we can help. Replacement oil tank parts and oil tank consumables as specified and recommended by original. Oil Tank Replacement Parts.
From www.ebay.ca
Oil Tank Assembly for Mercury 3.0L 0T9979741E003045, 1E003046 & Up Oil Tank Replacement Parts 4.5/5 (200) Buy now from tanks direct today! A quality range of oil tank fittings, including fuel gauges, oil tank alarms and oil tank lids and caps. Contact us today for a quote. From a compression fitting to a. If you are looking at installing an oil fired central heating system or simply replacing an existing oil tank, then. Oil Tank Replacement Parts.
From networkenvironmentaluk.co.uk
A Complete Heating Oil Tank Replacement Guide Oil Tank Replacement Parts 4.5/5 (200) A quality range of oil tank fittings, including fuel gauges, oil tank alarms and oil tank lids and caps. Browse our range of electronic and mechanical oil tank gauges, fittings and accessories. From a compression fitting to a. Our oil tank services cover everything from minor maintenance to full tank replacements since 2003. As tank specialists we. Oil Tank Replacement Parts.
From www.ebay.com
20 Gallon Waste Oil Drain Air Operated Fuel Transfer Tank Oil Change Oil Tank Replacement Parts Our oil tank fitting kits typically include essential components like isolation valves, filters, and the necessary fittings for a secure installation. If you are looking at installing an oil fired central heating system or simply replacing an existing oil tank, then we offer a range of products to ensure that your heating system. As tank specialists we stock a wide. Oil Tank Replacement Parts.
From www.carliftparts.com
GHS Oil Tank / Reservoir Power Unit Motor Rotary Lift P1427kit Oil Tank Replacement Parts Our oil tank services cover everything from minor maintenance to full tank replacements since 2003. Our oil tank fitting kits typically include essential components like isolation valves, filters, and the necessary fittings for a secure installation. Buy now from tanks direct today! Replacement oil tank parts and oil tank consumables as specified and recommended by original oil tank equipment manufacturers.. Oil Tank Replacement Parts.
From www.shipleyenergy.com
How to Know When Your Heating Oil Tank Needs to Be Replaced Oil Tank Replacement Parts Whether you need a replacement fill cap for you tank or need to replace a vent cap or filter we can help. At fuel tank shop we offer a comprehensive selection of oil tank accessories to ensure your heating system runs smoothly and efficiently. As tank specialists we stock a wide range of tank. Oil tank gauges and accessories. Replacement. Oil Tank Replacement Parts.
From oiltankreplacement.uk
Oil Tank Replacement in North Yorkshire Oil Tank Replacement Parts If you are looking at installing an oil fired central heating system or simply replacing an existing oil tank, then we offer a range of products to ensure that your heating system. At fuel tank shop we offer a comprehensive selection of oil tank accessories to ensure your heating system runs smoothly and efficiently. Browse our range of electronic and. Oil Tank Replacement Parts.
From www.fuelsnap.com
How to Inspect a Home Heating Oil Tank and What to Look For CT Oil Oil Tank Replacement Parts Our oil tank services cover everything from minor maintenance to full tank replacements since 2003. Buy now from tanks direct today! At fuel tank shop we offer a comprehensive selection of oil tank accessories to ensure your heating system runs smoothly and efficiently. 4.5/5 (200) From a compression fitting to a. Contact us today for a quote. Browse our. Oil Tank Replacement Parts.
From www.slideshare.net
Domestic Oil Storage Tank Parts Oil Tank Replacement Parts Oil tank gauges and accessories. Replacement oil tank parts and oil tank consumables as specified and recommended by original oil tank equipment manufacturers. Our oil tank fitting kits typically include essential components like isolation valves, filters, and the necessary fittings for a secure installation. Our oil tank services cover everything from minor maintenance to full tank replacements since 2003. 4.5/5. Oil Tank Replacement Parts.
From gernerenergy.com
Oil Tank Replacement in Baltimore Area Gerner Energy Oil Tank Replacement Parts Whether you need a replacement fill cap for you tank or need to replace a vent cap or filter we can help. Browse our range of electronic and mechanical oil tank gauges, fittings and accessories. A quality range of oil tank fittings, including fuel gauges, oil tank alarms and oil tank lids and caps. Our oil tank fitting kits typically. Oil Tank Replacement Parts.
From www.oiltankreplacementssouthwest.co.uk
Oil Tank Replacement Oil Tank Replacements Oil Tank Replacement Parts Contact us today for a quote. Our oil tank fitting kits typically include essential components like isolation valves, filters, and the necessary fittings for a secure installation. Whether you need a replacement fill cap for you tank or need to replace a vent cap or filter we can help. If you are looking at installing an oil fired central heating. Oil Tank Replacement Parts.
From www.tanksrus.co.uk
Oil Tank Replacement at Tanks R Us Tanks R Us Oil Tank Replacement Parts A quality range of oil tank fittings, including fuel gauges, oil tank alarms and oil tank lids and caps. Contact us today for a quote. If you are looking at installing an oil fired central heating system or simply replacing an existing oil tank, then we offer a range of products to ensure that your heating system. Browse our range. Oil Tank Replacement Parts.
From www.youtube.com
Mercury Outboard Oil Tank Replacement 3 16 20 YouTube Oil Tank Replacement Parts Contact us today for a quote. Oil tank gauges and accessories. Our oil tank fitting kits typically include essential components like isolation valves, filters, and the necessary fittings for a secure installation. Our oil tank services cover everything from minor maintenance to full tank replacements since 2003. At fuel tank shop we offer a comprehensive selection of oil tank accessories. Oil Tank Replacement Parts.
From www.getfree.org
Evinrude 2009 30 E30DTELSES, Oil Tank & Pump parts catalog Oil Tank Replacement Parts Our oil tank fitting kits typically include essential components like isolation valves, filters, and the necessary fittings for a secure installation. Oil tank gauges and accessories. From a compression fitting to a. Whether you need a replacement fill cap for you tank or need to replace a vent cap or filter we can help. 4.5/5 (200) At fuel tank. Oil Tank Replacement Parts.
From www.fueltankshop.co.uk
Oil Tank Screw Cap 2 Inch BSP Fuel Tank Shop Oil Tank Replacement Parts Our oil tank services cover everything from minor maintenance to full tank replacements since 2003. A quality range of oil tank fittings, including fuel gauges, oil tank alarms and oil tank lids and caps. If you are looking at installing an oil fired central heating system or simply replacing an existing oil tank, then we offer a range of products. Oil Tank Replacement Parts.
From www.selffixer.com
Evinrude 1989 150 E150STLCEM, VRO Oil Tank Kit1.8 Gallon parts catalog Oil Tank Replacement Parts Replacement oil tank parts and oil tank consumables as specified and recommended by original oil tank equipment manufacturers. From a compression fitting to a. Our oil tank fitting kits typically include essential components like isolation valves, filters, and the necessary fittings for a secure installation. Buy now from tanks direct today! Oil tank gauges and accessories. At fuel tank shop. Oil Tank Replacement Parts.
From www.crowleymarine.com
Fuel System [Oil Tank] [2002] Crowley Marine Oil Tank Replacement Parts If you are looking at installing an oil fired central heating system or simply replacing an existing oil tank, then we offer a range of products to ensure that your heating system. 4.5/5 (200) Whether you need a replacement fill cap for you tank or need to replace a vent cap or filter we can help. Oil tank gauges. Oil Tank Replacement Parts.
From www.getfree.org
Evinrude 2010 60 E60DSLISR, Oil Tank & Pump parts catalog Oil Tank Replacement Parts If you are looking at installing an oil fired central heating system or simply replacing an existing oil tank, then we offer a range of products to ensure that your heating system. Contact us today for a quote. At fuel tank shop we offer a comprehensive selection of oil tank accessories to ensure your heating system runs smoothly and efficiently.. Oil Tank Replacement Parts.
From www.hometowndemolitioncontractors.com
The Homeowner's Guide to Above Ground Oil Tank Removal Hometown Oil Tank Replacement Parts Replacement oil tank parts and oil tank consumables as specified and recommended by original oil tank equipment manufacturers. Oil tank gauges and accessories. Buy now from tanks direct today! Contact us today for a quote. 4.5/5 (200) At fuel tank shop we offer a comprehensive selection of oil tank accessories to ensure your heating system runs smoothly and efficiently.. Oil Tank Replacement Parts.
From www.vansoutboardparts.com
Mercury MERCURY 225 (3.0L EFI) 0G129222 THRU 0G760299 OIL Oil Tank Replacement Parts Browse our range of electronic and mechanical oil tank gauges, fittings and accessories. Our oil tank fitting kits typically include essential components like isolation valves, filters, and the necessary fittings for a secure installation. Contact us today for a quote. If you are looking at installing an oil fired central heating system or simply replacing an existing oil tank, then. Oil Tank Replacement Parts.
From justicejournalism.org
Oil Tank Replacement tips and tricks Oil Tank Replacement Parts If you are looking at installing an oil fired central heating system or simply replacing an existing oil tank, then we offer a range of products to ensure that your heating system. Our oil tank fitting kits typically include essential components like isolation valves, filters, and the necessary fittings for a secure installation. Contact us today for a quote. From. Oil Tank Replacement Parts.
From www.fuelsnap.com
How to Fill a Home Heating Oil Tank Home Heating Oil Delivery Process Oil Tank Replacement Parts Our oil tank fitting kits typically include essential components like isolation valves, filters, and the necessary fittings for a secure installation. Buy now from tanks direct today! 4.5/5 (200) Oil tank gauges and accessories. At fuel tank shop we offer a comprehensive selection of oil tank accessories to ensure your heating system runs smoothly and efficiently. Our oil tank. Oil Tank Replacement Parts.
From www.aliexpress.com
1PCS Auto replacement Parts 0.5L Car Polished Oil Reservoir Tank with Oil Tank Replacement Parts If you are looking at installing an oil fired central heating system or simply replacing an existing oil tank, then we offer a range of products to ensure that your heating system. Replacement oil tank parts and oil tank consumables as specified and recommended by original oil tank equipment manufacturers. Browse our range of electronic and mechanical oil tank gauges,. Oil Tank Replacement Parts.
From www.commtank.com
Oil Tank Replacement Services CommTank Oil Tank Replacement Parts From a compression fitting to a. If you are looking at installing an oil fired central heating system or simply replacing an existing oil tank, then we offer a range of products to ensure that your heating system. A quality range of oil tank fittings, including fuel gauges, oil tank alarms and oil tank lids and caps. Whether you need. Oil Tank Replacement Parts.
From www.abbeyheatinglimited.co.uk
Oil Tank Replacement & Installation / Steel & Plastic OIl Tanks Oil Tank Replacement Parts Our oil tank services cover everything from minor maintenance to full tank replacements since 2003. Browse our range of electronic and mechanical oil tank gauges, fittings and accessories. Replacement oil tank parts and oil tank consumables as specified and recommended by original oil tank equipment manufacturers. As tank specialists we stock a wide range of tank. Buy now from tanks. Oil Tank Replacement Parts.
From www.maine.gov
Aboveground Home Heating Oil Storage Tank Replacement Program, Bureau Oil Tank Replacement Parts From a compression fitting to a. A quality range of oil tank fittings, including fuel gauges, oil tank alarms and oil tank lids and caps. Browse our range of electronic and mechanical oil tank gauges, fittings and accessories. Oil tank gauges and accessories. Replacement oil tank parts and oil tank consumables as specified and recommended by original oil tank equipment. Oil Tank Replacement Parts.
From www.kepartshop.com
6 Inch Inspection Cap for Titan Oil Tanks Kingspan Parts Shop Oil Tank Replacement Parts At fuel tank shop we offer a comprehensive selection of oil tank accessories to ensure your heating system runs smoothly and efficiently. Our oil tank services cover everything from minor maintenance to full tank replacements since 2003. Contact us today for a quote. If you are looking at installing an oil fired central heating system or simply replacing an existing. Oil Tank Replacement Parts.
From www.ebay.com
5007253 Evinrude Etec Outboard Oil Pump and Tank Reservoir 75 90 HP Oil Tank Replacement Parts Browse our range of electronic and mechanical oil tank gauges, fittings and accessories. At fuel tank shop we offer a comprehensive selection of oil tank accessories to ensure your heating system runs smoothly and efficiently. If you are looking at installing an oil fired central heating system or simply replacing an existing oil tank, then we offer a range of. Oil Tank Replacement Parts.