Vro Pump Parts Breakdown . Use this chart to identify the correct vro replacement fuel pump to replace your aging vro! Note that the replacement pump will only use two of the mounting bolts. Johnson & evinrude vro pump original equipment repair kit. Use the procedure outlined in the 1991 service manual to troubleshoot and repair the pump. Buy oem parts for evinrude outboard. Place the vro replacement pump on the bracket as shown in fig c. Don't buy a new pump, repair yours! Emp 7359 vro system replacement pump installation guide.
from www.crowleymarine.com
Emp 7359 vro system replacement pump installation guide. Use this chart to identify the correct vro replacement fuel pump to replace your aging vro! Use the procedure outlined in the 1991 service manual to troubleshoot and repair the pump. Don't buy a new pump, repair yours! Note that the replacement pump will only use two of the mounting bolts. Place the vro replacement pump on the bracket as shown in fig c. Johnson & evinrude vro pump original equipment repair kit. Buy oem parts for evinrude outboard.
VRO PUMP 1985 Sea Drive 2.6L Hydraulic XL Crowley Marine
Vro Pump Parts Breakdown Use the procedure outlined in the 1991 service manual to troubleshoot and repair the pump. Don't buy a new pump, repair yours! Buy oem parts for evinrude outboard. Use this chart to identify the correct vro replacement fuel pump to replace your aging vro! Note that the replacement pump will only use two of the mounting bolts. Johnson & evinrude vro pump original equipment repair kit. Use the procedure outlined in the 1991 service manual to troubleshoot and repair the pump. Emp 7359 vro system replacement pump installation guide. Place the vro replacement pump on the bracket as shown in fig c.
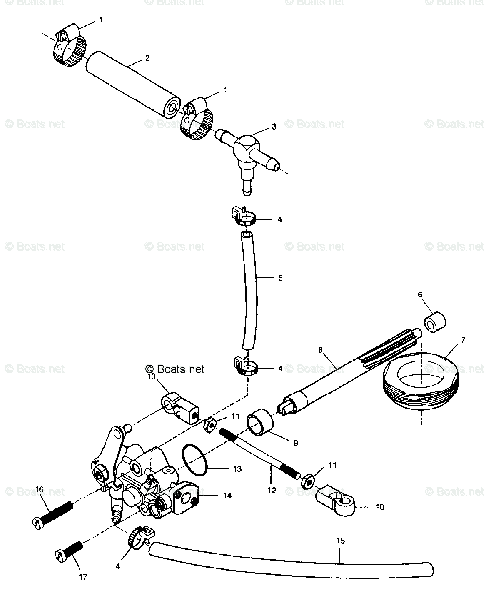
From www.boats.net
Force Outboard 1993 OEM Parts Diagram for VRO Pump Vro Pump Parts Breakdown Emp 7359 vro system replacement pump installation guide. Use this chart to identify the correct vro replacement fuel pump to replace your aging vro! Note that the replacement pump will only use two of the mounting bolts. Johnson & evinrude vro pump original equipment repair kit. Don't buy a new pump, repair yours! Place the vro replacement pump on the. Vro Pump Parts Breakdown.
From www.selffixer.com
Johnson 1991 70 J70TTLEIE, VRO Pump parts catalog Vro Pump Parts Breakdown Use this chart to identify the correct vro replacement fuel pump to replace your aging vro! Emp 7359 vro system replacement pump installation guide. Note that the replacement pump will only use two of the mounting bolts. Don't buy a new pump, repair yours! Place the vro replacement pump on the bracket as shown in fig c. Buy oem parts. Vro Pump Parts Breakdown.
From www.maxrules.com
EVINRUDE JOHNSON VRO AND STANDARD FUEL PUMPS AND REPAIR PARTS Vro Pump Parts Breakdown Note that the replacement pump will only use two of the mounting bolts. Use this chart to identify the correct vro replacement fuel pump to replace your aging vro! Emp 7359 vro system replacement pump installation guide. Buy oem parts for evinrude outboard. Place the vro replacement pump on the bracket as shown in fig c. Johnson & evinrude vro. Vro Pump Parts Breakdown.
From www.performanceoutdoors.net
VRO Oil Pump information Vro Pump Parts Breakdown Note that the replacement pump will only use two of the mounting bolts. Buy oem parts for evinrude outboard. Place the vro replacement pump on the bracket as shown in fig c. Use this chart to identify the correct vro replacement fuel pump to replace your aging vro! Don't buy a new pump, repair yours! Johnson & evinrude vro pump. Vro Pump Parts Breakdown.
From www.selffixer.com
Johnson 1985 140 J140TLCOS, VRO Pump parts catalog Vro Pump Parts Breakdown Johnson & evinrude vro pump original equipment repair kit. Use the procedure outlined in the 1991 service manual to troubleshoot and repair the pump. Place the vro replacement pump on the bracket as shown in fig c. Use this chart to identify the correct vro replacement fuel pump to replace your aging vro! Buy oem parts for evinrude outboard. Note. Vro Pump Parts Breakdown.
From www.maxrules.com
EVINRUDE JOHNSON VRO AND STANDARD FUEL PUMPS AND REPAIR PARTS Vro Pump Parts Breakdown Note that the replacement pump will only use two of the mounting bolts. Buy oem parts for evinrude outboard. Johnson & evinrude vro pump original equipment repair kit. Use this chart to identify the correct vro replacement fuel pump to replace your aging vro! Place the vro replacement pump on the bracket as shown in fig c. Emp 7359 vro. Vro Pump Parts Breakdown.
From www.marineengine.com
Johnson Vro2 Pump Parts for 1990 150hp TJ150SLESB Outboard Motor Vro Pump Parts Breakdown Use the procedure outlined in the 1991 service manual to troubleshoot and repair the pump. Johnson & evinrude vro pump original equipment repair kit. Place the vro replacement pump on the bracket as shown in fig c. Note that the replacement pump will only use two of the mounting bolts. Don't buy a new pump, repair yours! Use this chart. Vro Pump Parts Breakdown.
From www.pdfforless.com
Evinrude 1985 300 E300TLCOS, VRO Pump parts catalog Vro Pump Parts Breakdown Place the vro replacement pump on the bracket as shown in fig c. Use this chart to identify the correct vro replacement fuel pump to replace your aging vro! Emp 7359 vro system replacement pump installation guide. Note that the replacement pump will only use two of the mounting bolts. Johnson & evinrude vro pump original equipment repair kit. Buy. Vro Pump Parts Breakdown.
From www.crowleymarine.com
VRO PUMP 1986 Evinrude Outboards 70 E70ELCDC Crowley Marine Vro Pump Parts Breakdown Use this chart to identify the correct vro replacement fuel pump to replace your aging vro! Don't buy a new pump, repair yours! Note that the replacement pump will only use two of the mounting bolts. Buy oem parts for evinrude outboard. Use the procedure outlined in the 1991 service manual to troubleshoot and repair the pump. Johnson & evinrude. Vro Pump Parts Breakdown.
From www.boats.net
Evinrude Outboard 1987 OEM Parts Diagram for VRO Pump Vro Pump Parts Breakdown Use this chart to identify the correct vro replacement fuel pump to replace your aging vro! Emp 7359 vro system replacement pump installation guide. Note that the replacement pump will only use two of the mounting bolts. Use the procedure outlined in the 1991 service manual to troubleshoot and repair the pump. Don't buy a new pump, repair yours! Place. Vro Pump Parts Breakdown.
From www.selffixer.com
Evinrude 1992 40 VE40TELENM, VRO Pump parts catalog Vro Pump Parts Breakdown Use this chart to identify the correct vro replacement fuel pump to replace your aging vro! Emp 7359 vro system replacement pump installation guide. Place the vro replacement pump on the bracket as shown in fig c. Don't buy a new pump, repair yours! Note that the replacement pump will only use two of the mounting bolts. Use the procedure. Vro Pump Parts Breakdown.
From www.getfree.org
Evinrude 1985 40 E40ECOB, VRO Pump parts catalog Vro Pump Parts Breakdown Place the vro replacement pump on the bracket as shown in fig c. Use this chart to identify the correct vro replacement fuel pump to replace your aging vro! Use the procedure outlined in the 1991 service manual to troubleshoot and repair the pump. Johnson & evinrude vro pump original equipment repair kit. Emp 7359 vro system replacement pump installation. Vro Pump Parts Breakdown.
From www.crowleymarine.com
VRO PUMP 1985 Sea Drive 2.6L Hydraulic XL Crowley Marine Vro Pump Parts Breakdown Emp 7359 vro system replacement pump installation guide. Buy oem parts for evinrude outboard. Note that the replacement pump will only use two of the mounting bolts. Use the procedure outlined in the 1991 service manual to troubleshoot and repair the pump. Don't buy a new pump, repair yours! Use this chart to identify the correct vro replacement fuel pump. Vro Pump Parts Breakdown.
From www.engineeredmarineproducts.com
FAQ Vro Pump Parts Breakdown Don't buy a new pump, repair yours! Emp 7359 vro system replacement pump installation guide. Place the vro replacement pump on the bracket as shown in fig c. Use this chart to identify the correct vro replacement fuel pump to replace your aging vro! Use the procedure outlined in the 1991 service manual to troubleshoot and repair the pump. Buy. Vro Pump Parts Breakdown.
From diagramwiringschema.blogspot.com
Johnson Vro Pump Diagram diagramwirings Vro Pump Parts Breakdown Buy oem parts for evinrude outboard. Johnson & evinrude vro pump original equipment repair kit. Emp 7359 vro system replacement pump installation guide. Use this chart to identify the correct vro replacement fuel pump to replace your aging vro! Note that the replacement pump will only use two of the mounting bolts. Place the vro replacement pump on the bracket. Vro Pump Parts Breakdown.
From www.crowleymarine.com
VRO PUMP 1986 OMC Sea Drive 2.6L Hydraulic 26AHCXKWB Crowley Marine Vro Pump Parts Breakdown Use the procedure outlined in the 1991 service manual to troubleshoot and repair the pump. Emp 7359 vro system replacement pump installation guide. Buy oem parts for evinrude outboard. Don't buy a new pump, repair yours! Place the vro replacement pump on the bracket as shown in fig c. Johnson & evinrude vro pump original equipment repair kit. Note that. Vro Pump Parts Breakdown.
From www.readmanuals.com
Evinrude 1986 300 E300TLCDC, VRO Pump parts catalog Vro Pump Parts Breakdown Place the vro replacement pump on the bracket as shown in fig c. Emp 7359 vro system replacement pump installation guide. Use the procedure outlined in the 1991 service manual to troubleshoot and repair the pump. Don't buy a new pump, repair yours! Note that the replacement pump will only use two of the mounting bolts. Buy oem parts for. Vro Pump Parts Breakdown.
From www.crowleymarine.com
VRO PUMP 1985 Evinrude Outboards 115 E115TLCOS Crowley Marine Vro Pump Parts Breakdown Don't buy a new pump, repair yours! Buy oem parts for evinrude outboard. Note that the replacement pump will only use two of the mounting bolts. Emp 7359 vro system replacement pump installation guide. Use this chart to identify the correct vro replacement fuel pump to replace your aging vro! Johnson & evinrude vro pump original equipment repair kit. Place. Vro Pump Parts Breakdown.
From www.vansoutboardparts.com
Evinrude Outboard Parts by HP 60 E60TLCUC 1987 VRO PUMP Vro Pump Parts Breakdown Buy oem parts for evinrude outboard. Johnson & evinrude vro pump original equipment repair kit. Place the vro replacement pump on the bracket as shown in fig c. Don't buy a new pump, repair yours! Use this chart to identify the correct vro replacement fuel pump to replace your aging vro! Note that the replacement pump will only use two. Vro Pump Parts Breakdown.
From www.maxrules.com
Johnson Evinrude Outboard Motor VRO Repair Guide from MASTERTECH Vro Pump Parts Breakdown Johnson & evinrude vro pump original equipment repair kit. Emp 7359 vro system replacement pump installation guide. Place the vro replacement pump on the bracket as shown in fig c. Don't buy a new pump, repair yours! Use the procedure outlined in the 1991 service manual to troubleshoot and repair the pump. Note that the replacement pump will only use. Vro Pump Parts Breakdown.
From www.crowleymarine.com
VRO PUMP 1985 Johnson Outboards 50 J50BECOB Crowley Marine Vro Pump Parts Breakdown Place the vro replacement pump on the bracket as shown in fig c. Note that the replacement pump will only use two of the mounting bolts. Don't buy a new pump, repair yours! Buy oem parts for evinrude outboard. Use this chart to identify the correct vro replacement fuel pump to replace your aging vro! Emp 7359 vro system replacement. Vro Pump Parts Breakdown.
From www.pdfsale.com
Johnson 1991 120 VJ120TLEIE, VRO Pump parts catalog Vro Pump Parts Breakdown Place the vro replacement pump on the bracket as shown in fig c. Note that the replacement pump will only use two of the mounting bolts. Use the procedure outlined in the 1991 service manual to troubleshoot and repair the pump. Don't buy a new pump, repair yours! Buy oem parts for evinrude outboard. Emp 7359 vro system replacement pump. Vro Pump Parts Breakdown.
From www.crowleymarine.com
VRO PUMP 1987 Johnson Outboards 110 J110TLCUR Crowley Marine Vro Pump Parts Breakdown Note that the replacement pump will only use two of the mounting bolts. Don't buy a new pump, repair yours! Use this chart to identify the correct vro replacement fuel pump to replace your aging vro! Buy oem parts for evinrude outboard. Place the vro replacement pump on the bracket as shown in fig c. Johnson & evinrude vro pump. Vro Pump Parts Breakdown.
From www.selffixer.com
Evinrude 1989 110 E110MLCEM, VRO2 Pump 90/110 Models parts catalog Vro Pump Parts Breakdown Don't buy a new pump, repair yours! Emp 7359 vro system replacement pump installation guide. Place the vro replacement pump on the bracket as shown in fig c. Use the procedure outlined in the 1991 service manual to troubleshoot and repair the pump. Use this chart to identify the correct vro replacement fuel pump to replace your aging vro! Johnson. Vro Pump Parts Breakdown.
From www.marineengine.com
Johnson Vro Pump Parts for 1986 120hp J120TLCDC Outboard Motor Vro Pump Parts Breakdown Johnson & evinrude vro pump original equipment repair kit. Use this chart to identify the correct vro replacement fuel pump to replace your aging vro! Don't buy a new pump, repair yours! Emp 7359 vro system replacement pump installation guide. Use the procedure outlined in the 1991 service manual to troubleshoot and repair the pump. Note that the replacement pump. Vro Pump Parts Breakdown.
From www.maxrules.com
EVINRUDE JOHNSON VRO AND STANDARD FUEL PUMPS AND REPAIR PARTS Vro Pump Parts Breakdown Note that the replacement pump will only use two of the mounting bolts. Emp 7359 vro system replacement pump installation guide. Use the procedure outlined in the 1991 service manual to troubleshoot and repair the pump. Use this chart to identify the correct vro replacement fuel pump to replace your aging vro! Buy oem parts for evinrude outboard. Place the. Vro Pump Parts Breakdown.
From diagramwiringschema.blogspot.com
Johnson Vro Pump Diagram diagramwirings Vro Pump Parts Breakdown Use this chart to identify the correct vro replacement fuel pump to replace your aging vro! Johnson & evinrude vro pump original equipment repair kit. Place the vro replacement pump on the bracket as shown in fig c. Use the procedure outlined in the 1991 service manual to troubleshoot and repair the pump. Emp 7359 vro system replacement pump installation. Vro Pump Parts Breakdown.
From galvinconanstuart.blogspot.com
Evinrude Fuel Pump Diagram General Wiring Diagram Vro Pump Parts Breakdown Use this chart to identify the correct vro replacement fuel pump to replace your aging vro! Don't buy a new pump, repair yours! Place the vro replacement pump on the bracket as shown in fig c. Emp 7359 vro system replacement pump installation guide. Buy oem parts for evinrude outboard. Johnson & evinrude vro pump original equipment repair kit. Note. Vro Pump Parts Breakdown.
From www.selffixer.com
Evinrude 1984 235 E235STLCRC, VRO Pump 150 parts catalog Vro Pump Parts Breakdown Don't buy a new pump, repair yours! Emp 7359 vro system replacement pump installation guide. Place the vro replacement pump on the bracket as shown in fig c. Use this chart to identify the correct vro replacement fuel pump to replace your aging vro! Note that the replacement pump will only use two of the mounting bolts. Use the procedure. Vro Pump Parts Breakdown.
From www.crowleymarine.com
VRO PUMP 1986 Outboard 40 E40RCDE Crowley Marine Vro Pump Parts Breakdown Don't buy a new pump, repair yours! Johnson & evinrude vro pump original equipment repair kit. Buy oem parts for evinrude outboard. Place the vro replacement pump on the bracket as shown in fig c. Note that the replacement pump will only use two of the mounting bolts. Emp 7359 vro system replacement pump installation guide. Use this chart to. Vro Pump Parts Breakdown.
From manualdatafootpads.z13.web.core.windows.net
Johnson Vro Pump Diagram Vro Pump Parts Breakdown Don't buy a new pump, repair yours! Use the procedure outlined in the 1991 service manual to troubleshoot and repair the pump. Buy oem parts for evinrude outboard. Note that the replacement pump will only use two of the mounting bolts. Use this chart to identify the correct vro replacement fuel pump to replace your aging vro! Johnson & evinrude. Vro Pump Parts Breakdown.
From www.marineengine.com
Evinrude Johnson OMC 5007420 VRO Fuel Pump Johnson and Evinrude Vro Pump Parts Breakdown Note that the replacement pump will only use two of the mounting bolts. Place the vro replacement pump on the bracket as shown in fig c. Use the procedure outlined in the 1991 service manual to troubleshoot and repair the pump. Use this chart to identify the correct vro replacement fuel pump to replace your aging vro! Buy oem parts. Vro Pump Parts Breakdown.
From www.marineengine.com
Johnson Vro Pump Parts for 1985 70hp J70TLCOS Outboard Motor Vro Pump Parts Breakdown Note that the replacement pump will only use two of the mounting bolts. Johnson & evinrude vro pump original equipment repair kit. Use this chart to identify the correct vro replacement fuel pump to replace your aging vro! Emp 7359 vro system replacement pump installation guide. Use the procedure outlined in the 1991 service manual to troubleshoot and repair the. Vro Pump Parts Breakdown.
From www.marineengine.com
Johnson Vro Pump Parts for 1986 225hp J225TLCDA Outboard Motor Vro Pump Parts Breakdown Don't buy a new pump, repair yours! Buy oem parts for evinrude outboard. Note that the replacement pump will only use two of the mounting bolts. Use the procedure outlined in the 1991 service manual to troubleshoot and repair the pump. Emp 7359 vro system replacement pump installation guide. Place the vro replacement pump on the bracket as shown in. Vro Pump Parts Breakdown.
From www.marineengine.com
Evinrude Vro2 Pump Parts for 1989 70hp E70TLCEM Outboard Motor Vro Pump Parts Breakdown Don't buy a new pump, repair yours! Place the vro replacement pump on the bracket as shown in fig c. Use this chart to identify the correct vro replacement fuel pump to replace your aging vro! Buy oem parts for evinrude outboard. Note that the replacement pump will only use two of the mounting bolts. Johnson & evinrude vro pump. Vro Pump Parts Breakdown.