Milwaukee 1 1/2 Rotary Hammer Drill Parts . Milwaukee parts are built for longevity, reliability, and durability. Ensuring you enjoy the greatest performance from. Milwaukee parts are built for longevity, reliability, and durability. Alle artikel auf lagerkostenloser versand When servicing this spline drive rotary hammer, the static torque required to slip the clutch mechanism should be checked. Shop oem replacement parts by symptoms or model diagrams for your milwaukee 5352 rotary hammer (ser 779a)! This is an oem part learn more Ensuring you enjoy the greatest performance from your power tools with every single use, milwaukee parts are nothing.
from www.toolpartspro.com
This is an oem part learn more Alle artikel auf lagerkostenloser versand Milwaukee parts are built for longevity, reliability, and durability. Ensuring you enjoy the greatest performance from. Milwaukee parts are built for longevity, reliability, and durability. When servicing this spline drive rotary hammer, the static torque required to slip the clutch mechanism should be checked. Ensuring you enjoy the greatest performance from your power tools with every single use, milwaukee parts are nothing. Shop oem replacement parts by symptoms or model diagrams for your milwaukee 5352 rotary hammer (ser 779a)!
Buy Milwaukee 537620(D20A) Replacement Tool Parts Milwaukee 537620
Milwaukee 1 1/2 Rotary Hammer Drill Parts Milwaukee parts are built for longevity, reliability, and durability. Alle artikel auf lagerkostenloser versand Milwaukee parts are built for longevity, reliability, and durability. Milwaukee parts are built for longevity, reliability, and durability. This is an oem part learn more Ensuring you enjoy the greatest performance from. Shop oem replacement parts by symptoms or model diagrams for your milwaukee 5352 rotary hammer (ser 779a)! When servicing this spline drive rotary hammer, the static torque required to slip the clutch mechanism should be checked. Ensuring you enjoy the greatest performance from your power tools with every single use, milwaukee parts are nothing.
From www.toolbarn.com
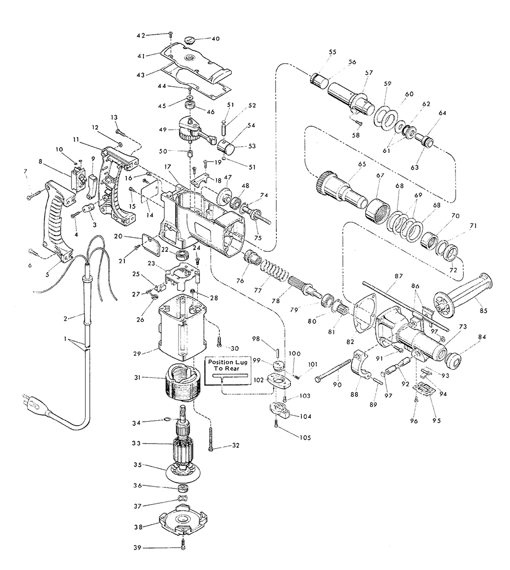
Milwaukee 531821_886A 11/2" (40Mm) Rotary Hammer Model Schematic Milwaukee 1 1/2 Rotary Hammer Drill Parts When servicing this spline drive rotary hammer, the static torque required to slip the clutch mechanism should be checked. This is an oem part learn more Milwaukee parts are built for longevity, reliability, and durability. Ensuring you enjoy the greatest performance from. Ensuring you enjoy the greatest performance from your power tools with every single use, milwaukee parts are nothing.. Milwaukee 1 1/2 Rotary Hammer Drill Parts.
From www.jackssmallengines.com
Milwaukee 5341 (Serial 7761001) Rotary Hammer Parts Parts Diagram for Milwaukee 1 1/2 Rotary Hammer Drill Parts Ensuring you enjoy the greatest performance from your power tools with every single use, milwaukee parts are nothing. This is an oem part learn more When servicing this spline drive rotary hammer, the static torque required to slip the clutch mechanism should be checked. Milwaukee parts are built for longevity, reliability, and durability. Shop oem replacement parts by symptoms or. Milwaukee 1 1/2 Rotary Hammer Drill Parts.
From shop.metallogics.com
Roll over image to zoom in Milwaukee 1 1/2 Rotary Hammer Drill Parts Milwaukee parts are built for longevity, reliability, and durability. Ensuring you enjoy the greatest performance from. When servicing this spline drive rotary hammer, the static torque required to slip the clutch mechanism should be checked. Shop oem replacement parts by symptoms or model diagrams for your milwaukee 5352 rotary hammer (ser 779a)! Alle artikel auf lagerkostenloser versand Milwaukee parts are. Milwaukee 1 1/2 Rotary Hammer Drill Parts.
From www.repairtoolparts.com
Buy Milwaukee 5347(6881101) 11/2" Rotary Hammer Replacement Tool Milwaukee 1 1/2 Rotary Hammer Drill Parts Ensuring you enjoy the greatest performance from your power tools with every single use, milwaukee parts are nothing. Milwaukee parts are built for longevity, reliability, and durability. Shop oem replacement parts by symptoms or model diagrams for your milwaukee 5352 rotary hammer (ser 779a)! Milwaukee parts are built for longevity, reliability, and durability. Ensuring you enjoy the greatest performance from.. Milwaukee 1 1/2 Rotary Hammer Drill Parts.
From www.mmtoolparts.com
Milwaukee 5316 845a Parts 11/2" THUNDERBOLT ROTARY HAMMER Milwaukee 1 1/2 Rotary Hammer Drill Parts Ensuring you enjoy the greatest performance from your power tools with every single use, milwaukee parts are nothing. Milwaukee parts are built for longevity, reliability, and durability. Milwaukee parts are built for longevity, reliability, and durability. Ensuring you enjoy the greatest performance from. This is an oem part learn more Shop oem replacement parts by symptoms or model diagrams for. Milwaukee 1 1/2 Rotary Hammer Drill Parts.
From www.mmtoolparts.com
Milwaukee 072420 a55a Parts Cordless 28V 1/2" HammerDrill Milwaukee 1 1/2 Rotary Hammer Drill Parts Milwaukee parts are built for longevity, reliability, and durability. Ensuring you enjoy the greatest performance from your power tools with every single use, milwaukee parts are nothing. Milwaukee parts are built for longevity, reliability, and durability. Ensuring you enjoy the greatest performance from. When servicing this spline drive rotary hammer, the static torque required to slip the clutch mechanism should. Milwaukee 1 1/2 Rotary Hammer Drill Parts.
From www.mmtoolparts.com
Milwaukee 5347 68873001 Parts 11/2" ROTARY HAMMER Milwaukee Milwaukee 1 1/2 Rotary Hammer Drill Parts Shop oem replacement parts by symptoms or model diagrams for your milwaukee 5352 rotary hammer (ser 779a)! Ensuring you enjoy the greatest performance from your power tools with every single use, milwaukee parts are nothing. When servicing this spline drive rotary hammer, the static torque required to slip the clutch mechanism should be checked. Alle artikel auf lagerkostenloser versand Ensuring. Milwaukee 1 1/2 Rotary Hammer Drill Parts.
From www.bidspotter.com
Milwaukee 5347 Heavy Duty 11/2" Rotary Hammer 500 RPM, 4100 BPM, 8.5 Milwaukee 1 1/2 Rotary Hammer Drill Parts This is an oem part learn more Milwaukee parts are built for longevity, reliability, and durability. Shop oem replacement parts by symptoms or model diagrams for your milwaukee 5352 rotary hammer (ser 779a)! Ensuring you enjoy the greatest performance from your power tools with every single use, milwaukee parts are nothing. Alle artikel auf lagerkostenloser versand Milwaukee parts are built. Milwaukee 1 1/2 Rotary Hammer Drill Parts.
From jackssmallengines.com
Milwaukee 260520 (D14D) Milwaukee M18 7 8 Sds Rotary Hammer Service Milwaukee 1 1/2 Rotary Hammer Drill Parts This is an oem part learn more Milwaukee parts are built for longevity, reliability, and durability. When servicing this spline drive rotary hammer, the static torque required to slip the clutch mechanism should be checked. Ensuring you enjoy the greatest performance from. Alle artikel auf lagerkostenloser versand Ensuring you enjoy the greatest performance from your power tools with every single. Milwaukee 1 1/2 Rotary Hammer Drill Parts.
From www.jackssmallengines.com
Milwaukee 53474 (Serial 688104979) Rotary Hammer Parts Parts Diagram Milwaukee 1 1/2 Rotary Hammer Drill Parts Ensuring you enjoy the greatest performance from your power tools with every single use, milwaukee parts are nothing. Milwaukee parts are built for longevity, reliability, and durability. Shop oem replacement parts by symptoms or model diagrams for your milwaukee 5352 rotary hammer (ser 779a)! Ensuring you enjoy the greatest performance from. Milwaukee parts are built for longevity, reliability, and durability.. Milwaukee 1 1/2 Rotary Hammer Drill Parts.
From www.jackssmallengines.com
Milwaukee 261222 Milwaukee Cordless M18 SDS Rotary Hammer Parts Parts Milwaukee 1 1/2 Rotary Hammer Drill Parts This is an oem part learn more Milwaukee parts are built for longevity, reliability, and durability. Alle artikel auf lagerkostenloser versand Shop oem replacement parts by symptoms or model diagrams for your milwaukee 5352 rotary hammer (ser 779a)! Ensuring you enjoy the greatest performance from your power tools with every single use, milwaukee parts are nothing. Milwaukee parts are built. Milwaukee 1 1/2 Rotary Hammer Drill Parts.
From www.kmstools.com
Milwaukee M18 FUEL 1/2" Hammer Drill/Driver Kit Milwaukee 1 1/2 Rotary Hammer Drill Parts Ensuring you enjoy the greatest performance from. Ensuring you enjoy the greatest performance from your power tools with every single use, milwaukee parts are nothing. Milwaukee parts are built for longevity, reliability, and durability. Shop oem replacement parts by symptoms or model diagrams for your milwaukee 5352 rotary hammer (ser 779a)! When servicing this spline drive rotary hammer, the static. Milwaukee 1 1/2 Rotary Hammer Drill Parts.
From www.mmtoolparts.com
Milwaukee 537820 897d Parts 1/2" HammerDrill Milwaukee Hammer Milwaukee 1 1/2 Rotary Hammer Drill Parts Ensuring you enjoy the greatest performance from. Milwaukee parts are built for longevity, reliability, and durability. Ensuring you enjoy the greatest performance from your power tools with every single use, milwaukee parts are nothing. Milwaukee parts are built for longevity, reliability, and durability. Alle artikel auf lagerkostenloser versand This is an oem part learn more When servicing this spline drive. Milwaukee 1 1/2 Rotary Hammer Drill Parts.
From www.mmtoolparts.com
Milwaukee 5347 688104094 Parts 11/2" ROTARY HAMMER Milwaukee Milwaukee 1 1/2 Rotary Hammer Drill Parts Shop oem replacement parts by symptoms or model diagrams for your milwaukee 5352 rotary hammer (ser 779a)! Ensuring you enjoy the greatest performance from. Ensuring you enjoy the greatest performance from your power tools with every single use, milwaukee parts are nothing. When servicing this spline drive rotary hammer, the static torque required to slip the clutch mechanism should be. Milwaukee 1 1/2 Rotary Hammer Drill Parts.
From www.mmtoolparts.com
Milwaukee 260220 c15b Parts M18 1/2" Compact HammerDrill Milwaukee 1 1/2 Rotary Hammer Drill Parts Shop oem replacement parts by symptoms or model diagrams for your milwaukee 5352 rotary hammer (ser 779a)! Ensuring you enjoy the greatest performance from your power tools with every single use, milwaukee parts are nothing. When servicing this spline drive rotary hammer, the static torque required to slip the clutch mechanism should be checked. This is an oem part learn. Milwaukee 1 1/2 Rotary Hammer Drill Parts.
From www.mmtoolparts.com
Milwaukee 5347 688104094 Parts 11/2" ROTARY HAMMER Milwaukee Milwaukee 1 1/2 Rotary Hammer Drill Parts Milwaukee parts are built for longevity, reliability, and durability. Ensuring you enjoy the greatest performance from your power tools with every single use, milwaukee parts are nothing. Milwaukee parts are built for longevity, reliability, and durability. Shop oem replacement parts by symptoms or model diagrams for your milwaukee 5352 rotary hammer (ser 779a)! Alle artikel auf lagerkostenloser versand This is. Milwaukee 1 1/2 Rotary Hammer Drill Parts.
From jackssmallengines.com
Milwaukee 531621 (Serial 845D) Thunderbolt Rotary Hammer Parts Parts Milwaukee 1 1/2 Rotary Hammer Drill Parts Alle artikel auf lagerkostenloser versand This is an oem part learn more Ensuring you enjoy the greatest performance from your power tools with every single use, milwaukee parts are nothing. Ensuring you enjoy the greatest performance from. Shop oem replacement parts by symptoms or model diagrams for your milwaukee 5352 rotary hammer (ser 779a)! Milwaukee parts are built for longevity,. Milwaukee 1 1/2 Rotary Hammer Drill Parts.
From reviewmotors.co
Milwaukee Power Tool Parts List Reviewmotors.co Milwaukee 1 1/2 Rotary Hammer Drill Parts Ensuring you enjoy the greatest performance from. When servicing this spline drive rotary hammer, the static torque required to slip the clutch mechanism should be checked. Milwaukee parts are built for longevity, reliability, and durability. Shop oem replacement parts by symptoms or model diagrams for your milwaukee 5352 rotary hammer (ser 779a)! Alle artikel auf lagerkostenloser versand This is an. Milwaukee 1 1/2 Rotary Hammer Drill Parts.
From www.ereplacementparts.com
Milwaukee 18V 1/2" Cordless Hammer Drill 062420 Milwaukee 1 1/2 Rotary Hammer Drill Parts Shop oem replacement parts by symptoms or model diagrams for your milwaukee 5352 rotary hammer (ser 779a)! When servicing this spline drive rotary hammer, the static torque required to slip the clutch mechanism should be checked. This is an oem part learn more Milwaukee parts are built for longevity, reliability, and durability. Alle artikel auf lagerkostenloser versand Ensuring you enjoy. Milwaukee 1 1/2 Rotary Hammer Drill Parts.
From www.ereplacementparts.com
Milwaukee Cordless 1/2" Hammer Drill 072420 Milwaukee 1 1/2 Rotary Hammer Drill Parts When servicing this spline drive rotary hammer, the static torque required to slip the clutch mechanism should be checked. Ensuring you enjoy the greatest performance from your power tools with every single use, milwaukee parts are nothing. Ensuring you enjoy the greatest performance from. Milwaukee parts are built for longevity, reliability, and durability. Alle artikel auf lagerkostenloser versand This is. Milwaukee 1 1/2 Rotary Hammer Drill Parts.
From www.jackssmallengines.com
Milwaukee 5347 (Serial 688A) Rotary Hammer Parts Parts Diagram for 11/ Milwaukee 1 1/2 Rotary Hammer Drill Parts Shop oem replacement parts by symptoms or model diagrams for your milwaukee 5352 rotary hammer (ser 779a)! Ensuring you enjoy the greatest performance from. Ensuring you enjoy the greatest performance from your power tools with every single use, milwaukee parts are nothing. Milwaukee parts are built for longevity, reliability, and durability. Milwaukee parts are built for longevity, reliability, and durability.. Milwaukee 1 1/2 Rotary Hammer Drill Parts.
From www.mmtoolparts.com
Milwaukee 53621 707b Parts 1" HAWK ROTARY HAMMER Milwaukee Rotary Milwaukee 1 1/2 Rotary Hammer Drill Parts Milwaukee parts are built for longevity, reliability, and durability. Alle artikel auf lagerkostenloser versand Milwaukee parts are built for longevity, reliability, and durability. Ensuring you enjoy the greatest performance from. Ensuring you enjoy the greatest performance from your power tools with every single use, milwaukee parts are nothing. When servicing this spline drive rotary hammer, the static torque required to. Milwaukee 1 1/2 Rotary Hammer Drill Parts.
From www.liveauctioneers.com
Milwaukee 1 1/2" Rotary Hammer Drill with Bits Milwaukee 1 1/2 Rotary Hammer Drill Parts When servicing this spline drive rotary hammer, the static torque required to slip the clutch mechanism should be checked. Alle artikel auf lagerkostenloser versand Ensuring you enjoy the greatest performance from. This is an oem part learn more Shop oem replacement parts by symptoms or model diagrams for your milwaukee 5352 rotary hammer (ser 779a)! Milwaukee parts are built for. Milwaukee 1 1/2 Rotary Hammer Drill Parts.
From www.toolpartspro.com
Buy Milwaukee 5311(844B) 11/2" Thunderbolt Replacement Tool Parts Milwaukee 1 1/2 Rotary Hammer Drill Parts Milwaukee parts are built for longevity, reliability, and durability. Shop oem replacement parts by symptoms or model diagrams for your milwaukee 5352 rotary hammer (ser 779a)! Milwaukee parts are built for longevity, reliability, and durability. Alle artikel auf lagerkostenloser versand This is an oem part learn more When servicing this spline drive rotary hammer, the static torque required to slip. Milwaukee 1 1/2 Rotary Hammer Drill Parts.
From www.jackssmallengines.com
Milwaukee 526220 (C88A) Milwaukee DHandle Rotary Hammer Parts Parts Milwaukee 1 1/2 Rotary Hammer Drill Parts When servicing this spline drive rotary hammer, the static torque required to slip the clutch mechanism should be checked. Milwaukee parts are built for longevity, reliability, and durability. This is an oem part learn more Ensuring you enjoy the greatest performance from your power tools with every single use, milwaukee parts are nothing. Shop oem replacement parts by symptoms or. Milwaukee 1 1/2 Rotary Hammer Drill Parts.
From www.jackssmallengines.com
Milwaukee 5347 (Serial 688B) Rotary Hammer Parts Parts Diagram for 11/ Milwaukee 1 1/2 Rotary Hammer Drill Parts Milwaukee parts are built for longevity, reliability, and durability. When servicing this spline drive rotary hammer, the static torque required to slip the clutch mechanism should be checked. Ensuring you enjoy the greatest performance from your power tools with every single use, milwaukee parts are nothing. Milwaukee parts are built for longevity, reliability, and durability. Shop oem replacement parts by. Milwaukee 1 1/2 Rotary Hammer Drill Parts.
From www.jackssmallengines.com
Milwaukee 260622CT Milwaukee M18 1/2" Drill Driver Parts Parts Diagram Milwaukee 1 1/2 Rotary Hammer Drill Parts Milwaukee parts are built for longevity, reliability, and durability. Ensuring you enjoy the greatest performance from your power tools with every single use, milwaukee parts are nothing. Milwaukee parts are built for longevity, reliability, and durability. This is an oem part learn more Alle artikel auf lagerkostenloser versand When servicing this spline drive rotary hammer, the static torque required to. Milwaukee 1 1/2 Rotary Hammer Drill Parts.
From www.toolpartspro.com
Buy Milwaukee 537620(D20A) Replacement Tool Parts Milwaukee 537620 Milwaukee 1 1/2 Rotary Hammer Drill Parts Shop oem replacement parts by symptoms or model diagrams for your milwaukee 5352 rotary hammer (ser 779a)! Milwaukee parts are built for longevity, reliability, and durability. Ensuring you enjoy the greatest performance from. Ensuring you enjoy the greatest performance from your power tools with every single use, milwaukee parts are nothing. When servicing this spline drive rotary hammer, the static. Milwaukee 1 1/2 Rotary Hammer Drill Parts.
From www.ereplacementparts.com
Milwaukee 1/2" Hammer Drill 538021 Milwaukee 1 1/2 Rotary Hammer Drill Parts When servicing this spline drive rotary hammer, the static torque required to slip the clutch mechanism should be checked. Milwaukee parts are built for longevity, reliability, and durability. This is an oem part learn more Milwaukee parts are built for longevity, reliability, and durability. Alle artikel auf lagerkostenloser versand Shop oem replacement parts by symptoms or model diagrams for your. Milwaukee 1 1/2 Rotary Hammer Drill Parts.
From www.jackssmallengines.com
Milwaukee 5341 (Serial 7761001) Rotary Hammer Parts Parts Diagram for Milwaukee 1 1/2 Rotary Hammer Drill Parts Alle artikel auf lagerkostenloser versand When servicing this spline drive rotary hammer, the static torque required to slip the clutch mechanism should be checked. Milwaukee parts are built for longevity, reliability, and durability. This is an oem part learn more Milwaukee parts are built for longevity, reliability, and durability. Ensuring you enjoy the greatest performance from. Shop oem replacement parts. Milwaukee 1 1/2 Rotary Hammer Drill Parts.
From www.liveauctionworld.com
1 Milwaukee 5398 Heavy Duty 1/2” Hammer Drill Milwaukee 1 1/2 Rotary Hammer Drill Parts Milwaukee parts are built for longevity, reliability, and durability. Shop oem replacement parts by symptoms or model diagrams for your milwaukee 5352 rotary hammer (ser 779a)! When servicing this spline drive rotary hammer, the static torque required to slip the clutch mechanism should be checked. Milwaukee parts are built for longevity, reliability, and durability. Alle artikel auf lagerkostenloser versand Ensuring. Milwaukee 1 1/2 Rotary Hammer Drill Parts.
From www.mmtoolparts.com
Milwaukee 53621 707b Parts 1" HAWK ROTARY HAMMER Milwaukee Rotary Milwaukee 1 1/2 Rotary Hammer Drill Parts Milwaukee parts are built for longevity, reliability, and durability. Milwaukee parts are built for longevity, reliability, and durability. When servicing this spline drive rotary hammer, the static torque required to slip the clutch mechanism should be checked. Ensuring you enjoy the greatest performance from your power tools with every single use, milwaukee parts are nothing. This is an oem part. Milwaukee 1 1/2 Rotary Hammer Drill Parts.
From www.jackssmallengines.com
Milwaukee 53495 (Serial 6881001) Rotary Hammer Parts Parts Diagram Milwaukee 1 1/2 Rotary Hammer Drill Parts Milwaukee parts are built for longevity, reliability, and durability. When servicing this spline drive rotary hammer, the static torque required to slip the clutch mechanism should be checked. Milwaukee parts are built for longevity, reliability, and durability. Alle artikel auf lagerkostenloser versand Ensuring you enjoy the greatest performance from your power tools with every single use, milwaukee parts are nothing.. Milwaukee 1 1/2 Rotary Hammer Drill Parts.
From bidlive.kauctions.ca
NEW MILWAUKEE 11/2" SDS PLUS ROTARY HAMMER DRILL. Kastner Auctions Milwaukee 1 1/2 Rotary Hammer Drill Parts Alle artikel auf lagerkostenloser versand Milwaukee parts are built for longevity, reliability, and durability. When servicing this spline drive rotary hammer, the static torque required to slip the clutch mechanism should be checked. Ensuring you enjoy the greatest performance from your power tools with every single use, milwaukee parts are nothing. This is an oem part learn more Milwaukee parts. Milwaukee 1 1/2 Rotary Hammer Drill Parts.
From www.homedepot.ca
Milwaukee Tool 11/8 Inch. SDS Plus Rotary Hammer Kit The Home Depot Milwaukee 1 1/2 Rotary Hammer Drill Parts Milwaukee parts are built for longevity, reliability, and durability. Shop oem replacement parts by symptoms or model diagrams for your milwaukee 5352 rotary hammer (ser 779a)! This is an oem part learn more When servicing this spline drive rotary hammer, the static torque required to slip the clutch mechanism should be checked. Alle artikel auf lagerkostenloser versand Ensuring you enjoy. Milwaukee 1 1/2 Rotary Hammer Drill Parts.