Multifunction Tester Tc1 Schematic . Desolder the positive lead of the rechargeable battery. In the power off state or the test is completed, put the test element into the transistor test area of test seat, and press the locking handle, short. Unscrew the case via the 4 screws on the back. Or near a heat source!
from www.youtube.com
Unscrew the case via the 4 screws on the back. In the power off state or the test is completed, put the test element into the transistor test area of test seat, and press the locking handle, short. Desolder the positive lead of the rechargeable battery. Or near a heat source!
Видеообзор многофункционального измерителя Tester TC1 от интернет
Multifunction Tester Tc1 Schematic Unscrew the case via the 4 screws on the back. Unscrew the case via the 4 screws on the back. Or near a heat source! Desolder the positive lead of the rechargeable battery. In the power off state or the test is completed, put the test element into the transistor test area of test seat, and press the locking handle, short.
From www.eevblog.com
Simple upgrade to a TC1 MultiFunction Tester Page 1 Multifunction Tester Tc1 Schematic Or near a heat source! In the power off state or the test is completed, put the test element into the transistor test area of test seat, and press the locking handle, short. Unscrew the case via the 4 screws on the back. Desolder the positive lead of the rechargeable battery. Multifunction Tester Tc1 Schematic.
From userlistsantos.z19.web.core.windows.net
Multi Function Tester Tc1 Schematic Multifunction Tester Tc1 Schematic In the power off state or the test is completed, put the test element into the transistor test area of test seat, and press the locking handle, short. Or near a heat source! Unscrew the case via the 4 screws on the back. Desolder the positive lead of the rechargeable battery. Multifunction Tester Tc1 Schematic.
From www.testmultimeter.com
30 Multimeter use how to test electronic device with a multimeter Multifunction Tester Tc1 Schematic Unscrew the case via the 4 screws on the back. Desolder the positive lead of the rechargeable battery. Or near a heat source! In the power off state or the test is completed, put the test element into the transistor test area of test seat, and press the locking handle, short. Multifunction Tester Tc1 Schematic.
From einvoice.fpt.com.vn
TC1 Multi Function Component Tester, 41 OFF Multifunction Tester Tc1 Schematic Unscrew the case via the 4 screws on the back. Desolder the positive lead of the rechargeable battery. In the power off state or the test is completed, put the test element into the transistor test area of test seat, and press the locking handle, short. Or near a heat source! Multifunction Tester Tc1 Schematic.
From www.testmultimeter.com
30 Multimeter use how to test electronic device with a multimeter Multifunction Tester Tc1 Schematic In the power off state or the test is completed, put the test element into the transistor test area of test seat, and press the locking handle, short. Desolder the positive lead of the rechargeable battery. Unscrew the case via the 4 screws on the back. Or near a heat source! Multifunction Tester Tc1 Schematic.
From enginelibrichard.z21.web.core.windows.net
Multi Function Tester Tc1 Schematic Multifunction Tester Tc1 Schematic Desolder the positive lead of the rechargeable battery. In the power off state or the test is completed, put the test element into the transistor test area of test seat, and press the locking handle, short. Unscrew the case via the 4 screws on the back. Or near a heat source! Multifunction Tester Tc1 Schematic.
From www.eevblog.com
Simple upgrade to a TC1 MultiFunction Tester Page 1 Multifunction Tester Tc1 Schematic Unscrew the case via the 4 screws on the back. In the power off state or the test is completed, put the test element into the transistor test area of test seat, and press the locking handle, short. Or near a heat source! Desolder the positive lead of the rechargeable battery. Multifunction Tester Tc1 Schematic.
From www.youtube.com
Видеообзор многофункционального измерителя Tester TC1 от интернет Multifunction Tester Tc1 Schematic Unscrew the case via the 4 screws on the back. Or near a heat source! In the power off state or the test is completed, put the test element into the transistor test area of test seat, and press the locking handle, short. Desolder the positive lead of the rechargeable battery. Multifunction Tester Tc1 Schematic.
From flectone.ru
Транзистор тестер схема Multifunction Tester Tc1 Schematic In the power off state or the test is completed, put the test element into the transistor test area of test seat, and press the locking handle, short. Or near a heat source! Desolder the positive lead of the rechargeable battery. Unscrew the case via the 4 screws on the back. Multifunction Tester Tc1 Schematic.
From elektrotanya.com
HEATHKIT TC1 TUBE TESTER SCH Service Manual download, schematics Multifunction Tester Tc1 Schematic Unscrew the case via the 4 screws on the back. Desolder the positive lead of the rechargeable battery. In the power off state or the test is completed, put the test element into the transistor test area of test seat, and press the locking handle, short. Or near a heat source! Multifunction Tester Tc1 Schematic.
From windscreencompare.com
LCRTC1 Multifunction Transistor Tester Diode Triode Capacitance Meter Multifunction Tester Tc1 Schematic Or near a heat source! Unscrew the case via the 4 screws on the back. Desolder the positive lead of the rechargeable battery. In the power off state or the test is completed, put the test element into the transistor test area of test seat, and press the locking handle, short. Multifunction Tester Tc1 Schematic.
From circuitlibgromets.z13.web.core.windows.net
Multi Function Tester Tc1 Schematic Multifunction Tester Tc1 Schematic Unscrew the case via the 4 screws on the back. Or near a heat source! Desolder the positive lead of the rechargeable battery. In the power off state or the test is completed, put the test element into the transistor test area of test seat, and press the locking handle, short. Multifunction Tester Tc1 Schematic.
From www.youtube.com
HOW TO USE MULTIFUNCTION TESTER TC1 TUTORIAL YouTube Multifunction Tester Tc1 Schematic Or near a heat source! In the power off state or the test is completed, put the test element into the transistor test area of test seat, and press the locking handle, short. Desolder the positive lead of the rechargeable battery. Unscrew the case via the 4 screws on the back. Multifunction Tester Tc1 Schematic.
From www.youtube.com
The evolution of the Electronic Component Tester (Multifunction Tester Multifunction Tester Tc1 Schematic Desolder the positive lead of the rechargeable battery. Unscrew the case via the 4 screws on the back. Or near a heat source! In the power off state or the test is completed, put the test element into the transistor test area of test seat, and press the locking handle, short. Multifunction Tester Tc1 Schematic.
From thanosmining.com
Multifunction Tester TC1 Multifunction Tester Tc1 Schematic In the power off state or the test is completed, put the test element into the transistor test area of test seat, and press the locking handle, short. Desolder the positive lead of the rechargeable battery. Unscrew the case via the 4 screws on the back. Or near a heat source! Multifunction Tester Tc1 Schematic.
From studylib.net
Multi Function Tester TC1 Multifunction Tester Tc1 Schematic Desolder the positive lead of the rechargeable battery. Or near a heat source! Unscrew the case via the 4 screws on the back. In the power off state or the test is completed, put the test element into the transistor test area of test seat, and press the locking handle, short. Multifunction Tester Tc1 Schematic.
From lygte-info.dk
Test of Multifunction Tester T1 Multifunction Tester Tc1 Schematic In the power off state or the test is completed, put the test element into the transistor test area of test seat, and press the locking handle, short. Unscrew the case via the 4 screws on the back. Or near a heat source! Desolder the positive lead of the rechargeable battery. Multifunction Tester Tc1 Schematic.
From circuitlibgromets.z13.web.core.windows.net
Multi Function Tester Tc1 Schematic Multifunction Tester Tc1 Schematic Or near a heat source! In the power off state or the test is completed, put the test element into the transistor test area of test seat, and press the locking handle, short. Unscrew the case via the 4 screws on the back. Desolder the positive lead of the rechargeable battery. Multifunction Tester Tc1 Schematic.
From www.makerfocus.com
1.8 inch Display Multifunction LCRTC1 Transistor Tester MakerFocus Multifunction Tester Tc1 Schematic Or near a heat source! In the power off state or the test is completed, put the test element into the transistor test area of test seat, and press the locking handle, short. Desolder the positive lead of the rechargeable battery. Unscrew the case via the 4 screws on the back. Multifunction Tester Tc1 Schematic.
From zbotic.in
LCRTC1 FullColor Multifunction Transistor Tester Zbotic Multifunction Tester Tc1 Schematic In the power off state or the test is completed, put the test element into the transistor test area of test seat, and press the locking handle, short. Or near a heat source! Desolder the positive lead of the rechargeable battery. Unscrew the case via the 4 screws on the back. Multifunction Tester Tc1 Schematic.
From www.testmultimeter.com
30 Multimeter use how to test electronic device with a multimeter Multifunction Tester Tc1 Schematic Unscrew the case via the 4 screws on the back. In the power off state or the test is completed, put the test element into the transistor test area of test seat, and press the locking handle, short. Desolder the positive lead of the rechargeable battery. Or near a heat source! Multifunction Tester Tc1 Schematic.
From diagramenginepaginates.z14.web.core.windows.net
The Complete Circuit Diagram Of The Tc1 Multifunction Tester Tc1 Schematic Desolder the positive lead of the rechargeable battery. Unscrew the case via the 4 screws on the back. In the power off state or the test is completed, put the test element into the transistor test area of test seat, and press the locking handle, short. Or near a heat source! Multifunction Tester Tc1 Schematic.
From www.testmultimeter.com
30 Multimeter use how to test electronic device with a multimeter Multifunction Tester Tc1 Schematic Desolder the positive lead of the rechargeable battery. Unscrew the case via the 4 screws on the back. Or near a heat source! In the power off state or the test is completed, put the test element into the transistor test area of test seat, and press the locking handle, short. Multifunction Tester Tc1 Schematic.
From www.scribd.com
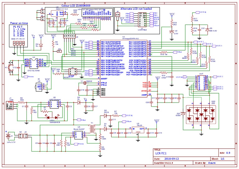
Schematic AVR Colour LCD Tester LCR TC1 20180912214500 PDF PDF Multifunction Tester Tc1 Schematic Unscrew the case via the 4 screws on the back. Or near a heat source! In the power off state or the test is completed, put the test element into the transistor test area of test seat, and press the locking handle, short. Desolder the positive lead of the rechargeable battery. Multifunction Tester Tc1 Schematic.
From userlistsantos.z19.web.core.windows.net
Multi Function Tester Tc1 Schematic Multifunction Tester Tc1 Schematic Or near a heat source! In the power off state or the test is completed, put the test element into the transistor test area of test seat, and press the locking handle, short. Unscrew the case via the 4 screws on the back. Desolder the positive lead of the rechargeable battery. Multifunction Tester Tc1 Schematic.
From www.youtube.com
Multifunction tester TC1 Como recalibrar YouTube Multifunction Tester Tc1 Schematic Unscrew the case via the 4 screws on the back. Desolder the positive lead of the rechargeable battery. Or near a heat source! In the power off state or the test is completed, put the test element into the transistor test area of test seat, and press the locking handle, short. Multifunction Tester Tc1 Schematic.
From taiga-taiga.ru
Multi function tester tc1 инструкция Multifunction Tester Tc1 Schematic In the power off state or the test is completed, put the test element into the transistor test area of test seat, and press the locking handle, short. Desolder the positive lead of the rechargeable battery. Unscrew the case via the 4 screws on the back. Or near a heat source! Multifunction Tester Tc1 Schematic.
From www.bysipe.com
LCRTC1 Multifunction Transistor Tester TFT Diode Triode Capacitance Multifunction Tester Tc1 Schematic In the power off state or the test is completed, put the test element into the transistor test area of test seat, and press the locking handle, short. Desolder the positive lead of the rechargeable battery. Or near a heat source! Unscrew the case via the 4 screws on the back. Multifunction Tester Tc1 Schematic.
From radiodar.ru
TesterTC1 многофункциональный измеритель электронных компонентов Multifunction Tester Tc1 Schematic Or near a heat source! Unscrew the case via the 4 screws on the back. Desolder the positive lead of the rechargeable battery. In the power off state or the test is completed, put the test element into the transistor test area of test seat, and press the locking handle, short. Multifunction Tester Tc1 Schematic.
From circuitdiagramebersbach.z19.web.core.windows.net
Multi Function Tester Tc1 Schematic Multifunction Tester Tc1 Schematic In the power off state or the test is completed, put the test element into the transistor test area of test seat, and press the locking handle, short. Desolder the positive lead of the rechargeable battery. Or near a heat source! Unscrew the case via the 4 screws on the back. Multifunction Tester Tc1 Schematic.
From schematicfixgrunwald.z19.web.core.windows.net
Multi Function Tester Tc1 Schematic Multifunction Tester Tc1 Schematic In the power off state or the test is completed, put the test element into the transistor test area of test seat, and press the locking handle, short. Desolder the positive lead of the rechargeable battery. Unscrew the case via the 4 screws on the back. Or near a heat source! Multifunction Tester Tc1 Schematic.
From www.testmultimeter.com
30 Multimeter use how to test electronic device with a multimeter Multifunction Tester Tc1 Schematic Unscrew the case via the 4 screws on the back. In the power off state or the test is completed, put the test element into the transistor test area of test seat, and press the locking handle, short. Or near a heat source! Desolder the positive lead of the rechargeable battery. Multifunction Tester Tc1 Schematic.
From www.youtube.com
OP 53 tester multifunzione TC1 multi function tester TC1 YouTube Multifunction Tester Tc1 Schematic In the power off state or the test is completed, put the test element into the transistor test area of test seat, and press the locking handle, short. Desolder the positive lead of the rechargeable battery. Unscrew the case via the 4 screws on the back. Or near a heat source! Multifunction Tester Tc1 Schematic.
From www.desertcart.com.kw
Buy LCRTC1 MultiFunction Tester Colorful Display Pocketable Multifunction Tester Tc1 Schematic In the power off state or the test is completed, put the test element into the transistor test area of test seat, and press the locking handle, short. Desolder the positive lead of the rechargeable battery. Or near a heat source! Unscrew the case via the 4 screws on the back. Multifunction Tester Tc1 Schematic.
From www.eevblog.com
Simple upgrade to a TC1 MultiFunction Tester Page 1 Multifunction Tester Tc1 Schematic Desolder the positive lead of the rechargeable battery. Unscrew the case via the 4 screws on the back. In the power off state or the test is completed, put the test element into the transistor test area of test seat, and press the locking handle, short. Or near a heat source! Multifunction Tester Tc1 Schematic.