Toyota Corolla Wiper Relay Location . With wiper sw turned to int position, the relay operates and the current which is connected by relay function flows from terminal 8 of the. Note the cigarette lighter fuse. Find the fuse box diagrams and locations by year. There is no wiper relay, it is part of the body control module under the driver side dash. In our post you will find information describing toyota corolla e210 fuses and relays with block diagrams and their locations. Its all data past the wiper switch. See link below for the position of the relay. Where is the 2017 toyota corolla fuse box located? Fuse box / main body ecu; Hi, not aware of any part behind the radio. In this article we will show a description of fuses and relays for toyota corolla 180 170 160 with block diagrams and their locations.
from www.2carpros.com
In our post you will find information describing toyota corolla e210 fuses and relays with block diagrams and their locations. See link below for the position of the relay. Fuse box / main body ecu; With wiper sw turned to int position, the relay operates and the current which is connected by relay function flows from terminal 8 of the. Find the fuse box diagrams and locations by year. There is no wiper relay, it is part of the body control module under the driver side dash. Note the cigarette lighter fuse. Its all data past the wiper switch. Where is the 2017 toyota corolla fuse box located? In this article we will show a description of fuses and relays for toyota corolla 180 170 160 with block diagrams and their locations.
Wiper Relay Location Where Is the Wiper Relay Switch Located?
Toyota Corolla Wiper Relay Location See link below for the position of the relay. Its all data past the wiper switch. In this article we will show a description of fuses and relays for toyota corolla 180 170 160 with block diagrams and their locations. Hi, not aware of any part behind the radio. Find the fuse box diagrams and locations by year. Note the cigarette lighter fuse. Fuse box / main body ecu; See link below for the position of the relay. In our post you will find information describing toyota corolla e210 fuses and relays with block diagrams and their locations. With wiper sw turned to int position, the relay operates and the current which is connected by relay function flows from terminal 8 of the. There is no wiper relay, it is part of the body control module under the driver side dash. Where is the 2017 toyota corolla fuse box located?
From ahparts.com
2020 Toyota Corolla Windshield Wiper Relay Control Unit 8594012230, Toyota Corolla Wiper Relay Location Note the cigarette lighter fuse. Find the fuse box diagrams and locations by year. Hi, not aware of any part behind the radio. In this article we will show a description of fuses and relays for toyota corolla 180 170 160 with block diagrams and their locations. There is no wiper relay, it is part of the body control module. Toyota Corolla Wiper Relay Location.
From www.carparts.com
Intermittent Wipers How They Work and Possible Problems In The Toyota Corolla Wiper Relay Location Fuse box / main body ecu; In this article we will show a description of fuses and relays for toyota corolla 180 170 160 with block diagrams and their locations. Note the cigarette lighter fuse. There is no wiper relay, it is part of the body control module under the driver side dash. Hi, not aware of any part behind. Toyota Corolla Wiper Relay Location.
From www.2carpros.com
Wiper Relay Location Where Is the Wiper Relay Switch Located? Toyota Corolla Wiper Relay Location With wiper sw turned to int position, the relay operates and the current which is connected by relay function flows from terminal 8 of the. In our post you will find information describing toyota corolla e210 fuses and relays with block diagrams and their locations. Where is the 2017 toyota corolla fuse box located? In this article we will show. Toyota Corolla Wiper Relay Location.
From www.toyotaownersclub.com
Faulty wiper relay? Auris Club Toyota Owners Club Toyota Forum Toyota Corolla Wiper Relay Location Note the cigarette lighter fuse. With wiper sw turned to int position, the relay operates and the current which is connected by relay function flows from terminal 8 of the. Fuse box / main body ecu; See link below for the position of the relay. Its all data past the wiper switch. Where is the 2017 toyota corolla fuse box. Toyota Corolla Wiper Relay Location.
From www.youtube.com
Toyota Corolla How to change Windshield Wipers/and Put Wipers in Toyota Corolla Wiper Relay Location In this article we will show a description of fuses and relays for toyota corolla 180 170 160 with block diagrams and their locations. Note the cigarette lighter fuse. There is no wiper relay, it is part of the body control module under the driver side dash. In our post you will find information describing toyota corolla e210 fuses and. Toyota Corolla Wiper Relay Location.
From repairenginefluted99.z22.web.core.windows.net
2015 Toyota Corolla Ac Relay Location Toyota Corolla Wiper Relay Location Its all data past the wiper switch. With wiper sw turned to int position, the relay operates and the current which is connected by relay function flows from terminal 8 of the. Note the cigarette lighter fuse. Fuse box / main body ecu; See link below for the position of the relay. Find the fuse box diagrams and locations by. Toyota Corolla Wiper Relay Location.
From www.toyotaownersclub.com
Faulty wiper relay? Auris Club Toyota Owners Club Toyota Forum Toyota Corolla Wiper Relay Location Note the cigarette lighter fuse. In this article we will show a description of fuses and relays for toyota corolla 180 170 160 with block diagrams and their locations. In our post you will find information describing toyota corolla e210 fuses and relays with block diagrams and their locations. Fuse box / main body ecu; There is no wiper relay,. Toyota Corolla Wiper Relay Location.
From workshopfixrodney99.z13.web.core.windows.net
2010 Toyota Corolla Starter Relay Location Toyota Corolla Wiper Relay Location Hi, not aware of any part behind the radio. See link below for the position of the relay. Fuse box / main body ecu; Its all data past the wiper switch. With wiper sw turned to int position, the relay operates and the current which is connected by relay function flows from terminal 8 of the. Find the fuse box. Toyota Corolla Wiper Relay Location.
From www.youtube.com
TOYOTA COROLLA WINDSHIELD WIPERS RELAY LOCATION 2013 2014 2015 2016 Toyota Corolla Wiper Relay Location Where is the 2017 toyota corolla fuse box located? With wiper sw turned to int position, the relay operates and the current which is connected by relay function flows from terminal 8 of the. Find the fuse box diagrams and locations by year. Note the cigarette lighter fuse. In this article we will show a description of fuses and relays. Toyota Corolla Wiper Relay Location.
From www.megazip.net
Switch & Relay & Computer for 1991 1995 Toyota COROLLA AE100 Toyota Corolla Wiper Relay Location Its all data past the wiper switch. In this article we will show a description of fuses and relays for toyota corolla 180 170 160 with block diagrams and their locations. In our post you will find information describing toyota corolla e210 fuses and relays with block diagrams and their locations. Find the fuse box diagrams and locations by year.. Toyota Corolla Wiper Relay Location.
From repairengineweber123.z19.web.core.windows.net
How To Replace Toyota Corolla Windshield Wipers Toyota Corolla Wiper Relay Location In this article we will show a description of fuses and relays for toyota corolla 180 170 160 with block diagrams and their locations. Note the cigarette lighter fuse. With wiper sw turned to int position, the relay operates and the current which is connected by relay function flows from terminal 8 of the. Find the fuse box diagrams and. Toyota Corolla Wiper Relay Location.
From inauto.us
2020 2021 TOYOTA COROLLA WIPER RELAY CONTROL MODULE OEM 8594012230 Toyota Corolla Wiper Relay Location In this article we will show a description of fuses and relays for toyota corolla 180 170 160 with block diagrams and their locations. With wiper sw turned to int position, the relay operates and the current which is connected by relay function flows from terminal 8 of the. There is no wiper relay, it is part of the body. Toyota Corolla Wiper Relay Location.
From www.scribd.com
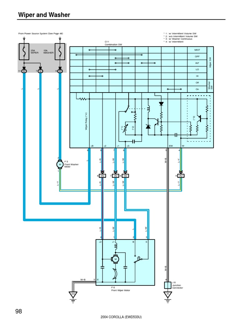
2004 Corolla Wiper and Washer Electrical Diagram Machines Toyota Corolla Wiper Relay Location With wiper sw turned to int position, the relay operates and the current which is connected by relay function flows from terminal 8 of the. Note the cigarette lighter fuse. In this article we will show a description of fuses and relays for toyota corolla 180 170 160 with block diagrams and their locations. Find the fuse box diagrams and. Toyota Corolla Wiper Relay Location.
From inauto.us
2020 2021 TOYOTA COROLLA WIPER RELAY CONTROL MODULE OEM 8594012230 Toyota Corolla Wiper Relay Location Hi, not aware of any part behind the radio. See link below for the position of the relay. Where is the 2017 toyota corolla fuse box located? Its all data past the wiper switch. Find the fuse box diagrams and locations by year. Note the cigarette lighter fuse. Fuse box / main body ecu; In our post you will find. Toyota Corolla Wiper Relay Location.
From repairenginefluted99.z22.web.core.windows.net
2010 Toyota Corolla Ac Relay Location Toyota Corolla Wiper Relay Location With wiper sw turned to int position, the relay operates and the current which is connected by relay function flows from terminal 8 of the. Where is the 2017 toyota corolla fuse box located? Hi, not aware of any part behind the radio. There is no wiper relay, it is part of the body control module under the driver side. Toyota Corolla Wiper Relay Location.
From www.allcarpartsonline.com.au
Toyota Corolla Wiper Relay Module ZWE211 07/2018Current TOYOTA Toyota Corolla Wiper Relay Location Find the fuse box diagrams and locations by year. Where is the 2017 toyota corolla fuse box located? Its all data past the wiper switch. In this article we will show a description of fuses and relays for toyota corolla 180 170 160 with block diagrams and their locations. In our post you will find information describing toyota corolla e210. Toyota Corolla Wiper Relay Location.
From www.malibumarketingltd.com
RELAY REAR WIPER TOYOTA COROLLA AE90 LIFTBACK WITH WIRE HARNESS Toyota Corolla Wiper Relay Location In our post you will find information describing toyota corolla e210 fuses and relays with block diagrams and their locations. Find the fuse box diagrams and locations by year. Fuse box / main body ecu; Its all data past the wiper switch. Note the cigarette lighter fuse. With wiper sw turned to int position, the relay operates and the current. Toyota Corolla Wiper Relay Location.
From www.2carpros.com
Starter Relay and Fuse Where Is the Starter Relay and Fuse Toyota Corolla Wiper Relay Location Fuse box / main body ecu; With wiper sw turned to int position, the relay operates and the current which is connected by relay function flows from terminal 8 of the. In this article we will show a description of fuses and relays for toyota corolla 180 170 160 with block diagrams and their locations. Hi, not aware of any. Toyota Corolla Wiper Relay Location.
From fuseandrelay.com
Fuse box diagram Toyota Corolla Spacio 1G and relay with assignment and Toyota Corolla Wiper Relay Location Find the fuse box diagrams and locations by year. Where is the 2017 toyota corolla fuse box located? See link below for the position of the relay. Fuse box / main body ecu; In this article we will show a description of fuses and relays for toyota corolla 180 170 160 with block diagrams and their locations. Its all data. Toyota Corolla Wiper Relay Location.
From www.2carpros.com
Wiper Relay Location Where Is the Wiper Relay Switch Located? Toyota Corolla Wiper Relay Location See link below for the position of the relay. In this article we will show a description of fuses and relays for toyota corolla 180 170 160 with block diagrams and their locations. Its all data past the wiper switch. Find the fuse box diagrams and locations by year. With wiper sw turned to int position, the relay operates and. Toyota Corolla Wiper Relay Location.
From inauto.us
2020 2021 TOYOTA COROLLA WIPER RELAY CONTROL MODULE OEM 8594012230 Toyota Corolla Wiper Relay Location Find the fuse box diagrams and locations by year. In our post you will find information describing toyota corolla e210 fuses and relays with block diagrams and their locations. With wiper sw turned to int position, the relay operates and the current which is connected by relay function flows from terminal 8 of the. Note the cigarette lighter fuse. In. Toyota Corolla Wiper Relay Location.
From www.allcarpartsonline.com.au
Toyota Corolla Wiper Relay Module ZWE211 07/2018Current TOYOTA Toyota Corolla Wiper Relay Location Fuse box / main body ecu; With wiper sw turned to int position, the relay operates and the current which is connected by relay function flows from terminal 8 of the. Find the fuse box diagrams and locations by year. Hi, not aware of any part behind the radio. Its all data past the wiper switch. Note the cigarette lighter. Toyota Corolla Wiper Relay Location.
From manual.imagenes4k.com
Wiper Motor Wiring Diagram Toyota Diagrams Wiring 2006 Autozone Wiper Toyota Corolla Wiper Relay Location Hi, not aware of any part behind the radio. There is no wiper relay, it is part of the body control module under the driver side dash. Note the cigarette lighter fuse. Find the fuse box diagrams and locations by year. In our post you will find information describing toyota corolla e210 fuses and relays with block diagrams and their. Toyota Corolla Wiper Relay Location.
From www.megaparts.eu
Wipers relay for Toyota Corolla (E110) 1.4, 86 hp, hatchback, 3 doors Toyota Corolla Wiper Relay Location Hi, not aware of any part behind the radio. Its all data past the wiper switch. In our post you will find information describing toyota corolla e210 fuses and relays with block diagrams and their locations. Note the cigarette lighter fuse. Where is the 2017 toyota corolla fuse box located? With wiper sw turned to int position, the relay operates. Toyota Corolla Wiper Relay Location.
From schematiclibappleby101.z21.web.core.windows.net
How To Replace Wipers On Toyota Corolla Toyota Corolla Wiper Relay Location Find the fuse box diagrams and locations by year. In this article we will show a description of fuses and relays for toyota corolla 180 170 160 with block diagrams and their locations. In our post you will find information describing toyota corolla e210 fuses and relays with block diagrams and their locations. Where is the 2017 toyota corolla fuse. Toyota Corolla Wiper Relay Location.
From priuschat.com
What fuse is for the front wipers? PriusChat Toyota Corolla Wiper Relay Location Find the fuse box diagrams and locations by year. With wiper sw turned to int position, the relay operates and the current which is connected by relay function flows from terminal 8 of the. See link below for the position of the relay. Fuse box / main body ecu; Where is the 2017 toyota corolla fuse box located? In our. Toyota Corolla Wiper Relay Location.
From www.toyotaownersclub.com
Faulty wiper relay? Auris Club Toyota Owners Club Toyota Forum Toyota Corolla Wiper Relay Location In this article we will show a description of fuses and relays for toyota corolla 180 170 160 with block diagrams and their locations. With wiper sw turned to int position, the relay operates and the current which is connected by relay function flows from terminal 8 of the. Where is the 2017 toyota corolla fuse box located? Its all. Toyota Corolla Wiper Relay Location.
From ahparts.com
2020 Toyota Corolla Windshield Wiper Relay Control Unit 8594012230, Toyota Corolla Wiper Relay Location In this article we will show a description of fuses and relays for toyota corolla 180 170 160 with block diagrams and their locations. Note the cigarette lighter fuse. Find the fuse box diagrams and locations by year. Where is the 2017 toyota corolla fuse box located? Hi, not aware of any part behind the radio. In our post you. Toyota Corolla Wiper Relay Location.
From www.autopartssupply.com.au
Toyota Corolla Relay 1.6ltr 4AFE AE95 19891995 *PAT* Toyota Corolla Wiper Relay Location See link below for the position of the relay. Find the fuse box diagrams and locations by year. In our post you will find information describing toyota corolla e210 fuses and relays with block diagrams and their locations. Hi, not aware of any part behind the radio. There is no wiper relay, it is part of the body control module. Toyota Corolla Wiper Relay Location.
From www.2carpros.com
WHERE IS THE CONTROL MODULE FOR WIPERS LOCATED? Toyota Corolla Wiper Relay Location There is no wiper relay, it is part of the body control module under the driver side dash. In our post you will find information describing toyota corolla e210 fuses and relays with block diagrams and their locations. See link below for the position of the relay. Where is the 2017 toyota corolla fuse box located? In this article we. Toyota Corolla Wiper Relay Location.
From fixmachinekrueger77.z19.web.core.windows.net
2012 Toyota Corolla Ac Relay Location Toyota Corolla Wiper Relay Location In our post you will find information describing toyota corolla e210 fuses and relays with block diagrams and their locations. See link below for the position of the relay. Its all data past the wiper switch. Note the cigarette lighter fuse. With wiper sw turned to int position, the relay operates and the current which is connected by relay function. Toyota Corolla Wiper Relay Location.
From usermanualthickety.z21.web.core.windows.net
Install Wiper Blades 2004 Toyota Corolla Toyota Corolla Wiper Relay Location There is no wiper relay, it is part of the body control module under the driver side dash. Find the fuse box diagrams and locations by year. In our post you will find information describing toyota corolla e210 fuses and relays with block diagrams and their locations. Hi, not aware of any part behind the radio. Note the cigarette lighter. Toyota Corolla Wiper Relay Location.
From parts.toyotaofcoloradosprings.com
Toyota Wiper Relay Part 8594060020 Toyota Of Colorado Springs Parts Toyota Corolla Wiper Relay Location There is no wiper relay, it is part of the body control module under the driver side dash. With wiper sw turned to int position, the relay operates and the current which is connected by relay function flows from terminal 8 of the. Find the fuse box diagrams and locations by year. Note the cigarette lighter fuse. Hi, not aware. Toyota Corolla Wiper Relay Location.
From fixchristopher55.z21.web.core.windows.net
Toyota Corolla Relay Location Toyota Corolla Wiper Relay Location Fuse box / main body ecu; With wiper sw turned to int position, the relay operates and the current which is connected by relay function flows from terminal 8 of the. In our post you will find information describing toyota corolla e210 fuses and relays with block diagrams and their locations. In this article we will show a description of. Toyota Corolla Wiper Relay Location.
From repairenginefluted99.z22.web.core.windows.net
2015 Toyota Corolla Ac Relay Location Toyota Corolla Wiper Relay Location There is no wiper relay, it is part of the body control module under the driver side dash. In our post you will find information describing toyota corolla e210 fuses and relays with block diagrams and their locations. Its all data past the wiper switch. Fuse box / main body ecu; Hi, not aware of any part behind the radio.. Toyota Corolla Wiper Relay Location.