Optical Distance Sensor Arduino . Distance sensors are very useful as we can make systems that react based on how close we are to them or based on the presence of various… It can be used to sense objects in close proximity or. Learn how to interface a gp2y0a41sk0f infrared distance sensor with arduino. Using gp2y0a41sk0f sensor example code, circuit, pinout library. It is assumed you have. A distance sensor is the most important sensor for any robot. We learn how to measure distances with arduino and the gp2y0e03 sensor, an infrared optical sensor similar to the gp2y0a02 but with i2c connection. It's usually referred to as the eyes of a robot. This short tutorial introduces the optical (infrared) distance sensor (sharp gp2y0a21yk0f). Additionally, it can provide a user of any platform with a template for their own. It is a great sensor to use for.
from www.raypcb.com
It is assumed you have. This short tutorial introduces the optical (infrared) distance sensor (sharp gp2y0a21yk0f). A distance sensor is the most important sensor for any robot. Learn how to interface a gp2y0a41sk0f infrared distance sensor with arduino. It can be used to sense objects in close proximity or. It's usually referred to as the eyes of a robot. It is a great sensor to use for. Distance sensors are very useful as we can make systems that react based on how close we are to them or based on the presence of various… Additionally, it can provide a user of any platform with a template for their own. We learn how to measure distances with arduino and the gp2y0e03 sensor, an infrared optical sensor similar to the gp2y0a02 but with i2c connection.
How to identify and select good Arduino distance sensors RAYPCB
Optical Distance Sensor Arduino It is a great sensor to use for. It's usually referred to as the eyes of a robot. Learn how to interface a gp2y0a41sk0f infrared distance sensor with arduino. Distance sensors are very useful as we can make systems that react based on how close we are to them or based on the presence of various… It is a great sensor to use for. Additionally, it can provide a user of any platform with a template for their own. A distance sensor is the most important sensor for any robot. This short tutorial introduces the optical (infrared) distance sensor (sharp gp2y0a21yk0f). It is assumed you have. Using gp2y0a41sk0f sensor example code, circuit, pinout library. It can be used to sense objects in close proximity or. We learn how to measure distances with arduino and the gp2y0e03 sensor, an infrared optical sensor similar to the gp2y0a02 but with i2c connection.
From diy.usfokus.com
Diy Lidar Arduino Do It Your Self Optical Distance Sensor Arduino We learn how to measure distances with arduino and the gp2y0e03 sensor, an infrared optical sensor similar to the gp2y0a02 but with i2c connection. It is assumed you have. Distance sensors are very useful as we can make systems that react based on how close we are to them or based on the presence of various… Using gp2y0a41sk0f sensor example. Optical Distance Sensor Arduino.
From www.chippiko.com
Ultrasonic HCSR04 Arduino Distance Sensor CHIPPIKO Optical Distance Sensor Arduino Using gp2y0a41sk0f sensor example code, circuit, pinout library. It can be used to sense objects in close proximity or. It is assumed you have. We learn how to measure distances with arduino and the gp2y0e03 sensor, an infrared optical sensor similar to the gp2y0a02 but with i2c connection. Additionally, it can provide a user of any platform with a template. Optical Distance Sensor Arduino.
From www.raypcb.com
How to identify and select good Arduino distance sensors RAYPCB Optical Distance Sensor Arduino Learn how to interface a gp2y0a41sk0f infrared distance sensor with arduino. This short tutorial introduces the optical (infrared) distance sensor (sharp gp2y0a21yk0f). It's usually referred to as the eyes of a robot. Additionally, it can provide a user of any platform with a template for their own. It can be used to sense objects in close proximity or. Using gp2y0a41sk0f. Optical Distance Sensor Arduino.
From iot-guider.com
Interfacing Ultrasonic Distance Sensor in Arduino Iotguider Optical Distance Sensor Arduino We learn how to measure distances with arduino and the gp2y0e03 sensor, an infrared optical sensor similar to the gp2y0a02 but with i2c connection. It's usually referred to as the eyes of a robot. A distance sensor is the most important sensor for any robot. It is a great sensor to use for. It can be used to sense objects. Optical Distance Sensor Arduino.
From www.youtube.com
Arduino Distance Meter OLED Display Ultrasonic Sensor HC SR04 YouTube Optical Distance Sensor Arduino It's usually referred to as the eyes of a robot. We learn how to measure distances with arduino and the gp2y0e03 sensor, an infrared optical sensor similar to the gp2y0a02 but with i2c connection. Learn how to interface a gp2y0a41sk0f infrared distance sensor with arduino. It is assumed you have. Using gp2y0a41sk0f sensor example code, circuit, pinout library. Additionally, it. Optical Distance Sensor Arduino.
From www.circuits-diy.com
Interfacing VL530LX Laser Ranging Time of Flight Distance Sensor with Optical Distance Sensor Arduino Distance sensors are very useful as we can make systems that react based on how close we are to them or based on the presence of various… It's usually referred to as the eyes of a robot. It is assumed you have. Using gp2y0a41sk0f sensor example code, circuit, pinout library. This short tutorial introduces the optical (infrared) distance sensor (sharp. Optical Distance Sensor Arduino.
From www.ebay.de
GP2Y0A41SK0F Optical IR Analog Distance Detect Sensor module 430cm for Optical Distance Sensor Arduino It can be used to sense objects in close proximity or. A distance sensor is the most important sensor for any robot. Distance sensors are very useful as we can make systems that react based on how close we are to them or based on the presence of various… Using gp2y0a41sk0f sensor example code, circuit, pinout library. It's usually referred. Optical Distance Sensor Arduino.
From elmeranta.fi
Distance sensor with LED matrix display on Arduino Nano Elmeranta.fi Optical Distance Sensor Arduino It can be used to sense objects in close proximity or. Using gp2y0a41sk0f sensor example code, circuit, pinout library. This short tutorial introduces the optical (infrared) distance sensor (sharp gp2y0a21yk0f). A distance sensor is the most important sensor for any robot. It is assumed you have. Distance sensors are very useful as we can make systems that react based on. Optical Distance Sensor Arduino.
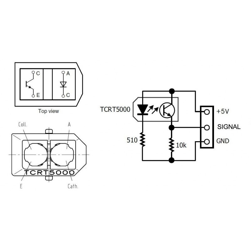
From gleanntronics.ie
TCRT5000 Optical Reflective Distance Sensor Arduino Arduino, DIY Optical Distance Sensor Arduino Additionally, it can provide a user of any platform with a template for their own. A distance sensor is the most important sensor for any robot. It is a great sensor to use for. We learn how to measure distances with arduino and the gp2y0e03 sensor, an infrared optical sensor similar to the gp2y0a02 but with i2c connection. Using gp2y0a41sk0f. Optical Distance Sensor Arduino.
From arduinolearning.com
Arduino and GP2Y0A21YK Distance Sensor Arduino Learning Optical Distance Sensor Arduino This short tutorial introduces the optical (infrared) distance sensor (sharp gp2y0a21yk0f). Additionally, it can provide a user of any platform with a template for their own. It can be used to sense objects in close proximity or. It is a great sensor to use for. Using gp2y0a41sk0f sensor example code, circuit, pinout library. Distance sensors are very useful as we. Optical Distance Sensor Arduino.
From circuits4you.com
Distance Measurement using Ultrasonic Sensor HCSR04 and Arduino Optical Distance Sensor Arduino Learn how to interface a gp2y0a41sk0f infrared distance sensor with arduino. Additionally, it can provide a user of any platform with a template for their own. It can be used to sense objects in close proximity or. It is a great sensor to use for. A distance sensor is the most important sensor for any robot. Using gp2y0a41sk0f sensor example. Optical Distance Sensor Arduino.
From www.pinterest.com.mx
Measure distances with an ultrasonic rangefinder (distance sensor) and Optical Distance Sensor Arduino It is a great sensor to use for. Learn how to interface a gp2y0a41sk0f infrared distance sensor with arduino. This short tutorial introduces the optical (infrared) distance sensor (sharp gp2y0a21yk0f). Using gp2y0a41sk0f sensor example code, circuit, pinout library. It's usually referred to as the eyes of a robot. It can be used to sense objects in close proximity or. It. Optical Distance Sensor Arduino.
From www.makerguides.com
IR Distance Sensor Arduino Tutorial (SHARP GP2Y0A710K0F) Optical Distance Sensor Arduino It is a great sensor to use for. This short tutorial introduces the optical (infrared) distance sensor (sharp gp2y0a21yk0f). Using gp2y0a41sk0f sensor example code, circuit, pinout library. It is assumed you have. A distance sensor is the most important sensor for any robot. Distance sensors are very useful as we can make systems that react based on how close we. Optical Distance Sensor Arduino.
From home.et.utwente.nl
Using an Optical (IR) sensor with Arduino Optical Distance Sensor Arduino A distance sensor is the most important sensor for any robot. Learn how to interface a gp2y0a41sk0f infrared distance sensor with arduino. Using gp2y0a41sk0f sensor example code, circuit, pinout library. It is a great sensor to use for. Distance sensors are very useful as we can make systems that react based on how close we are to them or based. Optical Distance Sensor Arduino.
From hackaday.io
Distance monitoring with Arduino & AskSensors IoT Hackaday.io Optical Distance Sensor Arduino Learn how to interface a gp2y0a41sk0f infrared distance sensor with arduino. It can be used to sense objects in close proximity or. It's usually referred to as the eyes of a robot. A distance sensor is the most important sensor for any robot. Distance sensors are very useful as we can make systems that react based on how close we. Optical Distance Sensor Arduino.
From gleanntronics.ie
TCRT5000 Optical Reflective Distance Sensor Arduino Arduino, DIY Optical Distance Sensor Arduino Additionally, it can provide a user of any platform with a template for their own. It is assumed you have. Distance sensors are very useful as we can make systems that react based on how close we are to them or based on the presence of various… A distance sensor is the most important sensor for any robot. We learn. Optical Distance Sensor Arduino.
From projecthub.arduino.cc
Arduino 16x2 LCD Display with Distance Sensor Arduino Project Hub Optical Distance Sensor Arduino It can be used to sense objects in close proximity or. Additionally, it can provide a user of any platform with a template for their own. It is a great sensor to use for. A distance sensor is the most important sensor for any robot. It is assumed you have. This short tutorial introduces the optical (infrared) distance sensor (sharp. Optical Distance Sensor Arduino.
From www.makerguides.com
How to use SHARP IR Distance Sensor with Arduino (GP2Y0A21YK0F) Optical Distance Sensor Arduino We learn how to measure distances with arduino and the gp2y0e03 sensor, an infrared optical sensor similar to the gp2y0a02 but with i2c connection. It is a great sensor to use for. Additionally, it can provide a user of any platform with a template for their own. Learn how to interface a gp2y0a41sk0f infrared distance sensor with arduino. Distance sensors. Optical Distance Sensor Arduino.
From www.arduinocircuit.com
Measure Distance with Arduino and Ultrasonic Sensor HCSR04 Arduino Optical Distance Sensor Arduino It's usually referred to as the eyes of a robot. Using gp2y0a41sk0f sensor example code, circuit, pinout library. Distance sensors are very useful as we can make systems that react based on how close we are to them or based on the presence of various… It is a great sensor to use for. A distance sensor is the most important. Optical Distance Sensor Arduino.
From www.makerguides.com
Arduino Waterproof JSNSR04T Ultrasonic Sensor (2 Examples) Optical Distance Sensor Arduino It is a great sensor to use for. A distance sensor is the most important sensor for any robot. We learn how to measure distances with arduino and the gp2y0e03 sensor, an infrared optical sensor similar to the gp2y0a02 but with i2c connection. It is assumed you have. It can be used to sense objects in close proximity or. Distance. Optical Distance Sensor Arduino.
From www.electricaltechnology.org
Distance Measurement Using Arduino and Ultrasonic Sensor Optical Distance Sensor Arduino Additionally, it can provide a user of any platform with a template for their own. A distance sensor is the most important sensor for any robot. We learn how to measure distances with arduino and the gp2y0e03 sensor, an infrared optical sensor similar to the gp2y0a02 but with i2c connection. It is assumed you have. Using gp2y0a41sk0f sensor example code,. Optical Distance Sensor Arduino.
From www.youtube.com
️ How to Measuring distance using a Sharp Optical distance sensor and Optical Distance Sensor Arduino Distance sensors are very useful as we can make systems that react based on how close we are to them or based on the presence of various… Using gp2y0a41sk0f sensor example code, circuit, pinout library. Additionally, it can provide a user of any platform with a template for their own. It can be used to sense objects in close proximity. Optical Distance Sensor Arduino.
From www.circuits-diy.com
VL53L0X LIDAR Distance Sensor Interfacing with Arduino Optical Distance Sensor Arduino It is assumed you have. Learn how to interface a gp2y0a41sk0f infrared distance sensor with arduino. Distance sensors are very useful as we can make systems that react based on how close we are to them or based on the presence of various… It's usually referred to as the eyes of a robot. It can be used to sense objects. Optical Distance Sensor Arduino.
From www.youtube.com
Lesson 77 Using VL53L0X 200cm Laser Distance Sensor Arduino Step By Optical Distance Sensor Arduino Learn how to interface a gp2y0a41sk0f infrared distance sensor with arduino. A distance sensor is the most important sensor for any robot. We learn how to measure distances with arduino and the gp2y0e03 sensor, an infrared optical sensor similar to the gp2y0a02 but with i2c connection. Using gp2y0a41sk0f sensor example code, circuit, pinout library. Distance sensors are very useful as. Optical Distance Sensor Arduino.
From pimylifeup.com
Arduino Distance Sensor using the HCSR04 Pi My Life Up Optical Distance Sensor Arduino It's usually referred to as the eyes of a robot. A distance sensor is the most important sensor for any robot. It is a great sensor to use for. This short tutorial introduces the optical (infrared) distance sensor (sharp gp2y0a21yk0f). We learn how to measure distances with arduino and the gp2y0e03 sensor, an infrared optical sensor similar to the gp2y0a02. Optical Distance Sensor Arduino.
From create.arduino.cc
Arduino HC SR04 Ultrasonic Distance Sensor Arduino Project Hub Optical Distance Sensor Arduino It can be used to sense objects in close proximity or. We learn how to measure distances with arduino and the gp2y0e03 sensor, an infrared optical sensor similar to the gp2y0a02 but with i2c connection. Learn how to interface a gp2y0a41sk0f infrared distance sensor with arduino. Additionally, it can provide a user of any platform with a template for their. Optical Distance Sensor Arduino.
From elmeranta.fi
Distance sensor with LED matrix display on Arduino Nano Elmeranta.fi Optical Distance Sensor Arduino It is a great sensor to use for. A distance sensor is the most important sensor for any robot. Learn how to interface a gp2y0a41sk0f infrared distance sensor with arduino. This short tutorial introduces the optical (infrared) distance sensor (sharp gp2y0a21yk0f). Using gp2y0a41sk0f sensor example code, circuit, pinout library. We learn how to measure distances with arduino and the gp2y0e03. Optical Distance Sensor Arduino.
From www.alanzucconi.com
How to build a distance sensor with Arduino Alan Zucconi Optical Distance Sensor Arduino We learn how to measure distances with arduino and the gp2y0e03 sensor, an infrared optical sensor similar to the gp2y0a02 but with i2c connection. Learn how to interface a gp2y0a41sk0f infrared distance sensor with arduino. It can be used to sense objects in close proximity or. Distance sensors are very useful as we can make systems that react based on. Optical Distance Sensor Arduino.
From www.electronics360.org
Interfacing SHARP GP2Y0A710K0F IR Distance Sensor with Arduino Optical Distance Sensor Arduino Additionally, it can provide a user of any platform with a template for their own. A distance sensor is the most important sensor for any robot. Using gp2y0a41sk0f sensor example code, circuit, pinout library. We learn how to measure distances with arduino and the gp2y0e03 sensor, an infrared optical sensor similar to the gp2y0a02 but with i2c connection. This short. Optical Distance Sensor Arduino.
From www.raypcb.com
How to identify and select good Arduino distance sensors RAYPCB Optical Distance Sensor Arduino It is assumed you have. We learn how to measure distances with arduino and the gp2y0e03 sensor, an infrared optical sensor similar to the gp2y0a02 but with i2c connection. Additionally, it can provide a user of any platform with a template for their own. A distance sensor is the most important sensor for any robot. Learn how to interface a. Optical Distance Sensor Arduino.
From hilelectronic.com
Choosing the Perfect Arduino Distance Sensor Optical Distance Sensor Arduino A distance sensor is the most important sensor for any robot. Distance sensors are very useful as we can make systems that react based on how close we are to them or based on the presence of various… Using gp2y0a41sk0f sensor example code, circuit, pinout library. It can be used to sense objects in close proximity or. Learn how to. Optical Distance Sensor Arduino.
From how2electronics.com
How to use TFMiniS LiDAR Distance Sensor with Arduino Optical Distance Sensor Arduino It is a great sensor to use for. It can be used to sense objects in close proximity or. Distance sensors are very useful as we can make systems that react based on how close we are to them or based on the presence of various… We learn how to measure distances with arduino and the gp2y0e03 sensor, an infrared. Optical Distance Sensor Arduino.
From gleanntronics.ie
TCRT5000 Optical Reflective Distance Sensor Arduino Arduino, DIY Optical Distance Sensor Arduino A distance sensor is the most important sensor for any robot. Distance sensors are very useful as we can make systems that react based on how close we are to them or based on the presence of various… Additionally, it can provide a user of any platform with a template for their own. It is assumed you have. It is. Optical Distance Sensor Arduino.
From www.instructables.com
Get Started With Distance Sensors and Arduino 8 Steps Instructables Optical Distance Sensor Arduino We learn how to measure distances with arduino and the gp2y0e03 sensor, an infrared optical sensor similar to the gp2y0a02 but with i2c connection. Learn how to interface a gp2y0a41sk0f infrared distance sensor with arduino. This short tutorial introduces the optical (infrared) distance sensor (sharp gp2y0a21yk0f). It is a great sensor to use for. It is assumed you have. Additionally,. Optical Distance Sensor Arduino.
From techexplorations.com
2. Make a Arduino laser distance sensor with Visuino Tech Explorations Optical Distance Sensor Arduino Additionally, it can provide a user of any platform with a template for their own. This short tutorial introduces the optical (infrared) distance sensor (sharp gp2y0a21yk0f). It can be used to sense objects in close proximity or. Distance sensors are very useful as we can make systems that react based on how close we are to them or based on. Optical Distance Sensor Arduino.