Pin Connection Guidelines Agilex . Agilex 5 fpga core pins. these pin connection guidelines are provided as examples only, and should not be deemed to be technical specifications or. Agilex™ 5 fpgas and socs. • agilex 7 device family pin connection guidelines: intel is notifying customers of updates to the intel® agilex™ device family pin connection guidelines (pcg). Please note that there is. intel® is notifying customers of updates to the intel® agilextm device family pin connection guidelines (pcg). Pins status for agilex 5 devices.
from www.intel.com
intel is notifying customers of updates to the intel® agilex™ device family pin connection guidelines (pcg). these pin connection guidelines are provided as examples only, and should not be deemed to be technical specifications or. Agilex™ 5 fpgas and socs. • agilex 7 device family pin connection guidelines: intel® is notifying customers of updates to the intel® agilextm device family pin connection guidelines (pcg). Please note that there is. Pins status for agilex 5 devices. Agilex 5 fpga core pins.
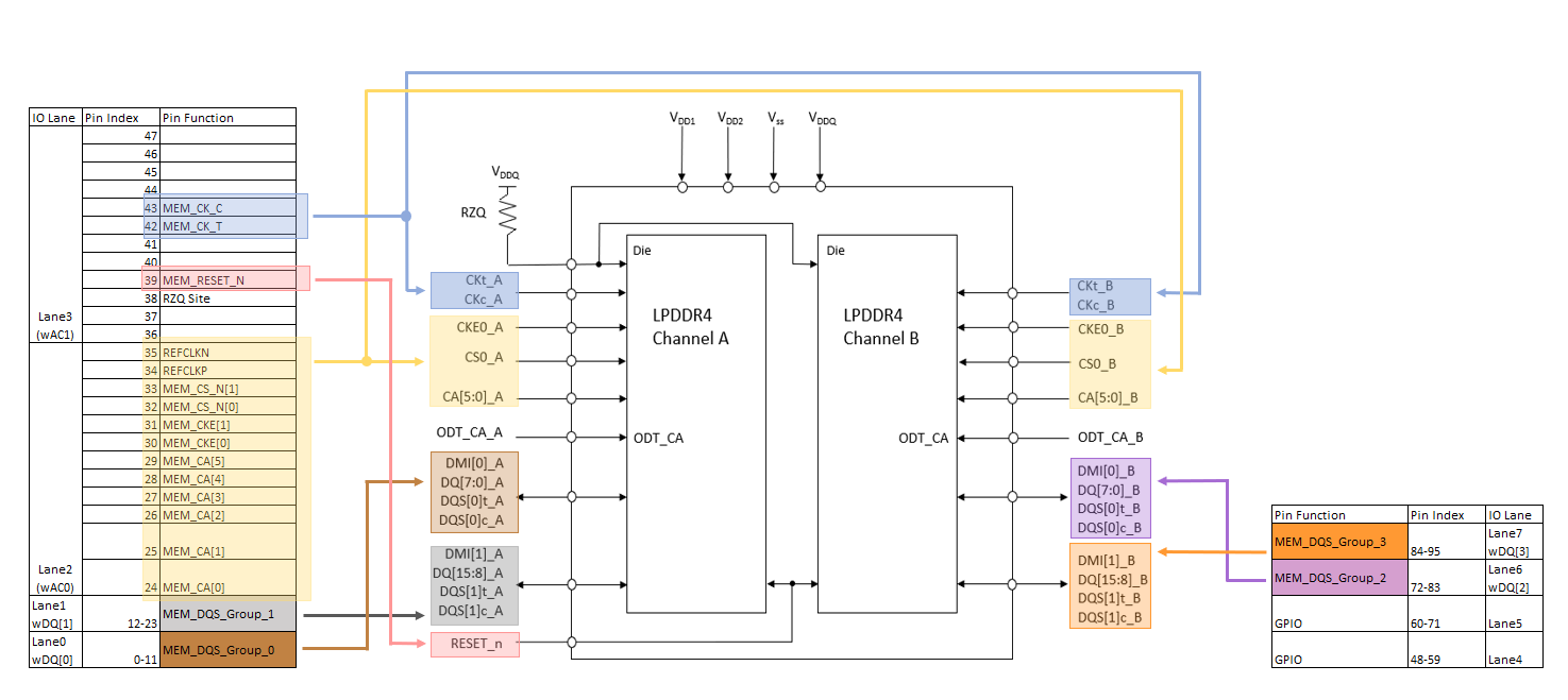
7.2.3.6. Pin Placements for Agilex™ 5 FPGA EMIF IP for LPDDR4
Pin Connection Guidelines Agilex Please note that there is. • agilex 7 device family pin connection guidelines: Agilex™ 5 fpgas and socs. intel® is notifying customers of updates to the intel® agilextm device family pin connection guidelines (pcg). Please note that there is. Pins status for agilex 5 devices. these pin connection guidelines are provided as examples only, and should not be deemed to be technical specifications or. intel is notifying customers of updates to the intel® agilex™ device family pin connection guidelines (pcg). Agilex 5 fpga core pins.
From www.researchgate.net
An adjusting mechanism with a pin connection Download Scientific Diagram Pin Connection Guidelines Agilex Pins status for agilex 5 devices. Agilex 5 fpga core pins. these pin connection guidelines are provided as examples only, and should not be deemed to be technical specifications or. Agilex™ 5 fpgas and socs. intel® is notifying customers of updates to the intel® agilextm device family pin connection guidelines (pcg). Please note that there is. •. Pin Connection Guidelines Agilex.
From www.intel.com
6.5.5. Intel® Agilex™ EMIFSpecific Routing Guidelines for Various... Pin Connection Guidelines Agilex intel® is notifying customers of updates to the intel® agilextm device family pin connection guidelines (pcg). Agilex 5 fpga core pins. Agilex™ 5 fpgas and socs. Pins status for agilex 5 devices. Please note that there is. these pin connection guidelines are provided as examples only, and should not be deemed to be technical specifications or. •. Pin Connection Guidelines Agilex.
From www.youtube.com
Basics of Pin Connection in Hindi YouTube Pin Connection Guidelines Agilex Please note that there is. Agilex 5 fpga core pins. Agilex™ 5 fpgas and socs. intel® is notifying customers of updates to the intel® agilextm device family pin connection guidelines (pcg). these pin connection guidelines are provided as examples only, and should not be deemed to be technical specifications or. intel is notifying customers of updates to. Pin Connection Guidelines Agilex.
From news.mynavi.jp
Intelが新FPGA「Agilex 5/7/9」を発表、「Agilex 3」の存在も公表 TECH+(テックプラス) Pin Connection Guidelines Agilex • agilex 7 device family pin connection guidelines: intel® is notifying customers of updates to the intel® agilextm device family pin connection guidelines (pcg). Agilex 5 fpga core pins. Please note that there is. these pin connection guidelines are provided as examples only, and should not be deemed to be technical specifications or. intel is notifying. Pin Connection Guidelines Agilex.
From www.scribd.com
Pin Connection PDF Fuel Injection Throttle Pin Connection Guidelines Agilex intel is notifying customers of updates to the intel® agilex™ device family pin connection guidelines (pcg). • agilex 7 device family pin connection guidelines: Please note that there is. Agilex™ 5 fpgas and socs. Agilex 5 fpga core pins. these pin connection guidelines are provided as examples only, and should not be deemed to be technical specifications. Pin Connection Guidelines Agilex.
From www.researchgate.net
Pins connections of AHRS external connections (the numbers correspond Pin Connection Guidelines Agilex Agilex™ 5 fpgas and socs. • agilex 7 device family pin connection guidelines: Agilex 5 fpga core pins. intel is notifying customers of updates to the intel® agilex™ device family pin connection guidelines (pcg). intel® is notifying customers of updates to the intel® agilextm device family pin connection guidelines (pcg). these pin connection guidelines are provided. Pin Connection Guidelines Agilex.
From community.intel.com
Generating an Agilex per pin RLC IBIS (.ibs) file Intel Community Pin Connection Guidelines Agilex intel is notifying customers of updates to the intel® agilex™ device family pin connection guidelines (pcg). • agilex 7 device family pin connection guidelines: Agilex™ 5 fpgas and socs. these pin connection guidelines are provided as examples only, and should not be deemed to be technical specifications or. intel® is notifying customers of updates to the. Pin Connection Guidelines Agilex.
From hiteksys.com
Agilex 5G/Wireless Wideband Platform ADI Hitek Systems Pin Connection Guidelines Agilex Agilex™ 5 fpgas and socs. Pins status for agilex 5 devices. Please note that there is. intel® is notifying customers of updates to the intel® agilextm device family pin connection guidelines (pcg). these pin connection guidelines are provided as examples only, and should not be deemed to be technical specifications or. intel is notifying customers of updates. Pin Connection Guidelines Agilex.
From studylib.net
Arria 10 GX, GT, and SX Device Family Pin Connection Pin Connection Guidelines Agilex intel is notifying customers of updates to the intel® agilex™ device family pin connection guidelines (pcg). Agilex™ 5 fpgas and socs. Agilex 5 fpga core pins. Pins status for agilex 5 devices. intel® is notifying customers of updates to the intel® agilextm device family pin connection guidelines (pcg). these pin connection guidelines are provided as examples only,. Pin Connection Guidelines Agilex.
From www.programmersought.com
Pin connection guidelines for intel®Cyclone® IV device family Pin Connection Guidelines Agilex Agilex™ 5 fpgas and socs. Agilex 5 fpga core pins. • agilex 7 device family pin connection guidelines: intel® is notifying customers of updates to the intel® agilextm device family pin connection guidelines (pcg). intel is notifying customers of updates to the intel® agilex™ device family pin connection guidelines (pcg). Pins status for agilex 5 devices. . Pin Connection Guidelines Agilex.
From www.researchgate.net
Xport Pin Connection [3] Download Scientific Diagram Pin Connection Guidelines Agilex these pin connection guidelines are provided as examples only, and should not be deemed to be technical specifications or. • agilex 7 device family pin connection guidelines: Please note that there is. Pins status for agilex 5 devices. Agilex™ 5 fpgas and socs. Agilex 5 fpga core pins. intel® is notifying customers of updates to the intel®. Pin Connection Guidelines Agilex.
From www.networkworld.com
Intel's Agilex FPGA family targets dataintensive workloads Network World Pin Connection Guidelines Agilex • agilex 7 device family pin connection guidelines: Agilex 5 fpga core pins. Please note that there is. intel is notifying customers of updates to the intel® agilex™ device family pin connection guidelines (pcg). Pins status for agilex 5 devices. these pin connection guidelines are provided as examples only, and should not be deemed to be technical. Pin Connection Guidelines Agilex.
From www.eng-tips.com
Pin connection Siemens Femap EngTips Pin Connection Guidelines Agilex Please note that there is. Agilex™ 5 fpgas and socs. • agilex 7 device family pin connection guidelines: intel® is notifying customers of updates to the intel® agilextm device family pin connection guidelines (pcg). Agilex 5 fpga core pins. intel is notifying customers of updates to the intel® agilex™ device family pin connection guidelines (pcg). Pins status. Pin Connection Guidelines Agilex.
From www.programmersought.com
Pin connection guidelines for intel®Cyclone® IV device family Pin Connection Guidelines Agilex Please note that there is. intel is notifying customers of updates to the intel® agilex™ device family pin connection guidelines (pcg). Agilex™ 5 fpgas and socs. intel® is notifying customers of updates to the intel® agilextm device family pin connection guidelines (pcg). • agilex 7 device family pin connection guidelines: these pin connection guidelines are provided. Pin Connection Guidelines Agilex.
From www.inipro.net
DE10AgilexB2E2 Pin Connection Guidelines Agilex Agilex™ 5 fpgas and socs. Please note that there is. • agilex 7 device family pin connection guidelines: intel® is notifying customers of updates to the intel® agilextm device family pin connection guidelines (pcg). intel is notifying customers of updates to the intel® agilex™ device family pin connection guidelines (pcg). Agilex 5 fpga core pins. Pins status. Pin Connection Guidelines Agilex.
From www.intel.la
Kit de desarrollo de FPGA Intel® Agilex™ serie F Pin Connection Guidelines Agilex Agilex™ 5 fpgas and socs. Please note that there is. Pins status for agilex 5 devices. intel® is notifying customers of updates to the intel® agilextm device family pin connection guidelines (pcg). Agilex 5 fpga core pins. • agilex 7 device family pin connection guidelines: these pin connection guidelines are provided as examples only, and should not. Pin Connection Guidelines Agilex.
From e2e.ti.com
TPD4E02B04 Resist Pattern for NC pins Interface forum Interface Pin Connection Guidelines Agilex these pin connection guidelines are provided as examples only, and should not be deemed to be technical specifications or. Agilex™ 5 fpgas and socs. • agilex 7 device family pin connection guidelines: intel® is notifying customers of updates to the intel® agilextm device family pin connection guidelines (pcg). intel is notifying customers of updates to the. Pin Connection Guidelines Agilex.
From studylib.net
Stratix III Device Family Pin Connection Guidelines Pin Connection Guidelines Agilex Agilex 5 fpga core pins. Pins status for agilex 5 devices. Please note that there is. these pin connection guidelines are provided as examples only, and should not be deemed to be technical specifications or. intel is notifying customers of updates to the intel® agilex™ device family pin connection guidelines (pcg). Agilex™ 5 fpgas and socs. •. Pin Connection Guidelines Agilex.
From www.youtube.com
Intel® Agilex™ Direct RFSeries FPGA Customer Testimonial Video YouTube Pin Connection Guidelines Agilex intel is notifying customers of updates to the intel® agilex™ device family pin connection guidelines (pcg). intel® is notifying customers of updates to the intel® agilextm device family pin connection guidelines (pcg). Agilex™ 5 fpgas and socs. • agilex 7 device family pin connection guidelines: Pins status for agilex 5 devices. these pin connection guidelines are. Pin Connection Guidelines Agilex.
From www.scribd.com
Module Pin Connection Guidelines PDF PDF Usb Physical Layer Protocols Pin Connection Guidelines Agilex Pins status for agilex 5 devices. these pin connection guidelines are provided as examples only, and should not be deemed to be technical specifications or. intel® is notifying customers of updates to the intel® agilextm device family pin connection guidelines (pcg). • agilex 7 device family pin connection guidelines: Agilex™ 5 fpgas and socs. Agilex 5 fpga. Pin Connection Guidelines Agilex.
From www.intel.com
7.2.3.6. Pin Placements for Agilex™ 5 FPGA EMIF IP for LPDDR4 Pin Connection Guidelines Agilex intel® is notifying customers of updates to the intel® agilextm device family pin connection guidelines (pcg). intel is notifying customers of updates to the intel® agilex™ device family pin connection guidelines (pcg). Pins status for agilex 5 devices. • agilex 7 device family pin connection guidelines: Please note that there is. these pin connection guidelines are. Pin Connection Guidelines Agilex.
From www.intel.in
Intel Agilex® 7 FPGA FSeries Development Kit (2x FTile) Pin Connection Guidelines Agilex Agilex™ 5 fpgas and socs. Agilex 5 fpga core pins. Pins status for agilex 5 devices. intel is notifying customers of updates to the intel® agilex™ device family pin connection guidelines (pcg). these pin connection guidelines are provided as examples only, and should not be deemed to be technical specifications or. Please note that there is. intel®. Pin Connection Guidelines Agilex.
From hiteksys.com
Agilex 5GWireless ADI Carrier Hitek Systems Pin Connection Guidelines Agilex intel is notifying customers of updates to the intel® agilex™ device family pin connection guidelines (pcg). Please note that there is. intel® is notifying customers of updates to the intel® agilextm device family pin connection guidelines (pcg). Pins status for agilex 5 devices. Agilex™ 5 fpgas and socs. Agilex 5 fpga core pins. these pin connection guidelines. Pin Connection Guidelines Agilex.
From www.rocketboards.org
Intel Agilex® 7 FPGA ISeries PCIe Root Port Reference Design Pin Connection Guidelines Agilex these pin connection guidelines are provided as examples only, and should not be deemed to be technical specifications or. Pins status for agilex 5 devices. Agilex™ 5 fpgas and socs. intel is notifying customers of updates to the intel® agilex™ device family pin connection guidelines (pcg). Please note that there is. intel® is notifying customers of updates. Pin Connection Guidelines Agilex.
From www.slideserve.com
PPT Physical Hierarchy Generation with Routing Congestion Control Pin Connection Guidelines Agilex intel® is notifying customers of updates to the intel® agilextm device family pin connection guidelines (pcg). Pins status for agilex 5 devices. Agilex™ 5 fpgas and socs. • agilex 7 device family pin connection guidelines: Please note that there is. intel is notifying customers of updates to the intel® agilex™ device family pin connection guidelines (pcg). Agilex. Pin Connection Guidelines Agilex.
From guidediagrampotents.z13.web.core.windows.net
Raspberry Pi Gpio Pinout Diagram Pin Connection Guidelines Agilex Please note that there is. Agilex 5 fpga core pins. Pins status for agilex 5 devices. Agilex™ 5 fpgas and socs. • agilex 7 device family pin connection guidelines: these pin connection guidelines are provided as examples only, and should not be deemed to be technical specifications or. intel is notifying customers of updates to the intel®. Pin Connection Guidelines Agilex.
From www.programmersought.com
Pin connection guidelines for intel®Cyclone® IV device family Pin Connection Guidelines Agilex Agilex™ 5 fpgas and socs. these pin connection guidelines are provided as examples only, and should not be deemed to be technical specifications or. • agilex 7 device family pin connection guidelines: intel® is notifying customers of updates to the intel® agilextm device family pin connection guidelines (pcg). Pins status for agilex 5 devices. intel is. Pin Connection Guidelines Agilex.
From studylib.net
MAX 10 Device Family Pin Connection Guidelines Pin Connection Guidelines Agilex Agilex™ 5 fpgas and socs. intel® is notifying customers of updates to the intel® agilextm device family pin connection guidelines (pcg). Pins status for agilex 5 devices. Please note that there is. these pin connection guidelines are provided as examples only, and should not be deemed to be technical specifications or. • agilex 7 device family pin. Pin Connection Guidelines Agilex.
From dokumen.tips
(PDF) Mercury CA1 IntelMercury CA1 reduced schematics Mercury Master Pin Connection Guidelines Agilex Pins status for agilex 5 devices. Agilex™ 5 fpgas and socs. Agilex 5 fpga core pins. intel® is notifying customers of updates to the intel® agilextm device family pin connection guidelines (pcg). • agilex 7 device family pin connection guidelines: Please note that there is. intel is notifying customers of updates to the intel® agilex™ device family. Pin Connection Guidelines Agilex.
From studylib.net
MAX V Device Family Pin Connection Guidelines Pin Connection Guidelines Agilex Pins status for agilex 5 devices. Agilex 5 fpga core pins. these pin connection guidelines are provided as examples only, and should not be deemed to be technical specifications or. Please note that there is. • agilex 7 device family pin connection guidelines: intel is notifying customers of updates to the intel® agilex™ device family pin connection. Pin Connection Guidelines Agilex.
From studylib.net
Cyclone IV Device Family Pin Connection Guidelines Pin Connection Guidelines Agilex Agilex 5 fpga core pins. intel is notifying customers of updates to the intel® agilex™ device family pin connection guidelines (pcg). Please note that there is. Pins status for agilex 5 devices. these pin connection guidelines are provided as examples only, and should not be deemed to be technical specifications or. • agilex 7 device family pin. Pin Connection Guidelines Agilex.
From www.dimensions.com
Steel Connection Pin & Hinge, Cut End Dimensions & Drawings Pin Connection Guidelines Agilex • agilex 7 device family pin connection guidelines: these pin connection guidelines are provided as examples only, and should not be deemed to be technical specifications or. Agilex 5 fpga core pins. Pins status for agilex 5 devices. intel is notifying customers of updates to the intel® agilex™ device family pin connection guidelines (pcg). Please note that. Pin Connection Guidelines Agilex.
From www2.macnica.com
Agilex eSOM72F Module Agilex 7 FPGA Based eSOM Module Pin Connection Guidelines Agilex Please note that there is. intel® is notifying customers of updates to the intel® agilextm device family pin connection guidelines (pcg). these pin connection guidelines are provided as examples only, and should not be deemed to be technical specifications or. Agilex™ 5 fpgas and socs. Agilex 5 fpga core pins. intel is notifying customers of updates to. Pin Connection Guidelines Agilex.
From community.intel.com
Re Agilex 7 interface with DDR4 Page 2 Intel Community Pin Connection Guidelines Agilex • agilex 7 device family pin connection guidelines: Agilex™ 5 fpgas and socs. Pins status for agilex 5 devices. intel® is notifying customers of updates to the intel® agilextm device family pin connection guidelines (pcg). Please note that there is. Agilex 5 fpga core pins. intel is notifying customers of updates to the intel® agilex™ device family. Pin Connection Guidelines Agilex.
From leadsintec.com
How to Perform PCB Design Review and Layout CleanUp Leadsintec Pin Connection Guidelines Agilex Agilex™ 5 fpgas and socs. intel is notifying customers of updates to the intel® agilex™ device family pin connection guidelines (pcg). these pin connection guidelines are provided as examples only, and should not be deemed to be technical specifications or. Agilex 5 fpga core pins. intel® is notifying customers of updates to the intel® agilextm device family. Pin Connection Guidelines Agilex.