Temperature Sensor Circuit Simple . Learn how to use temperature sensor with arduino, how to connect ds18b20 temperature sensor to arduino, how to program arduino step by step. As a temperature sensor, the circuit will read the temperature of the surrounding environment and relay this temperature to us back in degrees kelvin. So, in this tutorial, we will design a simple temperature sensor circuit using the lm35 ic. The circuit below is a simple temperature sensor using a 1n4148 diode. If the temperature rises to a particular level the. The arduino temperature sensor can accurately predict the temperature value up to 0.5 0 c values. Here is a simple temperature sensor circuit or heat sensor circuit. This circuit uses very few and basic components which can. But first, let’s get ourselves a steady. The detail instruction, code, wiring. I want to build a thermistor temp sensor using arduino (as in above circuit) but then need to convert measured. Then the middle pin will have an analog voltage that is directly.
from www.circuitdiagram.co
The detail instruction, code, wiring. The circuit below is a simple temperature sensor using a 1n4148 diode. The arduino temperature sensor can accurately predict the temperature value up to 0.5 0 c values. As a temperature sensor, the circuit will read the temperature of the surrounding environment and relay this temperature to us back in degrees kelvin. This circuit uses very few and basic components which can. Learn how to use temperature sensor with arduino, how to connect ds18b20 temperature sensor to arduino, how to program arduino step by step. Then the middle pin will have an analog voltage that is directly. But first, let’s get ourselves a steady. If the temperature rises to a particular level the. So, in this tutorial, we will design a simple temperature sensor circuit using the lm35 ic.
Simple Temperature Sensor Circuit Diagram Circuit Diagram
Temperature Sensor Circuit Simple Here is a simple temperature sensor circuit or heat sensor circuit. As a temperature sensor, the circuit will read the temperature of the surrounding environment and relay this temperature to us back in degrees kelvin. The detail instruction, code, wiring. Then the middle pin will have an analog voltage that is directly. So, in this tutorial, we will design a simple temperature sensor circuit using the lm35 ic. The arduino temperature sensor can accurately predict the temperature value up to 0.5 0 c values. Learn how to use temperature sensor with arduino, how to connect ds18b20 temperature sensor to arduino, how to program arduino step by step. If the temperature rises to a particular level the. This circuit uses very few and basic components which can. I want to build a thermistor temp sensor using arduino (as in above circuit) but then need to convert measured. Here is a simple temperature sensor circuit or heat sensor circuit. The circuit below is a simple temperature sensor using a 1n4148 diode. But first, let’s get ourselves a steady.
From www.circuits-diy.com
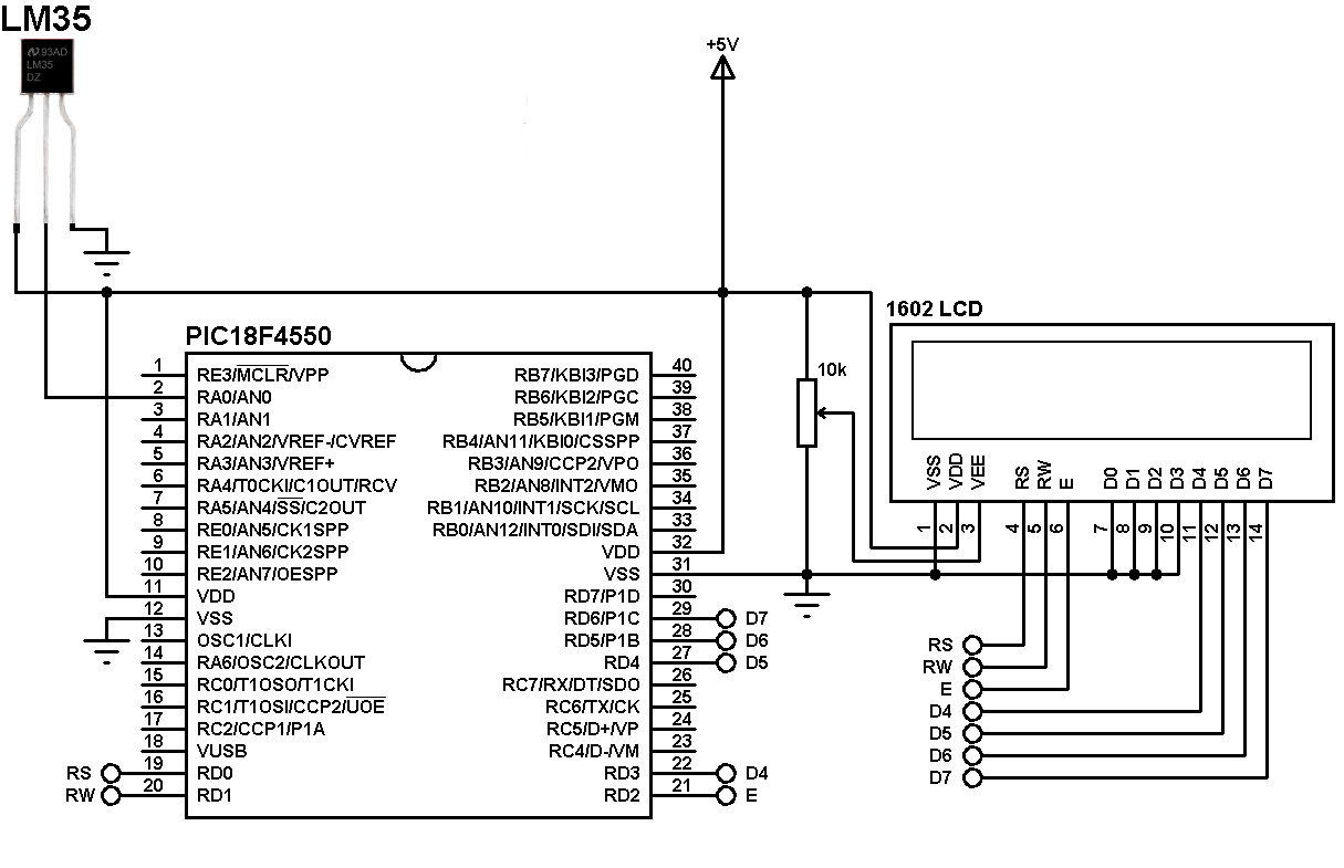
Interface LM35 Temperature Sensor with Arduino Temperature Sensor Circuit Simple Here is a simple temperature sensor circuit or heat sensor circuit. Learn how to use temperature sensor with arduino, how to connect ds18b20 temperature sensor to arduino, how to program arduino step by step. Then the middle pin will have an analog voltage that is directly. So, in this tutorial, we will design a simple temperature sensor circuit using the. Temperature Sensor Circuit Simple.
From schematicwiringdaecher.z19.web.core.windows.net
Digital Temperature Sensor Circuit Diagram Temperature Sensor Circuit Simple If the temperature rises to a particular level the. I want to build a thermistor temp sensor using arduino (as in above circuit) but then need to convert measured. As a temperature sensor, the circuit will read the temperature of the surrounding environment and relay this temperature to us back in degrees kelvin. The circuit below is a simple temperature. Temperature Sensor Circuit Simple.
From streampowers.blogspot.com
Simple Temperature Sensor Circuit using 1N4148 diode Electronic Temperature Sensor Circuit Simple The arduino temperature sensor can accurately predict the temperature value up to 0.5 0 c values. The circuit below is a simple temperature sensor using a 1n4148 diode. Here is a simple temperature sensor circuit or heat sensor circuit. If the temperature rises to a particular level the. This circuit uses very few and basic components which can. So, in. Temperature Sensor Circuit Simple.
From www.circuits-diy.com
Heat Sensor Circuit using Thermistor Temperature Sensor Circuit Simple Then the middle pin will have an analog voltage that is directly. But first, let’s get ourselves a steady. The circuit below is a simple temperature sensor using a 1n4148 diode. This circuit uses very few and basic components which can. Here is a simple temperature sensor circuit or heat sensor circuit. So, in this tutorial, we will design a. Temperature Sensor Circuit Simple.
From www.circuits-diy.com
Temperature Sensor Relay Switch Circuit Temperature Sensor Circuit Simple The circuit below is a simple temperature sensor using a 1n4148 diode. If the temperature rises to a particular level the. This circuit uses very few and basic components which can. I want to build a thermistor temp sensor using arduino (as in above circuit) but then need to convert measured. Learn how to use temperature sensor with arduino, how. Temperature Sensor Circuit Simple.
From mungfali.com
Simple Temperature Sensor Circuit Using Lm35 Ic C35 Temperature Sensor Circuit Simple The detail instruction, code, wiring. The circuit below is a simple temperature sensor using a 1n4148 diode. I want to build a thermistor temp sensor using arduino (as in above circuit) but then need to convert measured. Learn how to use temperature sensor with arduino, how to connect ds18b20 temperature sensor to arduino, how to program arduino step by step.. Temperature Sensor Circuit Simple.
From www.youtube.com
How to make temperature sensor circuit fan control at home thermistor Temperature Sensor Circuit Simple The circuit below is a simple temperature sensor using a 1n4148 diode. But first, let’s get ourselves a steady. Here is a simple temperature sensor circuit or heat sensor circuit. The arduino temperature sensor can accurately predict the temperature value up to 0.5 0 c values. So, in this tutorial, we will design a simple temperature sensor circuit using the. Temperature Sensor Circuit Simple.
From www.circuitdiagram.co
Simple Temperature Sensor Circuit Diagram Circuit Diagram Temperature Sensor Circuit Simple Here is a simple temperature sensor circuit or heat sensor circuit. But first, let’s get ourselves a steady. Learn how to use temperature sensor with arduino, how to connect ds18b20 temperature sensor to arduino, how to program arduino step by step. As a temperature sensor, the circuit will read the temperature of the surrounding environment and relay this temperature to. Temperature Sensor Circuit Simple.
From mungfali.com
Simple Temperature Sensor Circuit Using Lm35 Ic C35 Temperature Sensor Circuit Simple I want to build a thermistor temp sensor using arduino (as in above circuit) but then need to convert measured. If the temperature rises to a particular level the. Learn how to use temperature sensor with arduino, how to connect ds18b20 temperature sensor to arduino, how to program arduino step by step. The detail instruction, code, wiring. The arduino temperature. Temperature Sensor Circuit Simple.
From circuitsdiagram-lab.blogspot.com
Simple Temperature Sensor Circuit Diagram Circuits Diagram Lab Temperature Sensor Circuit Simple Then the middle pin will have an analog voltage that is directly. The arduino temperature sensor can accurately predict the temperature value up to 0.5 0 c values. This circuit uses very few and basic components which can. But first, let’s get ourselves a steady. If the temperature rises to a particular level the. Here is a simple temperature sensor. Temperature Sensor Circuit Simple.
From www.elcircuit.com
Basic LM35 temperature sensor circuit Electronic Circuit Temperature Sensor Circuit Simple So, in this tutorial, we will design a simple temperature sensor circuit using the lm35 ic. Then the middle pin will have an analog voltage that is directly. I want to build a thermistor temp sensor using arduino (as in above circuit) but then need to convert measured. But first, let’s get ourselves a steady. The circuit below is a. Temperature Sensor Circuit Simple.
From www.hackatronic.com
Arduino with temperature sensor Interfacing LCD and LM35 Temperature Sensor Circuit Simple The detail instruction, code, wiring. But first, let’s get ourselves a steady. The circuit below is a simple temperature sensor using a 1n4148 diode. So, in this tutorial, we will design a simple temperature sensor circuit using the lm35 ic. As a temperature sensor, the circuit will read the temperature of the surrounding environment and relay this temperature to us. Temperature Sensor Circuit Simple.
From www.youtube.com
Temperature Sensor Circuit..Simple Heat Sensor Science Project.. YouTube Temperature Sensor Circuit Simple This circuit uses very few and basic components which can. The arduino temperature sensor can accurately predict the temperature value up to 0.5 0 c values. As a temperature sensor, the circuit will read the temperature of the surrounding environment and relay this temperature to us back in degrees kelvin. Here is a simple temperature sensor circuit or heat sensor. Temperature Sensor Circuit Simple.
From www.youtube.com
How To Make Simple Temperature Sensor Circuit.Simple Heat Sensor Temperature Sensor Circuit Simple Learn how to use temperature sensor with arduino, how to connect ds18b20 temperature sensor to arduino, how to program arduino step by step. This circuit uses very few and basic components which can. I want to build a thermistor temp sensor using arduino (as in above circuit) but then need to convert measured. If the temperature rises to a particular. Temperature Sensor Circuit Simple.
From circuitwiringkoran77.z21.web.core.windows.net
Simple Temperature Sensor Circuit Diagram Temperature Sensor Circuit Simple I want to build a thermistor temp sensor using arduino (as in above circuit) but then need to convert measured. So, in this tutorial, we will design a simple temperature sensor circuit using the lm35 ic. Learn how to use temperature sensor with arduino, how to connect ds18b20 temperature sensor to arduino, how to program arduino step by step. If. Temperature Sensor Circuit Simple.
From www.youtube.com
How To make Low Cost Temperature Sensor Circuit Homemade YouTube Temperature Sensor Circuit Simple Learn how to use temperature sensor with arduino, how to connect ds18b20 temperature sensor to arduino, how to program arduino step by step. As a temperature sensor, the circuit will read the temperature of the surrounding environment and relay this temperature to us back in degrees kelvin. Then the middle pin will have an analog voltage that is directly. This. Temperature Sensor Circuit Simple.
From www.youtube.com
How to make temperature sensor circuit using thermistor YouTube Temperature Sensor Circuit Simple The detail instruction, code, wiring. The circuit below is a simple temperature sensor using a 1n4148 diode. Learn how to use temperature sensor with arduino, how to connect ds18b20 temperature sensor to arduino, how to program arduino step by step. So, in this tutorial, we will design a simple temperature sensor circuit using the lm35 ic. But first, let’s get. Temperature Sensor Circuit Simple.
From www.circuits-diy.com
Simple Temperature Sensor Circuit using LM35 IC Temperature Sensor Circuit Simple This circuit uses very few and basic components which can. But first, let’s get ourselves a steady. The circuit below is a simple temperature sensor using a 1n4148 diode. Then the middle pin will have an analog voltage that is directly. I want to build a thermistor temp sensor using arduino (as in above circuit) but then need to convert. Temperature Sensor Circuit Simple.
From wiringlibraryeric.z19.web.core.windows.net
Simple Temperature Circuit Diagram Temperature Sensor Circuit Simple But first, let’s get ourselves a steady. As a temperature sensor, the circuit will read the temperature of the surrounding environment and relay this temperature to us back in degrees kelvin. If the temperature rises to a particular level the. Learn how to use temperature sensor with arduino, how to connect ds18b20 temperature sensor to arduino, how to program arduino. Temperature Sensor Circuit Simple.
From projectiot123.com
lm35 temperature sensor working principle circuit diagram arduino code Temperature Sensor Circuit Simple So, in this tutorial, we will design a simple temperature sensor circuit using the lm35 ic. If the temperature rises to a particular level the. But first, let’s get ourselves a steady. Then the middle pin will have an analog voltage that is directly. The detail instruction, code, wiring. I want to build a thermistor temp sensor using arduino (as. Temperature Sensor Circuit Simple.
From www.youtube.com
How to Make Temperature Sensor Switch Circuit using Thermistor YouTube Temperature Sensor Circuit Simple Learn how to use temperature sensor with arduino, how to connect ds18b20 temperature sensor to arduino, how to program arduino step by step. Here is a simple temperature sensor circuit or heat sensor circuit. As a temperature sensor, the circuit will read the temperature of the surrounding environment and relay this temperature to us back in degrees kelvin. The detail. Temperature Sensor Circuit Simple.
From www.youtube.com
How to make temperature sensor circuit fan control at home / how Temperature Sensor Circuit Simple The arduino temperature sensor can accurately predict the temperature value up to 0.5 0 c values. Learn how to use temperature sensor with arduino, how to connect ds18b20 temperature sensor to arduino, how to program arduino step by step. I want to build a thermistor temp sensor using arduino (as in above circuit) but then need to convert measured. Then. Temperature Sensor Circuit Simple.
From www.youtube.com
How to Make Temperature Sensor Circuit?(Utsource) YouTube Temperature Sensor Circuit Simple If the temperature rises to a particular level the. So, in this tutorial, we will design a simple temperature sensor circuit using the lm35 ic. The arduino temperature sensor can accurately predict the temperature value up to 0.5 0 c values. I want to build a thermistor temp sensor using arduino (as in above circuit) but then need to convert. Temperature Sensor Circuit Simple.
From www.circuits-diy.com
Temperature Control Circuit Using 555 IC Temperature Sensor Circuit Simple The detail instruction, code, wiring. As a temperature sensor, the circuit will read the temperature of the surrounding environment and relay this temperature to us back in degrees kelvin. Learn how to use temperature sensor with arduino, how to connect ds18b20 temperature sensor to arduino, how to program arduino step by step. If the temperature rises to a particular level. Temperature Sensor Circuit Simple.
From www.eleccircuit.com
Temperature detector circuit Electronic projects circuits Temperature Sensor Circuit Simple The arduino temperature sensor can accurately predict the temperature value up to 0.5 0 c values. If the temperature rises to a particular level the. The circuit below is a simple temperature sensor using a 1n4148 diode. So, in this tutorial, we will design a simple temperature sensor circuit using the lm35 ic. I want to build a thermistor temp. Temperature Sensor Circuit Simple.
From www.circuits-diy.com
Simple Heat Sensor Circuit Temperature Sensor Circuit Simple As a temperature sensor, the circuit will read the temperature of the surrounding environment and relay this temperature to us back in degrees kelvin. I want to build a thermistor temp sensor using arduino (as in above circuit) but then need to convert measured. But first, let’s get ourselves a steady. Here is a simple temperature sensor circuit or heat. Temperature Sensor Circuit Simple.
From rillityworwayfqschematic.z21.web.core.windows.net
Temperature Sensor Interface With Arduino Temperature Sensor Circuit Simple The detail instruction, code, wiring. Then the middle pin will have an analog voltage that is directly. I want to build a thermistor temp sensor using arduino (as in above circuit) but then need to convert measured. The circuit below is a simple temperature sensor using a 1n4148 diode. The arduino temperature sensor can accurately predict the temperature value up. Temperature Sensor Circuit Simple.
From simple-circuit.com
Arduino and LM35 temperature sensor interfacing Simple Projects Temperature Sensor Circuit Simple This circuit uses very few and basic components which can. If the temperature rises to a particular level the. Here is a simple temperature sensor circuit or heat sensor circuit. The detail instruction, code, wiring. So, in this tutorial, we will design a simple temperature sensor circuit using the lm35 ic. The arduino temperature sensor can accurately predict the temperature. Temperature Sensor Circuit Simple.
From theorycircuit.com
Heat Sensor Circuit Temperature Sensor Circuit Simple So, in this tutorial, we will design a simple temperature sensor circuit using the lm35 ic. But first, let’s get ourselves a steady. If the temperature rises to a particular level the. Learn how to use temperature sensor with arduino, how to connect ds18b20 temperature sensor to arduino, how to program arduino step by step. The detail instruction, code, wiring.. Temperature Sensor Circuit Simple.
From www.colegiosantainescampestre.edu.co
Simple Temperature Sensor Circuit Using LM35 IC, 42 OFF Temperature Sensor Circuit Simple Here is a simple temperature sensor circuit or heat sensor circuit. So, in this tutorial, we will design a simple temperature sensor circuit using the lm35 ic. The arduino temperature sensor can accurately predict the temperature value up to 0.5 0 c values. This circuit uses very few and basic components which can. Learn how to use temperature sensor with. Temperature Sensor Circuit Simple.
From www.circuits-diy.com
What is an RTD Temperature Sensor? Working & Application Temperature Sensor Circuit Simple The arduino temperature sensor can accurately predict the temperature value up to 0.5 0 c values. Then the middle pin will have an analog voltage that is directly. Here is a simple temperature sensor circuit or heat sensor circuit. If the temperature rises to a particular level the. I want to build a thermistor temp sensor using arduino (as in. Temperature Sensor Circuit Simple.
From www.colegiosantainescampestre.edu.co
Simple Temperature Sensor Circuit Using LM35 IC, 42 OFF Temperature Sensor Circuit Simple But first, let’s get ourselves a steady. Learn how to use temperature sensor with arduino, how to connect ds18b20 temperature sensor to arduino, how to program arduino step by step. Here is a simple temperature sensor circuit or heat sensor circuit. If the temperature rises to a particular level the. So, in this tutorial, we will design a simple temperature. Temperature Sensor Circuit Simple.
From wiring89.blogspot.com
Thermistor Temperature Sensor Wiring Diagram Complete Wiring Schemas Temperature Sensor Circuit Simple Learn how to use temperature sensor with arduino, how to connect ds18b20 temperature sensor to arduino, how to program arduino step by step. If the temperature rises to a particular level the. Then the middle pin will have an analog voltage that is directly. As a temperature sensor, the circuit will read the temperature of the surrounding environment and relay. Temperature Sensor Circuit Simple.
From www.youtube.com
How to make Temperature sensor circuit using thermistor YouTube Temperature Sensor Circuit Simple This circuit uses very few and basic components which can. I want to build a thermistor temp sensor using arduino (as in above circuit) but then need to convert measured. If the temperature rises to a particular level the. But first, let’s get ourselves a steady. So, in this tutorial, we will design a simple temperature sensor circuit using the. Temperature Sensor Circuit Simple.
From www.circuits-diy.com
Temperature Sensor with LCD Arduino Tutorial Temperature Sensor Circuit Simple Learn how to use temperature sensor with arduino, how to connect ds18b20 temperature sensor to arduino, how to program arduino step by step. I want to build a thermistor temp sensor using arduino (as in above circuit) but then need to convert measured. Then the middle pin will have an analog voltage that is directly. This circuit uses very few. Temperature Sensor Circuit Simple.