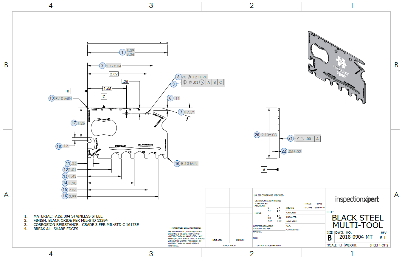
Ppap Dimensional Test Results . It lists the organization, part. In this section of the ppap the supplier can record any measurements taken from the finished part. The dimensional test results document summarizes testing of a production part to verify its dimensions meet specifications. 1.1 submission of ppap production the organization shall submit ppap per ford's phased ppap, available at. Check if drawing number and revision level are. Supplier provides evidence that dimensional verifications required by the design record have been completed and results indicate. All balloons must match with numbers used in dimensional results report.
from www.youtube.com
It lists the organization, part. The dimensional test results document summarizes testing of a production part to verify its dimensions meet specifications. Supplier provides evidence that dimensional verifications required by the design record have been completed and results indicate. 1.1 submission of ppap production the organization shall submit ppap per ford's phased ppap, available at. Check if drawing number and revision level are. All balloons must match with numbers used in dimensional results report. In this section of the ppap the supplier can record any measurements taken from the finished part.
PPAP Part 10 What is dimensional result inspection report Explained in Tamil YouTube
Ppap Dimensional Test Results Supplier provides evidence that dimensional verifications required by the design record have been completed and results indicate. All balloons must match with numbers used in dimensional results report. In this section of the ppap the supplier can record any measurements taken from the finished part. It lists the organization, part. 1.1 submission of ppap production the organization shall submit ppap per ford's phased ppap, available at. The dimensional test results document summarizes testing of a production part to verify its dimensions meet specifications. Supplier provides evidence that dimensional verifications required by the design record have been completed and results indicate. Check if drawing number and revision level are.
From www.slideshare.net
PPAP Ppap Dimensional Test Results The dimensional test results document summarizes testing of a production part to verify its dimensions meet specifications. In this section of the ppap the supplier can record any measurements taken from the finished part. All balloons must match with numbers used in dimensional results report. 1.1 submission of ppap production the organization shall submit ppap per ford's phased ppap, available. Ppap Dimensional Test Results.
From www.scribd.com
4th Edition Dimensional Test Results PDF Ppap Dimensional Test Results The dimensional test results document summarizes testing of a production part to verify its dimensions meet specifications. In this section of the ppap the supplier can record any measurements taken from the finished part. All balloons must match with numbers used in dimensional results report. Check if drawing number and revision level are. It lists the organization, part. 1.1 submission. Ppap Dimensional Test Results.
From www.everythingevilink.com
30 Dimensional Inspection Report Template Ppap Dimensional Test Results In this section of the ppap the supplier can record any measurements taken from the finished part. Supplier provides evidence that dimensional verifications required by the design record have been completed and results indicate. It lists the organization, part. The dimensional test results document summarizes testing of a production part to verify its dimensions meet specifications. All balloons must match. Ppap Dimensional Test Results.
From www.scribd.com
PPAP Dimensional ResultsSample PDF Ppap Dimensional Test Results Supplier provides evidence that dimensional verifications required by the design record have been completed and results indicate. All balloons must match with numbers used in dimensional results report. The dimensional test results document summarizes testing of a production part to verify its dimensions meet specifications. 1.1 submission of ppap production the organization shall submit ppap per ford's phased ppap, available. Ppap Dimensional Test Results.
From www.slideserve.com
PPT Production Part Approval Process (PPAP) PowerPoint Presentation, free download ID443584 Ppap Dimensional Test Results In this section of the ppap the supplier can record any measurements taken from the finished part. All balloons must match with numbers used in dimensional results report. 1.1 submission of ppap production the organization shall submit ppap per ford's phased ppap, available at. Supplier provides evidence that dimensional verifications required by the design record have been completed and results. Ppap Dimensional Test Results.
From www.scribd.com
PPAP Performance Test Results PDF Ppap Dimensional Test Results Supplier provides evidence that dimensional verifications required by the design record have been completed and results indicate. The dimensional test results document summarizes testing of a production part to verify its dimensions meet specifications. It lists the organization, part. Check if drawing number and revision level are. 1.1 submission of ppap production the organization shall submit ppap per ford's phased. Ppap Dimensional Test Results.
From www.scribd.com
PPAP Dimensional Test Results PDF Specification (Technical Standard) Computing Ppap Dimensional Test Results It lists the organization, part. In this section of the ppap the supplier can record any measurements taken from the finished part. Check if drawing number and revision level are. All balloons must match with numbers used in dimensional results report. 1.1 submission of ppap production the organization shall submit ppap per ford's phased ppap, available at. The dimensional test. Ppap Dimensional Test Results.
From www.qualitybook.org
PPAP 18 Documents Elements List Ppap Dimensional Test Results In this section of the ppap the supplier can record any measurements taken from the finished part. The dimensional test results document summarizes testing of a production part to verify its dimensions meet specifications. 1.1 submission of ppap production the organization shall submit ppap per ford's phased ppap, available at. All balloons must match with numbers used in dimensional results. Ppap Dimensional Test Results.
From sixsigmadsi.com
What Are The PPAP Submission Levels? Ppap Dimensional Test Results Check if drawing number and revision level are. The dimensional test results document summarizes testing of a production part to verify its dimensions meet specifications. Supplier provides evidence that dimensional verifications required by the design record have been completed and results indicate. 1.1 submission of ppap production the organization shall submit ppap per ford's phased ppap, available at. It lists. Ppap Dimensional Test Results.
From dokumen.tips
(PDF) transmatic PPAP Review Checklist, Ppap Dimensional Test Results Check if drawing number and revision level are. Supplier provides evidence that dimensional verifications required by the design record have been completed and results indicate. All balloons must match with numbers used in dimensional results report. In this section of the ppap the supplier can record any measurements taken from the finished part. 1.1 submission of ppap production the organization. Ppap Dimensional Test Results.
From www.researchgate.net
Today´s documentbased Production Part Approval Process (PPAP) where... Download Scientific Ppap Dimensional Test Results Check if drawing number and revision level are. Supplier provides evidence that dimensional verifications required by the design record have been completed and results indicate. In this section of the ppap the supplier can record any measurements taken from the finished part. 1.1 submission of ppap production the organization shall submit ppap per ford's phased ppap, available at. It lists. Ppap Dimensional Test Results.
From keytodata.com
What is PPAP? Explanation of the 5 Levels & 18 Requirements Free Template Ppap Dimensional Test Results 1.1 submission of ppap production the organization shall submit ppap per ford's phased ppap, available at. It lists the organization, part. In this section of the ppap the supplier can record any measurements taken from the finished part. Check if drawing number and revision level are. The dimensional test results document summarizes testing of a production part to verify its. Ppap Dimensional Test Results.
From slideplayer.com
PPAP Requirements Training ppt video online download Ppap Dimensional Test Results Supplier provides evidence that dimensional verifications required by the design record have been completed and results indicate. All balloons must match with numbers used in dimensional results report. In this section of the ppap the supplier can record any measurements taken from the finished part. It lists the organization, part. 1.1 submission of ppap production the organization shall submit ppap. Ppap Dimensional Test Results.
From www.vrogue.co
Dimensional Inspection Report vrogue.co Ppap Dimensional Test Results It lists the organization, part. 1.1 submission of ppap production the organization shall submit ppap per ford's phased ppap, available at. The dimensional test results document summarizes testing of a production part to verify its dimensions meet specifications. Supplier provides evidence that dimensional verifications required by the design record have been completed and results indicate. All balloons must match with. Ppap Dimensional Test Results.
From spacenew134.weebly.com
Aiag Ppap 4th Edition Pdf spacenew Ppap Dimensional Test Results It lists the organization, part. Check if drawing number and revision level are. All balloons must match with numbers used in dimensional results report. In this section of the ppap the supplier can record any measurements taken from the finished part. Supplier provides evidence that dimensional verifications required by the design record have been completed and results indicate. The dimensional. Ppap Dimensional Test Results.
From keytodata.com
What is PPAP? Explanation of the 5 Levels & 18 Requirements Free Template Ppap Dimensional Test Results Supplier provides evidence that dimensional verifications required by the design record have been completed and results indicate. All balloons must match with numbers used in dimensional results report. Check if drawing number and revision level are. It lists the organization, part. 1.1 submission of ppap production the organization shall submit ppap per ford's phased ppap, available at. In this section. Ppap Dimensional Test Results.
From slideplayer.com
PPAP Requirements Training ppt video online download Ppap Dimensional Test Results Supplier provides evidence that dimensional verifications required by the design record have been completed and results indicate. 1.1 submission of ppap production the organization shall submit ppap per ford's phased ppap, available at. It lists the organization, part. Check if drawing number and revision level are. All balloons must match with numbers used in dimensional results report. The dimensional test. Ppap Dimensional Test Results.
From www.inspectionxpert.com
How to Create a PPAP Dimensional Results Report Ppap Dimensional Test Results Check if drawing number and revision level are. It lists the organization, part. The dimensional test results document summarizes testing of a production part to verify its dimensions meet specifications. All balloons must match with numbers used in dimensional results report. 1.1 submission of ppap production the organization shall submit ppap per ford's phased ppap, available at. Supplier provides evidence. Ppap Dimensional Test Results.
From www.semanticscholar.org
[PDF] Measurement of Effectiveness of new Products Implementation Process According to Apqp/Ppap Ppap Dimensional Test Results In this section of the ppap the supplier can record any measurements taken from the finished part. Check if drawing number and revision level are. 1.1 submission of ppap production the organization shall submit ppap per ford's phased ppap, available at. Supplier provides evidence that dimensional verifications required by the design record have been completed and results indicate. The dimensional. Ppap Dimensional Test Results.
From www.youtube.com
PPAP Part 11 What is material test report performance test report Explained in Tamil Ppap Dimensional Test Results Check if drawing number and revision level are. 1.1 submission of ppap production the organization shall submit ppap per ford's phased ppap, available at. Supplier provides evidence that dimensional verifications required by the design record have been completed and results indicate. The dimensional test results document summarizes testing of a production part to verify its dimensions meet specifications. It lists. Ppap Dimensional Test Results.
From www.youtube.com
PPAP Part 10 What is dimensional result inspection report Explained in Tamil YouTube Ppap Dimensional Test Results In this section of the ppap the supplier can record any measurements taken from the finished part. The dimensional test results document summarizes testing of a production part to verify its dimensions meet specifications. Check if drawing number and revision level are. 1.1 submission of ppap production the organization shall submit ppap per ford's phased ppap, available at. All balloons. Ppap Dimensional Test Results.
From www.inspectionxpert.com
How to Create a PPAP Dimensional Results Report Ppap Dimensional Test Results It lists the organization, part. The dimensional test results document summarizes testing of a production part to verify its dimensions meet specifications. All balloons must match with numbers used in dimensional results report. Supplier provides evidence that dimensional verifications required by the design record have been completed and results indicate. Check if drawing number and revision level are. 1.1 submission. Ppap Dimensional Test Results.
From qualityengineerstuff.com
Qualified Laboratory Documentation in PPAP with example and Quality Engineer Stuff Ppap Dimensional Test Results All balloons must match with numbers used in dimensional results report. In this section of the ppap the supplier can record any measurements taken from the finished part. Supplier provides evidence that dimensional verifications required by the design record have been completed and results indicate. 1.1 submission of ppap production the organization shall submit ppap per ford's phased ppap, available. Ppap Dimensional Test Results.
From www.slideserve.com
PPT Global Supplier Quality Manual PPAP Requirements PowerPoint Presentation ID3401359 Ppap Dimensional Test Results It lists the organization, part. All balloons must match with numbers used in dimensional results report. 1.1 submission of ppap production the organization shall submit ppap per ford's phased ppap, available at. The dimensional test results document summarizes testing of a production part to verify its dimensions meet specifications. In this section of the ppap the supplier can record any. Ppap Dimensional Test Results.
From spcgroup.com.mx
Resultados Dimensionales SPC Consulting Group Ppap Dimensional Test Results The dimensional test results document summarizes testing of a production part to verify its dimensions meet specifications. All balloons must match with numbers used in dimensional results report. Check if drawing number and revision level are. It lists the organization, part. In this section of the ppap the supplier can record any measurements taken from the finished part. 1.1 submission. Ppap Dimensional Test Results.
From www.scribd.com
PPAP Material Test Results CFG1004 PDF Ppap Dimensional Test Results It lists the organization, part. All balloons must match with numbers used in dimensional results report. Check if drawing number and revision level are. 1.1 submission of ppap production the organization shall submit ppap per ford's phased ppap, available at. In this section of the ppap the supplier can record any measurements taken from the finished part. The dimensional test. Ppap Dimensional Test Results.
From www.inspectionxpert.com
How to Create a PPAP Dimensional Results Report Ppap Dimensional Test Results All balloons must match with numbers used in dimensional results report. In this section of the ppap the supplier can record any measurements taken from the finished part. Check if drawing number and revision level are. 1.1 submission of ppap production the organization shall submit ppap per ford's phased ppap, available at. Supplier provides evidence that dimensional verifications required by. Ppap Dimensional Test Results.
From www.slideserve.com
PPT PPAP Requirements Training PowerPoint Presentation ID5612867 Ppap Dimensional Test Results Supplier provides evidence that dimensional verifications required by the design record have been completed and results indicate. Check if drawing number and revision level are. The dimensional test results document summarizes testing of a production part to verify its dimensions meet specifications. 1.1 submission of ppap production the organization shall submit ppap per ford's phased ppap, available at. In this. Ppap Dimensional Test Results.
From www.guthcad.com
PPAP Software free download create PPAP forms from PDF / CAD drawing QACAD Tutorial Ppap Dimensional Test Results In this section of the ppap the supplier can record any measurements taken from the finished part. 1.1 submission of ppap production the organization shall submit ppap per ford's phased ppap, available at. All balloons must match with numbers used in dimensional results report. It lists the organization, part. The dimensional test results document summarizes testing of a production part. Ppap Dimensional Test Results.
From info.originintl.com
PPAP Ppap Dimensional Test Results Supplier provides evidence that dimensional verifications required by the design record have been completed and results indicate. In this section of the ppap the supplier can record any measurements taken from the finished part. All balloons must match with numbers used in dimensional results report. 1.1 submission of ppap production the organization shall submit ppap per ford's phased ppap, available. Ppap Dimensional Test Results.
From www.youtube.com
How to Create a PPAP Dimensional Results Report with InspectionXpert YouTube Ppap Dimensional Test Results The dimensional test results document summarizes testing of a production part to verify its dimensions meet specifications. 1.1 submission of ppap production the organization shall submit ppap per ford's phased ppap, available at. All balloons must match with numbers used in dimensional results report. Check if drawing number and revision level are. In this section of the ppap the supplier. Ppap Dimensional Test Results.
From www.capvidia.com
MBD Production Part Approval Process Auto PPAP Process for Ballooning & Measurement Results Ppap Dimensional Test Results Supplier provides evidence that dimensional verifications required by the design record have been completed and results indicate. Check if drawing number and revision level are. It lists the organization, part. All balloons must match with numbers used in dimensional results report. The dimensional test results document summarizes testing of a production part to verify its dimensions meet specifications. In this. Ppap Dimensional Test Results.
From quality-one.com
PPAP Production Part Approval Process QualityOne Ppap Dimensional Test Results The dimensional test results document summarizes testing of a production part to verify its dimensions meet specifications. All balloons must match with numbers used in dimensional results report. Check if drawing number and revision level are. 1.1 submission of ppap production the organization shall submit ppap per ford's phased ppap, available at. Supplier provides evidence that dimensional verifications required by. Ppap Dimensional Test Results.
From www.scribd.com
PPAP Submission Levels PDF Ppap Dimensional Test Results The dimensional test results document summarizes testing of a production part to verify its dimensions meet specifications. 1.1 submission of ppap production the organization shall submit ppap per ford's phased ppap, available at. It lists the organization, part. Check if drawing number and revision level are. All balloons must match with numbers used in dimensional results report. Supplier provides evidence. Ppap Dimensional Test Results.
From es.slideshare.net
PPAP SECCION II Ppap Dimensional Test Results Check if drawing number and revision level are. It lists the organization, part. In this section of the ppap the supplier can record any measurements taken from the finished part. The dimensional test results document summarizes testing of a production part to verify its dimensions meet specifications. 1.1 submission of ppap production the organization shall submit ppap per ford's phased. Ppap Dimensional Test Results.