Tail Lights Autozone . They offer a variety of light bulbs for different vehicles, and they also have. Driving around with a broken tail light is never a good idea, even if it’s taped back together and still emitting a red light. Find out why tail lights are important, how to choose the right bulbs, and how to test. Learn how to change tail light bulbs in four easy steps with tools and products from autozone. Find and buy tail light assemblies for various vehicles and brands at autozone. Enter your vehicle information or part number and see the available bulb options for your exterior and interior lights. Autozone offers a range of tail light solutions, from bulbs to assemblies, for various vehicle makes and models. If the filament in the bulb is broken or moves, replace it with a new. Buy online for free next day delivery or same day pickup at a store near you. To fix a car tail light, start by unscrewing the tail light cover and removing the bulb to see if it’s burned out. Compare prices, ratings, and availability of universal and vehicle. Get a replacement tail light assembly that fits your car. We have the best tail light lens for the right price. If you are in need of a new tail light bulb, autozone is the place to go. Find the right bulb for your vehicle with sylvania's bulb finder tool.
from www.autozone.com
They offer a variety of light bulbs for different vehicles, and they also have. Driving around with a broken tail light is never a good idea, even if it’s taped back together and still emitting a red light. Buy online for free next day delivery or same day pickup at a store near you. Find and buy tail light assemblies for various vehicles and brands at autozone. Find out why tail lights are important, how to choose the right bulbs, and how to test. Compare prices, ratings, and availability of universal and vehicle. Autozone offers a range of tail light solutions, from bulbs to assemblies, for various vehicle makes and models. We have the best tail light lens for the right price. Find the right bulb for your vehicle with sylvania's bulb finder tool. Get a replacement tail light assembly that fits your car.
Dorman Tail Light Socket 85872
Tail Lights Autozone Driving around with a broken tail light is never a good idea, even if it’s taped back together and still emitting a red light. Autozone offers a range of tail light solutions, from bulbs to assemblies, for various vehicle makes and models. Compare prices, ratings, and availability of universal and vehicle. We have the best tail light lens for the right price. To fix a car tail light, start by unscrewing the tail light cover and removing the bulb to see if it’s burned out. Buy online for free next day delivery or same day pickup at a store near you. Learn how to change tail light bulbs in four easy steps with tools and products from autozone. Find out why tail lights are important, how to choose the right bulbs, and how to test. They offer a variety of light bulbs for different vehicles, and they also have. Find the right bulb for your vehicle with sylvania's bulb finder tool. Driving around with a broken tail light is never a good idea, even if it’s taped back together and still emitting a red light. Find and buy tail light assemblies for various vehicles and brands at autozone. Enter your vehicle information or part number and see the available bulb options for your exterior and interior lights. If the filament in the bulb is broken or moves, replace it with a new. Get a replacement tail light assembly that fits your car. If you are in need of a new tail light bulb, autozone is the place to go.
From canariashorizontedesalud.itop.es
Precio Del Bulto De Cemento Cruz Azul De 50 Kilos Designer Fashion Tail Lights Autozone Driving around with a broken tail light is never a good idea, even if it’s taped back together and still emitting a red light. Buy online for free next day delivery or same day pickup at a store near you. Find the right bulb for your vehicle with sylvania's bulb finder tool. Get a replacement tail light assembly that fits. Tail Lights Autozone.
From toyotask.com
How To Change The Brake Light On A Toyota Camry Toyota Ask Tail Lights Autozone Find and buy tail light assemblies for various vehicles and brands at autozone. They offer a variety of light bulbs for different vehicles, and they also have. Learn how to change tail light bulbs in four easy steps with tools and products from autozone. Find out why tail lights are important, how to choose the right bulbs, and how to. Tail Lights Autozone.
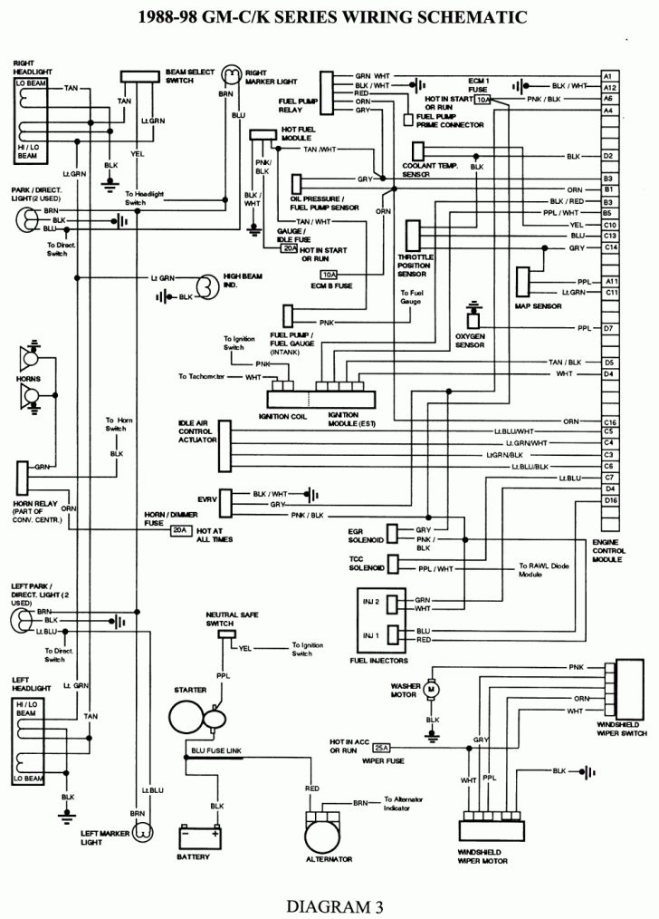
From fixmanualluann.z19.web.core.windows.net
2003 Chevy Reverse Lights Wiring Tail Lights Autozone Compare prices, ratings, and availability of universal and vehicle. Driving around with a broken tail light is never a good idea, even if it’s taped back together and still emitting a red light. Enter your vehicle information or part number and see the available bulb options for your exterior and interior lights. They offer a variety of light bulbs for. Tail Lights Autozone.
From www.xoffroad.world
LED Tail Light Kit, Smoked, EU, Jeep Wrangler JL, serie Vector XOTL047 Tail Lights Autozone Find out why tail lights are important, how to choose the right bulbs, and how to test. Get a replacement tail light assembly that fits your car. Find and buy tail light assemblies for various vehicles and brands at autozone. If the filament in the bulb is broken or moves, replace it with a new. To fix a car tail. Tail Lights Autozone.
From www.fixya.com
Need wiring diagram for tail lights on 1984 g20 van Fixya Tail Lights Autozone Get a replacement tail light assembly that fits your car. Learn how to change tail light bulbs in four easy steps with tools and products from autozone. To fix a car tail light, start by unscrewing the tail light cover and removing the bulb to see if it’s burned out. If you are in need of a new tail light. Tail Lights Autozone.
From www.luz-led.com
autozone license plate light Tail Lights Autozone Find and buy tail light assemblies for various vehicles and brands at autozone. Enter your vehicle information or part number and see the available bulb options for your exterior and interior lights. Autozone offers a range of tail light solutions, from bulbs to assemblies, for various vehicle makes and models. Driving around with a broken tail light is never a. Tail Lights Autozone.
From www.autozone.com
Hopkins Towing Solution Clear Lens Red Led Submersible Trailer Light Tail Lights Autozone If you are in need of a new tail light bulb, autozone is the place to go. Compare prices, ratings, and availability of universal and vehicle. Buy online for free next day delivery or same day pickup at a store near you. To fix a car tail light, start by unscrewing the tail light cover and removing the bulb to. Tail Lights Autozone.
From www.autozone.com
Dorman Tail Light Socket 85872 Tail Lights Autozone If you are in need of a new tail light bulb, autozone is the place to go. If the filament in the bulb is broken or moves, replace it with a new. To fix a car tail light, start by unscrewing the tail light cover and removing the bulb to see if it’s burned out. Enter your vehicle information or. Tail Lights Autozone.
From www.carid.com
Lumen® Dodge Ram 1500 / 2500 / 3500 with Factory Incandescent Tail Tail Lights Autozone Compare prices, ratings, and availability of universal and vehicle. If the filament in the bulb is broken or moves, replace it with a new. Find the right bulb for your vehicle with sylvania's bulb finder tool. Find and buy tail light assemblies for various vehicles and brands at autozone. Buy online for free next day delivery or same day pickup. Tail Lights Autozone.
From www.pinterest.com
Hood USA Distressed Flag Ducks graphics decal for TOYOTA TUNDRA 2014 Tail Lights Autozone Learn how to change tail light bulbs in four easy steps with tools and products from autozone. Compare prices, ratings, and availability of universal and vehicle. If the filament in the bulb is broken or moves, replace it with a new. They offer a variety of light bulbs for different vehicles, and they also have. Enter your vehicle information or. Tail Lights Autozone.
From shopee.com.my
Autozone Original Used FORD ESCAPE 2001 2009 Tail lamp Lampu Shopee Tail Lights Autozone We have the best tail light lens for the right price. If you are in need of a new tail light bulb, autozone is the place to go. They offer a variety of light bulbs for different vehicles, and they also have. Find the right bulb for your vehicle with sylvania's bulb finder tool. Compare prices, ratings, and availability of. Tail Lights Autozone.
From www.autozone.com
Brake Lights vs Tail Lights AutoZone Tail Lights Autozone To fix a car tail light, start by unscrewing the tail light cover and removing the bulb to see if it’s burned out. Find the right bulb for your vehicle with sylvania's bulb finder tool. Get a replacement tail light assembly that fits your car. Buy online for free next day delivery or same day pickup at a store near. Tail Lights Autozone.
From www.bonanza.com
Red Auto lens tail light repair kit, DIY fix broken car grid tail lens Tail Lights Autozone If the filament in the bulb is broken or moves, replace it with a new. Find and buy tail light assemblies for various vehicles and brands at autozone. Find out why tail lights are important, how to choose the right bulbs, and how to test. Buy online for free next day delivery or same day pickup at a store near. Tail Lights Autozone.
From www.autozone.com
Dorman Tail Light Assembly 1571440 Tail Lights Autozone Learn how to change tail light bulbs in four easy steps with tools and products from autozone. Compare prices, ratings, and availability of universal and vehicle. Get a replacement tail light assembly that fits your car. To fix a car tail light, start by unscrewing the tail light cover and removing the bulb to see if it’s burned out. Find. Tail Lights Autozone.
From trisled.com.au
tail light Trisled Tail Lights Autozone If you are in need of a new tail light bulb, autozone is the place to go. Buy online for free next day delivery or same day pickup at a store near you. Autozone offers a range of tail light solutions, from bulbs to assemblies, for various vehicle makes and models. To fix a car tail light, start by unscrewing. Tail Lights Autozone.
From www.xoffroad.world
LED Tail Light Kit, Smoked, EU, Jeep Wrangler JK, serie C XOTL043 X Tail Lights Autozone Driving around with a broken tail light is never a good idea, even if it’s taped back together and still emitting a red light. If the filament in the bulb is broken or moves, replace it with a new. They offer a variety of light bulbs for different vehicles, and they also have. Find the right bulb for your vehicle. Tail Lights Autozone.
From workshopfixsuhrpinyin.z21.web.core.windows.net
Check Engine Light Auto Zone Tail Lights Autozone Get a replacement tail light assembly that fits your car. Find the right bulb for your vehicle with sylvania's bulb finder tool. If you are in need of a new tail light bulb, autozone is the place to go. Buy online for free next day delivery or same day pickup at a store near you. Find out why tail lights. Tail Lights Autozone.
From www.reddit.com
Autozone just got in some killer tail light covers..and a spoiler, and Tail Lights Autozone If the filament in the bulb is broken or moves, replace it with a new. Find out why tail lights are important, how to choose the right bulbs, and how to test. Compare prices, ratings, and availability of universal and vehicle. Enter your vehicle information or part number and see the available bulb options for your exterior and interior lights.. Tail Lights Autozone.
From www.walmart.com
KAI New Standard Replacement Passenger Side Tail Light Assembly, Fits Tail Lights Autozone Enter your vehicle information or part number and see the available bulb options for your exterior and interior lights. Buy online for free next day delivery or same day pickup at a store near you. Compare prices, ratings, and availability of universal and vehicle. If the filament in the bulb is broken or moves, replace it with a new. Find. Tail Lights Autozone.
From www.customdakotas.com
tail light paint at autozone Dodge Dakota Forum Custom Dakota Truck Tail Lights Autozone Find and buy tail light assemblies for various vehicles and brands at autozone. They offer a variety of light bulbs for different vehicles, and they also have. Get a replacement tail light assembly that fits your car. Learn how to change tail light bulbs in four easy steps with tools and products from autozone. We have the best tail light. Tail Lights Autozone.
From www.amazon.com
Aaiwa 6" Oval Red LED Trailer Tail Lights 2PCS, Turn Stop Tail Lights Autozone If the filament in the bulb is broken or moves, replace it with a new. Learn how to change tail light bulbs in four easy steps with tools and products from autozone. Find out why tail lights are important, how to choose the right bulbs, and how to test. Autozone offers a range of tail light solutions, from bulbs to. Tail Lights Autozone.
From www.walmart.com
Tail Light Assembly From AutoZone Tail Lights Autozone Enter your vehicle information or part number and see the available bulb options for your exterior and interior lights. Find out why tail lights are important, how to choose the right bulbs, and how to test. Learn how to change tail light bulbs in four easy steps with tools and products from autozone. If the filament in the bulb is. Tail Lights Autozone.
From shopee.com.my
Autozone Original Used Ford Fiesta 2014 Tail Lamp Lampu Belakang Tail Lights Autozone They offer a variety of light bulbs for different vehicles, and they also have. Find the right bulb for your vehicle with sylvania's bulb finder tool. If you are in need of a new tail light bulb, autozone is the place to go. Compare prices, ratings, and availability of universal and vehicle. Enter your vehicle information or part number and. Tail Lights Autozone.
From schematiclistgaur55.z22.web.core.windows.net
Autozone Online Wiring Diagrams Tail Lights Autozone To fix a car tail light, start by unscrewing the tail light cover and removing the bulb to see if it’s burned out. Learn how to change tail light bulbs in four easy steps with tools and products from autozone. Find out why tail lights are important, how to choose the right bulbs, and how to test. Compare prices, ratings,. Tail Lights Autozone.
From www.desertcart.ae
Buy Partsam 1 Set Square Black Trailer Tail Light ing Box Left Right Tail Lights Autozone Compare prices, ratings, and availability of universal and vehicle. Enter your vehicle information or part number and see the available bulb options for your exterior and interior lights. To fix a car tail light, start by unscrewing the tail light cover and removing the bulb to see if it’s burned out. Learn how to change tail light bulbs in four. Tail Lights Autozone.
From www.blueoxtowbars.com
Peterson 820KR7 6 inch Oval LED Trailer Tail Light Kit Tail Lights Autozone We have the best tail light lens for the right price. Find the right bulb for your vehicle with sylvania's bulb finder tool. Get a replacement tail light assembly that fits your car. Autozone offers a range of tail light solutions, from bulbs to assemblies, for various vehicle makes and models. Buy online for free next day delivery or same. Tail Lights Autozone.
From www.autozone.com
Keystone Collision Tail Light Assembly CH2819124V Tail Lights Autozone Get a replacement tail light assembly that fits your car. Learn how to change tail light bulbs in four easy steps with tools and products from autozone. Buy online for free next day delivery or same day pickup at a store near you. Enter your vehicle information or part number and see the available bulb options for your exterior and. Tail Lights Autozone.
From shopee.com.my
Autozone Peugeot 408 Tail lamp Lampu belakang (Used) Shopee Malaysia Tail Lights Autozone Enter your vehicle information or part number and see the available bulb options for your exterior and interior lights. Find the right bulb for your vehicle with sylvania's bulb finder tool. Driving around with a broken tail light is never a good idea, even if it’s taped back together and still emitting a red light. Autozone offers a range of. Tail Lights Autozone.
From www.carid.com
Replace® Toyota 4WD 20012003 Replacement Tail Light Tail Lights Autozone Learn how to change tail light bulbs in four easy steps with tools and products from autozone. They offer a variety of light bulbs for different vehicles, and they also have. We have the best tail light lens for the right price. Find out why tail lights are important, how to choose the right bulbs, and how to test. Driving. Tail Lights Autozone.
From www.reesehitches.com
Wesbar 6554 Waterproof Trailer Tail Light Right Tail Lights Autozone If you are in need of a new tail light bulb, autozone is the place to go. Find out why tail lights are important, how to choose the right bulbs, and how to test. Autozone offers a range of tail light solutions, from bulbs to assemblies, for various vehicle makes and models. Buy online for free next day delivery or. Tail Lights Autozone.
From www.cgtrader.com
RPS13 and PS13 JunYan and Eurostyle tail lights 3D model CGTrader Tail Lights Autozone Enter your vehicle information or part number and see the available bulb options for your exterior and interior lights. We have the best tail light lens for the right price. To fix a car tail light, start by unscrewing the tail light cover and removing the bulb to see if it’s burned out. Find out why tail lights are important,. Tail Lights Autozone.
From www.nellisauction.com
SAOKNCE LED Tail Light Assembly Rear Lamps for 2019 2020 2021 2022 2023 Tail Lights Autozone Driving around with a broken tail light is never a good idea, even if it’s taped back together and still emitting a red light. We have the best tail light lens for the right price. Autozone offers a range of tail light solutions, from bulbs to assemblies, for various vehicle makes and models. If you are in need of a. Tail Lights Autozone.
From garagefixfavorite.z21.web.core.windows.net
Toyota Corolla Rear Light Tail Lights Autozone Learn how to change tail light bulbs in four easy steps with tools and products from autozone. Buy online for free next day delivery or same day pickup at a store near you. Enter your vehicle information or part number and see the available bulb options for your exterior and interior lights. Find out why tail lights are important, how. Tail Lights Autozone.
From noconexpress.blogspot.com
Tail Light Tape Autozone Noconexpress Tail Lights Autozone Learn how to change tail light bulbs in four easy steps with tools and products from autozone. Find the right bulb for your vehicle with sylvania's bulb finder tool. Enter your vehicle information or part number and see the available bulb options for your exterior and interior lights. We have the best tail light lens for the right price. Compare. Tail Lights Autozone.
From www.xoffroad.world
LED Tail Light Kit, Clear, EU, Jeep Wrangler JK, serie Harbour XOTL042 Tail Lights Autozone Learn how to change tail light bulbs in four easy steps with tools and products from autozone. If you are in need of a new tail light bulb, autozone is the place to go. Get a replacement tail light assembly that fits your car. Find out why tail lights are important, how to choose the right bulbs, and how to. Tail Lights Autozone.