Intake Valves Use . The main function of the engine valves is to let air in and out of the cylinders. The one through which the spent gases escape is the exhaust valve. That air is used to help ignite the which will drive the pistons up and down. Valves need to create a minimum of obstruction to the. They are designed to open and close at precise moments,. Some engine rebuilders will reuse the intake valves but replace the exhaust valves (because the exhaust valves run hotter and are more vulnerable to failure if reused). On one side of the cylinder, the intake valve allows a calculated amount of air to enter at a specific moment while the exhaust gets rid of the dissipated air on the other side. The valve which allows mixture into the cylinder is the inlet valve; In motor vehicle engines, two engine valves are used for each cylinder inlet (or intake) valve and an exhaust valve. There are two types of engine valves;.
from savree.com
The valve which allows mixture into the cylinder is the inlet valve; Valves need to create a minimum of obstruction to the. In motor vehicle engines, two engine valves are used for each cylinder inlet (or intake) valve and an exhaust valve. The main function of the engine valves is to let air in and out of the cylinders. There are two types of engine valves;. The one through which the spent gases escape is the exhaust valve. They are designed to open and close at precise moments,. That air is used to help ignite the which will drive the pistons up and down. On one side of the cylinder, the intake valve allows a calculated amount of air to enter at a specific moment while the exhaust gets rid of the dissipated air on the other side. Some engine rebuilders will reuse the intake valves but replace the exhaust valves (because the exhaust valves run hotter and are more vulnerable to failure if reused).
Engine Valve Explained saVRee saVRee
Intake Valves Use There are two types of engine valves;. The one through which the spent gases escape is the exhaust valve. In motor vehicle engines, two engine valves are used for each cylinder inlet (or intake) valve and an exhaust valve. There are two types of engine valves;. Some engine rebuilders will reuse the intake valves but replace the exhaust valves (because the exhaust valves run hotter and are more vulnerable to failure if reused). That air is used to help ignite the which will drive the pistons up and down. The main function of the engine valves is to let air in and out of the cylinders. On one side of the cylinder, the intake valve allows a calculated amount of air to enter at a specific moment while the exhaust gets rid of the dissipated air on the other side. They are designed to open and close at precise moments,. Valves need to create a minimum of obstruction to the. The valve which allows mixture into the cylinder is the inlet valve;
From www.ecplaza.net
Intake Valves&exhaust Valves For DD15 Shijiazhuang Antaida Auto Parts Intake Valves Use That air is used to help ignite the which will drive the pistons up and down. The valve which allows mixture into the cylinder is the inlet valve; The one through which the spent gases escape is the exhaust valve. Valves need to create a minimum of obstruction to the. Some engine rebuilders will reuse the intake valves but replace. Intake Valves Use.
From sportignition.com
Supertech BMW Long S14 38.5mm +1.5mm Flat 3gr Intake Valves BMIVN1009L Intake Valves Use In motor vehicle engines, two engine valves are used for each cylinder inlet (or intake) valve and an exhaust valve. They are designed to open and close at precise moments,. Valves need to create a minimum of obstruction to the. That air is used to help ignite the which will drive the pistons up and down. The main function of. Intake Valves Use.
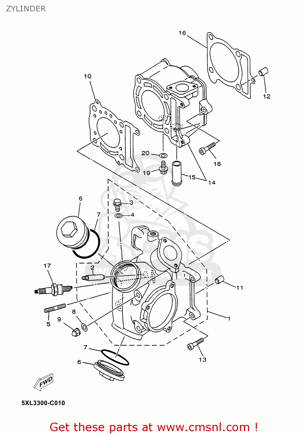
From www.cmsnl.com
5DS1113300 Guide, Intake Valve Yamaha buy the 5DS111330000 at CMSNL Intake Valves Use Some engine rebuilders will reuse the intake valves but replace the exhaust valves (because the exhaust valves run hotter and are more vulnerable to failure if reused). The one through which the spent gases escape is the exhaust valve. They are designed to open and close at precise moments,. There are two types of engine valves;. On one side of. Intake Valves Use.
From savree.com
Engine Valve Explained saVRee saVRee Intake Valves Use Some engine rebuilders will reuse the intake valves but replace the exhaust valves (because the exhaust valves run hotter and are more vulnerable to failure if reused). Valves need to create a minimum of obstruction to the. The main function of the engine valves is to let air in and out of the cylinders. The valve which allows mixture into. Intake Valves Use.
From rutasetenta.com
Intake Valve Ruta 70 Intake Valves Use In motor vehicle engines, two engine valves are used for each cylinder inlet (or intake) valve and an exhaust valve. The main function of the engine valves is to let air in and out of the cylinders. On one side of the cylinder, the intake valve allows a calculated amount of air to enter at a specific moment while the. Intake Valves Use.
From www.indiamart.com
Intake Valve 3803518 3052820 Exhaust 3803528 3088389 for Cummins Engine Intake Valves Use They are designed to open and close at precise moments,. There are two types of engine valves;. On one side of the cylinder, the intake valve allows a calculated amount of air to enter at a specific moment while the exhaust gets rid of the dissipated air on the other side. Valves need to create a minimum of obstruction to. Intake Valves Use.
From www.cmsnl.com
21010601A Intake Valve Ducati buy the 21010601A at CMSNL Intake Valves Use They are designed to open and close at precise moments,. The one through which the spent gases escape is the exhaust valve. Some engine rebuilders will reuse the intake valves but replace the exhaust valves (because the exhaust valves run hotter and are more vulnerable to failure if reused). On one side of the cylinder, the intake valve allows a. Intake Valves Use.
From bugatechnic.com
1684513 INTAKE VALVE for DAF Buga Technic Intake Valves Use Some engine rebuilders will reuse the intake valves but replace the exhaust valves (because the exhaust valves run hotter and are more vulnerable to failure if reused). Valves need to create a minimum of obstruction to the. That air is used to help ignite the which will drive the pistons up and down. The valve which allows mixture into the. Intake Valves Use.
From www.ebay.com
Intake Valves & Exhaust Valves 222112B400 222122B000 For Hyundai Kia 1 Intake Valves Use They are designed to open and close at precise moments,. Valves need to create a minimum of obstruction to the. In motor vehicle engines, two engine valves are used for each cylinder inlet (or intake) valve and an exhaust valve. On one side of the cylinder, the intake valve allows a calculated amount of air to enter at a specific. Intake Valves Use.
From makewelltools.com
139 Intake And Exhaust Valves MAKEWELL TOOLS Intake Valves Use The main function of the engine valves is to let air in and out of the cylinders. Valves need to create a minimum of obstruction to the. On one side of the cylinder, the intake valve allows a calculated amount of air to enter at a specific moment while the exhaust gets rid of the dissipated air on the other. Intake Valves Use.
From www.engineteam.com
Intake Valve VI0166 ET 1096250, 1254284, YC1Q6507A1B Intake Valves Use They are designed to open and close at precise moments,. The main function of the engine valves is to let air in and out of the cylinders. Valves need to create a minimum of obstruction to the. That air is used to help ignite the which will drive the pistons up and down. The valve which allows mixture into the. Intake Valves Use.
From www.engineteam.com
Intake Valve VI0156 ET 04E109601, 398000 ET Intake Valves Use That air is used to help ignite the which will drive the pistons up and down. They are designed to open and close at precise moments,. There are two types of engine valves;. The one through which the spent gases escape is the exhaust valve. The main function of the engine valves is to let air in and out of. Intake Valves Use.
From www.mymromarts.com
1 Set Intake Valves Exhaust Valves for Shibaura N844L N844T N844LT Engine Intake Valves Use That air is used to help ignite the which will drive the pistons up and down. They are designed to open and close at precise moments,. There are two types of engine valves;. On one side of the cylinder, the intake valve allows a calculated amount of air to enter at a specific moment while the exhaust gets rid of. Intake Valves Use.
From pngtree.com
Intake Vector PNG Images, Intake And Exhaust Valves, Intake Valve Intake Valves Use Some engine rebuilders will reuse the intake valves but replace the exhaust valves (because the exhaust valves run hotter and are more vulnerable to failure if reused). The one through which the spent gases escape is the exhaust valve. That air is used to help ignite the which will drive the pistons up and down. In motor vehicle engines, two. Intake Valves Use.
From aapistons.com
35.5mm Intake Valve Type 1, 2, & 3 AA Performance Products Intake Valves Use Valves need to create a minimum of obstruction to the. Some engine rebuilders will reuse the intake valves but replace the exhaust valves (because the exhaust valves run hotter and are more vulnerable to failure if reused). On one side of the cylinder, the intake valve allows a calculated amount of air to enter at a specific moment while the. Intake Valves Use.
From wolfgangint.com
Intake Valves; 37.4mm Part 021 109 601A Intake Valves Use Valves need to create a minimum of obstruction to the. The valve which allows mixture into the cylinder is the inlet valve; The one through which the spent gases escape is the exhaust valve. That air is used to help ignite the which will drive the pistons up and down. Some engine rebuilders will reuse the intake valves but replace. Intake Valves Use.
From www.ecplaza.net
Intake Valves&exhaust Valves For G3500 Shijiazhuang Antaida Auto Intake Valves Use There are two types of engine valves;. That air is used to help ignite the which will drive the pistons up and down. Valves need to create a minimum of obstruction to the. They are designed to open and close at precise moments,. The one through which the spent gases escape is the exhaust valve. The main function of the. Intake Valves Use.
From www.trsmotorsport.net
Black Nitride Intake Valves (38.5mm) TRSMOTORSPORT Intake Valves Use They are designed to open and close at precise moments,. The main function of the engine valves is to let air in and out of the cylinders. The valve which allows mixture into the cylinder is the inlet valve; That air is used to help ignite the which will drive the pistons up and down. In motor vehicle engines, two. Intake Valves Use.
From www.shopownermag.com
A Closer Look Variable Valve Timing Intake Valves Use Some engine rebuilders will reuse the intake valves but replace the exhaust valves (because the exhaust valves run hotter and are more vulnerable to failure if reused). They are designed to open and close at precise moments,. The one through which the spent gases escape is the exhaust valve. That air is used to help ignite the which will drive. Intake Valves Use.
From www.cmsnl.com
39P1211100 Valve, Intake Yamaha buy the 39P121110000 at CMSNL Intake Valves Use The valve which allows mixture into the cylinder is the inlet valve; They are designed to open and close at precise moments,. There are two types of engine valves;. In motor vehicle engines, two engine valves are used for each cylinder inlet (or intake) valve and an exhaust valve. Some engine rebuilders will reuse the intake valves but replace the. Intake Valves Use.
From www.meppon.com
12159606 Intake valve TD226 WEICHAI 4110000909051 W010250690 SP105388 Intake Valves Use Valves need to create a minimum of obstruction to the. The valve which allows mixture into the cylinder is the inlet valve; On one side of the cylinder, the intake valve allows a calculated amount of air to enter at a specific moment while the exhaust gets rid of the dissipated air on the other side. The one through which. Intake Valves Use.
From www.youtube.com
How to clean exhaust and intake valves YouTube Intake Valves Use The one through which the spent gases escape is the exhaust valve. Some engine rebuilders will reuse the intake valves but replace the exhaust valves (because the exhaust valves run hotter and are more vulnerable to failure if reused). There are two types of engine valves;. Valves need to create a minimum of obstruction to the. The main function of. Intake Valves Use.
From www.mymromarts.com
1 Set Intake Valves 65.041010041 for Doosan Engine GE08TI Original Intake Valves Use The valve which allows mixture into the cylinder is the inlet valve; Some engine rebuilders will reuse the intake valves but replace the exhaust valves (because the exhaust valves run hotter and are more vulnerable to failure if reused). The main function of the engine valves is to let air in and out of the cylinders. They are designed to. Intake Valves Use.
From www.spbauto.com.cn
Intake Valves&Exhaust Valves For HYUNDAI 2221223140 Intake Valves Use That air is used to help ignite the which will drive the pistons up and down. The one through which the spent gases escape is the exhaust valve. They are designed to open and close at precise moments,. Some engine rebuilders will reuse the intake valves but replace the exhaust valves (because the exhaust valves run hotter and are more. Intake Valves Use.
From www.cmsnl.com
21020042A Intake Valves Set Ducati buy the 21020042A at CMSNL Intake Valves Use Valves need to create a minimum of obstruction to the. Some engine rebuilders will reuse the intake valves but replace the exhaust valves (because the exhaust valves run hotter and are more vulnerable to failure if reused). The main function of the engine valves is to let air in and out of the cylinders. The valve which allows mixture into. Intake Valves Use.
From www.repairsmith.com
How To Care For Your Car Intake And Exhaust Valves RepairSmith Blog Intake Valves Use Some engine rebuilders will reuse the intake valves but replace the exhaust valves (because the exhaust valves run hotter and are more vulnerable to failure if reused). That air is used to help ignite the which will drive the pistons up and down. The valve which allows mixture into the cylinder is the inlet valve; They are designed to open. Intake Valves Use.
From www.researchgate.net
Intake valves in Models Intake valve in Model 0 (no shroud) (a), HSSIV Intake Valves Use The valve which allows mixture into the cylinder is the inlet valve; In motor vehicle engines, two engine valves are used for each cylinder inlet (or intake) valve and an exhaust valve. They are designed to open and close at precise moments,. The one through which the spent gases escape is the exhaust valve. Some engine rebuilders will reuse the. Intake Valves Use.
From mobiledimensionsaw.com
943501 Intake Valve Mobile Dimension Saw Intake Valves Use The main function of the engine valves is to let air in and out of the cylinders. Valves need to create a minimum of obstruction to the. The valve which allows mixture into the cylinder is the inlet valve; The one through which the spent gases escape is the exhaust valve. That air is used to help ignite the which. Intake Valves Use.
From www.youtube.com
why inlet valves are bigger than exhaust valve why exhaust valves are Intake Valves Use They are designed to open and close at precise moments,. The one through which the spent gases escape is the exhaust valve. Some engine rebuilders will reuse the intake valves but replace the exhaust valves (because the exhaust valves run hotter and are more vulnerable to failure if reused). That air is used to help ignite the which will drive. Intake Valves Use.
From www.amtequipmentparts.com
2102542 Intake Valve AMT Equipment Parts Equipment Replacement Parts Intake Valves Use In motor vehicle engines, two engine valves are used for each cylinder inlet (or intake) valve and an exhaust valve. The one through which the spent gases escape is the exhaust valve. The valve which allows mixture into the cylinder is the inlet valve; Some engine rebuilders will reuse the intake valves but replace the exhaust valves (because the exhaust. Intake Valves Use.
From bugatechnic.com
51041010547 INTAKE VALVE for MAN Buga Technic Intake Valves Use In motor vehicle engines, two engine valves are used for each cylinder inlet (or intake) valve and an exhaust valve. Valves need to create a minimum of obstruction to the. There are two types of engine valves;. The main function of the engine valves is to let air in and out of the cylinders. That air is used to help. Intake Valves Use.
From exocyebyz.blob.core.windows.net
What Is The Function Of A Crankshaft In A Car at Anna Nosal blog Intake Valves Use Valves need to create a minimum of obstruction to the. The valve which allows mixture into the cylinder is the inlet valve; The one through which the spent gases escape is the exhaust valve. In motor vehicle engines, two engine valves are used for each cylinder inlet (or intake) valve and an exhaust valve. Some engine rebuilders will reuse the. Intake Valves Use.
From dxotkeapc.blob.core.windows.net
Intake Valve In Automotive at Loma Santana blog Intake Valves Use The one through which the spent gases escape is the exhaust valve. They are designed to open and close at precise moments,. In motor vehicle engines, two engine valves are used for each cylinder inlet (or intake) valve and an exhaust valve. Some engine rebuilders will reuse the intake valves but replace the exhaust valves (because the exhaust valves run. Intake Valves Use.
From www.engineteam.com
Intake Valve VI0030 ET 036109601S, 036109601AD Intake Valves Use The main function of the engine valves is to let air in and out of the cylinders. The one through which the spent gases escape is the exhaust valve. That air is used to help ignite the which will drive the pistons up and down. Some engine rebuilders will reuse the intake valves but replace the exhaust valves (because the. Intake Valves Use.
From www.kmotorshop.com
Intake Valve VI0185 ET 12636317, 642101, 291133 K Intake Valves Use Some engine rebuilders will reuse the intake valves but replace the exhaust valves (because the exhaust valves run hotter and are more vulnerable to failure if reused). Valves need to create a minimum of obstruction to the. In motor vehicle engines, two engine valves are used for each cylinder inlet (or intake) valve and an exhaust valve. That air is. Intake Valves Use.