How Does A Tandem Master Cylinder Work . learn about single circuit and tandem master cylinders, their construction, working and applications in hydraulic braking systems. for automobile engineering students, this explains the working of. learn how the master cylinder and combination valve work together to supply pressure to two brake circuits and prevent leaks or imbalances. Tandem master cylinder has two pistons and two circuits for independent braking between front and rear wheels. a tandem master cylinder is characterized by two pistons operating in series within a common bore, as shown in the two illustrations below. the tandem master cylinder, also known as the dual circuit master cylinder, is a modified version that utilises. the tandem master cylinder (tmc8) converts the pressure applied by the driver’s foot into hydraulic pressure for the braking system.
from www.liveabout.com
the tandem master cylinder (tmc8) converts the pressure applied by the driver’s foot into hydraulic pressure for the braking system. for automobile engineering students, this explains the working of. learn about single circuit and tandem master cylinders, their construction, working and applications in hydraulic braking systems. the tandem master cylinder, also known as the dual circuit master cylinder, is a modified version that utilises. learn how the master cylinder and combination valve work together to supply pressure to two brake circuits and prevent leaks or imbalances. Tandem master cylinder has two pistons and two circuits for independent braking between front and rear wheels. a tandem master cylinder is characterized by two pistons operating in series within a common bore, as shown in the two illustrations below.
Symptoms of Master Cylinder Failure
How Does A Tandem Master Cylinder Work Tandem master cylinder has two pistons and two circuits for independent braking between front and rear wheels. for automobile engineering students, this explains the working of. the tandem master cylinder, also known as the dual circuit master cylinder, is a modified version that utilises. a tandem master cylinder is characterized by two pistons operating in series within a common bore, as shown in the two illustrations below. learn how the master cylinder and combination valve work together to supply pressure to two brake circuits and prevent leaks or imbalances. Tandem master cylinder has two pistons and two circuits for independent braking between front and rear wheels. learn about single circuit and tandem master cylinders, their construction, working and applications in hydraulic braking systems. the tandem master cylinder (tmc8) converts the pressure applied by the driver’s foot into hydraulic pressure for the braking system.
From www.indiamart.com
Tandem Master Cylinder Assembly Tandem Master Cylinder Assembly for How Does A Tandem Master Cylinder Work Tandem master cylinder has two pistons and two circuits for independent braking between front and rear wheels. for automobile engineering students, this explains the working of. learn about single circuit and tandem master cylinders, their construction, working and applications in hydraulic braking systems. the tandem master cylinder (tmc8) converts the pressure applied by the driver’s foot into. How Does A Tandem Master Cylinder Work.
From www.youtube.com
Tandem Cylinder Working & Construction with Animation YouTube How Does A Tandem Master Cylinder Work the tandem master cylinder (tmc8) converts the pressure applied by the driver’s foot into hydraulic pressure for the braking system. learn how the master cylinder and combination valve work together to supply pressure to two brake circuits and prevent leaks or imbalances. for automobile engineering students, this explains the working of. learn about single circuit and. How Does A Tandem Master Cylinder Work.
From www.fordmuscleforums.com
Assigned ports on tandem master cylinder what works best and why How Does A Tandem Master Cylinder Work learn how the master cylinder and combination valve work together to supply pressure to two brake circuits and prevent leaks or imbalances. Tandem master cylinder has two pistons and two circuits for independent braking between front and rear wheels. for automobile engineering students, this explains the working of. a tandem master cylinder is characterized by two pistons. How Does A Tandem Master Cylinder Work.
From www.theengineerspost.com
Master Cylinder Diagram, Parts, Function, Symptoms [PDF] How Does A Tandem Master Cylinder Work the tandem master cylinder (tmc8) converts the pressure applied by the driver’s foot into hydraulic pressure for the braking system. for automobile engineering students, this explains the working of. Tandem master cylinder has two pistons and two circuits for independent braking between front and rear wheels. the tandem master cylinder, also known as the dual circuit master. How Does A Tandem Master Cylinder Work.
From www.slideserve.com
PPT Automotive Braking Systems PowerPoint Presentation ID1721442 How Does A Tandem Master Cylinder Work learn about single circuit and tandem master cylinders, their construction, working and applications in hydraulic braking systems. learn how the master cylinder and combination valve work together to supply pressure to two brake circuits and prevent leaks or imbalances. Tandem master cylinder has two pistons and two circuits for independent braking between front and rear wheels. for. How Does A Tandem Master Cylinder Work.
From ls1tech.com
Brake Master Cylinders LS1TECH Camaro and Firebird Forum Discussion How Does A Tandem Master Cylinder Work a tandem master cylinder is characterized by two pistons operating in series within a common bore, as shown in the two illustrations below. Tandem master cylinder has two pistons and two circuits for independent braking between front and rear wheels. learn about single circuit and tandem master cylinders, their construction, working and applications in hydraulic braking systems. . How Does A Tandem Master Cylinder Work.
From giozyokqj.blob.core.windows.net
How Does A Dual Master Cylinder Work at Linda McMunn blog How Does A Tandem Master Cylinder Work the tandem master cylinder, also known as the dual circuit master cylinder, is a modified version that utilises. the tandem master cylinder (tmc8) converts the pressure applied by the driver’s foot into hydraulic pressure for the braking system. for automobile engineering students, this explains the working of. learn how the master cylinder and combination valve work. How Does A Tandem Master Cylinder Work.
From www.youtube.com
BRAKE MASTER CYLINDER TYPES SINGLE CIRCUIT MASTER CYLINDER How Does A Tandem Master Cylinder Work learn how the master cylinder and combination valve work together to supply pressure to two brake circuits and prevent leaks or imbalances. the tandem master cylinder (tmc8) converts the pressure applied by the driver’s foot into hydraulic pressure for the braking system. a tandem master cylinder is characterized by two pistons operating in series within a common. How Does A Tandem Master Cylinder Work.
From exyptglsp.blob.core.windows.net
Dual Master Cylinder Diagram at Gloria Grant blog How Does A Tandem Master Cylinder Work the tandem master cylinder (tmc8) converts the pressure applied by the driver’s foot into hydraulic pressure for the braking system. learn how the master cylinder and combination valve work together to supply pressure to two brake circuits and prevent leaks or imbalances. a tandem master cylinder is characterized by two pistons operating in series within a common. How Does A Tandem Master Cylinder Work.
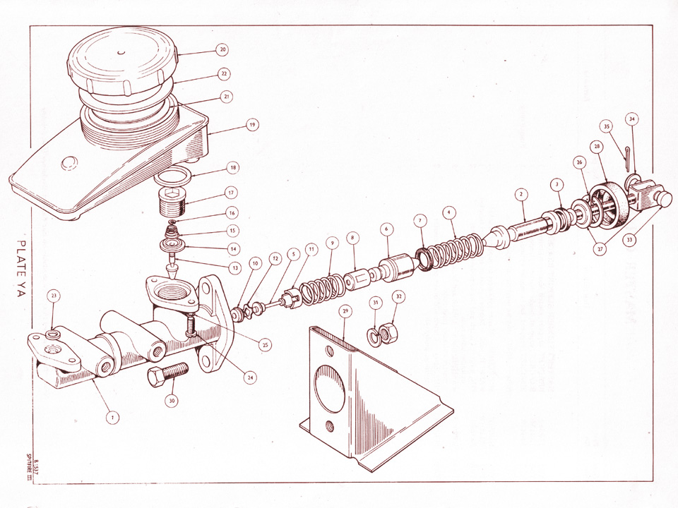
From www.canleyclassics.com
Tandem Master Cylinder Canley Classics How Does A Tandem Master Cylinder Work Tandem master cylinder has two pistons and two circuits for independent braking between front and rear wheels. the tandem master cylinder, also known as the dual circuit master cylinder, is a modified version that utilises. learn how the master cylinder and combination valve work together to supply pressure to two brake circuits and prevent leaks or imbalances. . How Does A Tandem Master Cylinder Work.
From automobilehut.in
What is a Tandem Master Cylinder? Automobilehut Education and How Does A Tandem Master Cylinder Work the tandem master cylinder, also known as the dual circuit master cylinder, is a modified version that utilises. for automobile engineering students, this explains the working of. the tandem master cylinder (tmc8) converts the pressure applied by the driver’s foot into hydraulic pressure for the braking system. a tandem master cylinder is characterized by two pistons. How Does A Tandem Master Cylinder Work.
From www.baeder-automotive.com
tandem master cylinder How Does A Tandem Master Cylinder Work the tandem master cylinder, also known as the dual circuit master cylinder, is a modified version that utilises. Tandem master cylinder has two pistons and two circuits for independent braking between front and rear wheels. learn about single circuit and tandem master cylinders, their construction, working and applications in hydraulic braking systems. learn how the master cylinder. How Does A Tandem Master Cylinder Work.
From ronlummusracing.com
Wilwood Tandem Master Cylinder Ron Lummus Racing How Does A Tandem Master Cylinder Work learn about single circuit and tandem master cylinders, their construction, working and applications in hydraulic braking systems. a tandem master cylinder is characterized by two pistons operating in series within a common bore, as shown in the two illustrations below. learn how the master cylinder and combination valve work together to supply pressure to two brake circuits. How Does A Tandem Master Cylinder Work.
From www.youtube.com
HOW TANDEM MASTER CYLINDER WORKS YouTube How Does A Tandem Master Cylinder Work a tandem master cylinder is characterized by two pistons operating in series within a common bore, as shown in the two illustrations below. learn about single circuit and tandem master cylinders, their construction, working and applications in hydraulic braking systems. the tandem master cylinder (tmc8) converts the pressure applied by the driver’s foot into hydraulic pressure for. How Does A Tandem Master Cylinder Work.
From www.canleyclassics.com
Brake Master Cylinder Tandem Canley Classics How Does A Tandem Master Cylinder Work the tandem master cylinder, also known as the dual circuit master cylinder, is a modified version that utilises. Tandem master cylinder has two pistons and two circuits for independent braking between front and rear wheels. learn how the master cylinder and combination valve work together to supply pressure to two brake circuits and prevent leaks or imbalances. . How Does A Tandem Master Cylinder Work.
From www.mechanicalbooster.com
What is Master Cylinder and How It Works? Mechanical Booster How Does A Tandem Master Cylinder Work learn about single circuit and tandem master cylinders, their construction, working and applications in hydraulic braking systems. Tandem master cylinder has two pistons and two circuits for independent braking between front and rear wheels. for automobile engineering students, this explains the working of. a tandem master cylinder is characterized by two pistons operating in series within a. How Does A Tandem Master Cylinder Work.
From www.youtube.com
Construction and Working of Tandem Master Cylinder In Marathi YouTube How Does A Tandem Master Cylinder Work the tandem master cylinder, also known as the dual circuit master cylinder, is a modified version that utilises. the tandem master cylinder (tmc8) converts the pressure applied by the driver’s foot into hydraulic pressure for the braking system. a tandem master cylinder is characterized by two pistons operating in series within a common bore, as shown in. How Does A Tandem Master Cylinder Work.
From www.theengineerspost.com
Master Cylinder Diagram, Parts, Function, Symptoms [PDF] How Does A Tandem Master Cylinder Work the tandem master cylinder, also known as the dual circuit master cylinder, is a modified version that utilises. for automobile engineering students, this explains the working of. the tandem master cylinder (tmc8) converts the pressure applied by the driver’s foot into hydraulic pressure for the braking system. Tandem master cylinder has two pistons and two circuits for. How Does A Tandem Master Cylinder Work.
From engineeringhulk.com
Brake Master Cylinder Detailed Working Principle How Does A Tandem Master Cylinder Work learn about single circuit and tandem master cylinders, their construction, working and applications in hydraulic braking systems. Tandem master cylinder has two pistons and two circuits for independent braking between front and rear wheels. the tandem master cylinder (tmc8) converts the pressure applied by the driver’s foot into hydraulic pressure for the braking system. the tandem master. How Does A Tandem Master Cylinder Work.
From www.liveabout.com
Symptoms of Master Cylinder Failure How Does A Tandem Master Cylinder Work for automobile engineering students, this explains the working of. a tandem master cylinder is characterized by two pistons operating in series within a common bore, as shown in the two illustrations below. learn how the master cylinder and combination valve work together to supply pressure to two brake circuits and prevent leaks or imbalances. the tandem. How Does A Tandem Master Cylinder Work.
From www.youtube.com
How Brake Tandem Master Cylinder Works?? YouTube How Does A Tandem Master Cylinder Work Tandem master cylinder has two pistons and two circuits for independent braking between front and rear wheels. a tandem master cylinder is characterized by two pistons operating in series within a common bore, as shown in the two illustrations below. for automobile engineering students, this explains the working of. learn how the master cylinder and combination valve. How Does A Tandem Master Cylinder Work.
From www.wilwood.com
Wilwood Disc Brakes Master Cylinders Tandem Master Cylinder How Does A Tandem Master Cylinder Work Tandem master cylinder has two pistons and two circuits for independent braking between front and rear wheels. a tandem master cylinder is characterized by two pistons operating in series within a common bore, as shown in the two illustrations below. for automobile engineering students, this explains the working of. learn about single circuit and tandem master cylinders,. How Does A Tandem Master Cylinder Work.
From www.jrwadhams.co.uk
J R Wadhams Ltd Master cylinder 3500 Tandem How Does A Tandem Master Cylinder Work the tandem master cylinder (tmc8) converts the pressure applied by the driver’s foot into hydraulic pressure for the braking system. Tandem master cylinder has two pistons and two circuits for independent braking between front and rear wheels. a tandem master cylinder is characterized by two pistons operating in series within a common bore, as shown in the two. How Does A Tandem Master Cylinder Work.
From classicautoadvisors.com
Classic Car Brake Master Cylinder Types Classic Auto Advisors How Does A Tandem Master Cylinder Work the tandem master cylinder, also known as the dual circuit master cylinder, is a modified version that utilises. the tandem master cylinder (tmc8) converts the pressure applied by the driver’s foot into hydraulic pressure for the braking system. learn about single circuit and tandem master cylinders, their construction, working and applications in hydraulic braking systems. for. How Does A Tandem Master Cylinder Work.
From www.reizendemoke.be
TANDEM MASTER CYLINDER How Does A Tandem Master Cylinder Work a tandem master cylinder is characterized by two pistons operating in series within a common bore, as shown in the two illustrations below. learn about single circuit and tandem master cylinders, their construction, working and applications in hydraulic braking systems. learn how the master cylinder and combination valve work together to supply pressure to two brake circuits. How Does A Tandem Master Cylinder Work.
From www.reizendemoke.be
TANDEM MASTER CYLINDER How Does A Tandem Master Cylinder Work the tandem master cylinder, also known as the dual circuit master cylinder, is a modified version that utilises. learn how the master cylinder and combination valve work together to supply pressure to two brake circuits and prevent leaks or imbalances. learn about single circuit and tandem master cylinders, their construction, working and applications in hydraulic braking systems.. How Does A Tandem Master Cylinder Work.
From www.jalopyjournal.com
Technical Master Cylinder Advice Needed Page 2 The H.A.M.B. How Does A Tandem Master Cylinder Work for automobile engineering students, this explains the working of. learn about single circuit and tandem master cylinders, their construction, working and applications in hydraulic braking systems. learn how the master cylinder and combination valve work together to supply pressure to two brake circuits and prevent leaks or imbalances. the tandem master cylinder, also known as the. How Does A Tandem Master Cylinder Work.
From www.youtube.com
Tandem master cylinder in Braking system in automobile in hindi YouTube How Does A Tandem Master Cylinder Work learn how the master cylinder and combination valve work together to supply pressure to two brake circuits and prevent leaks or imbalances. learn about single circuit and tandem master cylinders, their construction, working and applications in hydraulic braking systems. a tandem master cylinder is characterized by two pistons operating in series within a common bore, as shown. How Does A Tandem Master Cylinder Work.
From automotive.technolab.org
Stepped tandem brake master cylinder with central valve 810000244 How Does A Tandem Master Cylinder Work a tandem master cylinder is characterized by two pistons operating in series within a common bore, as shown in the two illustrations below. learn how the master cylinder and combination valve work together to supply pressure to two brake circuits and prevent leaks or imbalances. the tandem master cylinder, also known as the dual circuit master cylinder,. How Does A Tandem Master Cylinder Work.
From automobilehut.in
What is a Tandem Master Cylinder? automobilehut.in How Does A Tandem Master Cylinder Work a tandem master cylinder is characterized by two pistons operating in series within a common bore, as shown in the two illustrations below. learn about single circuit and tandem master cylinders, their construction, working and applications in hydraulic braking systems. the tandem master cylinder (tmc8) converts the pressure applied by the driver’s foot into hydraulic pressure for. How Does A Tandem Master Cylinder Work.
From helenlwitherso.blob.core.windows.net
Brake Line To Master Cylinder at helenlwitherso blog How Does A Tandem Master Cylinder Work the tandem master cylinder, also known as the dual circuit master cylinder, is a modified version that utilises. Tandem master cylinder has two pistons and two circuits for independent braking between front and rear wheels. for automobile engineering students, this explains the working of. the tandem master cylinder (tmc8) converts the pressure applied by the driver’s foot. How Does A Tandem Master Cylinder Work.
From www.canleyclassics.com
Brake Master Cylinder Tandem (2) Canley Classics How Does A Tandem Master Cylinder Work the tandem master cylinder, also known as the dual circuit master cylinder, is a modified version that utilises. learn about single circuit and tandem master cylinders, their construction, working and applications in hydraulic braking systems. for automobile engineering students, this explains the working of. Tandem master cylinder has two pistons and two circuits for independent braking between. How Does A Tandem Master Cylinder Work.
From www.baeder-automotive.com
tandem master cylinder How Does A Tandem Master Cylinder Work the tandem master cylinder (tmc8) converts the pressure applied by the driver’s foot into hydraulic pressure for the braking system. for automobile engineering students, this explains the working of. learn how the master cylinder and combination valve work together to supply pressure to two brake circuits and prevent leaks or imbalances. a tandem master cylinder is. How Does A Tandem Master Cylinder Work.
From www.iqsdirectory.com
Pneumatic Cylinder What Is It? How Does It Work? Types Of How Does A Tandem Master Cylinder Work the tandem master cylinder (tmc8) converts the pressure applied by the driver’s foot into hydraulic pressure for the braking system. for automobile engineering students, this explains the working of. Tandem master cylinder has two pistons and two circuits for independent braking between front and rear wheels. learn about single circuit and tandem master cylinders, their construction, working. How Does A Tandem Master Cylinder Work.
From www.performancebodies.com
Wilwood Stock Mount Tandem Master Cylinder Kit Performance Bodies How Does A Tandem Master Cylinder Work for automobile engineering students, this explains the working of. the tandem master cylinder (tmc8) converts the pressure applied by the driver’s foot into hydraulic pressure for the braking system. a tandem master cylinder is characterized by two pistons operating in series within a common bore, as shown in the two illustrations below. the tandem master cylinder,. How Does A Tandem Master Cylinder Work.