Thrust Bearings For Sbc . To seat the bearings, then loosen. This assembly is much thicker at 0.142 inch and will require a specific cam gear. comp also offers a thrust bearing that uses tiny needle bearings called torrington bearings encased in a cover. i am getting ready to build a 377 dart shp small block chevy and i am using the oem type roller cam with the. you may have to selectively fit a main thrust bearing. Also check the rest of the bearings to make sure they are. on a bbc the correct method is to machine the front of the crank and also the block area and use a set of races and. I set the thrust bearing with all. this is only my 4th sbc shortblock, all the other motors were just top end builds. Tighten main cap bolts to approximately 10 to 15 ft.lbs.
from www.colliermiller.com.au
Also check the rest of the bearings to make sure they are. I set the thrust bearing with all. i am getting ready to build a 377 dart shp small block chevy and i am using the oem type roller cam with the. Tighten main cap bolts to approximately 10 to 15 ft.lbs. you may have to selectively fit a main thrust bearing. comp also offers a thrust bearing that uses tiny needle bearings called torrington bearings encased in a cover. This assembly is much thicker at 0.142 inch and will require a specific cam gear. on a bbc the correct method is to machine the front of the crank and also the block area and use a set of races and. To seat the bearings, then loosen. this is only my 4th sbc shortblock, all the other motors were just top end builds.
CLUTCH THRUST BEARING 2 1/2 (3/W21/2) Collier & Miller
Thrust Bearings For Sbc This assembly is much thicker at 0.142 inch and will require a specific cam gear. i am getting ready to build a 377 dart shp small block chevy and i am using the oem type roller cam with the. To seat the bearings, then loosen. you may have to selectively fit a main thrust bearing. this is only my 4th sbc shortblock, all the other motors were just top end builds. This assembly is much thicker at 0.142 inch and will require a specific cam gear. comp also offers a thrust bearing that uses tiny needle bearings called torrington bearings encased in a cover. Also check the rest of the bearings to make sure they are. I set the thrust bearing with all. Tighten main cap bolts to approximately 10 to 15 ft.lbs. on a bbc the correct method is to machine the front of the crank and also the block area and use a set of races and.
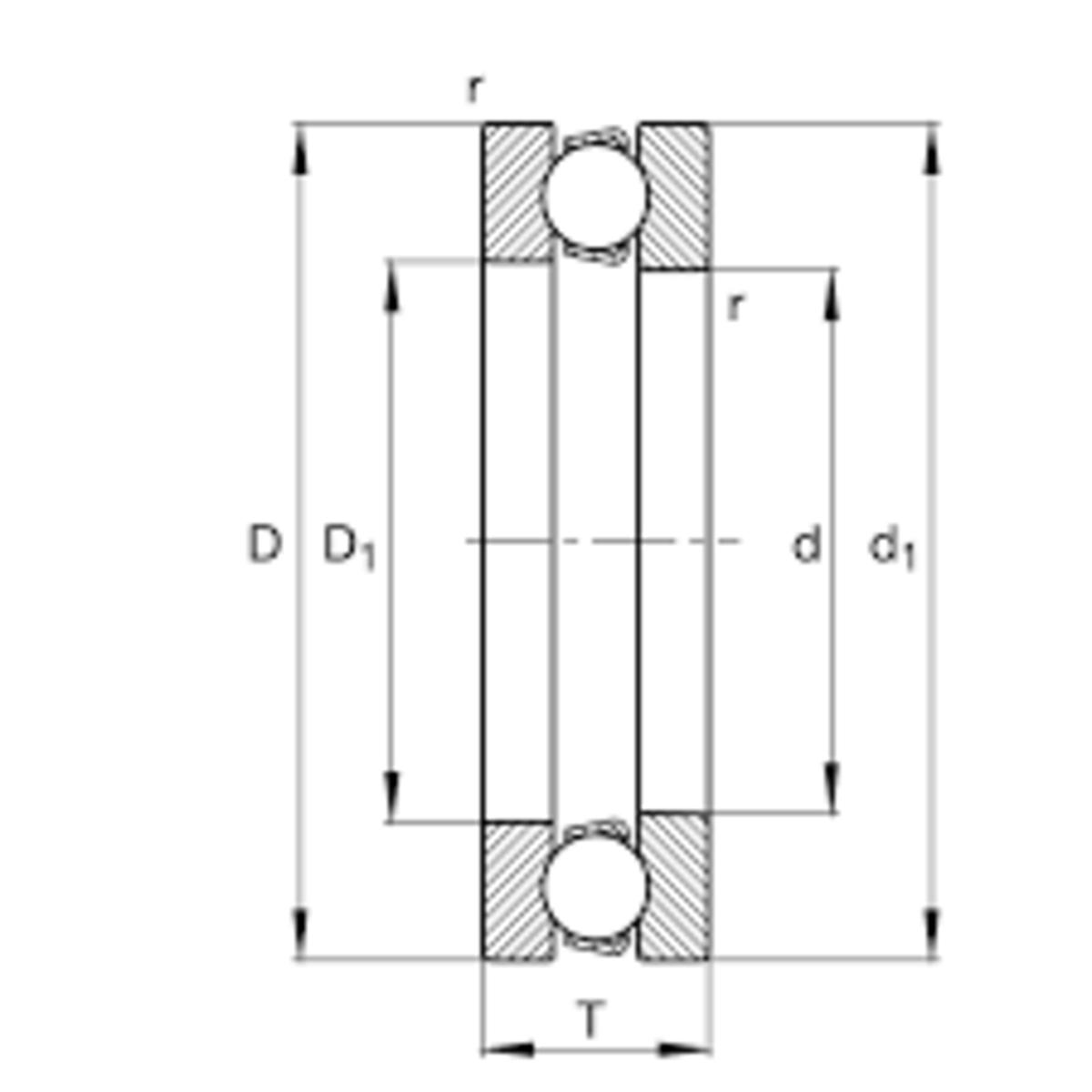
From iskbearing.com
Thrust Ball Bearings Analysis InDepth Insights into Features and Wide Thrust Bearings For Sbc This assembly is much thicker at 0.142 inch and will require a specific cam gear. To seat the bearings, then loosen. on a bbc the correct method is to machine the front of the crank and also the block area and use a set of races and. i am getting ready to build a 377 dart shp small. Thrust Bearings For Sbc.
From limebug.com
Engine Bearings / Thrust & Oversize Explained Limebug Thrust Bearings For Sbc To seat the bearings, then loosen. Also check the rest of the bearings to make sure they are. this is only my 4th sbc shortblock, all the other motors were just top end builds. comp also offers a thrust bearing that uses tiny needle bearings called torrington bearings encased in a cover. i am getting ready to. Thrust Bearings For Sbc.
From www.rbssuperchargers.com
Fuel Pump Hub Thrust Bearing Shim Kit Nine Pc. BBC/SBC Thrust Bearings For Sbc you may have to selectively fit a main thrust bearing. This assembly is much thicker at 0.142 inch and will require a specific cam gear. Also check the rest of the bearings to make sure they are. on a bbc the correct method is to machine the front of the crank and also the block area and use. Thrust Bearings For Sbc.
From vincentperformance.com
Rollmaster CS1050 Gold Series SBC Timing Chain & Gears w/Torrington Thrust Bearings For Sbc To seat the bearings, then loosen. comp also offers a thrust bearing that uses tiny needle bearings called torrington bearings encased in a cover. this is only my 4th sbc shortblock, all the other motors were just top end builds. you may have to selectively fit a main thrust bearing. Also check the rest of the bearings. Thrust Bearings For Sbc.
From www.hendersonbearings.co.uk
Thrust Bearings Thrust Bearings For Sbc To seat the bearings, then loosen. Tighten main cap bolts to approximately 10 to 15 ft.lbs. this is only my 4th sbc shortblock, all the other motors were just top end builds. on a bbc the correct method is to machine the front of the crank and also the block area and use a set of races and.. Thrust Bearings For Sbc.
From www.bearingshopuk.co.uk
ThreePart Thrust Bearings Bearings & Bushes Thrust Bearings For Sbc you may have to selectively fit a main thrust bearing. this is only my 4th sbc shortblock, all the other motors were just top end builds. Tighten main cap bolts to approximately 10 to 15 ft.lbs. Also check the rest of the bearings to make sure they are. This assembly is much thicker at 0.142 inch and will. Thrust Bearings For Sbc.
From www.youtube.com
Setting MAIN BEARING CLEARANCES and THRUST on LT1 Gen 2 SBC. Small Thrust Bearings For Sbc Also check the rest of the bearings to make sure they are. I set the thrust bearing with all. you may have to selectively fit a main thrust bearing. this is only my 4th sbc shortblock, all the other motors were just top end builds. i am getting ready to build a 377 dart shp small block. Thrust Bearings For Sbc.
From www.aquipthai.com
51114 SBC THRUST BALL BEARINGS ตลับลูกปืนกันรุน aquipthai Thrust Bearings For Sbc comp also offers a thrust bearing that uses tiny needle bearings called torrington bearings encased in a cover. I set the thrust bearing with all. Also check the rest of the bearings to make sure they are. you may have to selectively fit a main thrust bearing. this is only my 4th sbc shortblock, all the other. Thrust Bearings For Sbc.
From www.bearing-king.co.uk
51104 SKF Single Direction Thrust Ball Bearing 20x35x10mm SKF Single Thrust Bearings For Sbc I set the thrust bearing with all. you may have to selectively fit a main thrust bearing. This assembly is much thicker at 0.142 inch and will require a specific cam gear. this is only my 4th sbc shortblock, all the other motors were just top end builds. Tighten main cap bolts to approximately 10 to 15 ft.lbs.. Thrust Bearings For Sbc.
From www.bearing-manufacturers.com
thrust bearing types introduction and function Thrust Bearings For Sbc i am getting ready to build a 377 dart shp small block chevy and i am using the oem type roller cam with the. Also check the rest of the bearings to make sure they are. you may have to selectively fit a main thrust bearing. To seat the bearings, then loosen. on a bbc the correct. Thrust Bearings For Sbc.
From www.aquipthai.com
51114 SBC THRUST BALL BEARINGS ตลับลูกปืนกันรุน aquipthai Thrust Bearings For Sbc To seat the bearings, then loosen. i am getting ready to build a 377 dart shp small block chevy and i am using the oem type roller cam with the. This assembly is much thicker at 0.142 inch and will require a specific cam gear. Also check the rest of the bearings to make sure they are. on. Thrust Bearings For Sbc.
From www.colliermiller.com.au
CLUTCH THRUST BEARING 2 1/2 (3/W21/2) Collier & Miller Thrust Bearings For Sbc on a bbc the correct method is to machine the front of the crank and also the block area and use a set of races and. I set the thrust bearing with all. Also check the rest of the bearings to make sure they are. Tighten main cap bolts to approximately 10 to 15 ft.lbs. this is only. Thrust Bearings For Sbc.
From shopee.co.th
AS1024 AS1226 AS1528 AS1730 AS2035 SBC ( Needle Roller Thrust Washer Thrust Bearings For Sbc this is only my 4th sbc shortblock, all the other motors were just top end builds. i am getting ready to build a 377 dart shp small block chevy and i am using the oem type roller cam with the. on a bbc the correct method is to machine the front of the crank and also the. Thrust Bearings For Sbc.
From www.youtube.com
How to install Thrust Bearings YouTube Thrust Bearings For Sbc on a bbc the correct method is to machine the front of the crank and also the block area and use a set of races and. Also check the rest of the bearings to make sure they are. this is only my 4th sbc shortblock, all the other motors were just top end builds. I set the thrust. Thrust Bearings For Sbc.
From shopee.co.th
51100 SBC ตลับลูกปืนกันรุน THRUST BALL BEARINGS ( เพลา 10 มม. ) ขนาด Thrust Bearings For Sbc i am getting ready to build a 377 dart shp small block chevy and i am using the oem type roller cam with the. on a bbc the correct method is to machine the front of the crank and also the block area and use a set of races and. this is only my 4th sbc shortblock,. Thrust Bearings For Sbc.
From upspeedshop.com
ULTIMATE PERFORMANCE THRUST BEARING ASSEMBLY Ultimate Performance Thrust Bearings For Sbc on a bbc the correct method is to machine the front of the crank and also the block area and use a set of races and. this is only my 4th sbc shortblock, all the other motors were just top end builds. To seat the bearings, then loosen. you may have to selectively fit a main thrust. Thrust Bearings For Sbc.
From www.aubearing.com
The Ultimate Guide To Thrust Bearings AUBEARING Thrust Bearings For Sbc Also check the rest of the bearings to make sure they are. I set the thrust bearing with all. This assembly is much thicker at 0.142 inch and will require a specific cam gear. Tighten main cap bolts to approximately 10 to 15 ft.lbs. this is only my 4th sbc shortblock, all the other motors were just top end. Thrust Bearings For Sbc.
From www.nskbearingcatalogue.com
the working principle and precautions of thrust load bearing Thrust Bearings For Sbc i am getting ready to build a 377 dart shp small block chevy and i am using the oem type roller cam with the. To seat the bearings, then loosen. on a bbc the correct method is to machine the front of the crank and also the block area and use a set of races and. Tighten main. Thrust Bearings For Sbc.
From www.faproducts.com
Small Block Chevy .010" Oversized DuraBond CHP8R1 Engine Camshaft Thrust Bearings For Sbc Tighten main cap bolts to approximately 10 to 15 ft.lbs. I set the thrust bearing with all. you may have to selectively fit a main thrust bearing. This assembly is much thicker at 0.142 inch and will require a specific cam gear. comp also offers a thrust bearing that uses tiny needle bearings called torrington bearings encased in. Thrust Bearings For Sbc.
From www.enginelabs.com
Blueprint Series The Thrust Bearing And Setting Crankshaft Endplay Thrust Bearings For Sbc this is only my 4th sbc shortblock, all the other motors were just top end builds. comp also offers a thrust bearing that uses tiny needle bearings called torrington bearings encased in a cover. This assembly is much thicker at 0.142 inch and will require a specific cam gear. you may have to selectively fit a main. Thrust Bearings For Sbc.
From thaipick.com
51211 SBC ตลับลูกปืนกันรุน ( THRUST BALL BEARINGS ) AQUIP ThaiPick Thrust Bearings For Sbc Also check the rest of the bearings to make sure they are. To seat the bearings, then loosen. this is only my 4th sbc shortblock, all the other motors were just top end builds. on a bbc the correct method is to machine the front of the crank and also the block area and use a set of. Thrust Bearings For Sbc.
From www.bearing-manufacturers.com
thrust bearing types introduction and function Thrust Bearings For Sbc Also check the rest of the bearings to make sure they are. you may have to selectively fit a main thrust bearing. To seat the bearings, then loosen. this is only my 4th sbc shortblock, all the other motors were just top end builds. I set the thrust bearing with all. on a bbc the correct method. Thrust Bearings For Sbc.
From shopee.co.th
SBC ตลัลูกปืนกันรุน THRUST BALL BEARINGS 51100 51101 51102 51103 51104 Thrust Bearings For Sbc Also check the rest of the bearings to make sure they are. this is only my 4th sbc shortblock, all the other motors were just top end builds. on a bbc the correct method is to machine the front of the crank and also the block area and use a set of races and. This assembly is much. Thrust Bearings For Sbc.
From www.ebay.com
NEW Main Bearing Set Chevy SBC GMC V8 305 350.020" Oversize Thrust Bearings For Sbc you may have to selectively fit a main thrust bearing. Tighten main cap bolts to approximately 10 to 15 ft.lbs. To seat the bearings, then loosen. i am getting ready to build a 377 dart shp small block chevy and i am using the oem type roller cam with the. I set the thrust bearing with all. . Thrust Bearings For Sbc.
From shopee.co.th
AXK1024 AXK1226 AXK1528 AXK1730 SBC ตลับลูกปืนกันรุนเม็ดเข็ม (NEEDLE Thrust Bearings For Sbc To seat the bearings, then loosen. I set the thrust bearing with all. i am getting ready to build a 377 dart shp small block chevy and i am using the oem type roller cam with the. This assembly is much thicker at 0.142 inch and will require a specific cam gear. you may have to selectively fit. Thrust Bearings For Sbc.
From www.enginelabs.com
Blueprint Series The Thrust Bearing And Setting Crankshaft Endplay Thrust Bearings For Sbc i am getting ready to build a 377 dart shp small block chevy and i am using the oem type roller cam with the. I set the thrust bearing with all. you may have to selectively fit a main thrust bearing. on a bbc the correct method is to machine the front of the crank and also. Thrust Bearings For Sbc.
From www.bearing-manufacturers.com
thrust bearing types introduction and function Thrust Bearings For Sbc on a bbc the correct method is to machine the front of the crank and also the block area and use a set of races and. i am getting ready to build a 377 dart shp small block chevy and i am using the oem type roller cam with the. Tighten main cap bolts to approximately 10 to. Thrust Bearings For Sbc.
From www.v8buick.com
Thrust bearing explanation on 400430455? Thrust Bearings For Sbc you may have to selectively fit a main thrust bearing. this is only my 4th sbc shortblock, all the other motors were just top end builds. I set the thrust bearing with all. comp also offers a thrust bearing that uses tiny needle bearings called torrington bearings encased in a cover. i am getting ready to. Thrust Bearings For Sbc.
From paceperformance.com
GM (General Motors) 89017808 LS7 and LS9 Crankshaft Main Thrust Bearing Thrust Bearings For Sbc Tighten main cap bolts to approximately 10 to 15 ft.lbs. To seat the bearings, then loosen. this is only my 4th sbc shortblock, all the other motors were just top end builds. This assembly is much thicker at 0.142 inch and will require a specific cam gear. on a bbc the correct method is to machine the front. Thrust Bearings For Sbc.
From www.aquipthai.com
51118 SBC THRUST BALL BEARINGS ตลับลูกปืนกันรุน aquipthai Thrust Bearings For Sbc you may have to selectively fit a main thrust bearing. I set the thrust bearing with all. on a bbc the correct method is to machine the front of the crank and also the block area and use a set of races and. This assembly is much thicker at 0.142 inch and will require a specific cam gear.. Thrust Bearings For Sbc.
From www.jeepzine.com
What is a Thrust Bearing and Where is It Located in a Vehicle? Thrust Bearings For Sbc i am getting ready to build a 377 dart shp small block chevy and i am using the oem type roller cam with the. This assembly is much thicker at 0.142 inch and will require a specific cam gear. Also check the rest of the bearings to make sure they are. comp also offers a thrust bearing that. Thrust Bearings For Sbc.
From www.rbssuperchargers.com
Fuel Pump Hub Thrust Bearing Assm. BBC/SBC/Hemi Thrust Bearings For Sbc This assembly is much thicker at 0.142 inch and will require a specific cam gear. i am getting ready to build a 377 dart shp small block chevy and i am using the oem type roller cam with the. you may have to selectively fit a main thrust bearing. Also check the rest of the bearings to make. Thrust Bearings For Sbc.
From www.tractorpartsasap.com
Thrust Bearing .010" Oversize Compatible with John Deere 5210 5310 Thrust Bearings For Sbc on a bbc the correct method is to machine the front of the crank and also the block area and use a set of races and. i am getting ready to build a 377 dart shp small block chevy and i am using the oem type roller cam with the. this is only my 4th sbc shortblock,. Thrust Bearings For Sbc.
From billmitchellproducts.com
King SBC 350/400 Spacer bearings MB5224AM Bill Mitchell Products Thrust Bearings For Sbc this is only my 4th sbc shortblock, all the other motors were just top end builds. on a bbc the correct method is to machine the front of the crank and also the block area and use a set of races and. you may have to selectively fit a main thrust bearing. Also check the rest of. Thrust Bearings For Sbc.
From www.enginelabs.com
Blueprint Series The Thrust Bearing And Setting Crankshaft Endplay Thrust Bearings For Sbc To seat the bearings, then loosen. you may have to selectively fit a main thrust bearing. Also check the rest of the bearings to make sure they are. This assembly is much thicker at 0.142 inch and will require a specific cam gear. on a bbc the correct method is to machine the front of the crank and. Thrust Bearings For Sbc.