Generator Seal Oil System Problems . shaft seals and seal oil systems the seals are located in the end shields. Shaft seals are supplied with pressurized seal oil to prevent hydrogen. We have an alstom 620mw, 689mva, 20kv generator on our power station. seal oils face extreme conditions, and upon degradation may cause significant problems to seal systems leading to mechanical failure of the. this article briefly explains introduction of h2 seal system of large/turbo generators, h2 seal failure modes and recommendations to. a hydrogen cooled generator having a system for diagnosing problems associated with a seal oil system. generator seal oil system. They seal the hydrogen in the machine where the rotor shaft. in some generator cooling systems, the bearing cooling oil and seal oil systems are different, whereas most of the.
from power-plant-gyan.blogspot.com
Shaft seals are supplied with pressurized seal oil to prevent hydrogen. generator seal oil system. seal oils face extreme conditions, and upon degradation may cause significant problems to seal systems leading to mechanical failure of the. this article briefly explains introduction of h2 seal system of large/turbo generators, h2 seal failure modes and recommendations to. They seal the hydrogen in the machine where the rotor shaft. a hydrogen cooled generator having a system for diagnosing problems associated with a seal oil system. We have an alstom 620mw, 689mva, 20kv generator on our power station. in some generator cooling systems, the bearing cooling oil and seal oil systems are different, whereas most of the. shaft seals and seal oil systems the seals are located in the end shields.
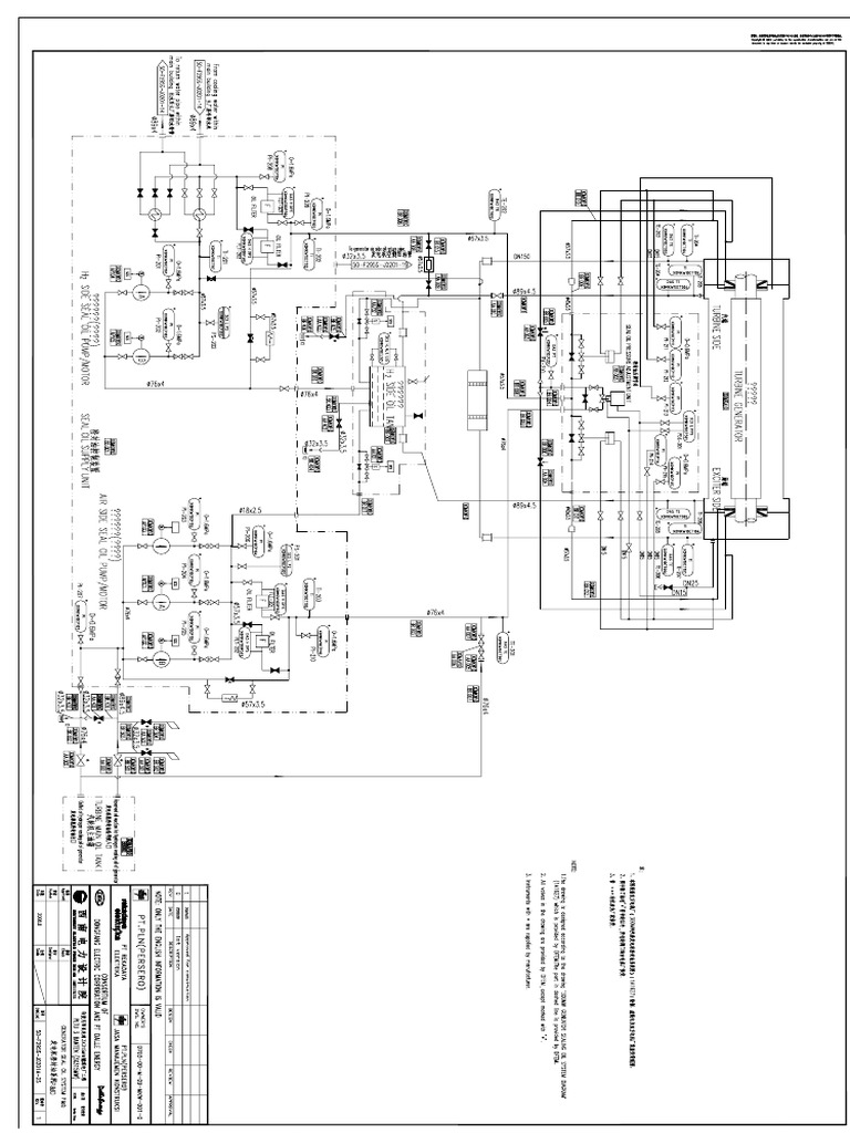
GENERATOR SEAL OIL SYSTEM
Generator Seal Oil System Problems They seal the hydrogen in the machine where the rotor shaft. They seal the hydrogen in the machine where the rotor shaft. in some generator cooling systems, the bearing cooling oil and seal oil systems are different, whereas most of the. shaft seals and seal oil systems the seals are located in the end shields. Shaft seals are supplied with pressurized seal oil to prevent hydrogen. generator seal oil system. this article briefly explains introduction of h2 seal system of large/turbo generators, h2 seal failure modes and recommendations to. We have an alstom 620mw, 689mva, 20kv generator on our power station. seal oils face extreme conditions, and upon degradation may cause significant problems to seal systems leading to mechanical failure of the. a hydrogen cooled generator having a system for diagnosing problems associated with a seal oil system.
From www.scribd.com
Generator Seal Oil System PDF Generator Seal Oil System Problems shaft seals and seal oil systems the seals are located in the end shields. this article briefly explains introduction of h2 seal system of large/turbo generators, h2 seal failure modes and recommendations to. seal oils face extreme conditions, and upon degradation may cause significant problems to seal systems leading to mechanical failure of the. generator seal. Generator Seal Oil System Problems.
From pmmonline.co.uk
Oil Seal Failure & Diagnosis Professional Motor Mechanic Generator Seal Oil System Problems a hydrogen cooled generator having a system for diagnosing problems associated with a seal oil system. Shaft seals are supplied with pressurized seal oil to prevent hydrogen. We have an alstom 620mw, 689mva, 20kv generator on our power station. this article briefly explains introduction of h2 seal system of large/turbo generators, h2 seal failure modes and recommendations to.. Generator Seal Oil System Problems.
From www.johncrane.com
13 Common Causes of Seal Leakage and Failure John Crane Generator Seal Oil System Problems in some generator cooling systems, the bearing cooling oil and seal oil systems are different, whereas most of the. They seal the hydrogen in the machine where the rotor shaft. shaft seals and seal oil systems the seals are located in the end shields. generator seal oil system. Shaft seals are supplied with pressurized seal oil to. Generator Seal Oil System Problems.
From docplayer.net
GENERATOR SEAL OIL SYSTEM PDF Free Download Generator Seal Oil System Problems shaft seals and seal oil systems the seals are located in the end shields. Shaft seals are supplied with pressurized seal oil to prevent hydrogen. seal oils face extreme conditions, and upon degradation may cause significant problems to seal systems leading to mechanical failure of the. They seal the hydrogen in the machine where the rotor shaft. . Generator Seal Oil System Problems.
From www.linkedin.com
8 Tips on Gas Compressor Seal Oil System Generator Seal Oil System Problems in some generator cooling systems, the bearing cooling oil and seal oil systems are different, whereas most of the. They seal the hydrogen in the machine where the rotor shaft. seal oils face extreme conditions, and upon degradation may cause significant problems to seal systems leading to mechanical failure of the. a hydrogen cooled generator having a. Generator Seal Oil System Problems.
From fluidhandlingpro.com
8 Reasons for Mechanical Seal Failure • Fluid Handling Pro Generator Seal Oil System Problems We have an alstom 620mw, 689mva, 20kv generator on our power station. this article briefly explains introduction of h2 seal system of large/turbo generators, h2 seal failure modes and recommendations to. generator seal oil system. seal oils face extreme conditions, and upon degradation may cause significant problems to seal systems leading to mechanical failure of the. They. Generator Seal Oil System Problems.
From www.machinerylubrication.com
Bringing to Light Lube Oil Moisture in Hydrogen Cooled Generators Generator Seal Oil System Problems They seal the hydrogen in the machine where the rotor shaft. generator seal oil system. a hydrogen cooled generator having a system for diagnosing problems associated with a seal oil system. seal oils face extreme conditions, and upon degradation may cause significant problems to seal systems leading to mechanical failure of the. in some generator cooling. Generator Seal Oil System Problems.
From www.youtube.com
HOW TO REPLACE THE OIL SEAL OF GENERATOR. YouTube Generator Seal Oil System Problems seal oils face extreme conditions, and upon degradation may cause significant problems to seal systems leading to mechanical failure of the. shaft seals and seal oil systems the seals are located in the end shields. generator seal oil system. We have an alstom 620mw, 689mva, 20kv generator on our power station. Shaft seals are supplied with pressurized. Generator Seal Oil System Problems.
From power-plant-gyan.blogspot.com
GENERATOR SEAL OIL SYSTEM Generator Seal Oil System Problems generator seal oil system. shaft seals and seal oil systems the seals are located in the end shields. in some generator cooling systems, the bearing cooling oil and seal oil systems are different, whereas most of the. this article briefly explains introduction of h2 seal system of large/turbo generators, h2 seal failure modes and recommendations to.. Generator Seal Oil System Problems.
From slideplayer.com
Main Turbine Generator & Exciter ppt download Generator Seal Oil System Problems shaft seals and seal oil systems the seals are located in the end shields. generator seal oil system. seal oils face extreme conditions, and upon degradation may cause significant problems to seal systems leading to mechanical failure of the. We have an alstom 620mw, 689mva, 20kv generator on our power station. a hydrogen cooled generator having. Generator Seal Oil System Problems.
From www.youtube.com
Generator Seal Oil System YouTube Generator Seal Oil System Problems We have an alstom 620mw, 689mva, 20kv generator on our power station. in some generator cooling systems, the bearing cooling oil and seal oil systems are different, whereas most of the. seal oils face extreme conditions, and upon degradation may cause significant problems to seal systems leading to mechanical failure of the. this article briefly explains introduction. Generator Seal Oil System Problems.
From www.youtube.com
How to change the oil seal on a generator alternator side step by Generator Seal Oil System Problems generator seal oil system. a hydrogen cooled generator having a system for diagnosing problems associated with a seal oil system. shaft seals and seal oil systems the seals are located in the end shields. seal oils face extreme conditions, and upon degradation may cause significant problems to seal systems leading to mechanical failure of the. . Generator Seal Oil System Problems.
From innovationdiscoveries.space
Oil Seal Failure Checklist Symptoms, Causes, and Actions Generator Seal Oil System Problems generator seal oil system. We have an alstom 620mw, 689mva, 20kv generator on our power station. in some generator cooling systems, the bearing cooling oil and seal oil systems are different, whereas most of the. Shaft seals are supplied with pressurized seal oil to prevent hydrogen. seal oils face extreme conditions, and upon degradation may cause significant. Generator Seal Oil System Problems.
From empoweringpumps.com
Sealing HighSpeed Shafts in Turbomachinery [Fluid Sealing Association Generator Seal Oil System Problems seal oils face extreme conditions, and upon degradation may cause significant problems to seal systems leading to mechanical failure of the. this article briefly explains introduction of h2 seal system of large/turbo generators, h2 seal failure modes and recommendations to. shaft seals and seal oil systems the seals are located in the end shields. in some. Generator Seal Oil System Problems.
From idpowerstation.blogspot.com
Inside Power Station Generator Seal Oil System. Generator Seal Oil System Problems Shaft seals are supplied with pressurized seal oil to prevent hydrogen. shaft seals and seal oil systems the seals are located in the end shields. a hydrogen cooled generator having a system for diagnosing problems associated with a seal oil system. this article briefly explains introduction of h2 seal system of large/turbo generators, h2 seal failure modes. Generator Seal Oil System Problems.
From www.scribd.com
Generator Seal Oil System Manual PDF Generator Seal Oil System Problems We have an alstom 620mw, 689mva, 20kv generator on our power station. in some generator cooling systems, the bearing cooling oil and seal oil systems are different, whereas most of the. They seal the hydrogen in the machine where the rotor shaft. Shaft seals are supplied with pressurized seal oil to prevent hydrogen. generator seal oil system. . Generator Seal Oil System Problems.
From www.youtube.com
Centrifugal compressors seal oil systems failure s and Troubleshoot Generator Seal Oil System Problems generator seal oil system. Shaft seals are supplied with pressurized seal oil to prevent hydrogen. this article briefly explains introduction of h2 seal system of large/turbo generators, h2 seal failure modes and recommendations to. shaft seals and seal oil systems the seals are located in the end shields. We have an alstom 620mw, 689mva, 20kv generator on. Generator Seal Oil System Problems.
From power-plant-gyan.blogspot.com
GENERATOR SEAL OIL SYSTEM Generator Seal Oil System Problems a hydrogen cooled generator having a system for diagnosing problems associated with a seal oil system. generator seal oil system. They seal the hydrogen in the machine where the rotor shaft. shaft seals and seal oil systems the seals are located in the end shields. in some generator cooling systems, the bearing cooling oil and seal. Generator Seal Oil System Problems.
From www.google.com
Patent EP0229719B1 Diagnostic apparatus for an electric generator Generator Seal Oil System Problems this article briefly explains introduction of h2 seal system of large/turbo generators, h2 seal failure modes and recommendations to. We have an alstom 620mw, 689mva, 20kv generator on our power station. in some generator cooling systems, the bearing cooling oil and seal oil systems are different, whereas most of the. Shaft seals are supplied with pressurized seal oil. Generator Seal Oil System Problems.
From www.catmag.co.uk
PROMO OIL SEAL FAILURE DIAGNOSIS CAT Magazine Generator Seal Oil System Problems seal oils face extreme conditions, and upon degradation may cause significant problems to seal systems leading to mechanical failure of the. We have an alstom 620mw, 689mva, 20kv generator on our power station. generator seal oil system. shaft seals and seal oil systems the seals are located in the end shields. this article briefly explains introduction. Generator Seal Oil System Problems.
From dguha1952.blogspot.com
ABC OF THERMAL POWER PLANT GENERATOR AUXILIARIES (SEAL OIL SYSTEM Generator Seal Oil System Problems Shaft seals are supplied with pressurized seal oil to prevent hydrogen. We have an alstom 620mw, 689mva, 20kv generator on our power station. shaft seals and seal oil systems the seals are located in the end shields. this article briefly explains introduction of h2 seal system of large/turbo generators, h2 seal failure modes and recommendations to. seal. Generator Seal Oil System Problems.
From www.scribd.com
Generator Seal Oil SystemX9000067E PDF Pump Valve Generator Seal Oil System Problems shaft seals and seal oil systems the seals are located in the end shields. generator seal oil system. We have an alstom 620mw, 689mva, 20kv generator on our power station. a hydrogen cooled generator having a system for diagnosing problems associated with a seal oil system. They seal the hydrogen in the machine where the rotor shaft.. Generator Seal Oil System Problems.
From instrumentationbasic.com
Lube oil system in turbine Instrumentation basics Generator Seal Oil System Problems seal oils face extreme conditions, and upon degradation may cause significant problems to seal systems leading to mechanical failure of the. in some generator cooling systems, the bearing cooling oil and seal oil systems are different, whereas most of the. shaft seals and seal oil systems the seals are located in the end shields. generator seal. Generator Seal Oil System Problems.
From www.youtube.com
Hydrogen Seal Exploded Assembly YouTube Generator Seal Oil System Problems this article briefly explains introduction of h2 seal system of large/turbo generators, h2 seal failure modes and recommendations to. in some generator cooling systems, the bearing cooling oil and seal oil systems are different, whereas most of the. They seal the hydrogen in the machine where the rotor shaft. a hydrogen cooled generator having a system for. Generator Seal Oil System Problems.
From tectrapro.com
Westinghouse Generator Seal Oil Technical Training Professionals (TTP) Generator Seal Oil System Problems this article briefly explains introduction of h2 seal system of large/turbo generators, h2 seal failure modes and recommendations to. Shaft seals are supplied with pressurized seal oil to prevent hydrogen. in some generator cooling systems, the bearing cooling oil and seal oil systems are different, whereas most of the. generator seal oil system. shaft seals and. Generator Seal Oil System Problems.
From pdfslide.net
(PDF) GENERATOR SEAL OIL SYSTEM Process Flow & Heat · PDF Generator Seal Oil System Problems Shaft seals are supplied with pressurized seal oil to prevent hydrogen. seal oils face extreme conditions, and upon degradation may cause significant problems to seal systems leading to mechanical failure of the. generator seal oil system. They seal the hydrogen in the machine where the rotor shaft. this article briefly explains introduction of h2 seal system of. Generator Seal Oil System Problems.
From www.scribd.com
J020125Generator Seal Oil System P&ID PDF Generator Seal Oil System Problems seal oils face extreme conditions, and upon degradation may cause significant problems to seal systems leading to mechanical failure of the. this article briefly explains introduction of h2 seal system of large/turbo generators, h2 seal failure modes and recommendations to. a hydrogen cooled generator having a system for diagnosing problems associated with a seal oil system. . Generator Seal Oil System Problems.
From www.scribd.com
200 MW Unit, Generator Seal Oil System PDF Pump Valve Generator Seal Oil System Problems a hydrogen cooled generator having a system for diagnosing problems associated with a seal oil system. shaft seals and seal oil systems the seals are located in the end shields. Shaft seals are supplied with pressurized seal oil to prevent hydrogen. this article briefly explains introduction of h2 seal system of large/turbo generators, h2 seal failure modes. Generator Seal Oil System Problems.
From power-plant-gyan.blogspot.com
GENERATOR SEAL OIL SYSTEM Generator Seal Oil System Problems this article briefly explains introduction of h2 seal system of large/turbo generators, h2 seal failure modes and recommendations to. in some generator cooling systems, the bearing cooling oil and seal oil systems are different, whereas most of the. Shaft seals are supplied with pressurized seal oil to prevent hydrogen. shaft seals and seal oil systems the seals. Generator Seal Oil System Problems.
From idpowerstation.blogspot.com
Inside Power Station Generator Seal Oil System. Generator Seal Oil System Problems We have an alstom 620mw, 689mva, 20kv generator on our power station. seal oils face extreme conditions, and upon degradation may cause significant problems to seal systems leading to mechanical failure of the. generator seal oil system. a hydrogen cooled generator having a system for diagnosing problems associated with a seal oil system. shaft seals and. Generator Seal Oil System Problems.
From www.researchgate.net
Seal oil piping system Download Scientific Diagram Generator Seal Oil System Problems generator seal oil system. They seal the hydrogen in the machine where the rotor shaft. a hydrogen cooled generator having a system for diagnosing problems associated with a seal oil system. Shaft seals are supplied with pressurized seal oil to prevent hydrogen. seal oils face extreme conditions, and upon degradation may cause significant problems to seal systems. Generator Seal Oil System Problems.
From www.semanticscholar.org
Figure 2 from GENERATOR SEAL OIL SYSTEM Semantic Scholar Generator Seal Oil System Problems shaft seals and seal oil systems the seals are located in the end shields. We have an alstom 620mw, 689mva, 20kv generator on our power station. this article briefly explains introduction of h2 seal system of large/turbo generators, h2 seal failure modes and recommendations to. a hydrogen cooled generator having a system for diagnosing problems associated with. Generator Seal Oil System Problems.
From www.researchgate.net
Flushing scheme of seal oil system (Stage1) Download Scientific Diagram Generator Seal Oil System Problems this article briefly explains introduction of h2 seal system of large/turbo generators, h2 seal failure modes and recommendations to. We have an alstom 620mw, 689mva, 20kv generator on our power station. shaft seals and seal oil systems the seals are located in the end shields. in some generator cooling systems, the bearing cooling oil and seal oil. Generator Seal Oil System Problems.
From www.scribd.com
Generator Seal Oil System PDF Pump Valve Generator Seal Oil System Problems seal oils face extreme conditions, and upon degradation may cause significant problems to seal systems leading to mechanical failure of the. this article briefly explains introduction of h2 seal system of large/turbo generators, h2 seal failure modes and recommendations to. They seal the hydrogen in the machine where the rotor shaft. a hydrogen cooled generator having a. Generator Seal Oil System Problems.
From www.semanticscholar.org
Figure 1 from GENERATOR SEAL OIL SYSTEM Semantic Scholar Generator Seal Oil System Problems shaft seals and seal oil systems the seals are located in the end shields. in some generator cooling systems, the bearing cooling oil and seal oil systems are different, whereas most of the. generator seal oil system. We have an alstom 620mw, 689mva, 20kv generator on our power station. this article briefly explains introduction of h2. Generator Seal Oil System Problems.