Starter Relay Blowing Fuses . When a starter fuse is blown, the car may fail to start, show intermittent starting issues, or certain dashboard lights might not function. If the starter relay is acting up due to excessive dirt or corrosion, you. The main reasons why your starter fuse keeps blowing are battery issues, a bad starter relay, a faulty ignition switch, a. Repair options include replacing the fuse and. Fix the relay, or replace the relay. When you experience a faulty starter relay, you have two options; Installing a fuse box starter relay is one of the most straightforward diy jobs. How do i know if my starter relay fuse is blown? When your car doesn’t start, the engine doesn’t make any noise, or you hear a clicking sound when you try to turn it on, it might mean. Compare both new and old relays. The most obvious warning sign of a bad starter relay is when the vehicle won't start.
from www.youtube.com
If the starter relay is acting up due to excessive dirt or corrosion, you. When your car doesn’t start, the engine doesn’t make any noise, or you hear a clicking sound when you try to turn it on, it might mean. The most obvious warning sign of a bad starter relay is when the vehicle won't start. Installing a fuse box starter relay is one of the most straightforward diy jobs. Repair options include replacing the fuse and. When a starter fuse is blown, the car may fail to start, show intermittent starting issues, or certain dashboard lights might not function. Fix the relay, or replace the relay. Compare both new and old relays. The main reasons why your starter fuse keeps blowing are battery issues, a bad starter relay, a faulty ignition switch, a. How do i know if my starter relay fuse is blown?
How to fix a blown fuse. Short to ground YouTube
Starter Relay Blowing Fuses Compare both new and old relays. Fix the relay, or replace the relay. The main reasons why your starter fuse keeps blowing are battery issues, a bad starter relay, a faulty ignition switch, a. When you experience a faulty starter relay, you have two options; The most obvious warning sign of a bad starter relay is when the vehicle won't start. Compare both new and old relays. When a starter fuse is blown, the car may fail to start, show intermittent starting issues, or certain dashboard lights might not function. How do i know if my starter relay fuse is blown? If the starter relay is acting up due to excessive dirt or corrosion, you. Installing a fuse box starter relay is one of the most straightforward diy jobs. When your car doesn’t start, the engine doesn’t make any noise, or you hear a clicking sound when you try to turn it on, it might mean. Repair options include replacing the fuse and.
From www.youtube.com
2007 F150 Starter Fuse, Starter Relay, Starter Circuit Explained YouTube Starter Relay Blowing Fuses Compare both new and old relays. If the starter relay is acting up due to excessive dirt or corrosion, you. The most obvious warning sign of a bad starter relay is when the vehicle won't start. Fix the relay, or replace the relay. Installing a fuse box starter relay is one of the most straightforward diy jobs. When your car. Starter Relay Blowing Fuses.
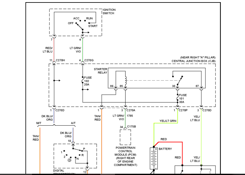
From www.ford-trucks.com
2007 f150 4.6L V8 keeps blowing 101 fuse J30 starter solenoid Ford Starter Relay Blowing Fuses Repair options include replacing the fuse and. When a starter fuse is blown, the car may fail to start, show intermittent starting issues, or certain dashboard lights might not function. If the starter relay is acting up due to excessive dirt or corrosion, you. Fix the relay, or replace the relay. Installing a fuse box starter relay is one of. Starter Relay Blowing Fuses.
From www.multinationalparts.com
Starter Relay Starter Solenoid, Fuse Based with 2 Fuses, CF Moto, XY Starter Relay Blowing Fuses The most obvious warning sign of a bad starter relay is when the vehicle won't start. When your car doesn’t start, the engine doesn’t make any noise, or you hear a clicking sound when you try to turn it on, it might mean. When you experience a faulty starter relay, you have two options; How do i know if my. Starter Relay Blowing Fuses.
From www.yourmechanic.com
Signs Your Car Has a Blown Fuse YourMechanic Advice Starter Relay Blowing Fuses If the starter relay is acting up due to excessive dirt or corrosion, you. When your car doesn’t start, the engine doesn’t make any noise, or you hear a clicking sound when you try to turn it on, it might mean. The main reasons why your starter fuse keeps blowing are battery issues, a bad starter relay, a faulty ignition. Starter Relay Blowing Fuses.
From forums.mbclub.co.uk
W210 K40 Relay blowing fuse Engine UK Bringing together Starter Relay Blowing Fuses The main reasons why your starter fuse keeps blowing are battery issues, a bad starter relay, a faulty ignition switch, a. How do i know if my starter relay fuse is blown? Installing a fuse box starter relay is one of the most straightforward diy jobs. The most obvious warning sign of a bad starter relay is when the vehicle. Starter Relay Blowing Fuses.
From www.youtube.com
How To Check For a Blown Fuse YouTube Starter Relay Blowing Fuses If the starter relay is acting up due to excessive dirt or corrosion, you. The most obvious warning sign of a bad starter relay is when the vehicle won't start. When you experience a faulty starter relay, you have two options; Repair options include replacing the fuse and. How do i know if my starter relay fuse is blown? When. Starter Relay Blowing Fuses.
From www.youtube.com
2006 Ford F250 Starter Relay, Starter Fuses & Circuit Explained YouTube Starter Relay Blowing Fuses Installing a fuse box starter relay is one of the most straightforward diy jobs. When a starter fuse is blown, the car may fail to start, show intermittent starting issues, or certain dashboard lights might not function. If the starter relay is acting up due to excessive dirt or corrosion, you. The most obvious warning sign of a bad starter. Starter Relay Blowing Fuses.
From vehiclechef.com
Car Starter Fuse Keeps Blowing (Fix It With These 6 Steps) VehicleChef Starter Relay Blowing Fuses Compare both new and old relays. When you experience a faulty starter relay, you have two options; How do i know if my starter relay fuse is blown? When a starter fuse is blown, the car may fail to start, show intermittent starting issues, or certain dashboard lights might not function. Repair options include replacing the fuse and. The most. Starter Relay Blowing Fuses.
From dallasgorman.blogspot.com
Dallas Gorman Starter Relay Blowing Fuses Installing a fuse box starter relay is one of the most straightforward diy jobs. The most obvious warning sign of a bad starter relay is when the vehicle won't start. When a starter fuse is blown, the car may fail to start, show intermittent starting issues, or certain dashboard lights might not function. When you experience a faulty starter relay,. Starter Relay Blowing Fuses.
From asunciongallardo.blogspot.com
starter relay fuse keeps blowing Tiffanie Guyton Starter Relay Blowing Fuses Compare both new and old relays. How do i know if my starter relay fuse is blown? When a starter fuse is blown, the car may fail to start, show intermittent starting issues, or certain dashboard lights might not function. The most obvious warning sign of a bad starter relay is when the vehicle won't start. If the starter relay. Starter Relay Blowing Fuses.
From mountitright.com
Why Do My AC Fuses Keep Blowing? The Ultimate Guide Mount It Right Starter Relay Blowing Fuses Installing a fuse box starter relay is one of the most straightforward diy jobs. How do i know if my starter relay fuse is blown? Fix the relay, or replace the relay. When your car doesn’t start, the engine doesn’t make any noise, or you hear a clicking sound when you try to turn it on, it might mean. If. Starter Relay Blowing Fuses.
From www.multinationalparts.com
Starter Relay Starter Solenoid, Fuse Based with 2 Fuses Multi Starter Relay Blowing Fuses When you experience a faulty starter relay, you have two options; Compare both new and old relays. The main reasons why your starter fuse keeps blowing are battery issues, a bad starter relay, a faulty ignition switch, a. When a starter fuse is blown, the car may fail to start, show intermittent starting issues, or certain dashboard lights might not. Starter Relay Blowing Fuses.
From www.youtube.com
2007 Ford E350 Starter Fuses & Relay Location, Starter Circuit Starter Relay Blowing Fuses Compare both new and old relays. When you experience a faulty starter relay, you have two options; Installing a fuse box starter relay is one of the most straightforward diy jobs. The most obvious warning sign of a bad starter relay is when the vehicle won't start. When your car doesn’t start, the engine doesn’t make any noise, or you. Starter Relay Blowing Fuses.
From www.apriliaforum.com
Battery installation error blows fuse in starter relay Starter Relay Blowing Fuses Installing a fuse box starter relay is one of the most straightforward diy jobs. The most obvious warning sign of a bad starter relay is when the vehicle won't start. How do i know if my starter relay fuse is blown? When you experience a faulty starter relay, you have two options; The main reasons why your starter fuse keeps. Starter Relay Blowing Fuses.
From www.youtube.com
2013 F150 Starter Relay, Fuel Pump Relay and Fuses YouTube Starter Relay Blowing Fuses Fix the relay, or replace the relay. Repair options include replacing the fuse and. How do i know if my starter relay fuse is blown? Compare both new and old relays. When your car doesn’t start, the engine doesn’t make any noise, or you hear a clicking sound when you try to turn it on, it might mean. If the. Starter Relay Blowing Fuses.
From www.reddit.com
HELP!!! XSR700 Starter relay fuse blowing left side. might be abs fault Starter Relay Blowing Fuses How do i know if my starter relay fuse is blown? Fix the relay, or replace the relay. When you experience a faulty starter relay, you have two options; When a starter fuse is blown, the car may fail to start, show intermittent starting issues, or certain dashboard lights might not function. Repair options include replacing the fuse and. When. Starter Relay Blowing Fuses.
From www.reddit.com
intermittent blowing main fuse to starter solenoid r/AskMechanics Starter Relay Blowing Fuses Compare both new and old relays. How do i know if my starter relay fuse is blown? When your car doesn’t start, the engine doesn’t make any noise, or you hear a clicking sound when you try to turn it on, it might mean. When a starter fuse is blown, the car may fail to start, show intermittent starting issues,. Starter Relay Blowing Fuses.
From www.youtube.com
Peugeot 308 fuse 8 starter fuse blowing YouTube Starter Relay Blowing Fuses Compare both new and old relays. Installing a fuse box starter relay is one of the most straightforward diy jobs. When you experience a faulty starter relay, you have two options; Repair options include replacing the fuse and. How do i know if my starter relay fuse is blown? If the starter relay is acting up due to excessive dirt. Starter Relay Blowing Fuses.
From www.multinationalparts.com
Starter Relay Starter Solenoid, Fuse Based with 2 Fuses, CF Moto, XY Starter Relay Blowing Fuses When you experience a faulty starter relay, you have two options; The main reasons why your starter fuse keeps blowing are battery issues, a bad starter relay, a faulty ignition switch, a. If the starter relay is acting up due to excessive dirt or corrosion, you. When your car doesn’t start, the engine doesn’t make any noise, or you hear. Starter Relay Blowing Fuses.
From www.aliontimer.com
Symptoms of starting relay failure and how to test? Starter Relay Blowing Fuses When a starter fuse is blown, the car may fail to start, show intermittent starting issues, or certain dashboard lights might not function. Installing a fuse box starter relay is one of the most straightforward diy jobs. The main reasons why your starter fuse keeps blowing are battery issues, a bad starter relay, a faulty ignition switch, a. When your. Starter Relay Blowing Fuses.
From www.maniaquedepieces.ca
Starter Relay Starter Solenoid, Fuse Based with 2 Fuses / 10A2520 Starter Relay Blowing Fuses When you experience a faulty starter relay, you have two options; The main reasons why your starter fuse keeps blowing are battery issues, a bad starter relay, a faulty ignition switch, a. Installing a fuse box starter relay is one of the most straightforward diy jobs. When a starter fuse is blown, the car may fail to start, show intermittent. Starter Relay Blowing Fuses.
From www.cargurus.com
Ford Focus Questions Ignition Switch / Starter Fuse keeps blowing Starter Relay Blowing Fuses Repair options include replacing the fuse and. When your car doesn’t start, the engine doesn’t make any noise, or you hear a clicking sound when you try to turn it on, it might mean. The main reasons why your starter fuse keeps blowing are battery issues, a bad starter relay, a faulty ignition switch, a. If the starter relay is. Starter Relay Blowing Fuses.
From www.reddit.com
['07 Yamaha FZ6] Left 30a starter relay fuse keeps blowing. Fixxit Starter Relay Blowing Fuses Installing a fuse box starter relay is one of the most straightforward diy jobs. How do i know if my starter relay fuse is blown? When a starter fuse is blown, the car may fail to start, show intermittent starting issues, or certain dashboard lights might not function. Repair options include replacing the fuse and. The main reasons why your. Starter Relay Blowing Fuses.
From startersolenoid.net
Starter Relay The Ultimate Guide T&X Starter Relay Blowing Fuses Fix the relay, or replace the relay. If the starter relay is acting up due to excessive dirt or corrosion, you. When you experience a faulty starter relay, you have two options; The most obvious warning sign of a bad starter relay is when the vehicle won't start. When your car doesn’t start, the engine doesn’t make any noise, or. Starter Relay Blowing Fuses.
From www.youtube.com
2003 Dodge Ram 2500 Starter Relay, Starter Fuses & Ignition Switch Starter Relay Blowing Fuses Compare both new and old relays. If the starter relay is acting up due to excessive dirt or corrosion, you. Fix the relay, or replace the relay. When your car doesn’t start, the engine doesn’t make any noise, or you hear a clicking sound when you try to turn it on, it might mean. Installing a fuse box starter relay. Starter Relay Blowing Fuses.
From www.youtube.com
How to fix a blown fuse. Short to ground YouTube Starter Relay Blowing Fuses When your car doesn’t start, the engine doesn’t make any noise, or you hear a clicking sound when you try to turn it on, it might mean. The most obvious warning sign of a bad starter relay is when the vehicle won't start. Installing a fuse box starter relay is one of the most straightforward diy jobs. Fix the relay,. Starter Relay Blowing Fuses.
From www.2carpros.com
40amp Main Fuse to Starter Solenoid Blowing Intermittently on Starter Relay Blowing Fuses When your car doesn’t start, the engine doesn’t make any noise, or you hear a clicking sound when you try to turn it on, it might mean. When a starter fuse is blown, the car may fail to start, show intermittent starting issues, or certain dashboard lights might not function. How do i know if my starter relay fuse is. Starter Relay Blowing Fuses.
From www.youtube.com
2008 Ford F250 Starter Relay & Fuses, Starter Circuit Explained YouTube Starter Relay Blowing Fuses Repair options include replacing the fuse and. The main reasons why your starter fuse keeps blowing are battery issues, a bad starter relay, a faulty ignition switch, a. When a starter fuse is blown, the car may fail to start, show intermittent starting issues, or certain dashboard lights might not function. Fix the relay, or replace the relay. The most. Starter Relay Blowing Fuses.
From ozellscholl.blogspot.com
starter relay fuse keeps blowing Ozell Scholl Starter Relay Blowing Fuses Repair options include replacing the fuse and. Compare both new and old relays. Fix the relay, or replace the relay. The most obvious warning sign of a bad starter relay is when the vehicle won't start. The main reasons why your starter fuse keeps blowing are battery issues, a bad starter relay, a faulty ignition switch, a. When you experience. Starter Relay Blowing Fuses.
From www.youtube.com
2009 Saturn Vue AC Relay & AC Fuse, Blower Motor Fuse YouTube Starter Relay Blowing Fuses Fix the relay, or replace the relay. How do i know if my starter relay fuse is blown? When your car doesn’t start, the engine doesn’t make any noise, or you hear a clicking sound when you try to turn it on, it might mean. Repair options include replacing the fuse and. The main reasons why your starter fuse keeps. Starter Relay Blowing Fuses.
From doreathapence.blogspot.com
starter relay fuse symptoms Doreatha Pence Starter Relay Blowing Fuses The main reasons why your starter fuse keeps blowing are battery issues, a bad starter relay, a faulty ignition switch, a. When you experience a faulty starter relay, you have two options; Installing a fuse box starter relay is one of the most straightforward diy jobs. When a starter fuse is blown, the car may fail to start, show intermittent. Starter Relay Blowing Fuses.
From celestinavickery.blogspot.com
starter relay fuse keeps blowing Celestina Vickery Starter Relay Blowing Fuses Fix the relay, or replace the relay. The most obvious warning sign of a bad starter relay is when the vehicle won't start. When your car doesn’t start, the engine doesn’t make any noise, or you hear a clicking sound when you try to turn it on, it might mean. Compare both new and old relays. Installing a fuse box. Starter Relay Blowing Fuses.
From www.abibaba.ca
Starter Relay Starter Solenoid, Fuse Based with 2 Fuses, 500cc, 550cc Starter Relay Blowing Fuses If the starter relay is acting up due to excessive dirt or corrosion, you. When a starter fuse is blown, the car may fail to start, show intermittent starting issues, or certain dashboard lights might not function. When your car doesn’t start, the engine doesn’t make any noise, or you hear a clicking sound when you try to turn it. Starter Relay Blowing Fuses.
From br.ifunny.co
Keep blowing fuse 101. One of the green lines must be fucked right? Got Starter Relay Blowing Fuses When you experience a faulty starter relay, you have two options; Installing a fuse box starter relay is one of the most straightforward diy jobs. If the starter relay is acting up due to excessive dirt or corrosion, you. Fix the relay, or replace the relay. When your car doesn’t start, the engine doesn’t make any noise, or you hear. Starter Relay Blowing Fuses.
From www.youtube.com
2017 Chevy Cruze Starter Relay & Starter Fuse Location YouTube Starter Relay Blowing Fuses Installing a fuse box starter relay is one of the most straightforward diy jobs. When a starter fuse is blown, the car may fail to start, show intermittent starting issues, or certain dashboard lights might not function. Fix the relay, or replace the relay. When your car doesn’t start, the engine doesn’t make any noise, or you hear a clicking. Starter Relay Blowing Fuses.