In Adjacent Potentiometer Circuit When Key K1 Is Closed . In an experiment, an external resistance of r = 60 ω is used across the given cell. The internal resistance of a cell is to be determined using a potentiometer. A potentiometer is similar to a variable resistor connected as a potential. (ii) 1/2 when both keys k 1 and k 2 are closed. The balance length when key k1 is closed and k2 is open is 12 cm, which matches with the option (c). The correct option is c charge on c1 gets redistributed such that v 1 =v 2. Step by step video & image solution for in given potentiometer experiment key k_1, is closed first keeping k_2 open and then k_2 is closed. (i) i when key k 1 is closed but key k 2 is open. Find the charge when key k1 is closed. On closing k 2 also and adjusting r 2 to. The galvanometer deflection, when key k 1 is closed but is open equals θ 0 (see figure). Find the expression of the resistance of. For key k 1 (closed), the jockey is adjusted to touch the wire at point j 1 so that there is no reflection in the galvanometer.
from mungfali.com
Find the expression of the resistance of. In an experiment, an external resistance of r = 60 ω is used across the given cell. For key k 1 (closed), the jockey is adjusted to touch the wire at point j 1 so that there is no reflection in the galvanometer. Find the charge when key k1 is closed. (ii) 1/2 when both keys k 1 and k 2 are closed. A potentiometer is similar to a variable resistor connected as a potential. The internal resistance of a cell is to be determined using a potentiometer. The galvanometer deflection, when key k 1 is closed but is open equals θ 0 (see figure). (i) i when key k 1 is closed but key k 2 is open. On closing k 2 also and adjusting r 2 to.
Potentiometer In A Circuit
In Adjacent Potentiometer Circuit When Key K1 Is Closed On closing k 2 also and adjusting r 2 to. The internal resistance of a cell is to be determined using a potentiometer. The balance length when key k1 is closed and k2 is open is 12 cm, which matches with the option (c). Find the expression of the resistance of. Step by step video & image solution for in given potentiometer experiment key k_1, is closed first keeping k_2 open and then k_2 is closed. In an experiment, an external resistance of r = 60 ω is used across the given cell. A potentiometer is similar to a variable resistor connected as a potential. Find the charge when key k1 is closed. (ii) 1/2 when both keys k 1 and k 2 are closed. (i) i when key k 1 is closed but key k 2 is open. For key k 1 (closed), the jockey is adjusted to touch the wire at point j 1 so that there is no reflection in the galvanometer. The correct option is c charge on c1 gets redistributed such that v 1 =v 2. On closing k 2 also and adjusting r 2 to. The galvanometer deflection, when key k 1 is closed but is open equals θ 0 (see figure).
From www.toppr.com
A battery of emf E and internal resistance r is connected to the In Adjacent Potentiometer Circuit When Key K1 Is Closed The balance length when key k1 is closed and k2 is open is 12 cm, which matches with the option (c). Find the expression of the resistance of. A potentiometer is similar to a variable resistor connected as a potential. Find the charge when key k1 is closed. Step by step video & image solution for in given potentiometer experiment. In Adjacent Potentiometer Circuit When Key K1 Is Closed.
From www.topperlearning.com
a circuit is set up as shown in the figure,calculate the current and p In Adjacent Potentiometer Circuit When Key K1 Is Closed The correct option is c charge on c1 gets redistributed such that v 1 =v 2. The balance length when key k1 is closed and k2 is open is 12 cm, which matches with the option (c). In an experiment, an external resistance of r = 60 ω is used across the given cell. Find the expression of the resistance. In Adjacent Potentiometer Circuit When Key K1 Is Closed.
From www.zigyan.com
Consider the circuit shown in the figure. Find the current i flowing In Adjacent Potentiometer Circuit When Key K1 Is Closed (ii) 1/2 when both keys k 1 and k 2 are closed. (i) i when key k 1 is closed but key k 2 is open. Find the expression of the resistance of. Find the charge when key k1 is closed. The balance length when key k1 is closed and k2 is open is 12 cm, which matches with the. In Adjacent Potentiometer Circuit When Key K1 Is Closed.
From askfilo.com
1. In the circuit shown in fig. initially key K1 is closed and key K2 i.. In Adjacent Potentiometer Circuit When Key K1 Is Closed Step by step video & image solution for in given potentiometer experiment key k_1, is closed first keeping k_2 open and then k_2 is closed. The correct option is c charge on c1 gets redistributed such that v 1 =v 2. (i) i when key k 1 is closed but key k 2 is open. Find the charge when key. In Adjacent Potentiometer Circuit When Key K1 Is Closed.
From www.toppr.com
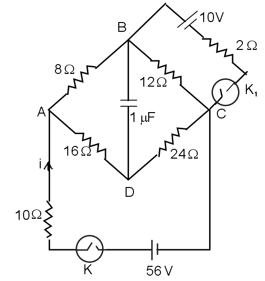
108. In adjacent potentiometer circuit, when key K, is closed and K, is In Adjacent Potentiometer Circuit When Key K1 Is Closed Find the expression of the resistance of. The galvanometer deflection, when key k 1 is closed but is open equals θ 0 (see figure). The correct option is c charge on c1 gets redistributed such that v 1 =v 2. The internal resistance of a cell is to be determined using a potentiometer. For key k 1 (closed), the jockey. In Adjacent Potentiometer Circuit When Key K1 Is Closed.
From www.toppr.com
A battery of emf E and internal resistance r is connected to the In Adjacent Potentiometer Circuit When Key K1 Is Closed The internal resistance of a cell is to be determined using a potentiometer. The galvanometer deflection, when key k 1 is closed but is open equals θ 0 (see figure). Find the expression of the resistance of. In an experiment, an external resistance of r = 60 ω is used across the given cell. On closing k 2 also and. In Adjacent Potentiometer Circuit When Key K1 Is Closed.
From www.toppr.com
A battery of emf E and internal resistance r is connected to the In Adjacent Potentiometer Circuit When Key K1 Is Closed The galvanometer deflection, when key k 1 is closed but is open equals θ 0 (see figure). A potentiometer is similar to a variable resistor connected as a potential. The internal resistance of a cell is to be determined using a potentiometer. The correct option is c charge on c1 gets redistributed such that v 1 =v 2. Step by. In Adjacent Potentiometer Circuit When Key K1 Is Closed.
From www.toppr.com
108. In adjacent potentiometer circuit, when key K, is closed and K, is In Adjacent Potentiometer Circuit When Key K1 Is Closed On closing k 2 also and adjusting r 2 to. Find the charge when key k1 is closed. (i) i when key k 1 is closed but key k 2 is open. The balance length when key k1 is closed and k2 is open is 12 cm, which matches with the option (c). The galvanometer deflection, when key k 1. In Adjacent Potentiometer Circuit When Key K1 Is Closed.
From brainly.in
Calculate the electric current in the given circuit when(i) key K1 is In Adjacent Potentiometer Circuit When Key K1 Is Closed Find the expression of the resistance of. The correct option is c charge on c1 gets redistributed such that v 1 =v 2. Step by step video & image solution for in given potentiometer experiment key k_1, is closed first keeping k_2 open and then k_2 is closed. (ii) 1/2 when both keys k 1 and k 2 are closed.. In Adjacent Potentiometer Circuit When Key K1 Is Closed.
From www.toppr.com
108. In adjacent potentiometer circuit, when key K, is closed and K, is In Adjacent Potentiometer Circuit When Key K1 Is Closed The balance length when key k1 is closed and k2 is open is 12 cm, which matches with the option (c). A potentiometer is similar to a variable resistor connected as a potential. Step by step video & image solution for in given potentiometer experiment key k_1, is closed first keeping k_2 open and then k_2 is closed. In an. In Adjacent Potentiometer Circuit When Key K1 Is Closed.
From www.youtube.com
All About Potentiometer, Potentiometer Connection, Working, Circuit In Adjacent Potentiometer Circuit When Key K1 Is Closed (ii) 1/2 when both keys k 1 and k 2 are closed. On closing k 2 also and adjusting r 2 to. The correct option is c charge on c1 gets redistributed such that v 1 =v 2. A potentiometer is similar to a variable resistor connected as a potential. The balance length when key k1 is closed and k2. In Adjacent Potentiometer Circuit When Key K1 Is Closed.
From byjus.com
24. The current reading of ammeter is i1 when k1 (only) is closed and In Adjacent Potentiometer Circuit When Key K1 Is Closed For key k 1 (closed), the jockey is adjusted to touch the wire at point j 1 so that there is no reflection in the galvanometer. On closing k 2 also and adjusting r 2 to. The galvanometer deflection, when key k 1 is closed but is open equals θ 0 (see figure). (ii) 1/2 when both keys k 1. In Adjacent Potentiometer Circuit When Key K1 Is Closed.
From www.build-electronic-circuits.com
The Potentiometer Pinout, Wiring, and How It Works In Adjacent Potentiometer Circuit When Key K1 Is Closed Step by step video & image solution for in given potentiometer experiment key k_1, is closed first keeping k_2 open and then k_2 is closed. The correct option is c charge on c1 gets redistributed such that v 1 =v 2. Find the charge when key k1 is closed. Find the expression of the resistance of. (ii) 1/2 when both. In Adjacent Potentiometer Circuit When Key K1 Is Closed.
From www.toppr.com
A battery of emf E and internal resistance r is connected to the In Adjacent Potentiometer Circuit When Key K1 Is Closed A potentiometer is similar to a variable resistor connected as a potential. Find the expression of the resistance of. The correct option is c charge on c1 gets redistributed such that v 1 =v 2. The balance length when key k1 is closed and k2 is open is 12 cm, which matches with the option (c). Find the charge when. In Adjacent Potentiometer Circuit When Key K1 Is Closed.
From www.youtube.com
11. In the circuit shown in Fig. initially, key K1 is closed and key K2 In Adjacent Potentiometer Circuit When Key K1 Is Closed (i) i when key k 1 is closed but key k 2 is open. (ii) 1/2 when both keys k 1 and k 2 are closed. On closing k 2 also and adjusting r 2 to. The internal resistance of a cell is to be determined using a potentiometer. The galvanometer deflection, when key k 1 is closed but is. In Adjacent Potentiometer Circuit When Key K1 Is Closed.
From www.toppr.com
A battery of emf E and internal resistance r is connected to the In Adjacent Potentiometer Circuit When Key K1 Is Closed (ii) 1/2 when both keys k 1 and k 2 are closed. Step by step video & image solution for in given potentiometer experiment key k_1, is closed first keeping k_2 open and then k_2 is closed. The balance length when key k1 is closed and k2 is open is 12 cm, which matches with the option (c). On closing. In Adjacent Potentiometer Circuit When Key K1 Is Closed.
From www.doubtnut.com
The reading of an ammeter in the circuit (i) I when key K(1) clo In Adjacent Potentiometer Circuit When Key K1 Is Closed In an experiment, an external resistance of r = 60 ω is used across the given cell. The balance length when key k1 is closed and k2 is open is 12 cm, which matches with the option (c). The correct option is c charge on c1 gets redistributed such that v 1 =v 2. Find the expression of the resistance. In Adjacent Potentiometer Circuit When Key K1 Is Closed.
From www.doubtnut.com
In the circuit shown, keys K1 and K2 both are closed the ammeter reads In Adjacent Potentiometer Circuit When Key K1 Is Closed Find the expression of the resistance of. The balance length when key k1 is closed and k2 is open is 12 cm, which matches with the option (c). The correct option is c charge on c1 gets redistributed such that v 1 =v 2. (i) i when key k 1 is closed but key k 2 is open. In an. In Adjacent Potentiometer Circuit When Key K1 Is Closed.
From www.numerade.com
SOLVED Q4 Calculate the electric current in the given circuit when (i In Adjacent Potentiometer Circuit When Key K1 Is Closed A potentiometer is similar to a variable resistor connected as a potential. Find the charge when key k1 is closed. In an experiment, an external resistance of r = 60 ω is used across the given cell. The galvanometer deflection, when key k 1 is closed but is open equals θ 0 (see figure). Find the expression of the resistance. In Adjacent Potentiometer Circuit When Key K1 Is Closed.
From www.flowschema.com
Potentiometer Circuit Diagram Definition Wiring Flow Schema In Adjacent Potentiometer Circuit When Key K1 Is Closed (i) i when key k 1 is closed but key k 2 is open. In an experiment, an external resistance of r = 60 ω is used across the given cell. For key k 1 (closed), the jockey is adjusted to touch the wire at point j 1 so that there is no reflection in the galvanometer. The correct option. In Adjacent Potentiometer Circuit When Key K1 Is Closed.
From www.toppr.com
A battery of emf E and internal resistance r is connected to the In Adjacent Potentiometer Circuit When Key K1 Is Closed On closing k 2 also and adjusting r 2 to. (ii) 1/2 when both keys k 1 and k 2 are closed. Step by step video & image solution for in given potentiometer experiment key k_1, is closed first keeping k_2 open and then k_2 is closed. The balance length when key k1 is closed and k2 is open is. In Adjacent Potentiometer Circuit When Key K1 Is Closed.
From askfilo.com
In the circuit shown in figure, initially key K1 is closed and key K2 i.. In Adjacent Potentiometer Circuit When Key K1 Is Closed For key k 1 (closed), the jockey is adjusted to touch the wire at point j 1 so that there is no reflection in the galvanometer. Step by step video & image solution for in given potentiometer experiment key k_1, is closed first keeping k_2 open and then k_2 is closed. On closing k 2 also and adjusting r 2. In Adjacent Potentiometer Circuit When Key K1 Is Closed.
From www.toppr.com
An electrical circuit, shown below, consists of a battery, an ammeter In Adjacent Potentiometer Circuit When Key K1 Is Closed The correct option is c charge on c1 gets redistributed such that v 1 =v 2. For key k 1 (closed), the jockey is adjusted to touch the wire at point j 1 so that there is no reflection in the galvanometer. The galvanometer deflection, when key k 1 is closed but is open equals θ 0 (see figure). Step. In Adjacent Potentiometer Circuit When Key K1 Is Closed.
From askfilo.com
Success (PartII) (41. If key K1 is closed in circuit shown in fi.. In Adjacent Potentiometer Circuit When Key K1 Is Closed For key k 1 (closed), the jockey is adjusted to touch the wire at point j 1 so that there is no reflection in the galvanometer. Step by step video & image solution for in given potentiometer experiment key k_1, is closed first keeping k_2 open and then k_2 is closed. A potentiometer is similar to a variable resistor connected. In Adjacent Potentiometer Circuit When Key K1 Is Closed.
From byjus.com
24. The current reading of ammeter is i1 when k1 (only) is closed and In Adjacent Potentiometer Circuit When Key K1 Is Closed Find the expression of the resistance of. A potentiometer is similar to a variable resistor connected as a potential. (i) i when key k 1 is closed but key k 2 is open. In an experiment, an external resistance of r = 60 ω is used across the given cell. (ii) 1/2 when both keys k 1 and k 2. In Adjacent Potentiometer Circuit When Key K1 Is Closed.
From www.toppr.com
A battery of emf E and internal resistance r is connected to the In Adjacent Potentiometer Circuit When Key K1 Is Closed Step by step video & image solution for in given potentiometer experiment key k_1, is closed first keeping k_2 open and then k_2 is closed. On closing k 2 also and adjusting r 2 to. The galvanometer deflection, when key k 1 is closed but is open equals θ 0 (see figure). The internal resistance of a cell is to. In Adjacent Potentiometer Circuit When Key K1 Is Closed.
From www.toppr.com
A battery of emf E and internal resistance r is connected to the In Adjacent Potentiometer Circuit When Key K1 Is Closed For key k 1 (closed), the jockey is adjusted to touch the wire at point j 1 so that there is no reflection in the galvanometer. Find the expression of the resistance of. Find the charge when key k1 is closed. (ii) 1/2 when both keys k 1 and k 2 are closed. The balance length when key k1 is. In Adjacent Potentiometer Circuit When Key K1 Is Closed.
From www.doubtnut.com
In the circuit shown, keys K1 and K2 both are closed the ammeter reads In Adjacent Potentiometer Circuit When Key K1 Is Closed A potentiometer is similar to a variable resistor connected as a potential. (ii) 1/2 when both keys k 1 and k 2 are closed. On closing k 2 also and adjusting r 2 to. Find the charge when key k1 is closed. (i) i when key k 1 is closed but key k 2 is open. The galvanometer deflection, when. In Adjacent Potentiometer Circuit When Key K1 Is Closed.
From www.toppr.com
A battery of emf E and internal resistance r is connected to the In Adjacent Potentiometer Circuit When Key K1 Is Closed For key k 1 (closed), the jockey is adjusted to touch the wire at point j 1 so that there is no reflection in the galvanometer. On closing k 2 also and adjusting r 2 to. (ii) 1/2 when both keys k 1 and k 2 are closed. (i) i when key k 1 is closed but key k 2. In Adjacent Potentiometer Circuit When Key K1 Is Closed.
From askfilo.com
In the circuit shown in the figure initially key K1 is closed and key K2.. In Adjacent Potentiometer Circuit When Key K1 Is Closed A potentiometer is similar to a variable resistor connected as a potential. The balance length when key k1 is closed and k2 is open is 12 cm, which matches with the option (c). The internal resistance of a cell is to be determined using a potentiometer. For key k 1 (closed), the jockey is adjusted to touch the wire at. In Adjacent Potentiometer Circuit When Key K1 Is Closed.
From mungfali.com
Potentiometer In A Circuit In Adjacent Potentiometer Circuit When Key K1 Is Closed (ii) 1/2 when both keys k 1 and k 2 are closed. On closing k 2 also and adjusting r 2 to. (i) i when key k 1 is closed but key k 2 is open. The galvanometer deflection, when key k 1 is closed but is open equals θ 0 (see figure). The internal resistance of a cell is. In Adjacent Potentiometer Circuit When Key K1 Is Closed.
From www.toppr.com
A battery of emf E and internal resistance r is connected to the In Adjacent Potentiometer Circuit When Key K1 Is Closed The internal resistance of a cell is to be determined using a potentiometer. A potentiometer is similar to a variable resistor connected as a potential. The galvanometer deflection, when key k 1 is closed but is open equals θ 0 (see figure). In an experiment, an external resistance of r = 60 ω is used across the given cell. The. In Adjacent Potentiometer Circuit When Key K1 Is Closed.
From www.toppr.com
A battery of emf E and internal resistance r is connected to the In Adjacent Potentiometer Circuit When Key K1 Is Closed Find the expression of the resistance of. (ii) 1/2 when both keys k 1 and k 2 are closed. For key k 1 (closed), the jockey is adjusted to touch the wire at point j 1 so that there is no reflection in the galvanometer. Step by step video & image solution for in given potentiometer experiment key k_1, is. In Adjacent Potentiometer Circuit When Key K1 Is Closed.
From askfilo.com
In potentiometer circuit when K1 is closed balance length is 100 cm. the.. In Adjacent Potentiometer Circuit When Key K1 Is Closed In an experiment, an external resistance of r = 60 ω is used across the given cell. Step by step video & image solution for in given potentiometer experiment key k_1, is closed first keeping k_2 open and then k_2 is closed. A potentiometer is similar to a variable resistor connected as a potential. The balance length when key k1. In Adjacent Potentiometer Circuit When Key K1 Is Closed.
From www.youtube.com
In adjacent potentiometer circuit, when key K1 is closed and K2 is open In Adjacent Potentiometer Circuit When Key K1 Is Closed In an experiment, an external resistance of r = 60 ω is used across the given cell. Find the expression of the resistance of. For key k 1 (closed), the jockey is adjusted to touch the wire at point j 1 so that there is no reflection in the galvanometer. (i) i when key k 1 is closed but key. In Adjacent Potentiometer Circuit When Key K1 Is Closed.