From brunofuga.adv.br
Str F6654 Pin Voltage Outlets brunofuga.adv.br Str-F6654 Pinout Covering the power range from below 25 watts up to 300 watts for 100/115/230 vac inputs, and up to 150 watts for 85 to 265 vac universal input,. For low power dissipation and emi. Str-F6654 Pinout.
From rc74.ru
F6654 схема подключения Даташиты (Datasheets F6654) электронных компонентов — RC74 — интернет Str-F6654 Pinout For low power dissipation and emi. Covering the power range from below 25 watts up to 300 watts for 100/115/230 vac inputs, and up to 150 watts for 85 to 265 vac universal input,. Str-F6654 Pinout.
From www.albri.com.mx
STRF6654, ALBRI Electrónica Str-F6654 Pinout For low power dissipation and emi. Covering the power range from below 25 watts up to 300 watts for 100/115/230 vac inputs, and up to 150 watts for 85 to 265 vac universal input,. Str-F6654 Pinout.
From electrohelponline.blogspot.com
STR F6654 DATA PIN CONFIGURATION Str-F6654 Pinout For low power dissipation and emi. Covering the power range from below 25 watts up to 300 watts for 100/115/230 vac inputs, and up to 150 watts for 85 to 265 vac universal input,. Str-F6654 Pinout.
From forum.cxem.net
Замена STR F6654 на STR F6707 ? Телевизоры и мониторы Форум по радиоэлектронике Str-F6654 Pinout Covering the power range from below 25 watts up to 300 watts for 100/115/230 vac inputs, and up to 150 watts for 85 to 265 vac universal input,. For low power dissipation and emi. Str-F6654 Pinout.
From www.scribd.com
STR f6654 PDF Str-F6654 Pinout For low power dissipation and emi. Covering the power range from below 25 watts up to 300 watts for 100/115/230 vac inputs, and up to 150 watts for 85 to 265 vac universal input,. Str-F6654 Pinout.
From mk-el.ru
Str f6654 схема блока питания своими руками Str-F6654 Pinout Covering the power range from below 25 watts up to 300 watts for 100/115/230 vac inputs, and up to 150 watts for 85 to 265 vac universal input,. For low power dissipation and emi. Str-F6654 Pinout.
From circuitenginejeffrey.z21.web.core.windows.net
Str F6654 Circuit Diagram Str-F6654 Pinout Covering the power range from below 25 watts up to 300 watts for 100/115/230 vac inputs, and up to 150 watts for 85 to 265 vac universal input,. For low power dissipation and emi. Str-F6654 Pinout.
From elektrotanya.com
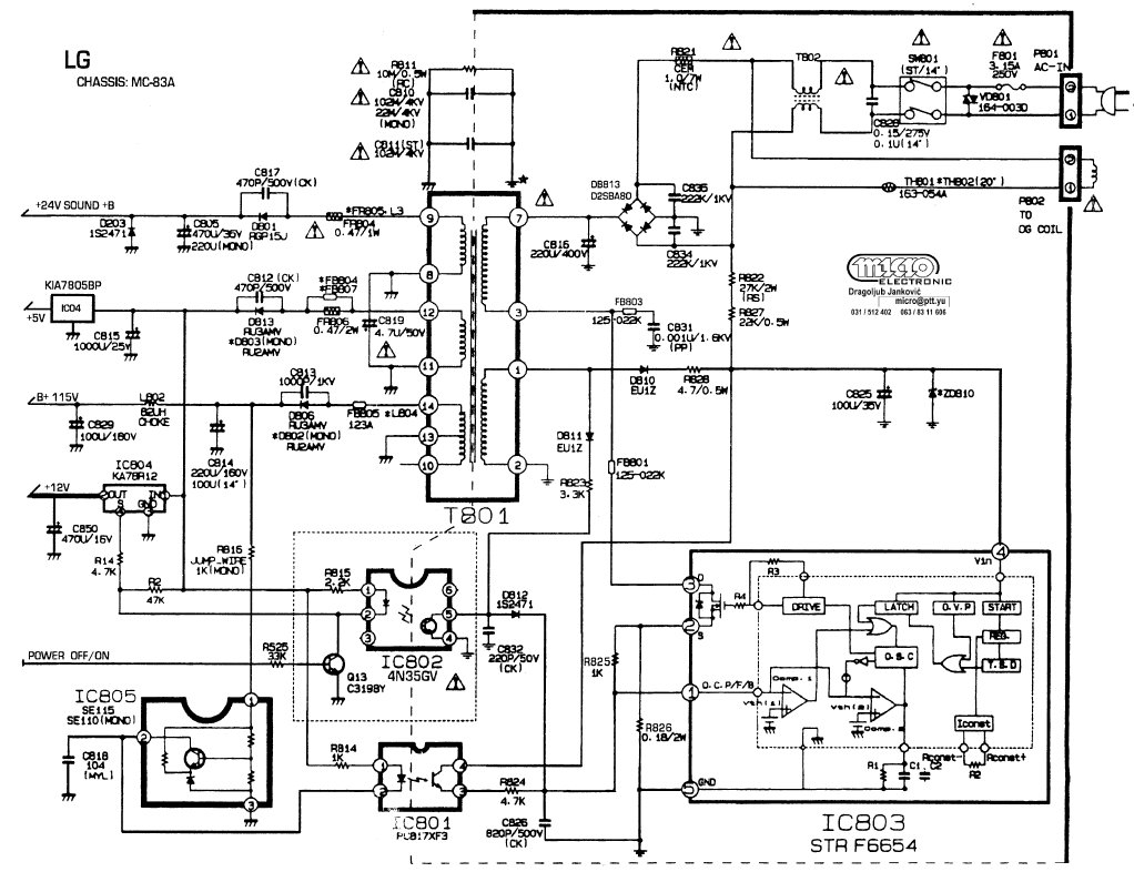
LG MC014A VCT3804 24C16 STRF6654 LA4282 MSP3410D CXA2040AQ SDA9489X STV5109 SCH Service Manual Str-F6654 Pinout Covering the power range from below 25 watts up to 300 watts for 100/115/230 vac inputs, and up to 150 watts for 85 to 265 vac universal input,. For low power dissipation and emi. Str-F6654 Pinout.
From html.alldatasheet.com
STRF6654 datasheet(15/16 Pages) ALLEGRO OFFLINE QUASIRESONANT FLYBACK SWITCHING REGULATORS Str-F6654 Pinout Covering the power range from below 25 watts up to 300 watts for 100/115/230 vac inputs, and up to 150 watts for 85 to 265 vac universal input,. For low power dissipation and emi. Str-F6654 Pinout.
From brunofuga.adv.br
Str F6654 Pinout Cheapest Sellers brunofuga.adv.br Str-F6654 Pinout Covering the power range from below 25 watts up to 300 watts for 100/115/230 vac inputs, and up to 150 watts for 85 to 265 vac universal input,. For low power dissipation and emi. Str-F6654 Pinout.
From electrohelponline.blogspot.com
STR F6654 DATA PIN CONFIGURATION Str-F6654 Pinout Covering the power range from below 25 watts up to 300 watts for 100/115/230 vac inputs, and up to 150 watts for 85 to 265 vac universal input,. For low power dissipation and emi. Str-F6654 Pinout.
From brunofuga.adv.br
Str F6654 Pinout Cheapest Sellers brunofuga.adv.br Str-F6654 Pinout Covering the power range from below 25 watts up to 300 watts for 100/115/230 vac inputs, and up to 150 watts for 85 to 265 vac universal input,. For low power dissipation and emi. Str-F6654 Pinout.
From brunofuga.adv.br
Str F6654 Pinout Cheapest Sellers brunofuga.adv.br Str-F6654 Pinout For low power dissipation and emi. Covering the power range from below 25 watts up to 300 watts for 100/115/230 vac inputs, and up to 150 watts for 85 to 265 vac universal input,. Str-F6654 Pinout.
From arreglatusequipos.blogspot.com
🤯 ¡Mi TV LG chasis sc023A no enciende!! Descubre los pasos claves para repararlo. Str-F6654 Pinout For low power dissipation and emi. Covering the power range from below 25 watts up to 300 watts for 100/115/230 vac inputs, and up to 150 watts for 85 to 265 vac universal input,. Str-F6654 Pinout.
From electronicshelponline.blogspot.com
Electro help Sony KV29X5A CRT TV SMPSSTR F6654 and AOC T76CM5MDF1A1NIP T76CNMMDF1A1NIP LCD Str-F6654 Pinout Covering the power range from below 25 watts up to 300 watts for 100/115/230 vac inputs, and up to 150 watts for 85 to 265 vac universal input,. For low power dissipation and emi. Str-F6654 Pinout.
From www.elenota.pl
STRF6654 Datasheet PDF (296 KB) Allegro MicroSystem Pobierz z Elenota.pl Str-F6654 Pinout Covering the power range from below 25 watts up to 300 watts for 100/115/230 vac inputs, and up to 150 watts for 85 to 265 vac universal input,. For low power dissipation and emi. Str-F6654 Pinout.
From mydad.in
STR F6654 Power supply QuasiResonant Topology Primary Switching Regulators Str-F6654 Pinout For low power dissipation and emi. Covering the power range from below 25 watts up to 300 watts for 100/115/230 vac inputs, and up to 150 watts for 85 to 265 vac universal input,. Str-F6654 Pinout.
From html.alldatasheet.com
STRF6654 datasheet(1/16 Pages) ALLEGRO OFFLINE QUASIRESONANT FLYBACK SWITCHING REGULATORS Str-F6654 Pinout Covering the power range from below 25 watts up to 300 watts for 100/115/230 vac inputs, and up to 150 watts for 85 to 265 vac universal input,. For low power dissipation and emi. Str-F6654 Pinout.
From www.bharatagritech.com
Str F6654 Pinout Wholesale Stores Str-F6654 Pinout Covering the power range from below 25 watts up to 300 watts for 100/115/230 vac inputs, and up to 150 watts for 85 to 265 vac universal input,. For low power dissipation and emi. Str-F6654 Pinout.
From www.aliexpress.com
New Original Strf6654 Str F6654 Power Supply Module Into 5 Feetxxdz2 Integrated Circuits Str-F6654 Pinout Covering the power range from below 25 watts up to 300 watts for 100/115/230 vac inputs, and up to 150 watts for 85 to 265 vac universal input,. For low power dissipation and emi. Str-F6654 Pinout.
From www.elenota.pl
STRF6654 Datasheet PDF (296 KB) Allegro MicroSystem Pobierz z Elenota.pl Str-F6654 Pinout For low power dissipation and emi. Covering the power range from below 25 watts up to 300 watts for 100/115/230 vac inputs, and up to 150 watts for 85 to 265 vac universal input,. Str-F6654 Pinout.
From brunofuga.adv.br
Str F6654 Pinout Cheapest Sellers brunofuga.adv.br Str-F6654 Pinout For low power dissipation and emi. Covering the power range from below 25 watts up to 300 watts for 100/115/230 vac inputs, and up to 150 watts for 85 to 265 vac universal input,. Str-F6654 Pinout.
From www.gbu-taganskij.ru
Str F6654 Pinout Sale Codes www.gbutaganskij.ru Str-F6654 Pinout For low power dissipation and emi. Covering the power range from below 25 watts up to 300 watts for 100/115/230 vac inputs, and up to 150 watts for 85 to 265 vac universal input,. Str-F6654 Pinout.
From brunofuga.adv.br
Str F6654 Pinout Cheapest Sellers brunofuga.adv.br Str-F6654 Pinout For low power dissipation and emi. Covering the power range from below 25 watts up to 300 watts for 100/115/230 vac inputs, and up to 150 watts for 85 to 265 vac universal input,. Str-F6654 Pinout.
From gbu-presnenskij.ru
Str F6654 Pinout Discount Deals gbupresnenskij.ru Str-F6654 Pinout For low power dissipation and emi. Covering the power range from below 25 watts up to 300 watts for 100/115/230 vac inputs, and up to 150 watts for 85 to 265 vac universal input,. Str-F6654 Pinout.
From www.bharatagritech.com
Str F6654 Pinout Wholesale Stores Str-F6654 Pinout Covering the power range from below 25 watts up to 300 watts for 100/115/230 vac inputs, and up to 150 watts for 85 to 265 vac universal input,. For low power dissipation and emi. Str-F6654 Pinout.
From electronicshelponline.blogspot.com
Electro help NEC DTE29U1TH PF68T32 SCHEMATIC [Circuit Diagram] Using ICs STRF6654 Str-F6654 Pinout Covering the power range from below 25 watts up to 300 watts for 100/115/230 vac inputs, and up to 150 watts for 85 to 265 vac universal input,. For low power dissipation and emi. Str-F6654 Pinout.
From gbu-presnenskij.ru
Str F6654 Pinout Discount Deals gbupresnenskij.ru Str-F6654 Pinout Covering the power range from below 25 watts up to 300 watts for 100/115/230 vac inputs, and up to 150 watts for 85 to 265 vac universal input,. For low power dissipation and emi. Str-F6654 Pinout.
From icompplus.com
STRF6654 SANKEN IC ZIP5 Switching Regulator Str-F6654 Pinout Covering the power range from below 25 watts up to 300 watts for 100/115/230 vac inputs, and up to 150 watts for 85 to 265 vac universal input,. For low power dissipation and emi. Str-F6654 Pinout.
From zapadpribor.com
STRF6654 регулятор >> недорого купить Str-F6654 Pinout Covering the power range from below 25 watts up to 300 watts for 100/115/230 vac inputs, and up to 150 watts for 85 to 265 vac universal input,. For low power dissipation and emi. Str-F6654 Pinout.
From mk-el.ru
Str f6654 схема блока питания своими руками Str-F6654 Pinout For low power dissipation and emi. Covering the power range from below 25 watts up to 300 watts for 100/115/230 vac inputs, and up to 150 watts for 85 to 265 vac universal input,. Str-F6654 Pinout.
From electronicshelponline.blogspot.com
Electro help STR F6654 BASED SMPS POWER SUPPLY SCHEMATIC DIAGRAM DAEWOO DSC 3210 TV BASED Str-F6654 Pinout For low power dissipation and emi. Covering the power range from below 25 watts up to 300 watts for 100/115/230 vac inputs, and up to 150 watts for 85 to 265 vac universal input,. Str-F6654 Pinout.
From www.donberg.ie
Semiconductor STRF6654 (STRF 6654) VOLTAGE REGULATOR... Str-F6654 Pinout Covering the power range from below 25 watts up to 300 watts for 100/115/230 vac inputs, and up to 150 watts for 85 to 265 vac universal input,. For low power dissipation and emi. Str-F6654 Pinout.
From www.datasheet39.com
STRF6653 Datasheet PDF ( Pinout ) STRF6653 / STRF6654 Block Diagram Str-F6654 Pinout For low power dissipation and emi. Covering the power range from below 25 watts up to 300 watts for 100/115/230 vac inputs, and up to 150 watts for 85 to 265 vac universal input,. Str-F6654 Pinout.