Jaguar X Type Alternator Wiring Diagram . Does anyone have a diagram and/or photo of how their alternator wiring is connected, particularly for a car with premium sound since. It has been necessary to draw certain wiring diagrams to support and permit the sharing of common electrical harnesses, as a result.
from shizuraviagaragerepair.z13.web.core.windows.net
It has been necessary to draw certain wiring diagrams to support and permit the sharing of common electrical harnesses, as a result. Does anyone have a diagram and/or photo of how their alternator wiring is connected, particularly for a car with premium sound since.
Air Ride Vs Coilovers
Jaguar X Type Alternator Wiring Diagram It has been necessary to draw certain wiring diagrams to support and permit the sharing of common electrical harnesses, as a result. Does anyone have a diagram and/or photo of how their alternator wiring is connected, particularly for a car with premium sound since. It has been necessary to draw certain wiring diagrams to support and permit the sharing of common electrical harnesses, as a result.
From full-hd-hinh-nen-dep-cho-dien-thoai.blogspot.com
[11+] Jaguar E Type Alternator Wiring Diagram, One Wire Alternator Jaguar X Type Alternator Wiring Diagram It has been necessary to draw certain wiring diagrams to support and permit the sharing of common electrical harnesses, as a result. Does anyone have a diagram and/or photo of how their alternator wiring is connected, particularly for a car with premium sound since. Jaguar X Type Alternator Wiring Diagram.
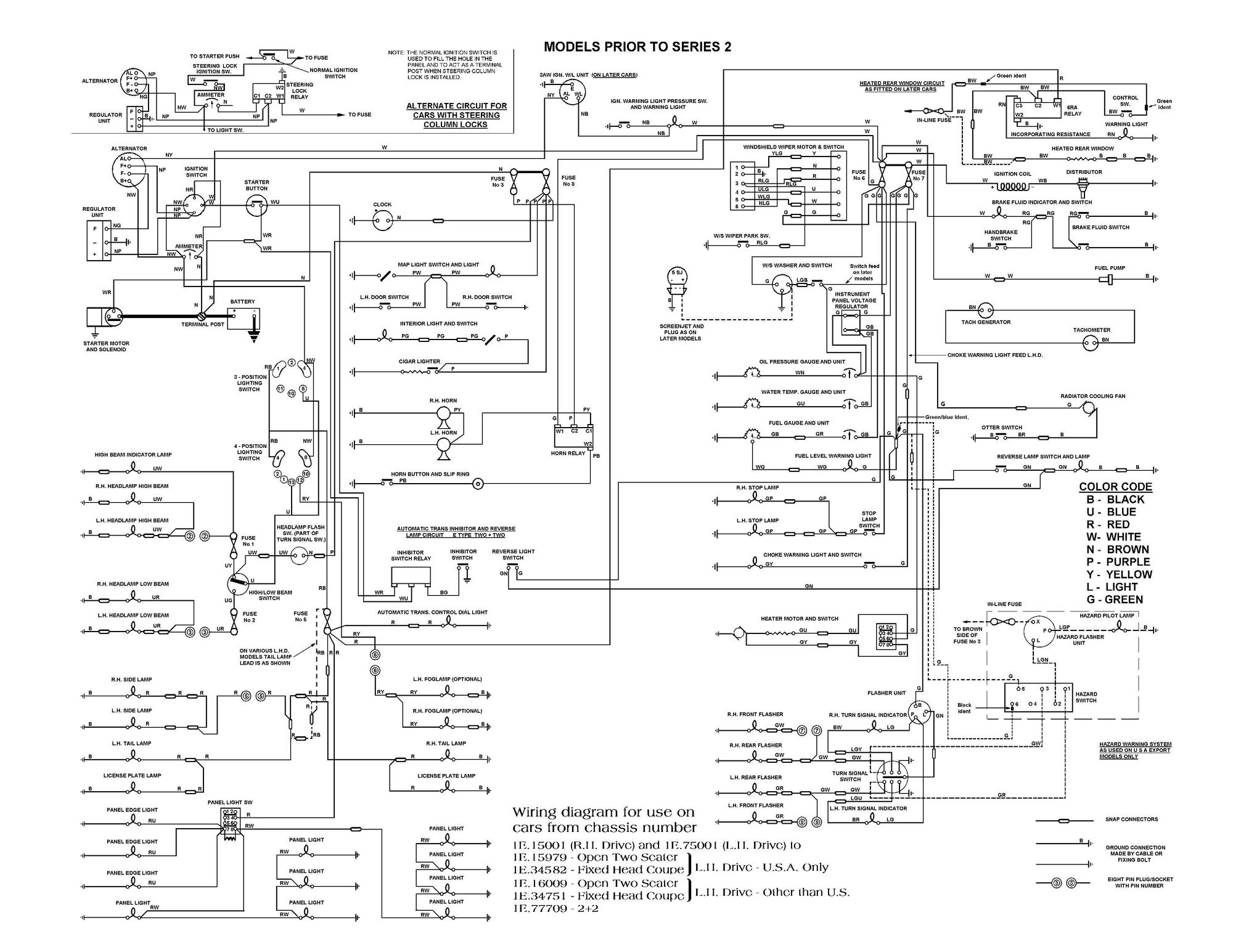
From guideparttumefying.z21.web.core.windows.net
98 Forester Alternator Wiring Jaguar X Type Alternator Wiring Diagram It has been necessary to draw certain wiring diagrams to support and permit the sharing of common electrical harnesses, as a result. Does anyone have a diagram and/or photo of how their alternator wiring is connected, particularly for a car with premium sound since. Jaguar X Type Alternator Wiring Diagram.
From diagramlibrarycob.z21.web.core.windows.net
Jaguar Xj6 Series 3 Wiring Diagram Jaguar X Type Alternator Wiring Diagram It has been necessary to draw certain wiring diagrams to support and permit the sharing of common electrical harnesses, as a result. Does anyone have a diagram and/or photo of how their alternator wiring is connected, particularly for a car with premium sound since. Jaguar X Type Alternator Wiring Diagram.
From shizuraviagaragerepair.z13.web.core.windows.net
Air Ride Vs Coilovers Jaguar X Type Alternator Wiring Diagram Does anyone have a diagram and/or photo of how their alternator wiring is connected, particularly for a car with premium sound since. It has been necessary to draw certain wiring diagrams to support and permit the sharing of common electrical harnesses, as a result. Jaguar X Type Alternator Wiring Diagram.
From guidemanualdispersals.z21.web.core.windows.net
Harley Davidson Electrical Diagram Jaguar X Type Alternator Wiring Diagram It has been necessary to draw certain wiring diagrams to support and permit the sharing of common electrical harnesses, as a result. Does anyone have a diagram and/or photo of how their alternator wiring is connected, particularly for a car with premium sound since. Jaguar X Type Alternator Wiring Diagram.
From fixdbkoertig.z19.web.core.windows.net
Generator To Alternator Wiring Diagram Jaguar X Type Alternator Wiring Diagram It has been necessary to draw certain wiring diagrams to support and permit the sharing of common electrical harnesses, as a result. Does anyone have a diagram and/or photo of how their alternator wiring is connected, particularly for a car with premium sound since. Jaguar X Type Alternator Wiring Diagram.
From schematicpartrunnier.z14.web.core.windows.net
Ford Thunderbird Wiring Diagram Jaguar X Type Alternator Wiring Diagram It has been necessary to draw certain wiring diagrams to support and permit the sharing of common electrical harnesses, as a result. Does anyone have a diagram and/or photo of how their alternator wiring is connected, particularly for a car with premium sound since. Jaguar X Type Alternator Wiring Diagram.
From full-hd-hinh-nen-dep-cho-dien-thoai.blogspot.com
[11+] Jaguar E Type Alternator Wiring Diagram, One Wire Alternator Jaguar X Type Alternator Wiring Diagram Does anyone have a diagram and/or photo of how their alternator wiring is connected, particularly for a car with premium sound since. It has been necessary to draw certain wiring diagrams to support and permit the sharing of common electrical harnesses, as a result. Jaguar X Type Alternator Wiring Diagram.
From garfiiwiycircuitfix.z13.web.core.windows.net
Electrical Wiring Diagram 1966 Gto Jaguar X Type Alternator Wiring Diagram Does anyone have a diagram and/or photo of how their alternator wiring is connected, particularly for a car with premium sound since. It has been necessary to draw certain wiring diagrams to support and permit the sharing of common electrical harnesses, as a result. Jaguar X Type Alternator Wiring Diagram.
From manuallistguardsman.z14.web.core.windows.net
Solenoid Wiring Diagram Lawn Tractor Jaguar X Type Alternator Wiring Diagram Does anyone have a diagram and/or photo of how their alternator wiring is connected, particularly for a car with premium sound since. It has been necessary to draw certain wiring diagrams to support and permit the sharing of common electrical harnesses, as a result. Jaguar X Type Alternator Wiring Diagram.
From www.jaguarforums.com
noncharging issue alternator or regulator or wiring? Jaguar Forums Jaguar X Type Alternator Wiring Diagram Does anyone have a diagram and/or photo of how their alternator wiring is connected, particularly for a car with premium sound since. It has been necessary to draw certain wiring diagrams to support and permit the sharing of common electrical harnesses, as a result. Jaguar X Type Alternator Wiring Diagram.
From full-hd-hinh-nen-dep-cho-dien-thoai.blogspot.com
[11+] Jaguar E Type Alternator Wiring Diagram, One Wire Alternator Jaguar X Type Alternator Wiring Diagram Does anyone have a diagram and/or photo of how their alternator wiring is connected, particularly for a car with premium sound since. It has been necessary to draw certain wiring diagrams to support and permit the sharing of common electrical harnesses, as a result. Jaguar X Type Alternator Wiring Diagram.
From guidebarbolasblogv4.z13.web.core.windows.net
Ford One Wire Alternator Wiring Diagram Jaguar X Type Alternator Wiring Diagram It has been necessary to draw certain wiring diagrams to support and permit the sharing of common electrical harnesses, as a result. Does anyone have a diagram and/or photo of how their alternator wiring is connected, particularly for a car with premium sound since. Jaguar X Type Alternator Wiring Diagram.
From forums.jag-lovers.com
Alternator wiring help EType Jaglovers Forums Jaguar X Type Alternator Wiring Diagram Does anyone have a diagram and/or photo of how their alternator wiring is connected, particularly for a car with premium sound since. It has been necessary to draw certain wiring diagrams to support and permit the sharing of common electrical harnesses, as a result. Jaguar X Type Alternator Wiring Diagram.
From www.parts.com.ph
Alternator Jaguar Xtype 2.5,3.0 V6,2.0,4.0 Twincell Jaguar X Type Alternator Wiring Diagram It has been necessary to draw certain wiring diagrams to support and permit the sharing of common electrical harnesses, as a result. Does anyone have a diagram and/or photo of how their alternator wiring is connected, particularly for a car with premium sound since. Jaguar X Type Alternator Wiring Diagram.
From www.youtube.com
IC TYPE ALTERNATOR WIRING DIAGRAM YouTube Jaguar X Type Alternator Wiring Diagram Does anyone have a diagram and/or photo of how their alternator wiring is connected, particularly for a car with premium sound since. It has been necessary to draw certain wiring diagrams to support and permit the sharing of common electrical harnesses, as a result. Jaguar X Type Alternator Wiring Diagram.
From www.jaguarforums.com
Confirm alternator wiring connections Jaguar Forums Jaguar Jaguar X Type Alternator Wiring Diagram It has been necessary to draw certain wiring diagrams to support and permit the sharing of common electrical harnesses, as a result. Does anyone have a diagram and/or photo of how their alternator wiring is connected, particularly for a car with premium sound since. Jaguar X Type Alternator Wiring Diagram.
From www.youtube.com
IC TYPE ALTERNATOR WIRING DIAGRAM YouTube Jaguar X Type Alternator Wiring Diagram Does anyone have a diagram and/or photo of how their alternator wiring is connected, particularly for a car with premium sound since. It has been necessary to draw certain wiring diagrams to support and permit the sharing of common electrical harnesses, as a result. Jaguar X Type Alternator Wiring Diagram.
From schematicviveremqx.z14.web.core.windows.net
Willys Overland Jeep Truck Jaguar X Type Alternator Wiring Diagram Does anyone have a diagram and/or photo of how their alternator wiring is connected, particularly for a car with premium sound since. It has been necessary to draw certain wiring diagrams to support and permit the sharing of common electrical harnesses, as a result. Jaguar X Type Alternator Wiring Diagram.
From schematicnibraaginaize52.z4.web.core.windows.net
Alternator Wiring Guide Jaguar X Type Alternator Wiring Diagram Does anyone have a diagram and/or photo of how their alternator wiring is connected, particularly for a car with premium sound since. It has been necessary to draw certain wiring diagrams to support and permit the sharing of common electrical harnesses, as a result. Jaguar X Type Alternator Wiring Diagram.
From schematicunkenbz.z14.web.core.windows.net
Simple 3 Wire Alternator Wiring Diagram Jaguar X Type Alternator Wiring Diagram It has been necessary to draw certain wiring diagrams to support and permit the sharing of common electrical harnesses, as a result. Does anyone have a diagram and/or photo of how their alternator wiring is connected, particularly for a car with premium sound since. Jaguar X Type Alternator Wiring Diagram.
From www.rhocar.org
Alternator Wiring Electrics The UK Kit Car Club Jaguar X Type Alternator Wiring Diagram Does anyone have a diagram and/or photo of how their alternator wiring is connected, particularly for a car with premium sound since. It has been necessary to draw certain wiring diagrams to support and permit the sharing of common electrical harnesses, as a result. Jaguar X Type Alternator Wiring Diagram.
From schematicmatallout.z21.web.core.windows.net
Wiring Diagrams For Alternators Jaguar X Type Alternator Wiring Diagram Does anyone have a diagram and/or photo of how their alternator wiring is connected, particularly for a car with premium sound since. It has been necessary to draw certain wiring diagrams to support and permit the sharing of common electrical harnesses, as a result. Jaguar X Type Alternator Wiring Diagram.