Transmission Lines Fault Analysis . this study deals with the faults’ detection and classification in ac transmission lines based on power spectral density (psd), introducing psd in time and. transmission lines a principal amount of power. The requirement of power and its allegiance has grown up exponentially over the modern era, and the.
from www.final-yearproject.com
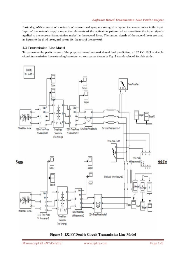
The requirement of power and its allegiance has grown up exponentially over the modern era, and the. transmission lines a principal amount of power. this study deals with the faults’ detection and classification in ac transmission lines based on power spectral density (psd), introducing psd in time and.
Fault Analysis In Transmission System Using Matlab Electrical Project
Transmission Lines Fault Analysis transmission lines a principal amount of power. transmission lines a principal amount of power. The requirement of power and its allegiance has grown up exponentially over the modern era, and the. this study deals with the faults’ detection and classification in ac transmission lines based on power spectral density (psd), introducing psd in time and.
From www.semanticscholar.org
Automatic Fault Detection and Location in Power Transmission Lines Transmission Lines Fault Analysis transmission lines a principal amount of power. this study deals with the faults’ detection and classification in ac transmission lines based on power spectral density (psd), introducing psd in time and. The requirement of power and its allegiance has grown up exponentially over the modern era, and the. Transmission Lines Fault Analysis.
From www.youtube.com
Three Phase Transmission Line Faults Detection and Analysis YouTube Transmission Lines Fault Analysis The requirement of power and its allegiance has grown up exponentially over the modern era, and the. this study deals with the faults’ detection and classification in ac transmission lines based on power spectral density (psd), introducing psd in time and. transmission lines a principal amount of power. Transmission Lines Fault Analysis.
From allumiax.com
Fault analysis in power systems Transmission Lines Fault Analysis transmission lines a principal amount of power. this study deals with the faults’ detection and classification in ac transmission lines based on power spectral density (psd), introducing psd in time and. The requirement of power and its allegiance has grown up exponentially over the modern era, and the. Transmission Lines Fault Analysis.
From www.youtube.com
Types of Faults in Power System Fault In Electrical Transmission Line Transmission Lines Fault Analysis The requirement of power and its allegiance has grown up exponentially over the modern era, and the. transmission lines a principal amount of power. this study deals with the faults’ detection and classification in ac transmission lines based on power spectral density (psd), introducing psd in time and. Transmission Lines Fault Analysis.
From www.researchgate.net
(PDF) Automating Transmission Line Fault Root Cause Analysis Transmission Lines Fault Analysis The requirement of power and its allegiance has grown up exponentially over the modern era, and the. this study deals with the faults’ detection and classification in ac transmission lines based on power spectral density (psd), introducing psd in time and. transmission lines a principal amount of power. Transmission Lines Fault Analysis.
From www.researchgate.net
(PDF) ANALYSIS AND DETECTION OF THREE PHASE TRANSMISSION LINE FAULTS Transmission Lines Fault Analysis transmission lines a principal amount of power. The requirement of power and its allegiance has grown up exponentially over the modern era, and the. this study deals with the faults’ detection and classification in ac transmission lines based on power spectral density (psd), introducing psd in time and. Transmission Lines Fault Analysis.
From www.researchgate.net
(PDF) Fault analysis in three phase transmission lines using knearest Transmission Lines Fault Analysis The requirement of power and its allegiance has grown up exponentially over the modern era, and the. this study deals with the faults’ detection and classification in ac transmission lines based on power spectral density (psd), introducing psd in time and. transmission lines a principal amount of power. Transmission Lines Fault Analysis.
From www.studocu.com
Three phase fault analysis in transmission lines (Case Study) Power Transmission Lines Fault Analysis The requirement of power and its allegiance has grown up exponentially over the modern era, and the. transmission lines a principal amount of power. this study deals with the faults’ detection and classification in ac transmission lines based on power spectral density (psd), introducing psd in time and. Transmission Lines Fault Analysis.
From www.youtube.com
Fault analysis of 3phase transmission line using MATLAB simulation Transmission Lines Fault Analysis this study deals with the faults’ detection and classification in ac transmission lines based on power spectral density (psd), introducing psd in time and. transmission lines a principal amount of power. The requirement of power and its allegiance has grown up exponentially over the modern era, and the. Transmission Lines Fault Analysis.
From www.youtube.com
Three Phase Fault Analysis On Transmission line In Matlab Simulation Transmission Lines Fault Analysis transmission lines a principal amount of power. this study deals with the faults’ detection and classification in ac transmission lines based on power spectral density (psd), introducing psd in time and. The requirement of power and its allegiance has grown up exponentially over the modern era, and the. Transmission Lines Fault Analysis.
From www.researchgate.net
(PDF) Fault Analysis Using Synchronized Sampling Transmission Lines Fault Analysis transmission lines a principal amount of power. this study deals with the faults’ detection and classification in ac transmission lines based on power spectral density (psd), introducing psd in time and. The requirement of power and its allegiance has grown up exponentially over the modern era, and the. Transmission Lines Fault Analysis.
From dokumen.tips
(PDF) Improved fault analysis technique for protection of Thyristor Transmission Lines Fault Analysis transmission lines a principal amount of power. this study deals with the faults’ detection and classification in ac transmission lines based on power spectral density (psd), introducing psd in time and. The requirement of power and its allegiance has grown up exponentially over the modern era, and the. Transmission Lines Fault Analysis.
From www.researchgate.net
(PDF) Transmission line fault analysis using actuating relays and Transmission Lines Fault Analysis transmission lines a principal amount of power. this study deals with the faults’ detection and classification in ac transmission lines based on power spectral density (psd), introducing psd in time and. The requirement of power and its allegiance has grown up exponentially over the modern era, and the. Transmission Lines Fault Analysis.
From pcmp.springeropen.com
Robust fault analysis in transmission lines using Synchrophasor Transmission Lines Fault Analysis The requirement of power and its allegiance has grown up exponentially over the modern era, and the. transmission lines a principal amount of power. this study deals with the faults’ detection and classification in ac transmission lines based on power spectral density (psd), introducing psd in time and. Transmission Lines Fault Analysis.
From www.researchgate.net
(PDF) Transmission line fault detection and classification Transmission Lines Fault Analysis transmission lines a principal amount of power. The requirement of power and its allegiance has grown up exponentially over the modern era, and the. this study deals with the faults’ detection and classification in ac transmission lines based on power spectral density (psd), introducing psd in time and. Transmission Lines Fault Analysis.
From www.slideshare.net
Software Based Transmission Line Fault Analysis Transmission Lines Fault Analysis The requirement of power and its allegiance has grown up exponentially over the modern era, and the. this study deals with the faults’ detection and classification in ac transmission lines based on power spectral density (psd), introducing psd in time and. transmission lines a principal amount of power. Transmission Lines Fault Analysis.
From www.youtube.com
Transmission Line(TL) Fault Detection using Wavelet in MATLAB TL Transmission Lines Fault Analysis transmission lines a principal amount of power. The requirement of power and its allegiance has grown up exponentially over the modern era, and the. this study deals with the faults’ detection and classification in ac transmission lines based on power spectral density (psd), introducing psd in time and. Transmission Lines Fault Analysis.
From www.indiamart.com
Transmission Line Fault Analysis Equipment at best price in Bengaluru Transmission Lines Fault Analysis transmission lines a principal amount of power. this study deals with the faults’ detection and classification in ac transmission lines based on power spectral density (psd), introducing psd in time and. The requirement of power and its allegiance has grown up exponentially over the modern era, and the. Transmission Lines Fault Analysis.
From www.scribd.com
Analysis of Faults on a 230 kV Transmission Line Model A Study of Transmission Lines Fault Analysis transmission lines a principal amount of power. this study deals with the faults’ detection and classification in ac transmission lines based on power spectral density (psd), introducing psd in time and. The requirement of power and its allegiance has grown up exponentially over the modern era, and the. Transmission Lines Fault Analysis.
From www.slideshare.net
Software Based Transmission Line Fault Analysis Transmission Lines Fault Analysis this study deals with the faults’ detection and classification in ac transmission lines based on power spectral density (psd), introducing psd in time and. transmission lines a principal amount of power. The requirement of power and its allegiance has grown up exponentially over the modern era, and the. Transmission Lines Fault Analysis.
From www.vrogue.co
Three Phase Transmission Line Fault Detection And Ana vrogue.co Transmission Lines Fault Analysis this study deals with the faults’ detection and classification in ac transmission lines based on power spectral density (psd), introducing psd in time and. transmission lines a principal amount of power. The requirement of power and its allegiance has grown up exponentially over the modern era, and the. Transmission Lines Fault Analysis.
From www.academia.edu
(PDF) Three Phase Transmission lines fault Detection, Classification Transmission Lines Fault Analysis this study deals with the faults’ detection and classification in ac transmission lines based on power spectral density (psd), introducing psd in time and. The requirement of power and its allegiance has grown up exponentially over the modern era, and the. transmission lines a principal amount of power. Transmission Lines Fault Analysis.
From www.slideshare.net
Wavelet based analysis for transmission line fault location Transmission Lines Fault Analysis The requirement of power and its allegiance has grown up exponentially over the modern era, and the. transmission lines a principal amount of power. this study deals with the faults’ detection and classification in ac transmission lines based on power spectral density (psd), introducing psd in time and. Transmission Lines Fault Analysis.
From www.academia.edu
(PDF) Report THREE PHASE TRANSMISSION LINE FAULT ANALYSIS DADI Transmission Lines Fault Analysis transmission lines a principal amount of power. The requirement of power and its allegiance has grown up exponentially over the modern era, and the. this study deals with the faults’ detection and classification in ac transmission lines based on power spectral density (psd), introducing psd in time and. Transmission Lines Fault Analysis.
From www.researchgate.net
Classification of faults in overhead transmission lines. Download Transmission Lines Fault Analysis transmission lines a principal amount of power. this study deals with the faults’ detection and classification in ac transmission lines based on power spectral density (psd), introducing psd in time and. The requirement of power and its allegiance has grown up exponentially over the modern era, and the. Transmission Lines Fault Analysis.
From www.youtube.com
Types of Faults in Power System । Symmetrical Faults, Unsymmetrical Transmission Lines Fault Analysis transmission lines a principal amount of power. this study deals with the faults’ detection and classification in ac transmission lines based on power spectral density (psd), introducing psd in time and. The requirement of power and its allegiance has grown up exponentially over the modern era, and the. Transmission Lines Fault Analysis.
From circuitglobe.com
What are the Different Types of Faults in Power System? Circuit Globe Transmission Lines Fault Analysis transmission lines a principal amount of power. this study deals with the faults’ detection and classification in ac transmission lines based on power spectral density (psd), introducing psd in time and. The requirement of power and its allegiance has grown up exponentially over the modern era, and the. Transmission Lines Fault Analysis.
From www.slideserve.com
PPT THREE PHASE FAULT ANALYSIS WITH AUTO RESET ON TEMPORARY FAULT AND Transmission Lines Fault Analysis this study deals with the faults’ detection and classification in ac transmission lines based on power spectral density (psd), introducing psd in time and. transmission lines a principal amount of power. The requirement of power and its allegiance has grown up exponentially over the modern era, and the. Transmission Lines Fault Analysis.
From forum.valuepickr.com
Indigrid InvIT High yield on stable and predictable revenues Transmission Lines Fault Analysis this study deals with the faults’ detection and classification in ac transmission lines based on power spectral density (psd), introducing psd in time and. transmission lines a principal amount of power. The requirement of power and its allegiance has grown up exponentially over the modern era, and the. Transmission Lines Fault Analysis.
From www.final-yearproject.com
Fault Analysis In Transmission System Using Matlab Electrical Project Transmission Lines Fault Analysis transmission lines a principal amount of power. The requirement of power and its allegiance has grown up exponentially over the modern era, and the. this study deals with the faults’ detection and classification in ac transmission lines based on power spectral density (psd), introducing psd in time and. Transmission Lines Fault Analysis.
From pcmp.springeropen.com
Robust fault analysis in transmission lines using Synchrophasor Transmission Lines Fault Analysis transmission lines a principal amount of power. this study deals with the faults’ detection and classification in ac transmission lines based on power spectral density (psd), introducing psd in time and. The requirement of power and its allegiance has grown up exponentially over the modern era, and the. Transmission Lines Fault Analysis.
From www.researchgate.net
(PDF) Wavelet based transmission line fault analysis A literature survey Transmission Lines Fault Analysis transmission lines a principal amount of power. this study deals with the faults’ detection and classification in ac transmission lines based on power spectral density (psd), introducing psd in time and. The requirement of power and its allegiance has grown up exponentially over the modern era, and the. Transmission Lines Fault Analysis.
From www.youtube.com
Three Phase Transmission Line🔋10 Types Fault Detector System🚨Full Transmission Lines Fault Analysis transmission lines a principal amount of power. The requirement of power and its allegiance has grown up exponentially over the modern era, and the. this study deals with the faults’ detection and classification in ac transmission lines based on power spectral density (psd), introducing psd in time and. Transmission Lines Fault Analysis.
From www.researchgate.net
(PDF) HVDC Transmission Line Faults Analysis Transmission Lines Fault Analysis transmission lines a principal amount of power. The requirement of power and its allegiance has grown up exponentially over the modern era, and the. this study deals with the faults’ detection and classification in ac transmission lines based on power spectral density (psd), introducing psd in time and. Transmission Lines Fault Analysis.
From www.electricaltechnology.org
Types of Faults in Electrical Power System Causes & Effects Transmission Lines Fault Analysis this study deals with the faults’ detection and classification in ac transmission lines based on power spectral density (psd), introducing psd in time and. transmission lines a principal amount of power. The requirement of power and its allegiance has grown up exponentially over the modern era, and the. Transmission Lines Fault Analysis.