Rixson Pivot Hinge Adjustment . Install arm in door per template. also used for h28 and h40 series floor closers. browse norton rixson's collection of pivot door hardware. Install top pivot in frame per template. if centerline of closer needs position adjustment, loosen hold down screws (4) and reposition closer.tighten hold down. pivots for fire rated doors (up to 3 hours) include a steel top pivot and must have additional steel intermediate pivots. Install top pivot in door per template.
from goodsmillwork.com
if centerline of closer needs position adjustment, loosen hold down screws (4) and reposition closer.tighten hold down. Install top pivot in frame per template. also used for h28 and h40 series floor closers. Install top pivot in door per template. browse norton rixson's collection of pivot door hardware. Install arm in door per template. pivots for fire rated doors (up to 3 hours) include a steel top pivot and must have additional steel intermediate pivots.
Pivot Hinge (Rixson) Good's Millwork
Rixson Pivot Hinge Adjustment Install arm in door per template. browse norton rixson's collection of pivot door hardware. Install top pivot in frame per template. Install top pivot in door per template. if centerline of closer needs position adjustment, loosen hold down screws (4) and reposition closer.tighten hold down. also used for h28 and h40 series floor closers. Install arm in door per template. pivots for fire rated doors (up to 3 hours) include a steel top pivot and must have additional steel intermediate pivots.
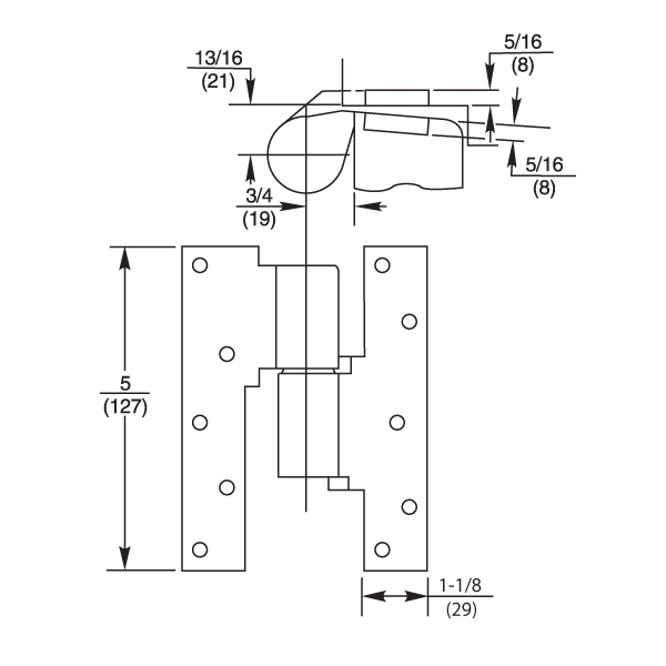
From www.epivots.com
Rixson 1283/4 LightDuty Center Hung Pivot Set Rixson Pivot Hinge Adjustment browse norton rixson's collection of pivot door hardware. Install top pivot in door per template. Install arm in door per template. Install top pivot in frame per template. pivots for fire rated doors (up to 3 hours) include a steel top pivot and must have additional steel intermediate pivots. if centerline of closer needs position adjustment, loosen. Rixson Pivot Hinge Adjustment.
From fyoiqcedz.blob.core.windows.net
Rixson Pivot Hinge Installation at Mary Heinz blog Rixson Pivot Hinge Adjustment Install top pivot in door per template. Install arm in door per template. browse norton rixson's collection of pivot door hardware. Install top pivot in frame per template. if centerline of closer needs position adjustment, loosen hold down screws (4) and reposition closer.tighten hold down. pivots for fire rated doors (up to 3 hours) include a steel. Rixson Pivot Hinge Adjustment.
From www.dkhardware.com
Rixson 370 x 626 1 in. x 63/4 in. Pivot Hinge Aluminum Center Hung Rixson Pivot Hinge Adjustment browse norton rixson's collection of pivot door hardware. Install top pivot in door per template. pivots for fire rated doors (up to 3 hours) include a steel top pivot and must have additional steel intermediate pivots. Install top pivot in frame per template. also used for h28 and h40 series floor closers. Install arm in door per. Rixson Pivot Hinge Adjustment.
From www.grainger.com
RIXSON, Brass, 4 1/4 in Leaf Ht, Pivot Hinge 4AZU3C00000147R4AXXC Rixson Pivot Hinge Adjustment also used for h28 and h40 series floor closers. browse norton rixson's collection of pivot door hardware. if centerline of closer needs position adjustment, loosen hold down screws (4) and reposition closer.tighten hold down. pivots for fire rated doors (up to 3 hours) include a steel top pivot and must have additional steel intermediate pivots. Install. Rixson Pivot Hinge Adjustment.
From www.qualifiedhardware.com
Rixson L180 Pivots, Hinges and Patch Fittings QH Rixson Pivot Hinge Adjustment Install top pivot in frame per template. Install top pivot in door per template. Install arm in door per template. if centerline of closer needs position adjustment, loosen hold down screws (4) and reposition closer.tighten hold down. pivots for fire rated doors (up to 3 hours) include a steel top pivot and must have additional steel intermediate pivots.. Rixson Pivot Hinge Adjustment.
From goodsmillwork.com
Pivot Hinge (Rixson) Good's Millwork Rixson Pivot Hinge Adjustment Install arm in door per template. if centerline of closer needs position adjustment, loosen hold down screws (4) and reposition closer.tighten hold down. pivots for fire rated doors (up to 3 hours) include a steel top pivot and must have additional steel intermediate pivots. Install top pivot in frame per template. also used for h28 and h40. Rixson Pivot Hinge Adjustment.
From www.epivots.com
Rixson 147 Offset Hung Pivot Set Rixson Pivot Hinge Adjustment Install arm in door per template. Install top pivot in door per template. browse norton rixson's collection of pivot door hardware. if centerline of closer needs position adjustment, loosen hold down screws (4) and reposition closer.tighten hold down. Install top pivot in frame per template. also used for h28 and h40 series floor closers. pivots for. Rixson Pivot Hinge Adjustment.
From www.epivots.com
Rixson M19x11/2 11/2" Offset Intermediate Pivot Hinge Rixson Pivot Hinge Adjustment if centerline of closer needs position adjustment, loosen hold down screws (4) and reposition closer.tighten hold down. also used for h28 and h40 series floor closers. Install top pivot in frame per template. pivots for fire rated doors (up to 3 hours) include a steel top pivot and must have additional steel intermediate pivots. browse norton. Rixson Pivot Hinge Adjustment.
From www.craftmasterhardware.com
Rixson M190LH626 3/4 Offset Intermediate Pivot Rixson Pivot Hinge Adjustment Install top pivot in door per template. Install arm in door per template. Install top pivot in frame per template. pivots for fire rated doors (up to 3 hours) include a steel top pivot and must have additional steel intermediate pivots. also used for h28 and h40 series floor closers. browse norton rixson's collection of pivot door. Rixson Pivot Hinge Adjustment.
From fyoiqcedz.blob.core.windows.net
Rixson Pivot Hinge Installation at Mary Heinz blog Rixson Pivot Hinge Adjustment Install arm in door per template. browse norton rixson's collection of pivot door hardware. if centerline of closer needs position adjustment, loosen hold down screws (4) and reposition closer.tighten hold down. Install top pivot in frame per template. pivots for fire rated doors (up to 3 hours) include a steel top pivot and must have additional steel. Rixson Pivot Hinge Adjustment.
From www.qualifiedhardware.com
Rixson 608011A Pivots, Hinges and Patch Fittings QH Rixson Pivot Hinge Adjustment Install top pivot in frame per template. pivots for fire rated doors (up to 3 hours) include a steel top pivot and must have additional steel intermediate pivots. browse norton rixson's collection of pivot door hardware. if centerline of closer needs position adjustment, loosen hold down screws (4) and reposition closer.tighten hold down. Install top pivot in. Rixson Pivot Hinge Adjustment.
From fyohkwnuy.blob.core.windows.net
Rixson Offset Pivot Hinge 180 at Donna Sterns blog Rixson Pivot Hinge Adjustment pivots for fire rated doors (up to 3 hours) include a steel top pivot and must have additional steel intermediate pivots. Install top pivot in frame per template. browse norton rixson's collection of pivot door hardware. if centerline of closer needs position adjustment, loosen hold down screws (4) and reposition closer.tighten hold down. also used for. Rixson Pivot Hinge Adjustment.
From www.qualifiedhardware.com
Rixson 195 Pivots, Hinges and Patch Fittings QH Rixson Pivot Hinge Adjustment if centerline of closer needs position adjustment, loosen hold down screws (4) and reposition closer.tighten hold down. Install arm in door per template. Install top pivot in frame per template. pivots for fire rated doors (up to 3 hours) include a steel top pivot and must have additional steel intermediate pivots. Install top pivot in door per template.. Rixson Pivot Hinge Adjustment.
From www.qualifiedhardware.com
Rixson 147 11/2 Pivots, Hinges and Patch Fittings QH Rixson Pivot Hinge Adjustment browse norton rixson's collection of pivot door hardware. Install arm in door per template. if centerline of closer needs position adjustment, loosen hold down screws (4) and reposition closer.tighten hold down. Install top pivot in door per template. pivots for fire rated doors (up to 3 hours) include a steel top pivot and must have additional steel. Rixson Pivot Hinge Adjustment.
From www.grainger.com
RIXSON, Brass, 7 in Leaf Ht, Pivot Hinge 4AZV6C000003704AXXH Grainger Rixson Pivot Hinge Adjustment pivots for fire rated doors (up to 3 hours) include a steel top pivot and must have additional steel intermediate pivots. browse norton rixson's collection of pivot door hardware. Install arm in door per template. also used for h28 and h40 series floor closers. Install top pivot in door per template. Install top pivot in frame per. Rixson Pivot Hinge Adjustment.
From www.qualifiedhardware.com
Rixson EFM194 Pivots, Hinges and Patch Fittings QH Rixson Pivot Hinge Adjustment pivots for fire rated doors (up to 3 hours) include a steel top pivot and must have additional steel intermediate pivots. Install top pivot in frame per template. browse norton rixson's collection of pivot door hardware. Install top pivot in door per template. Install arm in door per template. if centerline of closer needs position adjustment, loosen. Rixson Pivot Hinge Adjustment.
From www.epivots.com
Rixson H345 Long Pin HeavyDuty Top Pivot Rixson Pivot Hinge Adjustment Install top pivot in door per template. if centerline of closer needs position adjustment, loosen hold down screws (4) and reposition closer.tighten hold down. also used for h28 and h40 series floor closers. pivots for fire rated doors (up to 3 hours) include a steel top pivot and must have additional steel intermediate pivots. Install arm in. Rixson Pivot Hinge Adjustment.
From www.qualifiedhardware.com
Rixson 180 Pivots, Hinges and Patch Fittings QH Rixson Pivot Hinge Adjustment Install top pivot in door per template. also used for h28 and h40 series floor closers. Install top pivot in frame per template. if centerline of closer needs position adjustment, loosen hold down screws (4) and reposition closer.tighten hold down. browse norton rixson's collection of pivot door hardware. Install arm in door per template. pivots for. Rixson Pivot Hinge Adjustment.
From www.qualifiedhardware.com
Rixson 7494PK Pivots, Hinges and Patch Fittings QH Rixson Pivot Hinge Adjustment Install top pivot in frame per template. Install arm in door per template. pivots for fire rated doors (up to 3 hours) include a steel top pivot and must have additional steel intermediate pivots. if centerline of closer needs position adjustment, loosen hold down screws (4) and reposition closer.tighten hold down. Install top pivot in door per template.. Rixson Pivot Hinge Adjustment.
From www.qualifiedhardware.com
Rixson L117 Pivots, Hinges and Patch Fittings QH Rixson Pivot Hinge Adjustment Install arm in door per template. pivots for fire rated doors (up to 3 hours) include a steel top pivot and must have additional steel intermediate pivots. if centerline of closer needs position adjustment, loosen hold down screws (4) and reposition closer.tighten hold down. Install top pivot in frame per template. browse norton rixson's collection of pivot. Rixson Pivot Hinge Adjustment.
From www.qualifiedhardware.com
Rixson M19 Pivots, Hinges and Patch Fittings QH Rixson Pivot Hinge Adjustment Install arm in door per template. Install top pivot in door per template. if centerline of closer needs position adjustment, loosen hold down screws (4) and reposition closer.tighten hold down. also used for h28 and h40 series floor closers. browse norton rixson's collection of pivot door hardware. Install top pivot in frame per template. pivots for. Rixson Pivot Hinge Adjustment.
From www.qualifiedhardware.com
Rixson 680 Pivots, Hinges and Patch Fittings QH Rixson Pivot Hinge Adjustment browse norton rixson's collection of pivot door hardware. Install top pivot in frame per template. pivots for fire rated doors (up to 3 hours) include a steel top pivot and must have additional steel intermediate pivots. also used for h28 and h40 series floor closers. Install arm in door per template. if centerline of closer needs. Rixson Pivot Hinge Adjustment.
From www.epivots.com
Rixson M190 HeavyDuty 3/4" Offset Intermediate Pivot Hinge Rixson Pivot Hinge Adjustment Install arm in door per template. also used for h28 and h40 series floor closers. Install top pivot in frame per template. if centerline of closer needs position adjustment, loosen hold down screws (4) and reposition closer.tighten hold down. pivots for fire rated doors (up to 3 hours) include a steel top pivot and must have additional. Rixson Pivot Hinge Adjustment.
From www.tmhardware.com
Rixson Center Hung Top Pivot for Extra Tall Doors. Trademark Hardware Inc. Rixson Pivot Hinge Adjustment if centerline of closer needs position adjustment, loosen hold down screws (4) and reposition closer.tighten hold down. Install top pivot in door per template. browse norton rixson's collection of pivot door hardware. pivots for fire rated doors (up to 3 hours) include a steel top pivot and must have additional steel intermediate pivots. Install top pivot in. Rixson Pivot Hinge Adjustment.
From www.qualifiedhardware.com
Rixson 1173/4 Pivots, Hinges and Patch Fittings QH Rixson Pivot Hinge Adjustment Install top pivot in frame per template. Install arm in door per template. Install top pivot in door per template. if centerline of closer needs position adjustment, loosen hold down screws (4) and reposition closer.tighten hold down. also used for h28 and h40 series floor closers. browse norton rixson's collection of pivot door hardware. pivots for. Rixson Pivot Hinge Adjustment.
From www.grainger.com
RIXSON Center Hung Pivot Hinge With Holes, Full Mortise Mounting, Satin Rixson Pivot Hinge Adjustment pivots for fire rated doors (up to 3 hours) include a steel top pivot and must have additional steel intermediate pivots. Install top pivot in door per template. Install arm in door per template. browse norton rixson's collection of pivot door hardware. if centerline of closer needs position adjustment, loosen hold down screws (4) and reposition closer.tighten. Rixson Pivot Hinge Adjustment.
From fyoiqcedz.blob.core.windows.net
Rixson Pivot Hinge Installation at Mary Heinz blog Rixson Pivot Hinge Adjustment also used for h28 and h40 series floor closers. Install top pivot in door per template. Install top pivot in frame per template. Install arm in door per template. browse norton rixson's collection of pivot door hardware. if centerline of closer needs position adjustment, loosen hold down screws (4) and reposition closer.tighten hold down. pivots for. Rixson Pivot Hinge Adjustment.
From www.qualifiedhardware.com
Rixson FML19693 Pivots, Hinges and Patch Fittings QH Rixson Pivot Hinge Adjustment Install top pivot in frame per template. Install arm in door per template. if centerline of closer needs position adjustment, loosen hold down screws (4) and reposition closer.tighten hold down. browse norton rixson's collection of pivot door hardware. pivots for fire rated doors (up to 3 hours) include a steel top pivot and must have additional steel. Rixson Pivot Hinge Adjustment.
From www.qualifiedhardware.com
Rixson F117 Pivots, Hinges and Patch Fittings QH Rixson Pivot Hinge Adjustment Install arm in door per template. pivots for fire rated doors (up to 3 hours) include a steel top pivot and must have additional steel intermediate pivots. if centerline of closer needs position adjustment, loosen hold down screws (4) and reposition closer.tighten hold down. also used for h28 and h40 series floor closers. Install top pivot in. Rixson Pivot Hinge Adjustment.
From www.qualifiedhardware.com
Rixson M19 Pivots, Hinges and Patch Fittings QH Rixson Pivot Hinge Adjustment also used for h28 and h40 series floor closers. browse norton rixson's collection of pivot door hardware. Install top pivot in door per template. pivots for fire rated doors (up to 3 hours) include a steel top pivot and must have additional steel intermediate pivots. Install top pivot in frame per template. if centerline of closer. Rixson Pivot Hinge Adjustment.
From www.qualifiedhardware.com
Rixson L180 Pivots, Hinges and Patch Fittings QH Rixson Pivot Hinge Adjustment Install top pivot in door per template. pivots for fire rated doors (up to 3 hours) include a steel top pivot and must have additional steel intermediate pivots. also used for h28 and h40 series floor closers. Install top pivot in frame per template. if centerline of closer needs position adjustment, loosen hold down screws (4) and. Rixson Pivot Hinge Adjustment.
From www.mscdirect.com
Norton Rixson Pivot Hinges; Finish/Coating Satin Chrome; Type Rixson Pivot Hinge Adjustment browse norton rixson's collection of pivot door hardware. Install top pivot in frame per template. if centerline of closer needs position adjustment, loosen hold down screws (4) and reposition closer.tighten hold down. also used for h28 and h40 series floor closers. Install arm in door per template. pivots for fire rated doors (up to 3 hours). Rixson Pivot Hinge Adjustment.
From www.epivots.com
Rixson H340 HeavyDuty Top Pivot Rixson Pivot Hinge Adjustment browse norton rixson's collection of pivot door hardware. Install arm in door per template. also used for h28 and h40 series floor closers. pivots for fire rated doors (up to 3 hours) include a steel top pivot and must have additional steel intermediate pivots. Install top pivot in frame per template. if centerline of closer needs. Rixson Pivot Hinge Adjustment.
From www.qualifiedhardware.com
Rixson 608011A Pivots, Hinges and Patch Fittings QH Rixson Pivot Hinge Adjustment Install top pivot in frame per template. also used for h28 and h40 series floor closers. browse norton rixson's collection of pivot door hardware. Install top pivot in door per template. Install arm in door per template. if centerline of closer needs position adjustment, loosen hold down screws (4) and reposition closer.tighten hold down. pivots for. Rixson Pivot Hinge Adjustment.
From www.raptorsupplies.com
Rixson C000128754AXXH 4AZV5 Pivot Hinge Brass Rixson Pivot Hinge Adjustment browse norton rixson's collection of pivot door hardware. also used for h28 and h40 series floor closers. Install top pivot in frame per template. Install top pivot in door per template. Install arm in door per template. if centerline of closer needs position adjustment, loosen hold down screws (4) and reposition closer.tighten hold down. pivots for. Rixson Pivot Hinge Adjustment.