Frigidaire Electric Range With Induction Cooktop Error Codes . View and download frigidaire gcri3058ad use & care manual online. Gcri3058ad ranges pdf manual download. View and download frigidaire electric range with induction cooktop use & care manual online. Electric range with induction cooktop. Your appliance may show a potential issue through a corresponding code on. Our comprehensive frigidaire range error code guide will explain common issues, provide tips, and show you how to read. Electric range with induction cooktop cooktop pdf manual. Our comprehensive frigidaire range error code guide will explain common issues, pro. In today's repair guide, we'll be teaching you how to repair and maintain your frigidaire range. If your frigidaire induction range doesn’t seem to be working, there’s probably a simple solution to get it running as it should. If you're looking for help fixing your frigidaire range, look no further!
from frpphils.com.ph
View and download frigidaire gcri3058ad use & care manual online. In today's repair guide, we'll be teaching you how to repair and maintain your frigidaire range. If you're looking for help fixing your frigidaire range, look no further! View and download frigidaire electric range with induction cooktop use & care manual online. Our comprehensive frigidaire range error code guide will explain common issues, pro. If your frigidaire induction range doesn’t seem to be working, there’s probably a simple solution to get it running as it should. Gcri3058ad ranges pdf manual download. Electric range with induction cooktop cooktop pdf manual. Our comprehensive frigidaire range error code guide will explain common issues, provide tips, and show you how to read. Your appliance may show a potential issue through a corresponding code on.
Induction Cooker Error Codes Pdf Clearance Price
Frigidaire Electric Range With Induction Cooktop Error Codes View and download frigidaire gcri3058ad use & care manual online. View and download frigidaire electric range with induction cooktop use & care manual online. Electric range with induction cooktop cooktop pdf manual. View and download frigidaire gcri3058ad use & care manual online. In today's repair guide, we'll be teaching you how to repair and maintain your frigidaire range. Gcri3058ad ranges pdf manual download. If you're looking for help fixing your frigidaire range, look no further! Our comprehensive frigidaire range error code guide will explain common issues, pro. If your frigidaire induction range doesn’t seem to be working, there’s probably a simple solution to get it running as it should. Our comprehensive frigidaire range error code guide will explain common issues, provide tips, and show you how to read. Electric range with induction cooktop. Your appliance may show a potential issue through a corresponding code on.
From www.northlondonappliancerepairs.co.uk
Induction Cooktop HOB Error Code f Frigidaire Electric Range With Induction Cooktop Error Codes In today's repair guide, we'll be teaching you how to repair and maintain your frigidaire range. If you're looking for help fixing your frigidaire range, look no further! View and download frigidaire electric range with induction cooktop use & care manual online. Electric range with induction cooktop. Electric range with induction cooktop cooktop pdf manual. Our comprehensive frigidaire range error. Frigidaire Electric Range With Induction Cooktop Error Codes.
From fixdbkohl.z19.web.core.windows.net
Installing Frigidaire Induction Cooktop Frigidaire Electric Range With Induction Cooktop Error Codes Our comprehensive frigidaire range error code guide will explain common issues, pro. If your frigidaire induction range doesn’t seem to be working, there’s probably a simple solution to get it running as it should. Our comprehensive frigidaire range error code guide will explain common issues, provide tips, and show you how to read. View and download frigidaire gcri3058ad use &. Frigidaire Electric Range With Induction Cooktop Error Codes.
From frpphils.com.ph
Induction Cooker Error Codes Pdf Clearance Price Frigidaire Electric Range With Induction Cooktop Error Codes If your frigidaire induction range doesn’t seem to be working, there’s probably a simple solution to get it running as it should. Gcri3058ad ranges pdf manual download. View and download frigidaire electric range with induction cooktop use & care manual online. Electric range with induction cooktop cooktop pdf manual. Our comprehensive frigidaire range error code guide will explain common issues,. Frigidaire Electric Range With Induction Cooktop Error Codes.
From www.justanswer.com
Frigidaire Induction Cooktop Error Codes Expert Q&A Frigidaire Electric Range With Induction Cooktop Error Codes Our comprehensive frigidaire range error code guide will explain common issues, provide tips, and show you how to read. If you're looking for help fixing your frigidaire range, look no further! Gcri3058ad ranges pdf manual download. Electric range with induction cooktop. View and download frigidaire gcri3058ad use & care manual online. If your frigidaire induction range doesn’t seem to be. Frigidaire Electric Range With Induction Cooktop Error Codes.
From www.youtube.com
“F90 ERROR CODE” stove or range flashing beeping (kenmore, frigidaire Frigidaire Electric Range With Induction Cooktop Error Codes Electric range with induction cooktop cooktop pdf manual. Your appliance may show a potential issue through a corresponding code on. If your frigidaire induction range doesn’t seem to be working, there’s probably a simple solution to get it running as it should. Our comprehensive frigidaire range error code guide will explain common issues, pro. In today's repair guide, we'll be. Frigidaire Electric Range With Induction Cooktop Error Codes.
From www.cnet.com
Induction vs. electric cooktops Which is right for you in 2021? Frigidaire Electric Range With Induction Cooktop Error Codes View and download frigidaire electric range with induction cooktop use & care manual online. In today's repair guide, we'll be teaching you how to repair and maintain your frigidaire range. Electric range with induction cooktop. View and download frigidaire gcri3058ad use & care manual online. Our comprehensive frigidaire range error code guide will explain common issues, provide tips, and show. Frigidaire Electric Range With Induction Cooktop Error Codes.
From dxolsvdqw.blob.core.windows.net
Whirlpool Induction Cooktop Error Codes at Robin Dudley blog Frigidaire Electric Range With Induction Cooktop Error Codes If your frigidaire induction range doesn’t seem to be working, there’s probably a simple solution to get it running as it should. Gcri3058ad ranges pdf manual download. Our comprehensive frigidaire range error code guide will explain common issues, provide tips, and show you how to read. Electric range with induction cooktop. Electric range with induction cooktop cooktop pdf manual. In. Frigidaire Electric Range With Induction Cooktop Error Codes.
From angelinaaufderhar.blogspot.com
Sugawa Smart Cooker Error Code Ec / Induction Cooktop All Error Code Frigidaire Electric Range With Induction Cooktop Error Codes View and download frigidaire electric range with induction cooktop use & care manual online. If your frigidaire induction range doesn’t seem to be working, there’s probably a simple solution to get it running as it should. Electric range with induction cooktop. Your appliance may show a potential issue through a corresponding code on. In today's repair guide, we'll be teaching. Frigidaire Electric Range With Induction Cooktop Error Codes.
From circuitdbexercise.z21.web.core.windows.net
Frigidaire Gallery Induction Cooktop Manual Frigidaire Electric Range With Induction Cooktop Error Codes Your appliance may show a potential issue through a corresponding code on. Our comprehensive frigidaire range error code guide will explain common issues, provide tips, and show you how to read. Electric range with induction cooktop. In today's repair guide, we'll be teaching you how to repair and maintain your frigidaire range. If your frigidaire induction range doesn’t seem to. Frigidaire Electric Range With Induction Cooktop Error Codes.
From cegmfmrt.blob.core.windows.net
Induction Cooktop Error Code F5 at Eileen Lee blog Frigidaire Electric Range With Induction Cooktop Error Codes If your frigidaire induction range doesn’t seem to be working, there’s probably a simple solution to get it running as it should. Your appliance may show a potential issue through a corresponding code on. Gcri3058ad ranges pdf manual download. Electric range with induction cooktop cooktop pdf manual. View and download frigidaire gcri3058ad use & care manual online. Our comprehensive frigidaire. Frigidaire Electric Range With Induction Cooktop Error Codes.
From www.manualslib.com
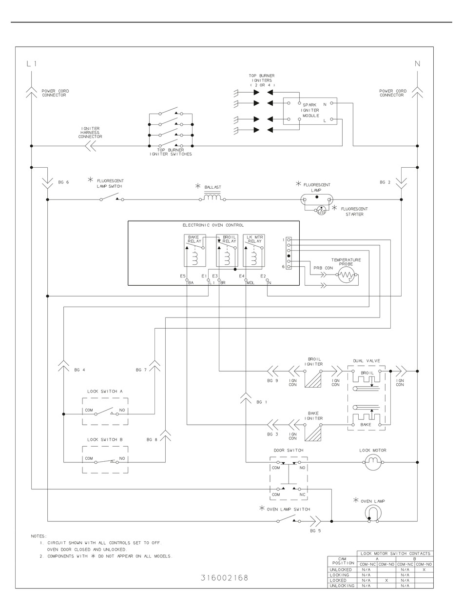
FRIGIDAIRE FGF354BGWB COOKTOP WIRING DIAGRAM ManualsLib Frigidaire Electric Range With Induction Cooktop Error Codes View and download frigidaire electric range with induction cooktop use & care manual online. In today's repair guide, we'll be teaching you how to repair and maintain your frigidaire range. If you're looking for help fixing your frigidaire range, look no further! Gcri3058ad ranges pdf manual download. Your appliance may show a potential issue through a corresponding code on. Electric. Frigidaire Electric Range With Induction Cooktop Error Codes.
From www.thespruce.com
The 6 Best Induction Ranges of 2019 Frigidaire Electric Range With Induction Cooktop Error Codes Electric range with induction cooktop cooktop pdf manual. View and download frigidaire gcri3058ad use & care manual online. If you're looking for help fixing your frigidaire range, look no further! View and download frigidaire electric range with induction cooktop use & care manual online. Our comprehensive frigidaire range error code guide will explain common issues, provide tips, and show you. Frigidaire Electric Range With Induction Cooktop Error Codes.
From www.youtube.com
KitchenAid Induction Cooktop Error Code YouTube Frigidaire Electric Range With Induction Cooktop Error Codes If your frigidaire induction range doesn’t seem to be working, there’s probably a simple solution to get it running as it should. Electric range with induction cooktop cooktop pdf manual. Our comprehensive frigidaire range error code guide will explain common issues, provide tips, and show you how to read. Your appliance may show a potential issue through a corresponding code. Frigidaire Electric Range With Induction Cooktop Error Codes.
From www.youtube.com
Induction Cooker E1 Error Code Repairing/ Kichen King *nduction E1 Frigidaire Electric Range With Induction Cooktop Error Codes Electric range with induction cooktop cooktop pdf manual. If your frigidaire induction range doesn’t seem to be working, there’s probably a simple solution to get it running as it should. In today's repair guide, we'll be teaching you how to repair and maintain your frigidaire range. View and download frigidaire gcri3058ad use & care manual online. If you're looking for. Frigidaire Electric Range With Induction Cooktop Error Codes.
From www.manualslib.com
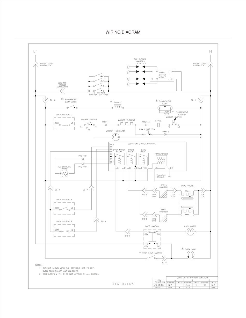
FRIGIDAIRE FGF376CETS COOKTOP WIRING DIAGRAM ManualsLib Frigidaire Electric Range With Induction Cooktop Error Codes View and download frigidaire gcri3058ad use & care manual online. Gcri3058ad ranges pdf manual download. View and download frigidaire electric range with induction cooktop use & care manual online. Our comprehensive frigidaire range error code guide will explain common issues, provide tips, and show you how to read. In today's repair guide, we'll be teaching you how to repair and. Frigidaire Electric Range With Induction Cooktop Error Codes.
From www.essentialhomeandgarden.com
Induction Cooktop Error Code List By Brand Frigidaire Electric Range With Induction Cooktop Error Codes Our comprehensive frigidaire range error code guide will explain common issues, pro. If your frigidaire induction range doesn’t seem to be working, there’s probably a simple solution to get it running as it should. View and download frigidaire gcri3058ad use & care manual online. Gcri3058ad ranges pdf manual download. Your appliance may show a potential issue through a corresponding code. Frigidaire Electric Range With Induction Cooktop Error Codes.
From manuallibraryjana.z19.web.core.windows.net
Installing Frigidaire Induction Cooktop Frigidaire Electric Range With Induction Cooktop Error Codes Your appliance may show a potential issue through a corresponding code on. Our comprehensive frigidaire range error code guide will explain common issues, provide tips, and show you how to read. View and download frigidaire gcri3058ad use & care manual online. If you're looking for help fixing your frigidaire range, look no further! Electric range with induction cooktop. View and. Frigidaire Electric Range With Induction Cooktop Error Codes.
From www.manualslib.com
FRIGIDAIRE FED355CCTI COOKTOP WIRING DIAGRAM ManualsLib Frigidaire Electric Range With Induction Cooktop Error Codes Our comprehensive frigidaire range error code guide will explain common issues, provide tips, and show you how to read. View and download frigidaire gcri3058ad use & care manual online. If you're looking for help fixing your frigidaire range, look no further! Gcri3058ad ranges pdf manual download. Our comprehensive frigidaire range error code guide will explain common issues, pro. If your. Frigidaire Electric Range With Induction Cooktop Error Codes.
From www.youtube.com
Induction Cooker Fault Code YouTube Frigidaire Electric Range With Induction Cooktop Error Codes View and download frigidaire electric range with induction cooktop use & care manual online. Our comprehensive frigidaire range error code guide will explain common issues, provide tips, and show you how to read. View and download frigidaire gcri3058ad use & care manual online. Electric range with induction cooktop cooktop pdf manual. In today's repair guide, we'll be teaching you how. Frigidaire Electric Range With Induction Cooktop Error Codes.
From www.youtube.com
E0 Error in Induction Cooker How to repair E0 Error of induction Frigidaire Electric Range With Induction Cooktop Error Codes If you're looking for help fixing your frigidaire range, look no further! Electric range with induction cooktop cooktop pdf manual. View and download frigidaire electric range with induction cooktop use & care manual online. Gcri3058ad ranges pdf manual download. View and download frigidaire gcri3058ad use & care manual online. Electric range with induction cooktop. Your appliance may show a potential. Frigidaire Electric Range With Induction Cooktop Error Codes.
From kitchenni.com
Common Induction Cooktops Error Codes Explained And Quick Fixes Frigidaire Electric Range With Induction Cooktop Error Codes Electric range with induction cooktop. If you're looking for help fixing your frigidaire range, look no further! Our comprehensive frigidaire range error code guide will explain common issues, provide tips, and show you how to read. If your frigidaire induction range doesn’t seem to be working, there’s probably a simple solution to get it running as it should. Our comprehensive. Frigidaire Electric Range With Induction Cooktop Error Codes.
From frpphils.com.ph
Induction Cooker Error Codes Pdf Clearance Price Frigidaire Electric Range With Induction Cooktop Error Codes View and download frigidaire gcri3058ad use & care manual online. In today's repair guide, we'll be teaching you how to repair and maintain your frigidaire range. View and download frigidaire electric range with induction cooktop use & care manual online. Electric range with induction cooktop cooktop pdf manual. Our comprehensive frigidaire range error code guide will explain common issues, provide. Frigidaire Electric Range With Induction Cooktop Error Codes.
From www.manualslib.com
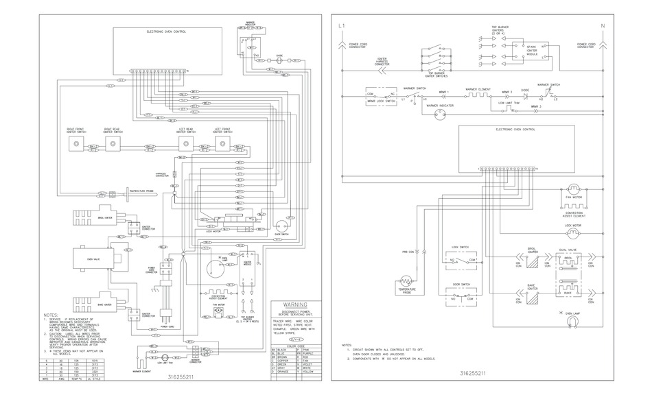
FRIGIDAIRE FGFL89CCB COOKTOP WIRING DIAGRAM ManualsLib Frigidaire Electric Range With Induction Cooktop Error Codes Your appliance may show a potential issue through a corresponding code on. Our comprehensive frigidaire range error code guide will explain common issues, pro. View and download frigidaire gcri3058ad use & care manual online. Electric range with induction cooktop. In today's repair guide, we'll be teaching you how to repair and maintain your frigidaire range. Our comprehensive frigidaire range error. Frigidaire Electric Range With Induction Cooktop Error Codes.
From cegmfmrt.blob.core.windows.net
Induction Cooktop Error Code F5 at Eileen Lee blog Frigidaire Electric Range With Induction Cooktop Error Codes In today's repair guide, we'll be teaching you how to repair and maintain your frigidaire range. View and download frigidaire electric range with induction cooktop use & care manual online. Our comprehensive frigidaire range error code guide will explain common issues, pro. Your appliance may show a potential issue through a corresponding code on. If you're looking for help fixing. Frigidaire Electric Range With Induction Cooktop Error Codes.
From usermanual.wiki
Frigidaire FEF352AWA User Manual ELECTRIC RANGE Manuals And Guides L0109113 Frigidaire Electric Range With Induction Cooktop Error Codes View and download frigidaire gcri3058ad use & care manual online. Your appliance may show a potential issue through a corresponding code on. Our comprehensive frigidaire range error code guide will explain common issues, pro. If your frigidaire induction range doesn’t seem to be working, there’s probably a simple solution to get it running as it should. In today's repair guide,. Frigidaire Electric Range With Induction Cooktop Error Codes.
From www.pinterest.com
How To Fix F11 (beeping) Error On Frigidaire Range Oven Repair Frigidaire Electric Range With Induction Cooktop Error Codes Gcri3058ad ranges pdf manual download. In today's repair guide, we'll be teaching you how to repair and maintain your frigidaire range. If you're looking for help fixing your frigidaire range, look no further! View and download frigidaire electric range with induction cooktop use & care manual online. View and download frigidaire gcri3058ad use & care manual online. Our comprehensive frigidaire. Frigidaire Electric Range With Induction Cooktop Error Codes.
From manualsfile.com
User Manual Frigidaire FEF352AUE 20 pages manualsFile Frigidaire Electric Range With Induction Cooktop Error Codes Electric range with induction cooktop cooktop pdf manual. Gcri3058ad ranges pdf manual download. Our comprehensive frigidaire range error code guide will explain common issues, provide tips, and show you how to read. Our comprehensive frigidaire range error code guide will explain common issues, pro. Your appliance may show a potential issue through a corresponding code on. Electric range with induction. Frigidaire Electric Range With Induction Cooktop Error Codes.
From exoloccvf.blob.core.windows.net
Frigidaire Gallery Induction Cooktop How To Use at Nick Witt blog Frigidaire Electric Range With Induction Cooktop Error Codes In today's repair guide, we'll be teaching you how to repair and maintain your frigidaire range. Electric range with induction cooktop. If your frigidaire induction range doesn’t seem to be working, there’s probably a simple solution to get it running as it should. View and download frigidaire gcri3058ad use & care manual online. Our comprehensive frigidaire range error code guide. Frigidaire Electric Range With Induction Cooktop Error Codes.
From manualheterodyne.z21.web.core.windows.net
Frigidaire Gallery Induction Cooktop Manual Frigidaire Electric Range With Induction Cooktop Error Codes If you're looking for help fixing your frigidaire range, look no further! In today's repair guide, we'll be teaching you how to repair and maintain your frigidaire range. Our comprehensive frigidaire range error code guide will explain common issues, pro. View and download frigidaire gcri3058ad use & care manual online. Electric range with induction cooktop cooktop pdf manual. Your appliance. Frigidaire Electric Range With Induction Cooktop Error Codes.
From manualenginemarcie.z21.web.core.windows.net
Frigidaire Induction Cooktop Troubleshooting Frigidaire Electric Range With Induction Cooktop Error Codes View and download frigidaire electric range with induction cooktop use & care manual online. If you're looking for help fixing your frigidaire range, look no further! In today's repair guide, we'll be teaching you how to repair and maintain your frigidaire range. If your frigidaire induction range doesn’t seem to be working, there’s probably a simple solution to get it. Frigidaire Electric Range With Induction Cooktop Error Codes.
From maintenance-items.blogspot.com
F10 Error Code Frigidaire Oven Maintenance Items Frigidaire Electric Range With Induction Cooktop Error Codes Your appliance may show a potential issue through a corresponding code on. In today's repair guide, we'll be teaching you how to repair and maintain your frigidaire range. Electric range with induction cooktop cooktop pdf manual. Our comprehensive frigidaire range error code guide will explain common issues, provide tips, and show you how to read. Electric range with induction cooktop.. Frigidaire Electric Range With Induction Cooktop Error Codes.
From www.manualslib.com
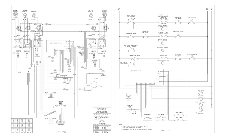
FRIGIDAIRE GLEF379DSB COOKTOP WIRING DIAGRAM ManualsLib Frigidaire Electric Range With Induction Cooktop Error Codes Our comprehensive frigidaire range error code guide will explain common issues, pro. In today's repair guide, we'll be teaching you how to repair and maintain your frigidaire range. If you're looking for help fixing your frigidaire range, look no further! Electric range with induction cooktop. Your appliance may show a potential issue through a corresponding code on. Electric range with. Frigidaire Electric Range With Induction Cooktop Error Codes.
From klazbblfj.blob.core.windows.net
Electrolux Induction Cooktop Error Code 31 at Collette Medrano blog Frigidaire Electric Range With Induction Cooktop Error Codes Our comprehensive frigidaire range error code guide will explain common issues, pro. In today's repair guide, we'll be teaching you how to repair and maintain your frigidaire range. Your appliance may show a potential issue through a corresponding code on. View and download frigidaire electric range with induction cooktop use & care manual online. View and download frigidaire gcri3058ad use. Frigidaire Electric Range With Induction Cooktop Error Codes.
From www.youtube.com
Prestige Induction Cooktop Error Codes Induction Cooktop All Error Frigidaire Electric Range With Induction Cooktop Error Codes If you're looking for help fixing your frigidaire range, look no further! Electric range with induction cooktop. Our comprehensive frigidaire range error code guide will explain common issues, pro. In today's repair guide, we'll be teaching you how to repair and maintain your frigidaire range. Your appliance may show a potential issue through a corresponding code on. Our comprehensive frigidaire. Frigidaire Electric Range With Induction Cooktop Error Codes.
From www.manualslib.com
FRIGIDAIRE FGF316WGTH COOKTOP WIRING DIAGRAM ManualsLib Frigidaire Electric Range With Induction Cooktop Error Codes Electric range with induction cooktop cooktop pdf manual. In today's repair guide, we'll be teaching you how to repair and maintain your frigidaire range. If you're looking for help fixing your frigidaire range, look no further! View and download frigidaire electric range with induction cooktop use & care manual online. Our comprehensive frigidaire range error code guide will explain common. Frigidaire Electric Range With Induction Cooktop Error Codes.