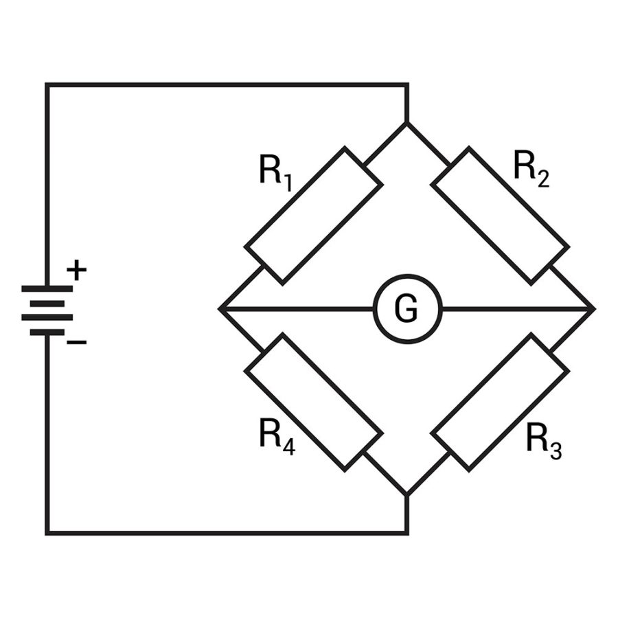
How Does A Wheatstone Bridge Strain Gauge Work . The general wheatstone bridge, illustrated in figure 4, is a. Find out its principle, formula, and common applications in engineering, such as strain gauge, pressure sensing, and temperature sensing. For the determination of the absolute value of a resistance by comparison with a known. Learn how to use a wheatstone bridge circuit to measure resistive elements with precision adcs. The wheatstone bridge can be used in various ways to measure electrical resistance: To measure such small changes in resistance, strain gage configurations are based on the concept of a wheatstone bridge. This application note covers bridge. A strain gauge has a linear response, and elastic bending of a load cell is linear. Learn how a wheatstone bridge circuit measures the change in resistance of a strain gauge due to applied stress. Thus, we can write \$ r_i = k_i f \$ where \$k_i\$ is a constant of proportionality for that gauge,. Learn how to use a wheatstone bridge circuit to measure unknown resistances with high precision. See diagrams, formulas, and characteristics of quarter.
from www.michsci.com
Thus, we can write \$ r_i = k_i f \$ where \$k_i\$ is a constant of proportionality for that gauge,. Learn how a wheatstone bridge circuit measures the change in resistance of a strain gauge due to applied stress. The general wheatstone bridge, illustrated in figure 4, is a. A strain gauge has a linear response, and elastic bending of a load cell is linear. To measure such small changes in resistance, strain gage configurations are based on the concept of a wheatstone bridge. This application note covers bridge. Learn how to use a wheatstone bridge circuit to measure unknown resistances with high precision. Find out its principle, formula, and common applications in engineering, such as strain gauge, pressure sensing, and temperature sensing. See diagrams, formulas, and characteristics of quarter. The wheatstone bridge can be used in various ways to measure electrical resistance:
What is a Strain Gauge and How Does it Work? Michigan Scientific
How Does A Wheatstone Bridge Strain Gauge Work Learn how to use a wheatstone bridge circuit to measure unknown resistances with high precision. This application note covers bridge. See diagrams, formulas, and characteristics of quarter. Learn how to use a wheatstone bridge circuit to measure resistive elements with precision adcs. Find out its principle, formula, and common applications in engineering, such as strain gauge, pressure sensing, and temperature sensing. Thus, we can write \$ r_i = k_i f \$ where \$k_i\$ is a constant of proportionality for that gauge,. A strain gauge has a linear response, and elastic bending of a load cell is linear. To measure such small changes in resistance, strain gage configurations are based on the concept of a wheatstone bridge. The general wheatstone bridge, illustrated in figure 4, is a. The wheatstone bridge can be used in various ways to measure electrical resistance: Learn how a wheatstone bridge circuit measures the change in resistance of a strain gauge due to applied stress. Learn how to use a wheatstone bridge circuit to measure unknown resistances with high precision. For the determination of the absolute value of a resistance by comparison with a known.
From itecnotes.com
Electrical Wheatstone Bridge strain gauge sensor Valuable Tech Notes How Does A Wheatstone Bridge Strain Gauge Work For the determination of the absolute value of a resistance by comparison with a known. Learn how a wheatstone bridge circuit measures the change in resistance of a strain gauge due to applied stress. The general wheatstone bridge, illustrated in figure 4, is a. Learn how to use a wheatstone bridge circuit to measure unknown resistances with high precision. A. How Does A Wheatstone Bridge Strain Gauge Work.
From in.pinterest.com
What is a Strain Gauge & How does it Work? Electrical Volt Force How Does A Wheatstone Bridge Strain Gauge Work The general wheatstone bridge, illustrated in figure 4, is a. To measure such small changes in resistance, strain gage configurations are based on the concept of a wheatstone bridge. A strain gauge has a linear response, and elastic bending of a load cell is linear. This application note covers bridge. See diagrams, formulas, and characteristics of quarter. Learn how a. How Does A Wheatstone Bridge Strain Gauge Work.
From instrumentationtools.com
Strain Gauge Working Principle Inst Tools How Does A Wheatstone Bridge Strain Gauge Work Learn how to use a wheatstone bridge circuit to measure resistive elements with precision adcs. For the determination of the absolute value of a resistance by comparison with a known. To measure such small changes in resistance, strain gage configurations are based on the concept of a wheatstone bridge. Learn how a wheatstone bridge circuit measures the change in resistance. How Does A Wheatstone Bridge Strain Gauge Work.
From ar.inspiredpencil.com
Wheatstone Bridge Strain Gauge How Does A Wheatstone Bridge Strain Gauge Work To measure such small changes in resistance, strain gage configurations are based on the concept of a wheatstone bridge. A strain gauge has a linear response, and elastic bending of a load cell is linear. The wheatstone bridge can be used in various ways to measure electrical resistance: For the determination of the absolute value of a resistance by comparison. How Does A Wheatstone Bridge Strain Gauge Work.
From slideserve.com
PPT Strain Gage Theory PowerPoint Presentation ID350505 How Does A Wheatstone Bridge Strain Gauge Work The wheatstone bridge can be used in various ways to measure electrical resistance: Thus, we can write \$ r_i = k_i f \$ where \$k_i\$ is a constant of proportionality for that gauge,. Learn how to use a wheatstone bridge circuit to measure unknown resistances with high precision. The general wheatstone bridge, illustrated in figure 4, is a. Learn how. How Does A Wheatstone Bridge Strain Gauge Work.
From www.researchgate.net
Strain gauge arrangement (a) and the Wheatstone bridge connection mode How Does A Wheatstone Bridge Strain Gauge Work To measure such small changes in resistance, strain gage configurations are based on the concept of a wheatstone bridge. The wheatstone bridge can be used in various ways to measure electrical resistance: A strain gauge has a linear response, and elastic bending of a load cell is linear. Thus, we can write \$ r_i = k_i f \$ where \$k_i\$. How Does A Wheatstone Bridge Strain Gauge Work.
From tandm.co.za
What is a Strain Gauge? How does a Strain Gauge work? How Does A Wheatstone Bridge Strain Gauge Work A strain gauge has a linear response, and elastic bending of a load cell is linear. Find out its principle, formula, and common applications in engineering, such as strain gauge, pressure sensing, and temperature sensing. The general wheatstone bridge, illustrated in figure 4, is a. Learn how a wheatstone bridge circuit measures the change in resistance of a strain gauge. How Does A Wheatstone Bridge Strain Gauge Work.
From byjus.com
Wheatstone Bridge Working Principle, Formula, Derivation, Application How Does A Wheatstone Bridge Strain Gauge Work Learn how to use a wheatstone bridge circuit to measure resistive elements with precision adcs. This application note covers bridge. To measure such small changes in resistance, strain gage configurations are based on the concept of a wheatstone bridge. Learn how to use a wheatstone bridge circuit to measure unknown resistances with high precision. Find out its principle, formula, and. How Does A Wheatstone Bridge Strain Gauge Work.
From www.ourpcb.com
Strain Gauge Load Cell Usage, Construction, Working Principles, and Types How Does A Wheatstone Bridge Strain Gauge Work The general wheatstone bridge, illustrated in figure 4, is a. See diagrams, formulas, and characteristics of quarter. For the determination of the absolute value of a resistance by comparison with a known. Thus, we can write \$ r_i = k_i f \$ where \$k_i\$ is a constant of proportionality for that gauge,. Learn how to use a wheatstone bridge circuit. How Does A Wheatstone Bridge Strain Gauge Work.
From www.engineering.com
Why Strain Gages Need Instrumentation Amps How Does A Wheatstone Bridge Strain Gauge Work See diagrams, formulas, and characteristics of quarter. This application note covers bridge. Learn how a wheatstone bridge circuit measures the change in resistance of a strain gauge due to applied stress. The wheatstone bridge can be used in various ways to measure electrical resistance: A strain gauge has a linear response, and elastic bending of a load cell is linear.. How Does A Wheatstone Bridge Strain Gauge Work.
From mavink.com
Strain Gauge Wheatstone Bridge How Does A Wheatstone Bridge Strain Gauge Work Learn how to use a wheatstone bridge circuit to measure unknown resistances with high precision. Thus, we can write \$ r_i = k_i f \$ where \$k_i\$ is a constant of proportionality for that gauge,. Find out its principle, formula, and common applications in engineering, such as strain gauge, pressure sensing, and temperature sensing. This application note covers bridge. A. How Does A Wheatstone Bridge Strain Gauge Work.
From www.michsci.com
What is a Strain Gauge and How Does it Work? Michigan Scientific How Does A Wheatstone Bridge Strain Gauge Work Thus, we can write \$ r_i = k_i f \$ where \$k_i\$ is a constant of proportionality for that gauge,. The wheatstone bridge can be used in various ways to measure electrical resistance: For the determination of the absolute value of a resistance by comparison with a known. To measure such small changes in resistance, strain gage configurations are based. How Does A Wheatstone Bridge Strain Gauge Work.
From www.vrogue.co
What Is A Wheatstone Bridge And Other Strain Gauges C vrogue.co How Does A Wheatstone Bridge Strain Gauge Work This application note covers bridge. See diagrams, formulas, and characteristics of quarter. Find out its principle, formula, and common applications in engineering, such as strain gauge, pressure sensing, and temperature sensing. For the determination of the absolute value of a resistance by comparison with a known. Learn how to use a wheatstone bridge circuit to measure resistive elements with precision. How Does A Wheatstone Bridge Strain Gauge Work.
From www.iqsdirectory.com
Strain Gauge What Is It? How Is It Used? Types, Application How Does A Wheatstone Bridge Strain Gauge Work See diagrams, formulas, and characteristics of quarter. This application note covers bridge. A strain gauge has a linear response, and elastic bending of a load cell is linear. Learn how to use a wheatstone bridge circuit to measure resistive elements with precision adcs. Find out its principle, formula, and common applications in engineering, such as strain gauge, pressure sensing, and. How Does A Wheatstone Bridge Strain Gauge Work.
From www.vrogue.co
Strain Gauges And The Wheatstone Bridge Experiment vrogue.co How Does A Wheatstone Bridge Strain Gauge Work Learn how a wheatstone bridge circuit measures the change in resistance of a strain gauge due to applied stress. See diagrams, formulas, and characteristics of quarter. A strain gauge has a linear response, and elastic bending of a load cell is linear. To measure such small changes in resistance, strain gage configurations are based on the concept of a wheatstone. How Does A Wheatstone Bridge Strain Gauge Work.
From ar.inspiredpencil.com
Strain Gauge Wheatstone Bridge How Does A Wheatstone Bridge Strain Gauge Work Learn how to use a wheatstone bridge circuit to measure unknown resistances with high precision. A strain gauge has a linear response, and elastic bending of a load cell is linear. Learn how to use a wheatstone bridge circuit to measure resistive elements with precision adcs. For the determination of the absolute value of a resistance by comparison with a. How Does A Wheatstone Bridge Strain Gauge Work.
From www.researchgate.net
Wheatstone Bridge Configuration with 4 Strain Gauges (STRAIN GAUGE How Does A Wheatstone Bridge Strain Gauge Work Learn how a wheatstone bridge circuit measures the change in resistance of a strain gauge due to applied stress. The wheatstone bridge can be used in various ways to measure electrical resistance: See diagrams, formulas, and characteristics of quarter. Learn how to use a wheatstone bridge circuit to measure unknown resistances with high precision. This application note covers bridge. For. How Does A Wheatstone Bridge Strain Gauge Work.
From www.numerade.com
SOLVED Consider the Wheatstone bridge circuit shown below. The strain How Does A Wheatstone Bridge Strain Gauge Work A strain gauge has a linear response, and elastic bending of a load cell is linear. For the determination of the absolute value of a resistance by comparison with a known. See diagrams, formulas, and characteristics of quarter. To measure such small changes in resistance, strain gage configurations are based on the concept of a wheatstone bridge. Learn how to. How Does A Wheatstone Bridge Strain Gauge Work.
From www.electricity-magnetism.org
How does a Wheatstone bridge work? How Does A Wheatstone Bridge Strain Gauge Work The general wheatstone bridge, illustrated in figure 4, is a. The wheatstone bridge can be used in various ways to measure electrical resistance: Learn how to use a wheatstone bridge circuit to measure unknown resistances with high precision. Thus, we can write \$ r_i = k_i f \$ where \$k_i\$ is a constant of proportionality for that gauge,. To measure. How Does A Wheatstone Bridge Strain Gauge Work.
From www.researchgate.net
Wheatstone Bridge Configuration with 4 Strain Gauges (STRAIN GAUGE How Does A Wheatstone Bridge Strain Gauge Work This application note covers bridge. For the determination of the absolute value of a resistance by comparison with a known. Learn how to use a wheatstone bridge circuit to measure resistive elements with precision adcs. Learn how a wheatstone bridge circuit measures the change in resistance of a strain gauge due to applied stress. Learn how to use a wheatstone. How Does A Wheatstone Bridge Strain Gauge Work.
From www.ascend-tech.com
How Does A Strain GaugeBased Load Cell Work? How Does A Wheatstone Bridge Strain Gauge Work The general wheatstone bridge, illustrated in figure 4, is a. A strain gauge has a linear response, and elastic bending of a load cell is linear. For the determination of the absolute value of a resistance by comparison with a known. Learn how to use a wheatstone bridge circuit to measure resistive elements with precision adcs. See diagrams, formulas, and. How Does A Wheatstone Bridge Strain Gauge Work.
From engineerexcel.com
How Does a Strain Gauge Work Exploring the Fundamentals and How Does A Wheatstone Bridge Strain Gauge Work For the determination of the absolute value of a resistance by comparison with a known. A strain gauge has a linear response, and elastic bending of a load cell is linear. To measure such small changes in resistance, strain gage configurations are based on the concept of a wheatstone bridge. Thus, we can write \$ r_i = k_i f \$. How Does A Wheatstone Bridge Strain Gauge Work.
From www.researchgate.net
Wheatstone bridge strain gauge. In this circuit, Vin is the input How Does A Wheatstone Bridge Strain Gauge Work A strain gauge has a linear response, and elastic bending of a load cell is linear. Learn how to use a wheatstone bridge circuit to measure resistive elements with precision adcs. Find out its principle, formula, and common applications in engineering, such as strain gauge, pressure sensing, and temperature sensing. For the determination of the absolute value of a resistance. How Does A Wheatstone Bridge Strain Gauge Work.
From www.electricity-magnetism.org
How does a Wheatstone bridge work? How Does A Wheatstone Bridge Strain Gauge Work Learn how a wheatstone bridge circuit measures the change in resistance of a strain gauge due to applied stress. This application note covers bridge. A strain gauge has a linear response, and elastic bending of a load cell is linear. For the determination of the absolute value of a resistance by comparison with a known. To measure such small changes. How Does A Wheatstone Bridge Strain Gauge Work.
From automationforum.co
Wheatstone Bridge for strain gauge Working Operational How Does A Wheatstone Bridge Strain Gauge Work This application note covers bridge. For the determination of the absolute value of a resistance by comparison with a known. Find out its principle, formula, and common applications in engineering, such as strain gauge, pressure sensing, and temperature sensing. The wheatstone bridge can be used in various ways to measure electrical resistance: A strain gauge has a linear response, and. How Does A Wheatstone Bridge Strain Gauge Work.
From www.vrogue.co
Locations Of Strain Gauges And Organization Of Wheats vrogue.co How Does A Wheatstone Bridge Strain Gauge Work Find out its principle, formula, and common applications in engineering, such as strain gauge, pressure sensing, and temperature sensing. A strain gauge has a linear response, and elastic bending of a load cell is linear. The general wheatstone bridge, illustrated in figure 4, is a. See diagrams, formulas, and characteristics of quarter. The wheatstone bridge can be used in various. How Does A Wheatstone Bridge Strain Gauge Work.
From www.ourpcb.com
Strain Gauge Load Cell Usage, Construction, Working Principles, and Types How Does A Wheatstone Bridge Strain Gauge Work The wheatstone bridge can be used in various ways to measure electrical resistance: A strain gauge has a linear response, and elastic bending of a load cell is linear. Learn how to use a wheatstone bridge circuit to measure resistive elements with precision adcs. This application note covers bridge. Learn how to use a wheatstone bridge circuit to measure unknown. How Does A Wheatstone Bridge Strain Gauge Work.
From tacunasystems.com
Learn About Strain Gauge Load Cells Tacuna Systems How Does A Wheatstone Bridge Strain Gauge Work The general wheatstone bridge, illustrated in figure 4, is a. Learn how to use a wheatstone bridge circuit to measure unknown resistances with high precision. The wheatstone bridge can be used in various ways to measure electrical resistance: Learn how to use a wheatstone bridge circuit to measure resistive elements with precision adcs. Thus, we can write \$ r_i =. How Does A Wheatstone Bridge Strain Gauge Work.
From blog.endaq.com
Strain Gauges How they Work, Applications, and Types How Does A Wheatstone Bridge Strain Gauge Work See diagrams, formulas, and characteristics of quarter. For the determination of the absolute value of a resistance by comparison with a known. This application note covers bridge. To measure such small changes in resistance, strain gage configurations are based on the concept of a wheatstone bridge. The wheatstone bridge can be used in various ways to measure electrical resistance: The. How Does A Wheatstone Bridge Strain Gauge Work.
From studybookpage.com
What is Semiconductor Strain Gauge? Working Principle, Diagram & Gauge How Does A Wheatstone Bridge Strain Gauge Work A strain gauge has a linear response, and elastic bending of a load cell is linear. The wheatstone bridge can be used in various ways to measure electrical resistance: To measure such small changes in resistance, strain gage configurations are based on the concept of a wheatstone bridge. Find out its principle, formula, and common applications in engineering, such as. How Does A Wheatstone Bridge Strain Gauge Work.
From www.vrogue.co
Wheatstone Bridge Circuit Strain Gauge Hbm vrogue.co How Does A Wheatstone Bridge Strain Gauge Work The wheatstone bridge can be used in various ways to measure electrical resistance: Learn how a wheatstone bridge circuit measures the change in resistance of a strain gauge due to applied stress. For the determination of the absolute value of a resistance by comparison with a known. Find out its principle, formula, and common applications in engineering, such as strain. How Does A Wheatstone Bridge Strain Gauge Work.
From www.researchgate.net
HalfWheatstone bridge circuit of the strain gauge. Download How Does A Wheatstone Bridge Strain Gauge Work Find out its principle, formula, and common applications in engineering, such as strain gauge, pressure sensing, and temperature sensing. The wheatstone bridge can be used in various ways to measure electrical resistance: Thus, we can write \$ r_i = k_i f \$ where \$k_i\$ is a constant of proportionality for that gauge,. To measure such small changes in resistance, strain. How Does A Wheatstone Bridge Strain Gauge Work.
From instrumentationtools.com
Strain Gauge Working Principle with Animation Instrumentatio Tools How Does A Wheatstone Bridge Strain Gauge Work This application note covers bridge. Thus, we can write \$ r_i = k_i f \$ where \$k_i\$ is a constant of proportionality for that gauge,. Learn how a wheatstone bridge circuit measures the change in resistance of a strain gauge due to applied stress. A strain gauge has a linear response, and elastic bending of a load cell is linear.. How Does A Wheatstone Bridge Strain Gauge Work.
From www.electronicshub.org
Wheatstone Bridge Circuit Theory, Example and Applications How Does A Wheatstone Bridge Strain Gauge Work Learn how a wheatstone bridge circuit measures the change in resistance of a strain gauge due to applied stress. Learn how to use a wheatstone bridge circuit to measure unknown resistances with high precision. The wheatstone bridge can be used in various ways to measure electrical resistance: A strain gauge has a linear response, and elastic bending of a load. How Does A Wheatstone Bridge Strain Gauge Work.
From electricalacademia.com
Wheatstone Bridge Circuit Theory and Working Principle Electrical How Does A Wheatstone Bridge Strain Gauge Work Learn how to use a wheatstone bridge circuit to measure unknown resistances with high precision. See diagrams, formulas, and characteristics of quarter. Learn how a wheatstone bridge circuit measures the change in resistance of a strain gauge due to applied stress. To measure such small changes in resistance, strain gage configurations are based on the concept of a wheatstone bridge.. How Does A Wheatstone Bridge Strain Gauge Work.