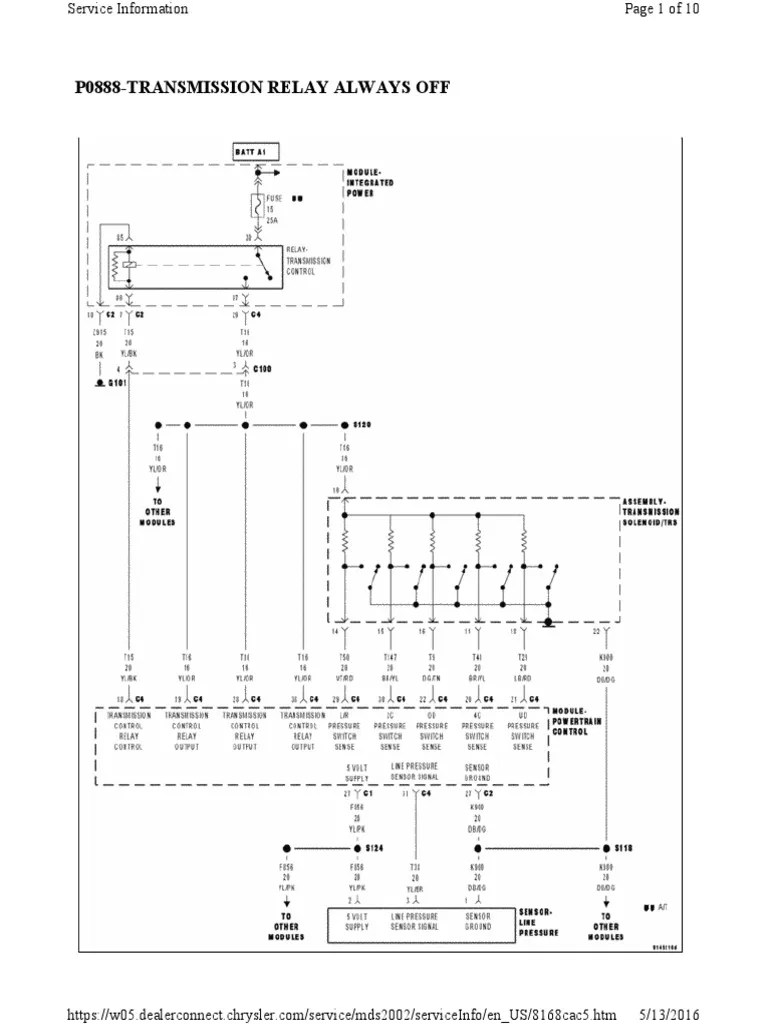
Transmission Relay Output Always Off . This means that there is a. What does code p0888 mean? Diagnose the issue by using a scan tool to retrieve the fault code and checking the transmission relay and. How to fix p0888 chrysler. The transmission control relay (tcr) is used to supply power to the transmission solenoid pack during normal operation. The p0888 diagnostic trouble code (dtc) indicates that the transmission relay is always off. P0888 is a diagnostic trouble code (dtc) for transmission relay sense circuit (or relay output always off). This code is set when less than 3 volts are.
from www.youtube.com
This code is set when less than 3 volts are. How to fix p0888 chrysler. The transmission control relay (tcr) is used to supply power to the transmission solenoid pack during normal operation. What does code p0888 mean? P0888 is a diagnostic trouble code (dtc) for transmission relay sense circuit (or relay output always off). The p0888 diagnostic trouble code (dtc) indicates that the transmission relay is always off. Diagnose the issue by using a scan tool to retrieve the fault code and checking the transmission relay and. This means that there is a.
How Relays Work Basic working principle electronics engineering electrician amp YouTube
Transmission Relay Output Always Off The transmission control relay (tcr) is used to supply power to the transmission solenoid pack during normal operation. What does code p0888 mean? This means that there is a. How to fix p0888 chrysler. This code is set when less than 3 volts are. P0888 is a diagnostic trouble code (dtc) for transmission relay sense circuit (or relay output always off). The transmission control relay (tcr) is used to supply power to the transmission solenoid pack during normal operation. The p0888 diagnostic trouble code (dtc) indicates that the transmission relay is always off. Diagnose the issue by using a scan tool to retrieve the fault code and checking the transmission relay and.
From dxodgjjxg.blob.core.windows.net
How Fast Can A Mechanical Relay Switch at John Diehl blog Transmission Relay Output Always Off How to fix p0888 chrysler. P0888 is a diagnostic trouble code (dtc) for transmission relay sense circuit (or relay output always off). This code is set when less than 3 volts are. The p0888 diagnostic trouble code (dtc) indicates that the transmission relay is always off. The transmission control relay (tcr) is used to supply power to the transmission solenoid. Transmission Relay Output Always Off.
From issuu.com
FIGURE 10 14. TRANSMISSION RELAY HARNESS Issuu Transmission Relay Output Always Off This means that there is a. Diagnose the issue by using a scan tool to retrieve the fault code and checking the transmission relay and. The transmission control relay (tcr) is used to supply power to the transmission solenoid pack during normal operation. This code is set when less than 3 volts are. P0888 is a diagnostic trouble code (dtc). Transmission Relay Output Always Off.
From www.realpars.com
PLC Output Types Solid State vs Relay RealPars Transmission Relay Output Always Off This means that there is a. This code is set when less than 3 volts are. What does code p0888 mean? The transmission control relay (tcr) is used to supply power to the transmission solenoid pack during normal operation. Diagnose the issue by using a scan tool to retrieve the fault code and checking the transmission relay and. The p0888. Transmission Relay Output Always Off.
From schematicgossans.z21.web.core.windows.net
Protection And Control Relays Transmission Relay Output Always Off What does code p0888 mean? This means that there is a. Diagnose the issue by using a scan tool to retrieve the fault code and checking the transmission relay and. This code is set when less than 3 volts are. The p0888 diagnostic trouble code (dtc) indicates that the transmission relay is always off. P0888 is a diagnostic trouble code. Transmission Relay Output Always Off.
From www.electricalmcqs.com
Electrical Engineering MCQ Questions and Answers Electrical Mcq Electrical Mcq Pdf Transmission Relay Output Always Off This means that there is a. How to fix p0888 chrysler. Diagnose the issue by using a scan tool to retrieve the fault code and checking the transmission relay and. P0888 is a diagnostic trouble code (dtc) for transmission relay sense circuit (or relay output always off). This code is set when less than 3 volts are. What does code. Transmission Relay Output Always Off.
From relaytraining.com
Typical Relay Application from Silent Sentinels 1924 • Valence Electrical Training Services Transmission Relay Output Always Off This code is set when less than 3 volts are. How to fix p0888 chrysler. P0888 is a diagnostic trouble code (dtc) for transmission relay sense circuit (or relay output always off). The transmission control relay (tcr) is used to supply power to the transmission solenoid pack during normal operation. This means that there is a. What does code p0888. Transmission Relay Output Always Off.
From www.electricalonline4u.com
5 Pin Relay Wiring Diagram Use Of Relay Transmission Relay Output Always Off This means that there is a. How to fix p0888 chrysler. P0888 is a diagnostic trouble code (dtc) for transmission relay sense circuit (or relay output always off). The p0888 diagnostic trouble code (dtc) indicates that the transmission relay is always off. This code is set when less than 3 volts are. Diagnose the issue by using a scan tool. Transmission Relay Output Always Off.
From www.ourpcb.com
Relay Modules Relay Control Systems, Output Relay Functions Transmission Relay Output Always Off This code is set when less than 3 volts are. The p0888 diagnostic trouble code (dtc) indicates that the transmission relay is always off. How to fix p0888 chrysler. This means that there is a. What does code p0888 mean? P0888 is a diagnostic trouble code (dtc) for transmission relay sense circuit (or relay output always off). The transmission control. Transmission Relay Output Always Off.
From www.realpars.com
PLC Output Types Solid State vs Relay RealPars Transmission Relay Output Always Off The p0888 diagnostic trouble code (dtc) indicates that the transmission relay is always off. This code is set when less than 3 volts are. P0888 is a diagnostic trouble code (dtc) for transmission relay sense circuit (or relay output always off). What does code p0888 mean? How to fix p0888 chrysler. This means that there is a. The transmission control. Transmission Relay Output Always Off.
From automotorpad.com
Honda p1768 trouble code Transmission Relay Output Always Off Diagnose the issue by using a scan tool to retrieve the fault code and checking the transmission relay and. The p0888 diagnostic trouble code (dtc) indicates that the transmission relay is always off. P0888 is a diagnostic trouble code (dtc) for transmission relay sense circuit (or relay output always off). This means that there is a. What does code p0888. Transmission Relay Output Always Off.
From www.justanswer.com
1768 trans relay always off code. it stays in limp mode. Transmission Relay Output Always Off This means that there is a. The transmission control relay (tcr) is used to supply power to the transmission solenoid pack during normal operation. The p0888 diagnostic trouble code (dtc) indicates that the transmission relay is always off. How to fix p0888 chrysler. What does code p0888 mean? Diagnose the issue by using a scan tool to retrieve the fault. Transmission Relay Output Always Off.
From www.slideserve.com
PPT PLC I/O PowerPoint Presentation, free download ID5964830 Transmission Relay Output Always Off What does code p0888 mean? The transmission control relay (tcr) is used to supply power to the transmission solenoid pack during normal operation. This code is set when less than 3 volts are. The p0888 diagnostic trouble code (dtc) indicates that the transmission relay is always off. This means that there is a. How to fix p0888 chrysler. Diagnose the. Transmission Relay Output Always Off.
From electrical-engineering-portal.com
6 different types of relaying schemes to protect the EHV and UHV transmission lines EEP Transmission Relay Output Always Off The transmission control relay (tcr) is used to supply power to the transmission solenoid pack during normal operation. P0888 is a diagnostic trouble code (dtc) for transmission relay sense circuit (or relay output always off). Diagnose the issue by using a scan tool to retrieve the fault code and checking the transmission relay and. What does code p0888 mean? How. Transmission Relay Output Always Off.
From www.circuitbread.com
Regular Relay vs Power Relay CircuitBread Transmission Relay Output Always Off How to fix p0888 chrysler. This means that there is a. This code is set when less than 3 volts are. P0888 is a diagnostic trouble code (dtc) for transmission relay sense circuit (or relay output always off). The transmission control relay (tcr) is used to supply power to the transmission solenoid pack during normal operation. Diagnose the issue by. Transmission Relay Output Always Off.
From www.2carpros.com
Code P1723, Where Is the Automatic Transmission Control Relay Transmission Relay Output Always Off P0888 is a diagnostic trouble code (dtc) for transmission relay sense circuit (or relay output always off). Diagnose the issue by using a scan tool to retrieve the fault code and checking the transmission relay and. This code is set when less than 3 volts are. How to fix p0888 chrysler. The p0888 diagnostic trouble code (dtc) indicates that the. Transmission Relay Output Always Off.
From www.5-9diesel.com
APS Relay Output Circuit Open 59 Diesel LLC Transmission Relay Output Always Off What does code p0888 mean? The p0888 diagnostic trouble code (dtc) indicates that the transmission relay is always off. P0888 is a diagnostic trouble code (dtc) for transmission relay sense circuit (or relay output always off). How to fix p0888 chrysler. Diagnose the issue by using a scan tool to retrieve the fault code and checking the transmission relay and.. Transmission Relay Output Always Off.
From dsportmag.com
Quick Tech Automotive Relays DSPORT Magazine Transmission Relay Output Always Off The p0888 diagnostic trouble code (dtc) indicates that the transmission relay is always off. This code is set when less than 3 volts are. What does code p0888 mean? P0888 is a diagnostic trouble code (dtc) for transmission relay sense circuit (or relay output always off). This means that there is a. Diagnose the issue by using a scan tool. Transmission Relay Output Always Off.
From www.justanswer.com
Where is the Auto Shut Down Relay on a 2000 chrysler cirrus Transmission Relay Output Always Off Diagnose the issue by using a scan tool to retrieve the fault code and checking the transmission relay and. What does code p0888 mean? P0888 is a diagnostic trouble code (dtc) for transmission relay sense circuit (or relay output always off). The transmission control relay (tcr) is used to supply power to the transmission solenoid pack during normal operation. This. Transmission Relay Output Always Off.
From www.pinterest.ca
Best Relay Wiring Diagram 5 Pin Wiring Diagram Bosch 5 Pin Relay Electrical diagram Transmission Relay Output Always Off The p0888 diagnostic trouble code (dtc) indicates that the transmission relay is always off. How to fix p0888 chrysler. P0888 is a diagnostic trouble code (dtc) for transmission relay sense circuit (or relay output always off). What does code p0888 mean? This code is set when less than 3 volts are. This means that there is a. Diagnose the issue. Transmission Relay Output Always Off.
From aampglobal.zendesk.com
How to Wire a Standard Automotive Relay AAMP Global Transmission Relay Output Always Off This code is set when less than 3 volts are. The transmission control relay (tcr) is used to supply power to the transmission solenoid pack during normal operation. How to fix p0888 chrysler. The p0888 diagnostic trouble code (dtc) indicates that the transmission relay is always off. What does code p0888 mean? This means that there is a. Diagnose the. Transmission Relay Output Always Off.
From instrumentationtools.com
PLC Output Types PLC Digital Output Modules PLC Hardware Transmission Relay Output Always Off This code is set when less than 3 volts are. This means that there is a. The p0888 diagnostic trouble code (dtc) indicates that the transmission relay is always off. How to fix p0888 chrysler. Diagnose the issue by using a scan tool to retrieve the fault code and checking the transmission relay and. What does code p0888 mean? P0888. Transmission Relay Output Always Off.
From control.com
Interposing Relays in PLCs Relay Control Systems Textbook Transmission Relay Output Always Off How to fix p0888 chrysler. Diagnose the issue by using a scan tool to retrieve the fault code and checking the transmission relay and. This means that there is a. P0888 is a diagnostic trouble code (dtc) for transmission relay sense circuit (or relay output always off). The transmission control relay (tcr) is used to supply power to the transmission. Transmission Relay Output Always Off.
From www.circuits-diy.com
Automatic ONOFF Relay Circuit Transmission Relay Output Always Off This code is set when less than 3 volts are. What does code p0888 mean? The transmission control relay (tcr) is used to supply power to the transmission solenoid pack during normal operation. This means that there is a. The p0888 diagnostic trouble code (dtc) indicates that the transmission relay is always off. Diagnose the issue by using a scan. Transmission Relay Output Always Off.
From www.caretxdigital.com
off delay timer relay wiring diagram Wiring Diagram and Schematics Transmission Relay Output Always Off What does code p0888 mean? The p0888 diagnostic trouble code (dtc) indicates that the transmission relay is always off. How to fix p0888 chrysler. The transmission control relay (tcr) is used to supply power to the transmission solenoid pack during normal operation. This means that there is a. Diagnose the issue by using a scan tool to retrieve the fault. Transmission Relay Output Always Off.
From www.electricaldesks.com
Electrical Desk All About Electrical Engineering Transmission Relay Output Always Off This means that there is a. P0888 is a diagnostic trouble code (dtc) for transmission relay sense circuit (or relay output always off). Diagnose the issue by using a scan tool to retrieve the fault code and checking the transmission relay and. This code is set when less than 3 volts are. The p0888 diagnostic trouble code (dtc) indicates that. Transmission Relay Output Always Off.
From www.etechnog.com
Relay Wiring Diagram and Function Explained ETechnoG Transmission Relay Output Always Off What does code p0888 mean? The p0888 diagnostic trouble code (dtc) indicates that the transmission relay is always off. P0888 is a diagnostic trouble code (dtc) for transmission relay sense circuit (or relay output always off). This code is set when less than 3 volts are. How to fix p0888 chrysler. Diagnose the issue by using a scan tool to. Transmission Relay Output Always Off.
From www.troublecodes.net
P0888 Transmission control module (TCM) power relay sense circuit malfunction Transmission Relay Output Always Off The transmission control relay (tcr) is used to supply power to the transmission solenoid pack during normal operation. How to fix p0888 chrysler. The p0888 diagnostic trouble code (dtc) indicates that the transmission relay is always off. Diagnose the issue by using a scan tool to retrieve the fault code and checking the transmission relay and. This means that there. Transmission Relay Output Always Off.
From www.dodgedurango.net
Code P1768 "relay output always off" Dodge Durango Forum Transmission Relay Output Always Off The transmission control relay (tcr) is used to supply power to the transmission solenoid pack during normal operation. Diagnose the issue by using a scan tool to retrieve the fault code and checking the transmission relay and. How to fix p0888 chrysler. This means that there is a. What does code p0888 mean? The p0888 diagnostic trouble code (dtc) indicates. Transmission Relay Output Always Off.
From electronics.stackexchange.com
relay Normally On Circuit with Positive Trigger? Electrical Engineering Stack Exchange Transmission Relay Output Always Off This means that there is a. This code is set when less than 3 volts are. The transmission control relay (tcr) is used to supply power to the transmission solenoid pack during normal operation. How to fix p0888 chrysler. The p0888 diagnostic trouble code (dtc) indicates that the transmission relay is always off. What does code p0888 mean? P0888 is. Transmission Relay Output Always Off.
From electrical-engineering-portal.com
6 different types of relaying schemes to protect the EHV and UHV transmission lines EEP Transmission Relay Output Always Off P0888 is a diagnostic trouble code (dtc) for transmission relay sense circuit (or relay output always off). The p0888 diagnostic trouble code (dtc) indicates that the transmission relay is always off. What does code p0888 mean? Diagnose the issue by using a scan tool to retrieve the fault code and checking the transmission relay and. The transmission control relay (tcr). Transmission Relay Output Always Off.
From www.youtube.com
How to Make Connect in Assemble Using 2 Relay Wiring Diagram 8 pin relay wiring YouTube Transmission Relay Output Always Off This code is set when less than 3 volts are. P0888 is a diagnostic trouble code (dtc) for transmission relay sense circuit (or relay output always off). Diagnose the issue by using a scan tool to retrieve the fault code and checking the transmission relay and. The p0888 diagnostic trouble code (dtc) indicates that the transmission relay is always off.. Transmission Relay Output Always Off.
From www.scribd.com
P0888Transmission Relay Always Off PDF Relay Automatic Transmission Transmission Relay Output Always Off What does code p0888 mean? P0888 is a diagnostic trouble code (dtc) for transmission relay sense circuit (or relay output always off). Diagnose the issue by using a scan tool to retrieve the fault code and checking the transmission relay and. The p0888 diagnostic trouble code (dtc) indicates that the transmission relay is always off. How to fix p0888 chrysler.. Transmission Relay Output Always Off.
From www.justanswer.com
Q&A P1768 Chrysler Town and Country EATX Shutdown Relay Transmission Relay Output Always Off P0888 is a diagnostic trouble code (dtc) for transmission relay sense circuit (or relay output always off). This means that there is a. How to fix p0888 chrysler. This code is set when less than 3 volts are. The transmission control relay (tcr) is used to supply power to the transmission solenoid pack during normal operation. What does code p0888. Transmission Relay Output Always Off.
From www.youtube.com
How Relays Work Basic working principle electronics engineering electrician amp YouTube Transmission Relay Output Always Off The p0888 diagnostic trouble code (dtc) indicates that the transmission relay is always off. What does code p0888 mean? The transmission control relay (tcr) is used to supply power to the transmission solenoid pack during normal operation. P0888 is a diagnostic trouble code (dtc) for transmission relay sense circuit (or relay output always off). Diagnose the issue by using a. Transmission Relay Output Always Off.
From www.wiringdigital.com
wiring diagram with lock out relay Wiring Digital and Schematic Transmission Relay Output Always Off This code is set when less than 3 volts are. P0888 is a diagnostic trouble code (dtc) for transmission relay sense circuit (or relay output always off). The p0888 diagnostic trouble code (dtc) indicates that the transmission relay is always off. The transmission control relay (tcr) is used to supply power to the transmission solenoid pack during normal operation. Diagnose. Transmission Relay Output Always Off.