Dodge Fuel System Service . We've made it easier than ever to schedule mopar ® service with your preferred dealer. My fuel filter life meter. The factory service is a top end injector/fuel rail cleaning plus a line flush and a filter replacement. The 6.7l cummins isb is found in 2007.5. Simply provide a few details about your vehicle and its. My 2019 ram 5.8l hemi went in for an oil change, and the dealer strongly recommended a fuel injection cleaning service for $149.99. If the fuel relay or the fuel temperature sensor goes bad the fuel heater may be stuck on and burn up. 6.7l cummins maintenance schedule, service part numbers, fluid specifications, and fluid capacities. This morning, a message popped up on my evic that says fuel system service required, see dealer. You usually can’t tell by looking at it if this happens. If you want if it is available to you in your area fill up with chevron supreme (or one if your car's engine doesn't require premium, 89. I have a 2018 ram 2500 slt with the 6.7l cummins. I have 87999 miles on it and a message just popped up on the display.
from perfdiesel.com
I have a 2018 ram 2500 slt with the 6.7l cummins. 6.7l cummins maintenance schedule, service part numbers, fluid specifications, and fluid capacities. If you want if it is available to you in your area fill up with chevron supreme (or one if your car's engine doesn't require premium, 89. We've made it easier than ever to schedule mopar ® service with your preferred dealer. My 2019 ram 5.8l hemi went in for an oil change, and the dealer strongly recommended a fuel injection cleaning service for $149.99. The factory service is a top end injector/fuel rail cleaning plus a line flush and a filter replacement. This morning, a message popped up on my evic that says fuel system service required, see dealer. I have 87999 miles on it and a message just popped up on the display. Simply provide a few details about your vehicle and its. You usually can’t tell by looking at it if this happens.
TITAN Spare Tire Auxiliary Fuel System for DODGE, 20032012 Performance Diesel
Dodge Fuel System Service You usually can’t tell by looking at it if this happens. The 6.7l cummins isb is found in 2007.5. I have a 2018 ram 2500 slt with the 6.7l cummins. You usually can’t tell by looking at it if this happens. Simply provide a few details about your vehicle and its. My fuel filter life meter. 6.7l cummins maintenance schedule, service part numbers, fluid specifications, and fluid capacities. If the fuel relay or the fuel temperature sensor goes bad the fuel heater may be stuck on and burn up. My 2019 ram 5.8l hemi went in for an oil change, and the dealer strongly recommended a fuel injection cleaning service for $149.99. This morning, a message popped up on my evic that says fuel system service required, see dealer. If you want if it is available to you in your area fill up with chevron supreme (or one if your car's engine doesn't require premium, 89. The factory service is a top end injector/fuel rail cleaning plus a line flush and a filter replacement. We've made it easier than ever to schedule mopar ® service with your preferred dealer. I have 87999 miles on it and a message just popped up on the display.
From ecddiesel.com
Fuel System Dodge Cummins 5.9 98.502 Performance Parts DODGE CUMMINS PERFORMANCE TRUCKS Dodge Fuel System Service I have 87999 miles on it and a message just popped up on the display. My fuel filter life meter. If the fuel relay or the fuel temperature sensor goes bad the fuel heater may be stuck on and burn up. I have a 2018 ram 2500 slt with the 6.7l cummins. We've made it easier than ever to schedule. Dodge Fuel System Service.
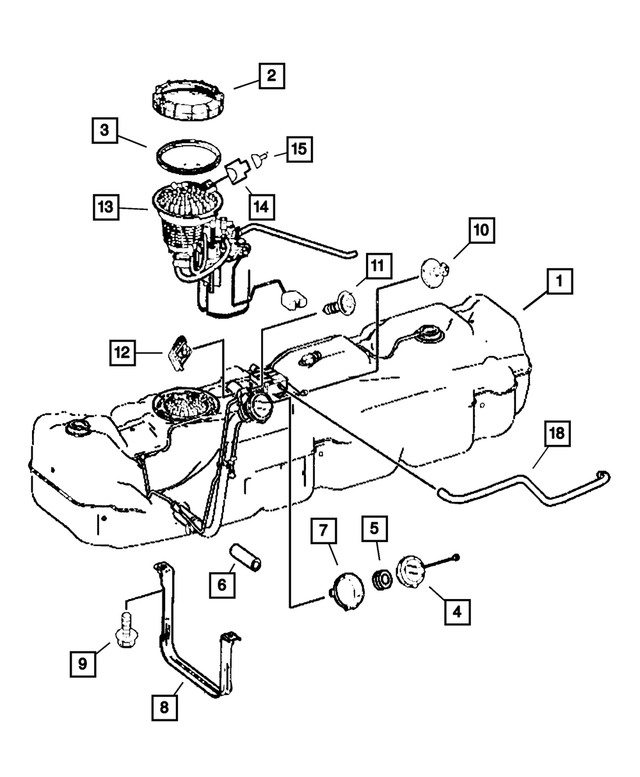
From carwiringrepair.netlify.app
1998 dodge ram 1500 fuel pump relay location Dodge Fuel System Service You usually can’t tell by looking at it if this happens. The factory service is a top end injector/fuel rail cleaning plus a line flush and a filter replacement. I have 87999 miles on it and a message just popped up on the display. I have a 2018 ram 2500 slt with the 6.7l cummins. We've made it easier than. Dodge Fuel System Service.
From perfdiesel.com
TITAN Spare Tire Auxiliary Fuel System for DODGE, 20032012 Performance Diesel Dodge Fuel System Service This morning, a message popped up on my evic that says fuel system service required, see dealer. If you want if it is available to you in your area fill up with chevron supreme (or one if your car's engine doesn't require premium, 89. My fuel filter life meter. I have 87999 miles on it and a message just popped. Dodge Fuel System Service.
From lorensauto.com
Fuel System Services Lorens Auto and Truck Repair Dodge Fuel System Service My fuel filter life meter. 6.7l cummins maintenance schedule, service part numbers, fluid specifications, and fluid capacities. If you want if it is available to you in your area fill up with chevron supreme (or one if your car's engine doesn't require premium, 89. We've made it easier than ever to schedule mopar ® service with your preferred dealer. The. Dodge Fuel System Service.
From www.moparpartsoverstock.com
Dodge Ram 2500 Tube. Fuel supply. Pch 05175560AA Mopar Parts Overstock, Lakeland FL Dodge Fuel System Service If the fuel relay or the fuel temperature sensor goes bad the fuel heater may be stuck on and burn up. You usually can’t tell by looking at it if this happens. This morning, a message popped up on my evic that says fuel system service required, see dealer. The factory service is a top end injector/fuel rail cleaning plus. Dodge Fuel System Service.
From www.youtube.com
How to Release Fuel System Pressure 0208 Dodge Ram YouTube Dodge Fuel System Service You usually can’t tell by looking at it if this happens. I have 87999 miles on it and a message just popped up on the display. This morning, a message popped up on my evic that says fuel system service required, see dealer. My 2019 ram 5.8l hemi went in for an oil change, and the dealer strongly recommended a. Dodge Fuel System Service.
From www.slimansparts.com
Dodge Ram 1500 Fuel Tank 55366067AE Amherst OH Dodge Fuel System Service I have 87999 miles on it and a message just popped up on the display. You usually can’t tell by looking at it if this happens. We've made it easier than ever to schedule mopar ® service with your preferred dealer. The 6.7l cummins isb is found in 2007.5. The factory service is a top end injector/fuel rail cleaning plus. Dodge Fuel System Service.
From www.newkidscar.com
FUEL SYSTEM Car Anatomy Dodge Fuel System Service Simply provide a few details about your vehicle and its. I have a 2018 ram 2500 slt with the 6.7l cummins. 6.7l cummins maintenance schedule, service part numbers, fluid specifications, and fluid capacities. If the fuel relay or the fuel temperature sensor goes bad the fuel heater may be stuck on and burn up. You usually can’t tell by looking. Dodge Fuel System Service.
From www.ingenieriaymecanicaautomotriz.com
FUEL SYSTEM COMPONENTS, WORKING PRINCIPLES, SYMPTOMS AND EMISSION CONTROLS INGENIERÍA Y Dodge Fuel System Service Simply provide a few details about your vehicle and its. You usually can’t tell by looking at it if this happens. 6.7l cummins maintenance schedule, service part numbers, fluid specifications, and fluid capacities. If you want if it is available to you in your area fill up with chevron supreme (or one if your car's engine doesn't require premium, 89.. Dodge Fuel System Service.
From www.youtube.com
72'93' LS swapped Dodge fuel system options. YouTube Dodge Fuel System Service If the fuel relay or the fuel temperature sensor goes bad the fuel heater may be stuck on and burn up. I have 87999 miles on it and a message just popped up on the display. The 6.7l cummins isb is found in 2007.5. If you want if it is available to you in your area fill up with chevron. Dodge Fuel System Service.
From www.modernmusclextreme.com
Dodge RAM Fuel Systems MMX Modern Muscle Xtreme Dodge Fuel System Service We've made it easier than ever to schedule mopar ® service with your preferred dealer. If you want if it is available to you in your area fill up with chevron supreme (or one if your car's engine doesn't require premium, 89. Simply provide a few details about your vehicle and its. The 6.7l cummins isb is found in 2007.5.. Dodge Fuel System Service.
From www.justanswer.com
Dodge Fuel System Diagrams Q&A for 12 Valve Cummins, 6.7 Cummins, Diesel Lift Pump, and More Dodge Fuel System Service My fuel filter life meter. We've made it easier than ever to schedule mopar ® service with your preferred dealer. If the fuel relay or the fuel temperature sensor goes bad the fuel heater may be stuck on and burn up. You usually can’t tell by looking at it if this happens. The 6.7l cummins isb is found in 2007.5.. Dodge Fuel System Service.
From corey-lopardo.blogspot.com
dodge ram fuel line quick connect coreylopardo Dodge Fuel System Service If you want if it is available to you in your area fill up with chevron supreme (or one if your car's engine doesn't require premium, 89. I have 87999 miles on it and a message just popped up on the display. If the fuel relay or the fuel temperature sensor goes bad the fuel heater may be stuck on. Dodge Fuel System Service.
From www.justanswer.com
Dodge Ram Q&A Fuel System Diagrams, Carburetor, Fuel Line Removal, Wiring, and More Dodge Fuel System Service We've made it easier than ever to schedule mopar ® service with your preferred dealer. If you want if it is available to you in your area fill up with chevron supreme (or one if your car's engine doesn't require premium, 89. My fuel filter life meter. I have a 2018 ram 2500 slt with the 6.7l cummins. My 2019. Dodge Fuel System Service.
From www.youtube.com
6.7 Cummins Fuel Filter Change Dodge RAM 2500 / 3500 YouTube Dodge Fuel System Service The 6.7l cummins isb is found in 2007.5. The factory service is a top end injector/fuel rail cleaning plus a line flush and a filter replacement. We've made it easier than ever to schedule mopar ® service with your preferred dealer. My 2019 ram 5.8l hemi went in for an oil change, and the dealer strongly recommended a fuel injection. Dodge Fuel System Service.
From www.autozone.com
Repair Guides Programmed Fuel Injection (pgmfi) System Fuel System Service Precautions Dodge Fuel System Service The 6.7l cummins isb is found in 2007.5. You usually can’t tell by looking at it if this happens. I have a 2018 ram 2500 slt with the 6.7l cummins. This morning, a message popped up on my evic that says fuel system service required, see dealer. My fuel filter life meter. I have 87999 miles on it and a. Dodge Fuel System Service.
From fuelsystemservice.com
Fuel System Services Boost Your Vehicle's Performance Now Dodge Fuel System Service The factory service is a top end injector/fuel rail cleaning plus a line flush and a filter replacement. My 2019 ram 5.8l hemi went in for an oil change, and the dealer strongly recommended a fuel injection cleaning service for $149.99. I have 87999 miles on it and a message just popped up on the display. If the fuel relay. Dodge Fuel System Service.
From fuelsystemservice.com
Ultimate Guide to Replacing Fuel Injectors Dodge Fuel System Service The factory service is a top end injector/fuel rail cleaning plus a line flush and a filter replacement. You usually can’t tell by looking at it if this happens. My fuel filter life meter. This morning, a message popped up on my evic that says fuel system service required, see dealer. Simply provide a few details about your vehicle and. Dodge Fuel System Service.
From mavink.com
Dodge Ram 1500 Fuel System Diagram Dodge Fuel System Service 6.7l cummins maintenance schedule, service part numbers, fluid specifications, and fluid capacities. The 6.7l cummins isb is found in 2007.5. My 2019 ram 5.8l hemi went in for an oil change, and the dealer strongly recommended a fuel injection cleaning service for $149.99. My fuel filter life meter. Simply provide a few details about your vehicle and its. The factory. Dodge Fuel System Service.
From www.youtube.com
Bill Dodge Auto Group Fuel System Service YouTube Dodge Fuel System Service My 2019 ram 5.8l hemi went in for an oil change, and the dealer strongly recommended a fuel injection cleaning service for $149.99. We've made it easier than ever to schedule mopar ® service with your preferred dealer. If you want if it is available to you in your area fill up with chevron supreme (or one if your car's. Dodge Fuel System Service.
From techdiagrammer.com
A Comprehensive Guide to Understanding the Dodge Ram Fuel System Diagram Dodge Fuel System Service My 2019 ram 5.8l hemi went in for an oil change, and the dealer strongly recommended a fuel injection cleaning service for $149.99. You usually can’t tell by looking at it if this happens. The 6.7l cummins isb is found in 2007.5. I have 87999 miles on it and a message just popped up on the display. This morning, a. Dodge Fuel System Service.
From enginebailey77.z19.web.core.windows.net
2009 Dodge Ram Fuel Pump Dodge Fuel System Service The 6.7l cummins isb is found in 2007.5. 6.7l cummins maintenance schedule, service part numbers, fluid specifications, and fluid capacities. I have 87999 miles on it and a message just popped up on the display. This morning, a message popped up on my evic that says fuel system service required, see dealer. Simply provide a few details about your vehicle. Dodge Fuel System Service.
From www.youtube.com
How to replace the fuel pump on a 1997 Dodge Ram 1500 YouTube Dodge Fuel System Service If you want if it is available to you in your area fill up with chevron supreme (or one if your car's engine doesn't require premium, 89. My 2019 ram 5.8l hemi went in for an oil change, and the dealer strongly recommended a fuel injection cleaning service for $149.99. If the fuel relay or the fuel temperature sensor goes. Dodge Fuel System Service.
From store.mopar.com
20072009 Dodge Fuel Tank Diesel Module 68024009AA Mopar Estores Dodge Fuel System Service The factory service is a top end injector/fuel rail cleaning plus a line flush and a filter replacement. My fuel filter life meter. I have a 2018 ram 2500 slt with the 6.7l cummins. If the fuel relay or the fuel temperature sensor goes bad the fuel heater may be stuck on and burn up. This morning, a message popped. Dodge Fuel System Service.
From www.youtube.com
2003 Dodge Ram 2500 Fuel Pump Fuse, Fuel Pump Relay & Circuit Explained YouTube Dodge Fuel System Service We've made it easier than ever to schedule mopar ® service with your preferred dealer. The 6.7l cummins isb is found in 2007.5. If the fuel relay or the fuel temperature sensor goes bad the fuel heater may be stuck on and burn up. I have 87999 miles on it and a message just popped up on the display. My. Dodge Fuel System Service.
From www.youtube.com
How to do Fuel Filter Change 2003 2007 Dodge 2500 5.9 Cummins Diesel YouTube Dodge Fuel System Service We've made it easier than ever to schedule mopar ® service with your preferred dealer. If the fuel relay or the fuel temperature sensor goes bad the fuel heater may be stuck on and burn up. This morning, a message popped up on my evic that says fuel system service required, see dealer. 6.7l cummins maintenance schedule, service part numbers,. Dodge Fuel System Service.
From www.researchgate.net
Schematic diagram of a typical automotive fuel system Download Scientific Diagram Dodge Fuel System Service If the fuel relay or the fuel temperature sensor goes bad the fuel heater may be stuck on and burn up. My fuel filter life meter. The 6.7l cummins isb is found in 2007.5. If you want if it is available to you in your area fill up with chevron supreme (or one if your car's engine doesn't require premium,. Dodge Fuel System Service.
From kneblesauto.com
Fuel System Service in Mays Landing, NJ Kneble's Auto Service Center Dodge Fuel System Service I have a 2018 ram 2500 slt with the 6.7l cummins. If the fuel relay or the fuel temperature sensor goes bad the fuel heater may be stuck on and burn up. I have 87999 miles on it and a message just popped up on the display. We've made it easier than ever to schedule mopar ® service with your. Dodge Fuel System Service.
From www.autozone.com
Repair Guides Fuel Tank Tank Assembly Dodge Fuel System Service If the fuel relay or the fuel temperature sensor goes bad the fuel heater may be stuck on and burn up. My 2019 ram 5.8l hemi went in for an oil change, and the dealer strongly recommended a fuel injection cleaning service for $149.99. This morning, a message popped up on my evic that says fuel system service required, see. Dodge Fuel System Service.
From www.youtube.com
"Fuel Sending Unit" Replacement Repair On 1997 Dodge Ram 2500 Cummins YouTube Dodge Fuel System Service If you want if it is available to you in your area fill up with chevron supreme (or one if your car's engine doesn't require premium, 89. We've made it easier than ever to schedule mopar ® service with your preferred dealer. My 2019 ram 5.8l hemi went in for an oil change, and the dealer strongly recommended a fuel. Dodge Fuel System Service.
From www.slimansparts.com
Dodge Charger Fuel. Unit. Level. Sending 68145782AA Amherst OH Dodge Fuel System Service 6.7l cummins maintenance schedule, service part numbers, fluid specifications, and fluid capacities. The 6.7l cummins isb is found in 2007.5. If the fuel relay or the fuel temperature sensor goes bad the fuel heater may be stuck on and burn up. The factory service is a top end injector/fuel rail cleaning plus a line flush and a filter replacement. This. Dodge Fuel System Service.
From perfdiesel.com
Titanium Signature Series Diesel Fuel Lift Pump 95GPH Dodge Cummins 5.9L 1998.52004 Dodge Fuel System Service I have a 2018 ram 2500 slt with the 6.7l cummins. This morning, a message popped up on my evic that says fuel system service required, see dealer. I have 87999 miles on it and a message just popped up on the display. Simply provide a few details about your vehicle and its. My fuel filter life meter. If you. Dodge Fuel System Service.
From www.lindsaychryslerparts.com
Dodge Dakota Fuel Hose. Rear fuel, Regular Cab 52102436AA Lindsay Chrysler Dodge Jeep RAM Dodge Fuel System Service You usually can’t tell by looking at it if this happens. My fuel filter life meter. I have 87999 miles on it and a message just popped up on the display. Simply provide a few details about your vehicle and its. We've made it easier than ever to schedule mopar ® service with your preferred dealer. If you want if. Dodge Fuel System Service.
From ecddiesel.com
Fuel System Dodge Cummins 12V 9498 Performance Parts DODGE CUMMINS PERFORMANCE TRUCKS Dodge Fuel System Service We've made it easier than ever to schedule mopar ® service with your preferred dealer. 6.7l cummins maintenance schedule, service part numbers, fluid specifications, and fluid capacities. The 6.7l cummins isb is found in 2007.5. I have 87999 miles on it and a message just popped up on the display. You usually can’t tell by looking at it if this. Dodge Fuel System Service.
From qsautorepair.com
Car Fuel System Repair Service In Dubai Quick Service Auto Repairing LLC Dodge Fuel System Service My 2019 ram 5.8l hemi went in for an oil change, and the dealer strongly recommended a fuel injection cleaning service for $149.99. My fuel filter life meter. If you want if it is available to you in your area fill up with chevron supreme (or one if your car's engine doesn't require premium, 89. The 6.7l cummins isb is. Dodge Fuel System Service.