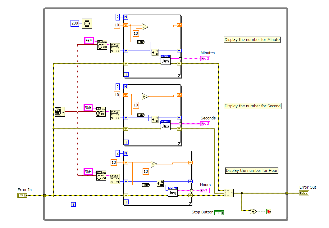
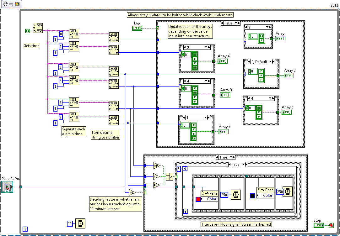
How To Make A Clock Labview . You can display the current time using a timestamp in labview. The hour hand and minute. How to create analog clock in labview4. The video provides a comprehensive tutorial on creating a digital clock using labview 2020. This can be written in your application using the get date/time in seconds vi. The example demonstrate analog clock using picture functions and queued state machine (qsm) architectures. I realize you're new to labview but please do even just a little research before falling back on a forum to get answers. The attached vi shows how to convert the current time into array elements in order to populate the individual second/minutes/hours arrays. How to make digital clock labview2. This application displays the real world current time as a digital display as you would see on an old digital alarm clock. It begins with an introduction to the labview.
from www.youtube.com
The video provides a comprehensive tutorial on creating a digital clock using labview 2020. The attached vi shows how to convert the current time into array elements in order to populate the individual second/minutes/hours arrays. It begins with an introduction to the labview. The hour hand and minute. You can display the current time using a timestamp in labview. I realize you're new to labview but please do even just a little research before falling back on a forum to get answers. This application displays the real world current time as a digital display as you would see on an old digital alarm clock. How to make digital clock labview2. How to create analog clock in labview4. The example demonstrate analog clock using picture functions and queued state machine (qsm) architectures.
005 LabVIEW цикл While и Timing YouTube
How To Make A Clock Labview I realize you're new to labview but please do even just a little research before falling back on a forum to get answers. How to create analog clock in labview4. The hour hand and minute. This can be written in your application using the get date/time in seconds vi. How to make digital clock labview2. The example demonstrate analog clock using picture functions and queued state machine (qsm) architectures. It begins with an introduction to the labview. The attached vi shows how to convert the current time into array elements in order to populate the individual second/minutes/hours arrays. I realize you're new to labview but please do even just a little research before falling back on a forum to get answers. The video provides a comprehensive tutorial on creating a digital clock using labview 2020. This application displays the real world current time as a digital display as you would see on an old digital alarm clock. You can display the current time using a timestamp in labview.
From www.youtube.com
53 Understanding Real Time Clock in LabVIEW YouTube How To Make A Clock Labview The example demonstrate analog clock using picture functions and queued state machine (qsm) architectures. This can be written in your application using the get date/time in seconds vi. You can display the current time using a timestamp in labview. How to create analog clock in labview4. The hour hand and minute. The attached vi shows how to convert the current. How To Make A Clock Labview.
From www.youtube.com
LabVIEW code Synchronize the system clock to a NIST time source (walkthrough) Description How To Make A Clock Labview How to make digital clock labview2. This can be written in your application using the get date/time in seconds vi. The hour hand and minute. The video provides a comprehensive tutorial on creating a digital clock using labview 2020. The example demonstrate analog clock using picture functions and queued state machine (qsm) architectures. You can display the current time using. How To Make A Clock Labview.
From stackoverflow.com
timer How to time a case structure in labview? Stack Overflow How To Make A Clock Labview The example demonstrate analog clock using picture functions and queued state machine (qsm) architectures. How to make digital clock labview2. The video provides a comprehensive tutorial on creating a digital clock using labview 2020. The hour hand and minute. I realize you're new to labview but please do even just a little research before falling back on a forum to. How To Make A Clock Labview.
From forums.ni.com
How to Program Elapsed Time Express VI's in Sequential Order Using LabVIEW NI Community How To Make A Clock Labview The hour hand and minute. This application displays the real world current time as a digital display as you would see on an old digital alarm clock. The video provides a comprehensive tutorial on creating a digital clock using labview 2020. You can display the current time using a timestamp in labview. This can be written in your application using. How To Make A Clock Labview.
From forums.ni.com
Analog Clock using LabVIEW NI Community National Instruments How To Make A Clock Labview How to make digital clock labview2. You can display the current time using a timestamp in labview. This application displays the real world current time as a digital display as you would see on an old digital alarm clock. The example demonstrate analog clock using picture functions and queued state machine (qsm) architectures. The hour hand and minute. How to. How To Make A Clock Labview.
From knowledge.ni.com
What are the Clock Sources for the LabVIEW FPGA Timing VIs? NI How To Make A Clock Labview The attached vi shows how to convert the current time into array elements in order to populate the individual second/minutes/hours arrays. You can display the current time using a timestamp in labview. How to create analog clock in labview4. It begins with an introduction to the labview. The hour hand and minute. I realize you're new to labview but please. How To Make A Clock Labview.
From microcontrollerslab.com
Using charts and graphs in labview with example tutorial 6 How To Make A Clock Labview This can be written in your application using the get date/time in seconds vi. This application displays the real world current time as a digital display as you would see on an old digital alarm clock. I realize you're new to labview but please do even just a little research before falling back on a forum to get answers. The. How To Make A Clock Labview.
From forums.ni.com
Digital Clock in LabVIEW 2009 SP1 NI Community How To Make A Clock Labview It begins with an introduction to the labview. The example demonstrate analog clock using picture functions and queued state machine (qsm) architectures. The video provides a comprehensive tutorial on creating a digital clock using labview 2020. How to make digital clock labview2. This can be written in your application using the get date/time in seconds vi. I realize you're new. How To Make A Clock Labview.
From lavag.org
The first digital clock done in LabVIEW Code InDevelopment LAVA How To Make A Clock Labview How to create analog clock in labview4. You can display the current time using a timestamp in labview. How to make digital clock labview2. The example demonstrate analog clock using picture functions and queued state machine (qsm) architectures. The hour hand and minute. This can be written in your application using the get date/time in seconds vi. It begins with. How To Make A Clock Labview.
From www.youtube.com
how to create a timer in labview YouTube How To Make A Clock Labview How to create analog clock in labview4. This application displays the real world current time as a digital display as you would see on an old digital alarm clock. The attached vi shows how to convert the current time into array elements in order to populate the individual second/minutes/hours arrays. You can display the current time using a timestamp in. How To Make A Clock Labview.
From moteblaster.weebly.com
serial communication with labview tutorial loops clock moteblaster How To Make A Clock Labview I realize you're new to labview but please do even just a little research before falling back on a forum to get answers. It begins with an introduction to the labview. This application displays the real world current time as a digital display as you would see on an old digital alarm clock. This can be written in your application. How To Make A Clock Labview.
From www.youtube.com
LabVIEW code Synchronize the system clock to a NIST time source (expected results) YouTube How To Make A Clock Labview How to create analog clock in labview4. The example demonstrate analog clock using picture functions and queued state machine (qsm) architectures. The video provides a comprehensive tutorial on creating a digital clock using labview 2020. This can be written in your application using the get date/time in seconds vi. You can display the current time using a timestamp in labview.. How To Make A Clock Labview.
From www.youtube.com
LabVIEW Tutorial 26 How to create Analog Clock in LabVIEW Part1 LabVIEW Programming YouTube How To Make A Clock Labview It begins with an introduction to the labview. This can be written in your application using the get date/time in seconds vi. The attached vi shows how to convert the current time into array elements in order to populate the individual second/minutes/hours arrays. How to create analog clock in labview4. You can display the current time using a timestamp in. How To Make A Clock Labview.
From forums.ni.com
Analog and digital clock in LabVIEW..... NI Community National Instruments How To Make A Clock Labview The hour hand and minute. This application displays the real world current time as a digital display as you would see on an old digital alarm clock. How to make digital clock labview2. I realize you're new to labview but please do even just a little research before falling back on a forum to get answers. The example demonstrate analog. How To Make A Clock Labview.
From forums.ni.com
Displaying Digital Clock using LabVIEW NI Community How To Make A Clock Labview The video provides a comprehensive tutorial on creating a digital clock using labview 2020. It begins with an introduction to the labview. The attached vi shows how to convert the current time into array elements in order to populate the individual second/minutes/hours arrays. This application displays the real world current time as a digital display as you would see on. How To Make A Clock Labview.
From www.youtube.com
Make a Digital Clock using LabVIEW YouTube How To Make A Clock Labview How to make digital clock labview2. This can be written in your application using the get date/time in seconds vi. The example demonstrate analog clock using picture functions and queued state machine (qsm) architectures. It begins with an introduction to the labview. This application displays the real world current time as a digital display as you would see on an. How To Make A Clock Labview.
From forums.ni.com
Digital Clock in LabVIEW 2009 SP1 NI Community How To Make A Clock Labview How to make digital clock labview2. The hour hand and minute. How to create analog clock in labview4. The example demonstrate analog clock using picture functions and queued state machine (qsm) architectures. You can display the current time using a timestamp in labview. I realize you're new to labview but please do even just a little research before falling back. How To Make A Clock Labview.
From forums.ni.com
Analog Clock using LabVIEW NI Community National Instruments How To Make A Clock Labview I realize you're new to labview but please do even just a little research before falling back on a forum to get answers. The attached vi shows how to convert the current time into array elements in order to populate the individual second/minutes/hours arrays. This application displays the real world current time as a digital display as you would see. How To Make A Clock Labview.
From www.youtube.com
VI High 65 How to Change Timing on a LabVIEW Waveform Graph YouTube How To Make A Clock Labview I realize you're new to labview but please do even just a little research before falling back on a forum to get answers. The attached vi shows how to convert the current time into array elements in order to populate the individual second/minutes/hours arrays. How to create analog clock in labview4. This application displays the real world current time as. How To Make A Clock Labview.
From www.youtube.com
Reloj en NI Labview YouTube How To Make A Clock Labview The video provides a comprehensive tutorial on creating a digital clock using labview 2020. You can display the current time using a timestamp in labview. The example demonstrate analog clock using picture functions and queued state machine (qsm) architectures. This can be written in your application using the get date/time in seconds vi. How to create analog clock in labview4.. How To Make A Clock Labview.
From www.youtube.com
LabVIEW code Derived clock domains (walkthrough) YouTube How To Make A Clock Labview The video provides a comprehensive tutorial on creating a digital clock using labview 2020. The attached vi shows how to convert the current time into array elements in order to populate the individual second/minutes/hours arrays. This application displays the real world current time as a digital display as you would see on an old digital alarm clock. How to create. How To Make A Clock Labview.
From wa6htp.com
LABVIEW How To Make A Clock Labview The attached vi shows how to convert the current time into array elements in order to populate the individual second/minutes/hours arrays. You can display the current time using a timestamp in labview. The example demonstrate analog clock using picture functions and queued state machine (qsm) architectures. The hour hand and minute. It begins with an introduction to the labview. This. How To Make A Clock Labview.
From forums.ni.com
System Current Time Clock Using LabVIEW NI Community How To Make A Clock Labview The attached vi shows how to convert the current time into array elements in order to populate the individual second/minutes/hours arrays. How to make digital clock labview2. This application displays the real world current time as a digital display as you would see on an old digital alarm clock. This can be written in your application using the get date/time. How To Make A Clock Labview.
From www.youtube.com
NI LabVIEW Execute event structure one time on run YouTube How To Make A Clock Labview The attached vi shows how to convert the current time into array elements in order to populate the individual second/minutes/hours arrays. This can be written in your application using the get date/time in seconds vi. The hour hand and minute. The video provides a comprehensive tutorial on creating a digital clock using labview 2020. You can display the current time. How To Make A Clock Labview.
From forums.ni.com
Synchronized Two Counter Input Tasks with Sample Clock Sharing Using LabVIEW with DAQmx NI How To Make A Clock Labview The hour hand and minute. How to make digital clock labview2. This application displays the real world current time as a digital display as you would see on an old digital alarm clock. This can be written in your application using the get date/time in seconds vi. You can display the current time using a timestamp in labview. The video. How To Make A Clock Labview.
From www.youtube.com
LabVIEW Tutorial 27 Analog Clock in LabVIEW Part2 LabVIEW Programming YouTube How To Make A Clock Labview This application displays the real world current time as a digital display as you would see on an old digital alarm clock. The attached vi shows how to convert the current time into array elements in order to populate the individual second/minutes/hours arrays. This can be written in your application using the get date/time in seconds vi. You can display. How To Make A Clock Labview.
From forums.ni.com
Binary Clock The Ultimate Digital Watch Using LabVIEW NI Community How To Make A Clock Labview How to create analog clock in labview4. The example demonstrate analog clock using picture functions and queued state machine (qsm) architectures. How to make digital clock labview2. It begins with an introduction to the labview. I realize you're new to labview but please do even just a little research before falling back on a forum to get answers. This can. How To Make A Clock Labview.
From forums.ni.com
Digital Clock in LabVIEW 2009 SP1 NI Community How To Make A Clock Labview How to make digital clock labview2. The hour hand and minute. The example demonstrate analog clock using picture functions and queued state machine (qsm) architectures. This application displays the real world current time as a digital display as you would see on an old digital alarm clock. It begins with an introduction to the labview. You can display the current. How To Make A Clock Labview.
From www.youtube.com
LabVIEW Alarm Clock YouTube How To Make A Clock Labview The example demonstrate analog clock using picture functions and queued state machine (qsm) architectures. You can display the current time using a timestamp in labview. It begins with an introduction to the labview. How to create analog clock in labview4. The attached vi shows how to convert the current time into array elements in order to populate the individual second/minutes/hours. How To Make A Clock Labview.
From www.youtube.com
Make a Timer Program in LabVIEW YouTube How To Make A Clock Labview The video provides a comprehensive tutorial on creating a digital clock using labview 2020. How to create analog clock in labview4. It begins with an introduction to the labview. The hour hand and minute. The attached vi shows how to convert the current time into array elements in order to populate the individual second/minutes/hours arrays. This application displays the real. How To Make A Clock Labview.
From edupez.com
LABVIEW Tip 37 Simple RunTime Menu Edupez Tips How To Make A Clock Labview How to create analog clock in labview4. The attached vi shows how to convert the current time into array elements in order to populate the individual second/minutes/hours arrays. It begins with an introduction to the labview. I realize you're new to labview but please do even just a little research before falling back on a forum to get answers. This. How To Make A Clock Labview.
From www.youtube.com
005 LabVIEW цикл While и Timing YouTube How To Make A Clock Labview The video provides a comprehensive tutorial on creating a digital clock using labview 2020. The attached vi shows how to convert the current time into array elements in order to populate the individual second/minutes/hours arrays. The example demonstrate analog clock using picture functions and queued state machine (qsm) architectures. This can be written in your application using the get date/time. How To Make A Clock Labview.
From e2e.ti.com
CDCM7005 SPI Software with Labview 8.0 Runtime Engine Clock & timing forum Clock & timing How To Make A Clock Labview The video provides a comprehensive tutorial on creating a digital clock using labview 2020. You can display the current time using a timestamp in labview. The example demonstrate analog clock using picture functions and queued state machine (qsm) architectures. How to create analog clock in labview4. The attached vi shows how to convert the current time into array elements in. How To Make A Clock Labview.
From forums.ni.com
Time Stamp DAQmx Sample Clock with NISync Using LabVIEW NI Community National Instruments How To Make A Clock Labview The example demonstrate analog clock using picture functions and queued state machine (qsm) architectures. It begins with an introduction to the labview. This can be written in your application using the get date/time in seconds vi. The attached vi shows how to convert the current time into array elements in order to populate the individual second/minutes/hours arrays. How to make. How To Make A Clock Labview.
From www.youtube.com
mini project alarm clock on labview YouTube How To Make A Clock Labview I realize you're new to labview but please do even just a little research before falling back on a forum to get answers. The video provides a comprehensive tutorial on creating a digital clock using labview 2020. This application displays the real world current time as a digital display as you would see on an old digital alarm clock. The. How To Make A Clock Labview.