Delphi Injection Pump Fuel Shut Off . My jcb 215tlb has the above referenced motor and fuel injection pump in it. Uses more power to open than to hold. Turn on the ignition key, and verify the fuel pump is operating. Clean the fuel injection pump, lines and area around the pump with cleaning solvent or a steam cleaner. Can prove that electric fuel shut off solenoid is working. Never steam clean or pour cold. It looks like the fuel cutoff. The solenoid may engage/disengage the. I don't see any indication of a shut off lever on this pump and there isn't a shut off rod at operator's station. If the electrical system is not activated, check the ignition switch, engine kill switch, and clutch safety switch. If i unscrew it (#3) on diagram and turn key on it retracts the plunger. The engine runs fine, but will not shutdown when i turn. It may be a thermistor in the solenoid opening circuit.
from www.sbmar.com
The engine runs fine, but will not shutdown when i turn. The solenoid may engage/disengage the. It may be a thermistor in the solenoid opening circuit. I don't see any indication of a shut off lever on this pump and there isn't a shut off rod at operator's station. Clean the fuel injection pump, lines and area around the pump with cleaning solvent or a steam cleaner. Uses more power to open than to hold. Turn on the ignition key, and verify the fuel pump is operating. Never steam clean or pour cold. If the electrical system is not activated, check the ignition switch, engine kill switch, and clutch safety switch. My jcb 215tlb has the above referenced motor and fuel injection pump in it.
Cummins Marine 6BTA 5.9 250HP CAV/Delphi Injection Pump (3916669, CPL
Delphi Injection Pump Fuel Shut Off It looks like the fuel cutoff. I don't see any indication of a shut off lever on this pump and there isn't a shut off rod at operator's station. The solenoid may engage/disengage the. If i unscrew it (#3) on diagram and turn key on it retracts the plunger. My jcb 215tlb has the above referenced motor and fuel injection pump in it. Turn on the ignition key, and verify the fuel pump is operating. Uses more power to open than to hold. Never steam clean or pour cold. If the electrical system is not activated, check the ignition switch, engine kill switch, and clutch safety switch. Can prove that electric fuel shut off solenoid is working. The engine runs fine, but will not shutdown when i turn. Clean the fuel injection pump, lines and area around the pump with cleaning solvent or a steam cleaner. It may be a thermistor in the solenoid opening circuit. It looks like the fuel cutoff.
From www.summitracing.com
Delphi HM1009411B1 Delphi Fuel Injection Pumps Summit Racing Delphi Injection Pump Fuel Shut Off Can prove that electric fuel shut off solenoid is working. Uses more power to open than to hold. It may be a thermistor in the solenoid opening circuit. The engine runs fine, but will not shutdown when i turn. I don't see any indication of a shut off lever on this pump and there isn't a shut off rod at. Delphi Injection Pump Fuel Shut Off.
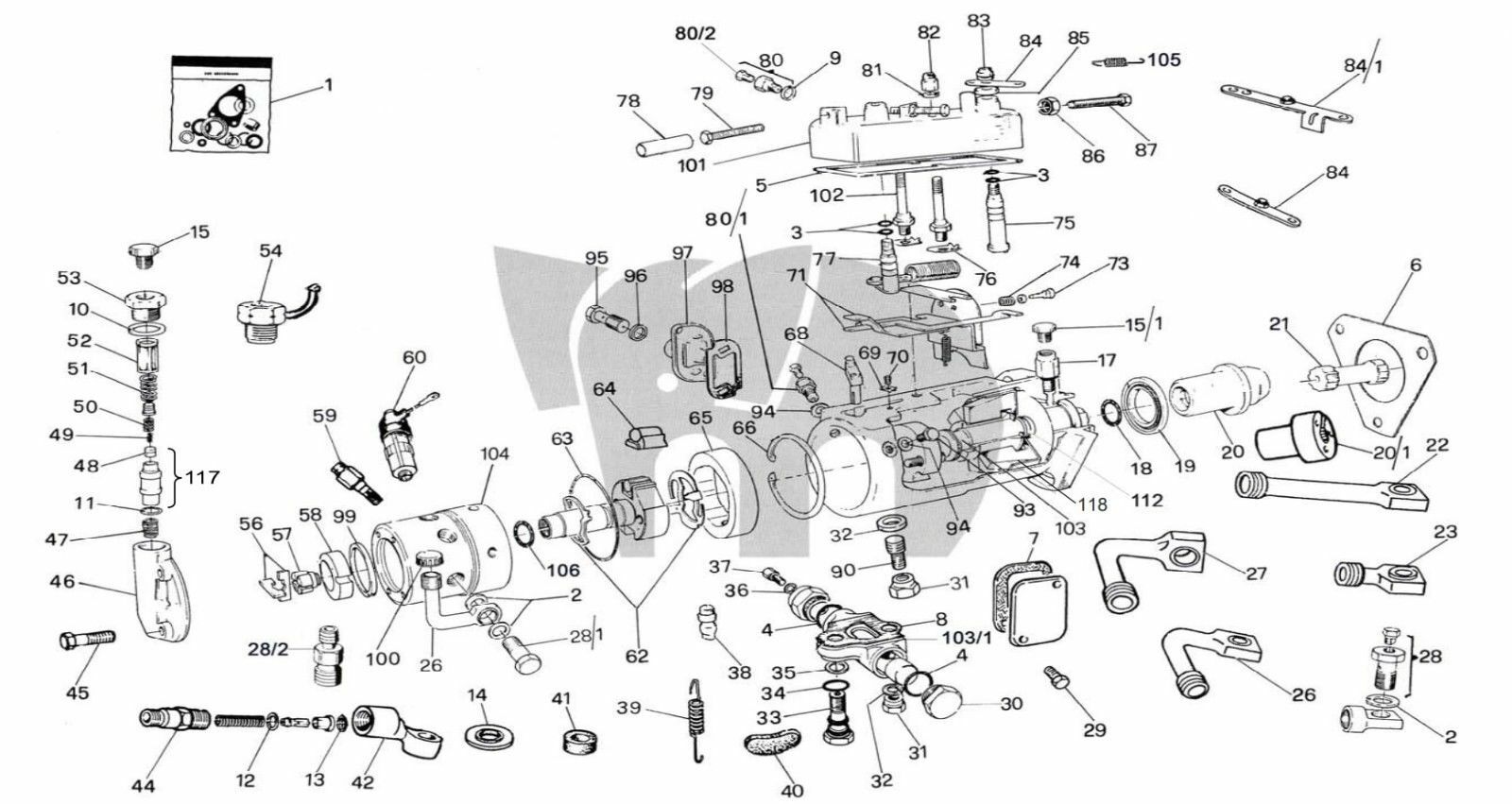
From www.planttalk.co.uk
Perkins 1104C44T with Delphi DP210 Injection Pump Delphi Injection Pump Fuel Shut Off It may be a thermistor in the solenoid opening circuit. It looks like the fuel cutoff. The engine runs fine, but will not shutdown when i turn. Never steam clean or pour cold. If i unscrew it (#3) on diagram and turn key on it retracts the plunger. My jcb 215tlb has the above referenced motor and fuel injection pump. Delphi Injection Pump Fuel Shut Off.
From www.solostocks.com.mx
mechanical governors Flyweight fits for delphi injection pump fuel shut off Delphi Injection Pump Fuel Shut Off If i unscrew it (#3) on diagram and turn key on it retracts the plunger. The solenoid may engage/disengage the. It may be a thermistor in the solenoid opening circuit. It looks like the fuel cutoff. I don't see any indication of a shut off lever on this pump and there isn't a shut off rod at operator's station. Clean. Delphi Injection Pump Fuel Shut Off.
From injectionpumps.co.uk
Lucas Delphi stop solenoid 24v twin terminals Diesel Injection Pumps Delphi Injection Pump Fuel Shut Off If the electrical system is not activated, check the ignition switch, engine kill switch, and clutch safety switch. The engine runs fine, but will not shutdown when i turn. Can prove that electric fuel shut off solenoid is working. I don't see any indication of a shut off lever on this pump and there isn't a shut off rod at. Delphi Injection Pump Fuel Shut Off.
From www.for-sale.co.uk
Delphi Fuel Injection Pump for sale in UK 58 used Delphi Fuel Delphi Injection Pump Fuel Shut Off Uses more power to open than to hold. My jcb 215tlb has the above referenced motor and fuel injection pump in it. I don't see any indication of a shut off lever on this pump and there isn't a shut off rod at operator's station. Can prove that electric fuel shut off solenoid is working. Never steam clean or pour. Delphi Injection Pump Fuel Shut Off.
From www.carid.com
Delphi® EX836008 Fuel Injection Pump Delphi Injection Pump Fuel Shut Off If i unscrew it (#3) on diagram and turn key on it retracts the plunger. My jcb 215tlb has the above referenced motor and fuel injection pump in it. Turn on the ignition key, and verify the fuel pump is operating. Uses more power to open than to hold. If the electrical system is not activated, check the ignition switch,. Delphi Injection Pump Fuel Shut Off.
From loeqemrie.blob.core.windows.net
Injector Diesel Pump Parts at Noreen Jamieson blog Delphi Injection Pump Fuel Shut Off The solenoid may engage/disengage the. Uses more power to open than to hold. It looks like the fuel cutoff. Turn on the ignition key, and verify the fuel pump is operating. Can prove that electric fuel shut off solenoid is working. My jcb 215tlb has the above referenced motor and fuel injection pump in it. If i unscrew it (#3). Delphi Injection Pump Fuel Shut Off.
From www.shilindiesel.com
Delphi Lucas CAV fuel pump shut off solenoid valve 7185900G/7189400G Delphi Injection Pump Fuel Shut Off If i unscrew it (#3) on diagram and turn key on it retracts the plunger. If the electrical system is not activated, check the ignition switch, engine kill switch, and clutch safety switch. It may be a thermistor in the solenoid opening circuit. Turn on the ignition key, and verify the fuel pump is operating. My jcb 215tlb has the. Delphi Injection Pump Fuel Shut Off.
From injectionpumps.co.uk
Lucas DPC hydraulic head 9100217J Genuine Delphi Diesel Injection Pumps Delphi Injection Pump Fuel Shut Off Can prove that electric fuel shut off solenoid is working. Uses more power to open than to hold. If i unscrew it (#3) on diagram and turn key on it retracts the plunger. If the electrical system is not activated, check the ignition switch, engine kill switch, and clutch safety switch. Never steam clean or pour cold. Turn on the. Delphi Injection Pump Fuel Shut Off.
From arbtalk.co.uk
Delphi injection pump leaking Maintenance help Arbtalk The Social Delphi Injection Pump Fuel Shut Off My jcb 215tlb has the above referenced motor and fuel injection pump in it. Never steam clean or pour cold. It may be a thermistor in the solenoid opening circuit. It looks like the fuel cutoff. The engine runs fine, but will not shutdown when i turn. If the electrical system is not activated, check the ignition switch, engine kill. Delphi Injection Pump Fuel Shut Off.
From www.ebay.at
Cav Einspritzpumpe Dichtsatz Lucas Delphi Rotodiesel Traktor Delphi Injection Pump Fuel Shut Off If i unscrew it (#3) on diagram and turn key on it retracts the plunger. Can prove that electric fuel shut off solenoid is working. Clean the fuel injection pump, lines and area around the pump with cleaning solvent or a steam cleaner. If the electrical system is not activated, check the ignition switch, engine kill switch, and clutch safety. Delphi Injection Pump Fuel Shut Off.
From joiacvwhh.blob.core.windows.net
Lucas Cav Fuel Injection Pump Diagram at Leo Heim blog Delphi Injection Pump Fuel Shut Off If i unscrew it (#3) on diagram and turn key on it retracts the plunger. My jcb 215tlb has the above referenced motor and fuel injection pump in it. It may be a thermistor in the solenoid opening circuit. Can prove that electric fuel shut off solenoid is working. The engine runs fine, but will not shutdown when i turn.. Delphi Injection Pump Fuel Shut Off.
From www.carid.com
Delphi® HM10075 Direct Injection High Pressure Fuel Pump Delphi Injection Pump Fuel Shut Off Turn on the ignition key, and verify the fuel pump is operating. Uses more power to open than to hold. It may be a thermistor in the solenoid opening circuit. I don't see any indication of a shut off lever on this pump and there isn't a shut off rod at operator's station. Clean the fuel injection pump, lines and. Delphi Injection Pump Fuel Shut Off.
From circuitdataactivities.z21.web.core.windows.net
Cav Injector Pump Schematic Manual Delphi Injection Pump Fuel Shut Off Turn on the ignition key, and verify the fuel pump is operating. Never steam clean or pour cold. It may be a thermistor in the solenoid opening circuit. It looks like the fuel cutoff. Uses more power to open than to hold. The solenoid may engage/disengage the. The engine runs fine, but will not shutdown when i turn. If i. Delphi Injection Pump Fuel Shut Off.
From www.walmart.com
Delphi 12V Fuel Pump Solenoid 7185900G 7185900G Delphi Injection Pump Fuel Shut Off I don't see any indication of a shut off lever on this pump and there isn't a shut off rod at operator's station. The solenoid may engage/disengage the. My jcb 215tlb has the above referenced motor and fuel injection pump in it. The engine runs fine, but will not shutdown when i turn. If i unscrew it (#3) on diagram. Delphi Injection Pump Fuel Shut Off.
From www.tadiesels.com
Perkins CAV Fuel Injector Pumps Perkins Delphi Fuel Pumps Perkins Delphi Injection Pump Fuel Shut Off The solenoid may engage/disengage the. The engine runs fine, but will not shutdown when i turn. Never steam clean or pour cold. It looks like the fuel cutoff. If i unscrew it (#3) on diagram and turn key on it retracts the plunger. Turn on the ignition key, and verify the fuel pump is operating. Can prove that electric fuel. Delphi Injection Pump Fuel Shut Off.
From www.youtube.com
Installing Ford 555D Fuel Injection Pump YouTube Delphi Injection Pump Fuel Shut Off The engine runs fine, but will not shutdown when i turn. It may be a thermistor in the solenoid opening circuit. I don't see any indication of a shut off lever on this pump and there isn't a shut off rod at operator's station. If i unscrew it (#3) on diagram and turn key on it retracts the plunger. Never. Delphi Injection Pump Fuel Shut Off.
From www.summitracing.com
CHEVROLET Delphi EX83601211B1 Delphi Fuel Injection Pumps Summit Racing Delphi Injection Pump Fuel Shut Off Clean the fuel injection pump, lines and area around the pump with cleaning solvent or a steam cleaner. The solenoid may engage/disengage the. It may be a thermistor in the solenoid opening circuit. If the electrical system is not activated, check the ignition switch, engine kill switch, and clutch safety switch. Turn on the ignition key, and verify the fuel. Delphi Injection Pump Fuel Shut Off.
From www.carid.com
Delphi® Fuel Injection Pump Delphi Injection Pump Fuel Shut Off Can prove that electric fuel shut off solenoid is working. Never steam clean or pour cold. The engine runs fine, but will not shutdown when i turn. My jcb 215tlb has the above referenced motor and fuel injection pump in it. If i unscrew it (#3) on diagram and turn key on it retracts the plunger. The solenoid may engage/disengage. Delphi Injection Pump Fuel Shut Off.
From rangechange.ca
caffè Tectonic continuate così pompa cav perkins pizzico consegna a Delphi Injection Pump Fuel Shut Off I don't see any indication of a shut off lever on this pump and there isn't a shut off rod at operator's station. Clean the fuel injection pump, lines and area around the pump with cleaning solvent or a steam cleaner. The engine runs fine, but will not shutdown when i turn. Can prove that electric fuel shut off solenoid. Delphi Injection Pump Fuel Shut Off.
From www.merlindiesel.com
Delphi/Perkins DP310 Diesel Fuel Injection Pump 9521A030H Merlin Diesel Delphi Injection Pump Fuel Shut Off Never steam clean or pour cold. My jcb 215tlb has the above referenced motor and fuel injection pump in it. If i unscrew it (#3) on diagram and turn key on it retracts the plunger. It may be a thermistor in the solenoid opening circuit. If the electrical system is not activated, check the ignition switch, engine kill switch, and. Delphi Injection Pump Fuel Shut Off.
From www.merlindiesel.com
Delphi/Cummins DPS Diesel Fuel Injection Pump 8521A900A Exchange Delphi Injection Pump Fuel Shut Off The solenoid may engage/disengage the. If i unscrew it (#3) on diagram and turn key on it retracts the plunger. The engine runs fine, but will not shutdown when i turn. Uses more power to open than to hold. Can prove that electric fuel shut off solenoid is working. Turn on the ignition key, and verify the fuel pump is. Delphi Injection Pump Fuel Shut Off.
From www.jyhydiesel.com
Caterpillar Perkins Delphi Diesel Fuel Injection Pump 9521A030H Delphi Injection Pump Fuel Shut Off Turn on the ignition key, and verify the fuel pump is operating. The solenoid may engage/disengage the. If the electrical system is not activated, check the ignition switch, engine kill switch, and clutch safety switch. If i unscrew it (#3) on diagram and turn key on it retracts the plunger. The engine runs fine, but will not shutdown when i. Delphi Injection Pump Fuel Shut Off.
From injectionpumps.co.uk
Lucas/Delphi DES DP200 fuel injection pump diaphragm Diesel Injection Delphi Injection Pump Fuel Shut Off Uses more power to open than to hold. It may be a thermistor in the solenoid opening circuit. If i unscrew it (#3) on diagram and turn key on it retracts the plunger. Never steam clean or pour cold. If the electrical system is not activated, check the ignition switch, engine kill switch, and clutch safety switch. Clean the fuel. Delphi Injection Pump Fuel Shut Off.
From www.sbmar.com
Cummins Marine 6BTA 5.9 250HP CAV/Delphi Injection Pump (3916669, CPL Delphi Injection Pump Fuel Shut Off The engine runs fine, but will not shutdown when i turn. My jcb 215tlb has the above referenced motor and fuel injection pump in it. Uses more power to open than to hold. If the electrical system is not activated, check the ignition switch, engine kill switch, and clutch safety switch. Clean the fuel injection pump, lines and area around. Delphi Injection Pump Fuel Shut Off.
From guidelibfascicules.z21.web.core.windows.net
Diesel Fuel Injection Pump Diagrams Delphi Injection Pump Fuel Shut Off The engine runs fine, but will not shutdown when i turn. My jcb 215tlb has the above referenced motor and fuel injection pump in it. Can prove that electric fuel shut off solenoid is working. If the electrical system is not activated, check the ignition switch, engine kill switch, and clutch safety switch. Uses more power to open than to. Delphi Injection Pump Fuel Shut Off.
From cexpcbju.blob.core.windows.net
Where Is Fuel Pump Shut Off Switch at James Eddings blog Delphi Injection Pump Fuel Shut Off If i unscrew it (#3) on diagram and turn key on it retracts the plunger. If the electrical system is not activated, check the ignition switch, engine kill switch, and clutch safety switch. Never steam clean or pour cold. Can prove that electric fuel shut off solenoid is working. My jcb 215tlb has the above referenced motor and fuel injection. Delphi Injection Pump Fuel Shut Off.
From www.summitracing.com
Delphi HM10033 Delphi Fuel Injection Pumps Summit Racing Delphi Injection Pump Fuel Shut Off Turn on the ignition key, and verify the fuel pump is operating. I don't see any indication of a shut off lever on this pump and there isn't a shut off rod at operator's station. Can prove that electric fuel shut off solenoid is working. It looks like the fuel cutoff. Never steam clean or pour cold. Clean the fuel. Delphi Injection Pump Fuel Shut Off.
From dieselpartsdirect.co.uk
Diesel Parts Direct DELPHI DIESEL FUEL INJECTION PUMP 8923A080G NEW Delphi Injection Pump Fuel Shut Off It may be a thermistor in the solenoid opening circuit. The solenoid may engage/disengage the. My jcb 215tlb has the above referenced motor and fuel injection pump in it. The engine runs fine, but will not shutdown when i turn. Clean the fuel injection pump, lines and area around the pump with cleaning solvent or a steam cleaner. If the. Delphi Injection Pump Fuel Shut Off.
From www.carid.com
Delphi® Ford F250 7.3L With High Altitude Emissions 1992 Fuel Delphi Injection Pump Fuel Shut Off My jcb 215tlb has the above referenced motor and fuel injection pump in it. I don't see any indication of a shut off lever on this pump and there isn't a shut off rod at operator's station. Clean the fuel injection pump, lines and area around the pump with cleaning solvent or a steam cleaner. It may be a thermistor. Delphi Injection Pump Fuel Shut Off.
From www.common-railnozzle.com
DELPHI Perkins Diesel Fuel Injection Pump 9521A310T / 41543132 Delphi Injection Pump Fuel Shut Off I don't see any indication of a shut off lever on this pump and there isn't a shut off rod at operator's station. The solenoid may engage/disengage the. Never steam clean or pour cold. It may be a thermistor in the solenoid opening circuit. Clean the fuel injection pump, lines and area around the pump with cleaning solvent or a. Delphi Injection Pump Fuel Shut Off.
From www.carid.com
Delphi® EX836000 Fuel Injection Pump Delphi Injection Pump Fuel Shut Off Clean the fuel injection pump, lines and area around the pump with cleaning solvent or a steam cleaner. Never steam clean or pour cold. It looks like the fuel cutoff. Uses more power to open than to hold. My jcb 215tlb has the above referenced motor and fuel injection pump in it. If the electrical system is not activated, check. Delphi Injection Pump Fuel Shut Off.
From injectionpumps.co.uk
Complete overhaul kit for Lucas Delphi DPC fuel pumps without turbo Delphi Injection Pump Fuel Shut Off The solenoid may engage/disengage the. I don't see any indication of a shut off lever on this pump and there isn't a shut off rod at operator's station. Clean the fuel injection pump, lines and area around the pump with cleaning solvent or a steam cleaner. Turn on the ignition key, and verify the fuel pump is operating. It may. Delphi Injection Pump Fuel Shut Off.
From exyifqaft.blob.core.windows.net
Mechanical Diesel Injection Pump at Frank Bailey blog Delphi Injection Pump Fuel Shut Off I don't see any indication of a shut off lever on this pump and there isn't a shut off rod at operator's station. My jcb 215tlb has the above referenced motor and fuel injection pump in it. Clean the fuel injection pump, lines and area around the pump with cleaning solvent or a steam cleaner. If the electrical system is. Delphi Injection Pump Fuel Shut Off.
From www.summitracing.com
Delphi EX836000 Delphi Fuel Injection Pumps Summit Racing Delphi Injection Pump Fuel Shut Off If the electrical system is not activated, check the ignition switch, engine kill switch, and clutch safety switch. The solenoid may engage/disengage the. Turn on the ignition key, and verify the fuel pump is operating. It may be a thermistor in the solenoid opening circuit. If i unscrew it (#3) on diagram and turn key on it retracts the plunger.. Delphi Injection Pump Fuel Shut Off.