Ignition Immobilizer Bypass . You can do it by inserting a copy key into the ignition and feeding the immobilizer code in the instrument cluster. the nissan immobilizer is an important security feature designed to prevent unauthorized access to your vehicle. don't click here if you don't want to subscribe: Before we dive into the bypassing process, let’s first understand the basics of the nissan immobilizer system. this engine immobilizer system presents a barrier to many owners when it comes time to swap out a bad ecu, or if you’ve lost all. performing a volkswagen immobilizer bypass is quite simple if you have the proper tools and correct knowledge. However, there may be instances where you need to bypass it for various reasons.
from theautoinsiderblog.com
performing a volkswagen immobilizer bypass is quite simple if you have the proper tools and correct knowledge. the nissan immobilizer is an important security feature designed to prevent unauthorized access to your vehicle. don't click here if you don't want to subscribe: However, there may be instances where you need to bypass it for various reasons. Before we dive into the bypassing process, let’s first understand the basics of the nissan immobilizer system. You can do it by inserting a copy key into the ignition and feeding the immobilizer code in the instrument cluster. this engine immobilizer system presents a barrier to many owners when it comes time to swap out a bad ecu, or if you’ve lost all.
How To Do A Dodge Ram Immobilizer Bypass (And Potential Risks)
Ignition Immobilizer Bypass this engine immobilizer system presents a barrier to many owners when it comes time to swap out a bad ecu, or if you’ve lost all. this engine immobilizer system presents a barrier to many owners when it comes time to swap out a bad ecu, or if you’ve lost all. the nissan immobilizer is an important security feature designed to prevent unauthorized access to your vehicle. don't click here if you don't want to subscribe: Before we dive into the bypassing process, let’s first understand the basics of the nissan immobilizer system. You can do it by inserting a copy key into the ignition and feeding the immobilizer code in the instrument cluster. However, there may be instances where you need to bypass it for various reasons. performing a volkswagen immobilizer bypass is quite simple if you have the proper tools and correct knowledge.
From ranwhenparked.net
Honda Immobilizer Bypass How to Do It in 9 Steps Ran When Parked Ignition Immobilizer Bypass Before we dive into the bypassing process, let’s first understand the basics of the nissan immobilizer system. performing a volkswagen immobilizer bypass is quite simple if you have the proper tools and correct knowledge. You can do it by inserting a copy key into the ignition and feeding the immobilizer code in the instrument cluster. the nissan immobilizer. Ignition Immobilizer Bypass.
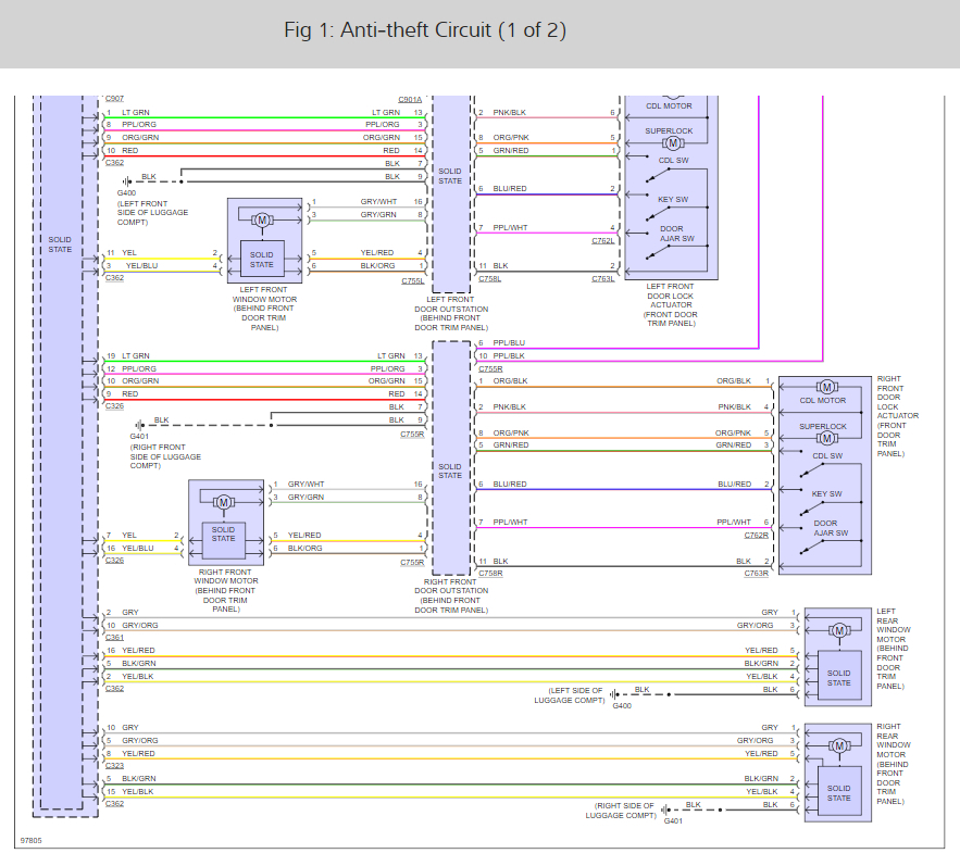
From www.2carpros.com
Immobilizer Bypass How Can I Bypass a Immobilizer on a Rover Ignition Immobilizer Bypass performing a volkswagen immobilizer bypass is quite simple if you have the proper tools and correct knowledge. the nissan immobilizer is an important security feature designed to prevent unauthorized access to your vehicle. You can do it by inserting a copy key into the ignition and feeding the immobilizer code in the instrument cluster. Before we dive into. Ignition Immobilizer Bypass.
From www.youtube.com
honda civic 20012004 pcm (reflash bypass) immobilizer bypass for new Ignition Immobilizer Bypass don't click here if you don't want to subscribe: However, there may be instances where you need to bypass it for various reasons. this engine immobilizer system presents a barrier to many owners when it comes time to swap out a bad ecu, or if you’ve lost all. performing a volkswagen immobilizer bypass is quite simple if. Ignition Immobilizer Bypass.
From ranwhenparked.net
Toyota Immobilizer Bypass The Tried and Tested Method Ran When Ignition Immobilizer Bypass However, there may be instances where you need to bypass it for various reasons. Before we dive into the bypassing process, let’s first understand the basics of the nissan immobilizer system. don't click here if you don't want to subscribe: the nissan immobilizer is an important security feature designed to prevent unauthorized access to your vehicle. performing. Ignition Immobilizer Bypass.
From sartiboutique.com
Vy commodore immobiliser bypass Ignition Immobilizer Bypass However, there may be instances where you need to bypass it for various reasons. this engine immobilizer system presents a barrier to many owners when it comes time to swap out a bad ecu, or if you’ve lost all. Before we dive into the bypassing process, let’s first understand the basics of the nissan immobilizer system. You can do. Ignition Immobilizer Bypass.
From sites.google.com
ᗔVag Immo Bypass Immo Off Remove Immobilizer Bypass Ecu Unlock Ignition Immobilizer Bypass performing a volkswagen immobilizer bypass is quite simple if you have the proper tools and correct knowledge. the nissan immobilizer is an important security feature designed to prevent unauthorized access to your vehicle. don't click here if you don't want to subscribe: Before we dive into the bypassing process, let’s first understand the basics of the nissan. Ignition Immobilizer Bypass.
From livetodai.com
Immobiliser bypass Live To Dai Ignition Immobilizer Bypass However, there may be instances where you need to bypass it for various reasons. don't click here if you don't want to subscribe: Before we dive into the bypassing process, let’s first understand the basics of the nissan immobilizer system. this engine immobilizer system presents a barrier to many owners when it comes time to swap out a. Ignition Immobilizer Bypass.
From www.youtube.com
Cara bypass immobilizer pada kendaraan YouTube Ignition Immobilizer Bypass don't click here if you don't want to subscribe: performing a volkswagen immobilizer bypass is quite simple if you have the proper tools and correct knowledge. However, there may be instances where you need to bypass it for various reasons. You can do it by inserting a copy key into the ignition and feeding the immobilizer code in. Ignition Immobilizer Bypass.
From ranwhenparked.net
Toyota Immobilizer Bypass The Tried and Tested Method Ran When Ignition Immobilizer Bypass You can do it by inserting a copy key into the ignition and feeding the immobilizer code in the instrument cluster. this engine immobilizer system presents a barrier to many owners when it comes time to swap out a bad ecu, or if you’ve lost all. the nissan immobilizer is an important security feature designed to prevent unauthorized. Ignition Immobilizer Bypass.
From www.youtube.com
Car is not starting? How to do car immobilizer. Bypass Alarm with Key Ignition Immobilizer Bypass the nissan immobilizer is an important security feature designed to prevent unauthorized access to your vehicle. Before we dive into the bypassing process, let’s first understand the basics of the nissan immobilizer system. this engine immobilizer system presents a barrier to many owners when it comes time to swap out a bad ecu, or if you’ve lost all.. Ignition Immobilizer Bypass.
From www.youtube.com
Quick Guide How To Bypass Immobilizer Step 3 Jump The Wires Guide Ignition Immobilizer Bypass Before we dive into the bypassing process, let’s first understand the basics of the nissan immobilizer system. the nissan immobilizer is an important security feature designed to prevent unauthorized access to your vehicle. However, there may be instances where you need to bypass it for various reasons. performing a volkswagen immobilizer bypass is quite simple if you have. Ignition Immobilizer Bypass.
From vehq.com
How Do You Bypass An Ignition Immobilizer? Ignition Immobilizer Bypass Before we dive into the bypassing process, let’s first understand the basics of the nissan immobilizer system. However, there may be instances where you need to bypass it for various reasons. the nissan immobilizer is an important security feature designed to prevent unauthorized access to your vehicle. You can do it by inserting a copy key into the ignition. Ignition Immobilizer Bypass.
From www.youtube.com
Immobilizer Bypass for Remote Starters Explained YouTube Ignition Immobilizer Bypass performing a volkswagen immobilizer bypass is quite simple if you have the proper tools and correct knowledge. this engine immobilizer system presents a barrier to many owners when it comes time to swap out a bad ecu, or if you’ve lost all. don't click here if you don't want to subscribe: Before we dive into the bypassing. Ignition Immobilizer Bypass.
From kirialishba.blogspot.com
31+ Bypass Immobilizer Wiring Diagram Ignition Immobilizer Bypass the nissan immobilizer is an important security feature designed to prevent unauthorized access to your vehicle. Before we dive into the bypassing process, let’s first understand the basics of the nissan immobilizer system. You can do it by inserting a copy key into the ignition and feeding the immobilizer code in the instrument cluster. this engine immobilizer system. Ignition Immobilizer Bypass.
From www.youtube.com
Toyota ECU immobilizer bypass/Toyota Fortuner ECM reset/ starting Ignition Immobilizer Bypass However, there may be instances where you need to bypass it for various reasons. this engine immobilizer system presents a barrier to many owners when it comes time to swap out a bad ecu, or if you’ve lost all. Before we dive into the bypassing process, let’s first understand the basics of the nissan immobilizer system. You can do. Ignition Immobilizer Bypass.
From moowiring.com
Bypassing Your Vehicle's Immobilizer Wiring Diagram Moo Wiring Ignition Immobilizer Bypass this engine immobilizer system presents a barrier to many owners when it comes time to swap out a bad ecu, or if you’ve lost all. the nissan immobilizer is an important security feature designed to prevent unauthorized access to your vehicle. don't click here if you don't want to subscribe: performing a volkswagen immobilizer bypass is. Ignition Immobilizer Bypass.
From www.hyundai-forums.com
How To Bypass Immobilizer Hyundai Forums Ignition Immobilizer Bypass performing a volkswagen immobilizer bypass is quite simple if you have the proper tools and correct knowledge. Before we dive into the bypassing process, let’s first understand the basics of the nissan immobilizer system. the nissan immobilizer is an important security feature designed to prevent unauthorized access to your vehicle. You can do it by inserting a copy. Ignition Immobilizer Bypass.
From vehq.com
How Do You Bypass An Ignition Immobilizer? Ignition Immobilizer Bypass performing a volkswagen immobilizer bypass is quite simple if you have the proper tools and correct knowledge. However, there may be instances where you need to bypass it for various reasons. You can do it by inserting a copy key into the ignition and feeding the immobilizer code in the instrument cluster. the nissan immobilizer is an important. Ignition Immobilizer Bypass.
From autovfix.com
How to Bypass Immobilizer Without Key and ReProgramming for new keys Ignition Immobilizer Bypass don't click here if you don't want to subscribe: However, there may be instances where you need to bypass it for various reasons. You can do it by inserting a copy key into the ignition and feeding the immobilizer code in the instrument cluster. this engine immobilizer system presents a barrier to many owners when it comes time. Ignition Immobilizer Bypass.
From www.youtube.com
Ford Endeavour Immobiliser Bypass YouTube Ignition Immobilizer Bypass don't click here if you don't want to subscribe: performing a volkswagen immobilizer bypass is quite simple if you have the proper tools and correct knowledge. the nissan immobilizer is an important security feature designed to prevent unauthorized access to your vehicle. this engine immobilizer system presents a barrier to many owners when it comes time. Ignition Immobilizer Bypass.
From mobokey.com
When and why I need to use an immobilizer bypass module MoboKey Ignition Immobilizer Bypass the nissan immobilizer is an important security feature designed to prevent unauthorized access to your vehicle. don't click here if you don't want to subscribe: this engine immobilizer system presents a barrier to many owners when it comes time to swap out a bad ecu, or if you’ve lost all. You can do it by inserting a. Ignition Immobilizer Bypass.
From diagkey.blogspot.com
How to use bypass unlock immobilizer Ignition Immobilizer Bypass don't click here if you don't want to subscribe: this engine immobilizer system presents a barrier to many owners when it comes time to swap out a bad ecu, or if you’ve lost all. Before we dive into the bypassing process, let’s first understand the basics of the nissan immobilizer system. performing a volkswagen immobilizer bypass is. Ignition Immobilizer Bypass.
From www.youtube.com
how to bypass immobilizer to install start/stop remote keyless YouTube Ignition Immobilizer Bypass the nissan immobilizer is an important security feature designed to prevent unauthorized access to your vehicle. don't click here if you don't want to subscribe: However, there may be instances where you need to bypass it for various reasons. this engine immobilizer system presents a barrier to many owners when it comes time to swap out a. Ignition Immobilizer Bypass.
From www.youtube.com
How to disable alarm and bypass immobilizer in Jeep Grand Cherokee ZJ Ignition Immobilizer Bypass However, there may be instances where you need to bypass it for various reasons. the nissan immobilizer is an important security feature designed to prevent unauthorized access to your vehicle. this engine immobilizer system presents a barrier to many owners when it comes time to swap out a bad ecu, or if you’ve lost all. performing a. Ignition Immobilizer Bypass.
From www.inf-inet.com
Immobilizer Bypass How To Disable Transponder Key System Ignition Immobilizer Bypass this engine immobilizer system presents a barrier to many owners when it comes time to swap out a bad ecu, or if you’ve lost all. Before we dive into the bypassing process, let’s first understand the basics of the nissan immobilizer system. However, there may be instances where you need to bypass it for various reasons. performing a. Ignition Immobilizer Bypass.
From www.2carpros.com
Immobilizer Bypass How Can I Bypass a Immobilizer on a Rover Ignition Immobilizer Bypass Before we dive into the bypassing process, let’s first understand the basics of the nissan immobilizer system. this engine immobilizer system presents a barrier to many owners when it comes time to swap out a bad ecu, or if you’ve lost all. However, there may be instances where you need to bypass it for various reasons. performing a. Ignition Immobilizer Bypass.
From vehq.com
How Do You Bypass An Ignition Immobilizer? Ignition Immobilizer Bypass don't click here if you don't want to subscribe: the nissan immobilizer is an important security feature designed to prevent unauthorized access to your vehicle. You can do it by inserting a copy key into the ignition and feeding the immobilizer code in the instrument cluster. performing a volkswagen immobilizer bypass is quite simple if you have. Ignition Immobilizer Bypass.
From www.youtube.com
Watch NOW! Immobilizer Bypass No Special Tools Needed Real YouTube Ignition Immobilizer Bypass However, there may be instances where you need to bypass it for various reasons. this engine immobilizer system presents a barrier to many owners when it comes time to swap out a bad ecu, or if you’ve lost all. the nissan immobilizer is an important security feature designed to prevent unauthorized access to your vehicle. You can do. Ignition Immobilizer Bypass.
From theautoinsiderblog.com
How To Do A Dodge Ram Immobilizer Bypass (And Potential Risks) Ignition Immobilizer Bypass Before we dive into the bypassing process, let’s first understand the basics of the nissan immobilizer system. don't click here if you don't want to subscribe: this engine immobilizer system presents a barrier to many owners when it comes time to swap out a bad ecu, or if you’ve lost all. performing a volkswagen immobilizer bypass is. Ignition Immobilizer Bypass.
From www.youtube.com
Alat Bypass Immobilizer YouTube Ignition Immobilizer Bypass don't click here if you don't want to subscribe: Before we dive into the bypassing process, let’s first understand the basics of the nissan immobilizer system. the nissan immobilizer is an important security feature designed to prevent unauthorized access to your vehicle. However, there may be instances where you need to bypass it for various reasons. performing. Ignition Immobilizer Bypass.
From www.lotustalk.com
Help bypassing the immobilizer! The Lotus Cars Community Ignition Immobilizer Bypass However, there may be instances where you need to bypass it for various reasons. Before we dive into the bypassing process, let’s first understand the basics of the nissan immobilizer system. don't click here if you don't want to subscribe: You can do it by inserting a copy key into the ignition and feeding the immobilizer code in the. Ignition Immobilizer Bypass.
From exyzqnuim.blob.core.windows.net
How Do You Bypass A Car Immobilizer at Theodora Carlisle blog Ignition Immobilizer Bypass this engine immobilizer system presents a barrier to many owners when it comes time to swap out a bad ecu, or if you’ve lost all. performing a volkswagen immobilizer bypass is quite simple if you have the proper tools and correct knowledge. You can do it by inserting a copy key into the ignition and feeding the immobilizer. Ignition Immobilizer Bypass.
From trucksauthority.com
How Do You Bypass an Immobilizer? (Explained) Ignition Immobilizer Bypass Before we dive into the bypassing process, let’s first understand the basics of the nissan immobilizer system. However, there may be instances where you need to bypass it for various reasons. don't click here if you don't want to subscribe: the nissan immobilizer is an important security feature designed to prevent unauthorized access to your vehicle. performing. Ignition Immobilizer Bypass.
From kirialishba.blogspot.com
31+ Bypass Immobilizer Wiring Diagram Ignition Immobilizer Bypass You can do it by inserting a copy key into the ignition and feeding the immobilizer code in the instrument cluster. Before we dive into the bypassing process, let’s first understand the basics of the nissan immobilizer system. don't click here if you don't want to subscribe: However, there may be instances where you need to bypass it for. Ignition Immobilizer Bypass.
From autovfix.com
How to Bypass Immobilizer Without Key and ReProgramming for new keys Ignition Immobilizer Bypass this engine immobilizer system presents a barrier to many owners when it comes time to swap out a bad ecu, or if you’ve lost all. However, there may be instances where you need to bypass it for various reasons. You can do it by inserting a copy key into the ignition and feeding the immobilizer code in the instrument. Ignition Immobilizer Bypass.