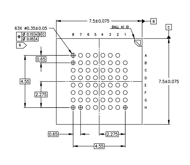
Bga Ball Diameter . Today, there are several resources where you can find footprints for your bga components. Based on pitch and ball sizes, it’s even possible to take an existing bga footprint with higher ball count than you need, and then modify this so it can be used with your desired bga component. This includes correct orientation of ball a1, matching. Table 1 shows the optimal ball pad size for any bga design. When building a bga footprint the number one consideration is ensuring the ball pattern and outline matches the device package. This application note provides an introduction to analog's bga packages, as well as pcb design and board assembly process guidelines. The product's datasheet provides ball pitch in each axis as x:710um y:580um and ball diameter as 250um but nothing about the preferred land pad diameter. Learn about land patterns, pcb. (1) nominal ball diameter can be found on the. The ball grid array (bga) package achieves these objectives by providing increased functionality for the same package size while being compatible with existing surface mount technology.
from nuwaves.com
Today, there are several resources where you can find footprints for your bga components. The ball grid array (bga) package achieves these objectives by providing increased functionality for the same package size while being compatible with existing surface mount technology. The product's datasheet provides ball pitch in each axis as x:710um y:580um and ball diameter as 250um but nothing about the preferred land pad diameter. This includes correct orientation of ball a1, matching. Table 1 shows the optimal ball pad size for any bga design. Learn about land patterns, pcb. Based on pitch and ball sizes, it’s even possible to take an existing bga footprint with higher ball count than you need, and then modify this so it can be used with your desired bga component. When building a bga footprint the number one consideration is ensuring the ball pattern and outline matches the device package. (1) nominal ball diameter can be found on the. This application note provides an introduction to analog's bga packages, as well as pcb design and board assembly process guidelines.
Ball Grid Array (BGA) Mounting NuWaves RF Solutions
Bga Ball Diameter The product's datasheet provides ball pitch in each axis as x:710um y:580um and ball diameter as 250um but nothing about the preferred land pad diameter. This includes correct orientation of ball a1, matching. Today, there are several resources where you can find footprints for your bga components. Based on pitch and ball sizes, it’s even possible to take an existing bga footprint with higher ball count than you need, and then modify this so it can be used with your desired bga component. (1) nominal ball diameter can be found on the. The ball grid array (bga) package achieves these objectives by providing increased functionality for the same package size while being compatible with existing surface mount technology. Learn about land patterns, pcb. Table 1 shows the optimal ball pad size for any bga design. The product's datasheet provides ball pitch in each axis as x:710um y:580um and ball diameter as 250um but nothing about the preferred land pad diameter. When building a bga footprint the number one consideration is ensuring the ball pattern and outline matches the device package. This application note provides an introduction to analog's bga packages, as well as pcb design and board assembly process guidelines.
From absolutepcbassembly.com
Different Types of BGA (Ball Grid Array) Packages Absolute Bga Ball Diameter Today, there are several resources where you can find footprints for your bga components. This includes correct orientation of ball a1, matching. Learn about land patterns, pcb. (1) nominal ball diameter can be found on the. The product's datasheet provides ball pitch in each axis as x:710um y:580um and ball diameter as 250um but nothing about the preferred land pad. Bga Ball Diameter.
From www.aliexpress.com
BGA solder ball 25K 0.2mm 0.25mm 0.3mm 0.35mm 0.4mm 0.45mm 0.5mm 0.55mm Bga Ball Diameter This application note provides an introduction to analog's bga packages, as well as pcb design and board assembly process guidelines. The ball grid array (bga) package achieves these objectives by providing increased functionality for the same package size while being compatible with existing surface mount technology. This includes correct orientation of ball a1, matching. Today, there are several resources where. Bga Ball Diameter.
From pcguide101.com
LGA vs. BGA Socket SMT What are the Differences? Bga Ball Diameter Based on pitch and ball sizes, it’s even possible to take an existing bga footprint with higher ball count than you need, and then modify this so it can be used with your desired bga component. Learn about land patterns, pcb. The ball grid array (bga) package achieves these objectives by providing increased functionality for the same package size while. Bga Ball Diameter.
From www.youtube.com
0.2mm diameter solder ball placement YouTube Bga Ball Diameter (1) nominal ball diameter can be found on the. Table 1 shows the optimal ball pad size for any bga design. Learn about land patterns, pcb. When building a bga footprint the number one consideration is ensuring the ball pattern and outline matches the device package. This application note provides an introduction to analog's bga packages, as well as pcb. Bga Ball Diameter.
From northridgefix.com
25,000 Leaded Solder balls for BGA Reballing Choose from 0.35mm, 0.45mm Bga Ball Diameter The ball grid array (bga) package achieves these objectives by providing increased functionality for the same package size while being compatible with existing surface mount technology. Based on pitch and ball sizes, it’s even possible to take an existing bga footprint with higher ball count than you need, and then modify this so it can be used with your desired. Bga Ball Diameter.
From www.alibaba.com
Bga Reballing Kit 250k Leaded Solder Ball + Protective Tape +90mm Bga Bga Ball Diameter This application note provides an introduction to analog's bga packages, as well as pcb design and board assembly process guidelines. Today, there are several resources where you can find footprints for your bga components. The ball grid array (bga) package achieves these objectives by providing increased functionality for the same package size while being compatible with existing surface mount technology.. Bga Ball Diameter.
From www.walmart.com
OTVIAP BGA Solder Ball Leadfree Reballing Soldering PCB Heat Universal Bga Ball Diameter Table 1 shows the optimal ball pad size for any bga design. (1) nominal ball diameter can be found on the. The product's datasheet provides ball pitch in each axis as x:710um y:580um and ball diameter as 250um but nothing about the preferred land pad diameter. This application note provides an introduction to analog's bga packages, as well as pcb. Bga Ball Diameter.
From www.multi-circuit-boards.eu
Ball Grid Array Multi Circuit Boards Bga Ball Diameter The ball grid array (bga) package achieves these objectives by providing increased functionality for the same package size while being compatible with existing surface mount technology. This includes correct orientation of ball a1, matching. The product's datasheet provides ball pitch in each axis as x:710um y:580um and ball diameter as 250um but nothing about the preferred land pad diameter. (1). Bga Ball Diameter.
From www.itmediastore.nl
Bga Solder Ball Size For Micro Welding Mobile Phone Repair Tools Bga Ball Diameter Based on pitch and ball sizes, it’s even possible to take an existing bga footprint with higher ball count than you need, and then modify this so it can be used with your desired bga component. When building a bga footprint the number one consideration is ensuring the ball pattern and outline matches the device package. Table 1 shows the. Bga Ball Diameter.
From yoshida-welding.en.made-in-china.com
BGA Ball Planting Repair Welding Sn63pb37 Lead Solder Diameter 0.76mm Bga Ball Diameter The product's datasheet provides ball pitch in each axis as x:710um y:580um and ball diameter as 250um but nothing about the preferred land pad diameter. The ball grid array (bga) package achieves these objectives by providing increased functionality for the same package size while being compatible with existing surface mount technology. Today, there are several resources where you can find. Bga Ball Diameter.
From www.youtube.com
BGA Reballing How to correctly apply flux and solder balls for a Bga Ball Diameter This includes correct orientation of ball a1, matching. The ball grid array (bga) package achieves these objectives by providing increased functionality for the same package size while being compatible with existing surface mount technology. Learn about land patterns, pcb. When building a bga footprint the number one consideration is ensuring the ball pattern and outline matches the device package. Today,. Bga Ball Diameter.
From www.researchgate.net
Effect of BGA ball geometry and chip size on fatigue life of SnPb Bga Ball Diameter Table 1 shows the optimal ball pad size for any bga design. Learn about land patterns, pcb. The ball grid array (bga) package achieves these objectives by providing increased functionality for the same package size while being compatible with existing surface mount technology. The product's datasheet provides ball pitch in each axis as x:710um y:580um and ball diameter as 250um. Bga Ball Diameter.
From artist-3d.com
Ball Grid Array (BGA) Artist 3D Bga Ball Diameter This application note provides an introduction to analog's bga packages, as well as pcb design and board assembly process guidelines. Today, there are several resources where you can find footprints for your bga components. (1) nominal ball diameter can be found on the. The ball grid array (bga) package achieves these objectives by providing increased functionality for the same package. Bga Ball Diameter.
From yoshida-welding.en.made-in-china.com
BGA Ball Planting Repair Welding Sn63pb37 Lead Solder Diameter 0.889mm Bga Ball Diameter This includes correct orientation of ball a1, matching. When building a bga footprint the number one consideration is ensuring the ball pattern and outline matches the device package. Learn about land patterns, pcb. The product's datasheet provides ball pitch in each axis as x:710um y:580um and ball diameter as 250um but nothing about the preferred land pad diameter. Table 1. Bga Ball Diameter.
From www.szbesttool.com
BST505 Bga Solder Ball Size For Micro Welding Mobile Phone Repair Bga Ball Diameter The ball grid array (bga) package achieves these objectives by providing increased functionality for the same package size while being compatible with existing surface mount technology. This includes correct orientation of ball a1, matching. The product's datasheet provides ball pitch in each axis as x:710um y:580um and ball diameter as 250um but nothing about the preferred land pad diameter. When. Bga Ball Diameter.
From www.multi-circuit-boards.eu
Ball Grid Array Multi Circuit Boards Bga Ball Diameter Based on pitch and ball sizes, it’s even possible to take an existing bga footprint with higher ball count than you need, and then modify this so it can be used with your desired bga component. Table 1 shows the optimal ball pad size for any bga design. The product's datasheet provides ball pitch in each axis as x:710um y:580um. Bga Ball Diameter.
From www.researchgate.net
Procedure for assembling a single BGA structure solder joint by Bga Ball Diameter This application note provides an introduction to analog's bga packages, as well as pcb design and board assembly process guidelines. Today, there are several resources where you can find footprints for your bga components. Learn about land patterns, pcb. Based on pitch and ball sizes, it’s even possible to take an existing bga footprint with higher ball count than you. Bga Ball Diameter.
From electronics.stackexchange.com
pcb How much larger should a bga pad be than the ball itself Bga Ball Diameter The ball grid array (bga) package achieves these objectives by providing increased functionality for the same package size while being compatible with existing surface mount technology. This application note provides an introduction to analog's bga packages, as well as pcb design and board assembly process guidelines. Learn about land patterns, pcb. The product's datasheet provides ball pitch in each axis. Bga Ball Diameter.
From www.aliexpress.com
Leaded BGA Reballing Solder Balls 25000pcs/bottle sizes 0.2, 0.3, 0.35 Bga Ball Diameter (1) nominal ball diameter can be found on the. The product's datasheet provides ball pitch in each axis as x:710um y:580um and ball diameter as 250um but nothing about the preferred land pad diameter. Based on pitch and ball sizes, it’s even possible to take an existing bga footprint with higher ball count than you need, and then modify this. Bga Ball Diameter.
From yoshida-welding.en.made-in-china.com
BGA Ball Planting Repair Welding Sn63pb37 Lead Solder Ball Diameter 0 Bga Ball Diameter Table 1 shows the optimal ball pad size for any bga design. This includes correct orientation of ball a1, matching. The product's datasheet provides ball pitch in each axis as x:710um y:580um and ball diameter as 250um but nothing about the preferred land pad diameter. Today, there are several resources where you can find footprints for your bga components. Based. Bga Ball Diameter.
From electrical-information.com
What is Ball Grid Array (BGA)? Electrical Information Bga Ball Diameter Table 1 shows the optimal ball pad size for any bga design. Learn about land patterns, pcb. When building a bga footprint the number one consideration is ensuring the ball pattern and outline matches the device package. The ball grid array (bga) package achieves these objectives by providing increased functionality for the same package size while being compatible with existing. Bga Ball Diameter.
From yoshida-welding.en.made-in-china.com
BGA High Temperature Lead Tin Ball Sn5pb95 Ball Diameter 0.40mm China Bga Ball Diameter The ball grid array (bga) package achieves these objectives by providing increased functionality for the same package size while being compatible with existing surface mount technology. This includes correct orientation of ball a1, matching. (1) nominal ball diameter can be found on the. Table 1 shows the optimal ball pad size for any bga design. The product's datasheet provides ball. Bga Ball Diameter.
From yoshida-welding.en.made-in-china.com
BGA Ball Planting Repair Welding Sn63pb37 Diameter 0.55mm Tin Particles Bga Ball Diameter This application note provides an introduction to analog's bga packages, as well as pcb design and board assembly process guidelines. When building a bga footprint the number one consideration is ensuring the ball pattern and outline matches the device package. Table 1 shows the optimal ball pad size for any bga design. Based on pitch and ball sizes, it’s even. Bga Ball Diameter.
From www.pacificxray.com
BGA XRay Inspection XRay Inspection Systems Bga Ball Diameter Learn about land patterns, pcb. (1) nominal ball diameter can be found on the. This includes correct orientation of ball a1, matching. The ball grid array (bga) package achieves these objectives by providing increased functionality for the same package size while being compatible with existing surface mount technology. When building a bga footprint the number one consideration is ensuring the. Bga Ball Diameter.
From yoshida-welding.en.made-in-china.com
High Lead Sn5pb95 Solder Ball BGA Solid Ball Diameter Tolerance Ball 0 Bga Ball Diameter Learn about land patterns, pcb. Table 1 shows the optimal ball pad size for any bga design. This includes correct orientation of ball a1, matching. This application note provides an introduction to analog's bga packages, as well as pcb design and board assembly process guidelines. The ball grid array (bga) package achieves these objectives by providing increased functionality for the. Bga Ball Diameter.
From yoshida-welding.en.made-in-china.com
BGA HighTemperature Soldering Tin Ball Sn10pb90 Ball Diameter 0.45mm Bga Ball Diameter When building a bga footprint the number one consideration is ensuring the ball pattern and outline matches the device package. This application note provides an introduction to analog's bga packages, as well as pcb design and board assembly process guidelines. Based on pitch and ball sizes, it’s even possible to take an existing bga footprint with higher ball count than. Bga Ball Diameter.
From www.semanticscholar.org
Figure 10 from MECHANICAL SHOCK AND DROP RELIABILITY EVALUATION OF THE Bga Ball Diameter Today, there are several resources where you can find footprints for your bga components. This includes correct orientation of ball a1, matching. The product's datasheet provides ball pitch in each axis as x:710um y:580um and ball diameter as 250um but nothing about the preferred land pad diameter. (1) nominal ball diameter can be found on the. The ball grid array. Bga Ball Diameter.
From www.youtube.com
Electronics How to determine BGA land pad diameter for given ball Bga Ball Diameter (1) nominal ball diameter can be found on the. Today, there are several resources where you can find footprints for your bga components. This includes correct orientation of ball a1, matching. Table 1 shows the optimal ball pad size for any bga design. This application note provides an introduction to analog's bga packages, as well as pcb design and board. Bga Ball Diameter.
From yoshida-welding.en.made-in-china.com
BGA HighTemperature Soldering Tin Ball Sn10pb90 Ball Diameter 0.35mm Bga Ball Diameter Learn about land patterns, pcb. Based on pitch and ball sizes, it’s even possible to take an existing bga footprint with higher ball count than you need, and then modify this so it can be used with your desired bga component. The ball grid array (bga) package achieves these objectives by providing increased functionality for the same package size while. Bga Ball Diameter.
From yoshida-welding.en.made-in-china.com
Sn96.5AG3cu0.5 Repair BGA Ball Welding LeadFree Solder Ball Diameter 0 Bga Ball Diameter (1) nominal ball diameter can be found on the. Table 1 shows the optimal ball pad size for any bga design. This includes correct orientation of ball a1, matching. Based on pitch and ball sizes, it’s even possible to take an existing bga footprint with higher ball count than you need, and then modify this so it can be used. Bga Ball Diameter.
From www.szbesttool.com
BST505 Bga Solder Ball Size For Micro Welding Mobile Phone Repair Bga Ball Diameter Learn about land patterns, pcb. This includes correct orientation of ball a1, matching. (1) nominal ball diameter can be found on the. When building a bga footprint the number one consideration is ensuring the ball pattern and outline matches the device package. This application note provides an introduction to analog's bga packages, as well as pcb design and board assembly. Bga Ball Diameter.
From www.szbesttool.com
BST505 Bga Solder Ball Size For Micro Welding Mobile Phone Repair Bga Ball Diameter This application note provides an introduction to analog's bga packages, as well as pcb design and board assembly process guidelines. (1) nominal ball diameter can be found on the. The product's datasheet provides ball pitch in each axis as x:710um y:580um and ball diameter as 250um but nothing about the preferred land pad diameter. Learn about land patterns, pcb. When. Bga Ball Diameter.
From nuwaves.com
Ball Grid Array (BGA) Mounting NuWaves RF Solutions Bga Ball Diameter (1) nominal ball diameter can be found on the. The ball grid array (bga) package achieves these objectives by providing increased functionality for the same package size while being compatible with existing surface mount technology. When building a bga footprint the number one consideration is ensuring the ball pattern and outline matches the device package. Table 1 shows the optimal. Bga Ball Diameter.
From www.szbesttool.com
BST505 Bga Solder Ball Size For Micro Welding Mobile Phone Repair Bga Ball Diameter Table 1 shows the optimal ball pad size for any bga design. This application note provides an introduction to analog's bga packages, as well as pcb design and board assembly process guidelines. Based on pitch and ball sizes, it’s even possible to take an existing bga footprint with higher ball count than you need, and then modify this so it. Bga Ball Diameter.
From www.szbesttool.com
BST505 Bga Solder Ball Size For Micro Welding Mobile Phone Repair Bga Ball Diameter When building a bga footprint the number one consideration is ensuring the ball pattern and outline matches the device package. Today, there are several resources where you can find footprints for your bga components. This application note provides an introduction to analog's bga packages, as well as pcb design and board assembly process guidelines. Based on pitch and ball sizes,. Bga Ball Diameter.