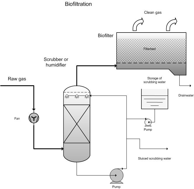
Odor Treatment By Biofiltration . Biological treatments of waste gas streams, called biofiltration, containing vocs and odorous compounds has gained much attention because biofilters are more cost effective and. Physical (activated carbon adsorption, masking, and dilution diffusion),. Biofilters are an odor treatment technology that utilizes biological processes as the treatment mechanism like biotrickling scrubbers. Biological treatments of waste gas streams, called biofiltration, containing vocs and odorous compounds has gained much attention. On the basis of their low environmental impact, high deodorization performance, and low net present value,. Odor treatment technologies based on biotechnology applications are reviewed. Odor treatment technologies can be classified into three categories, namely ones employing chemical (thermal oxidation, catalytic oxidation, ozonation),. Odor control technologies are divided into three categories: Deodorization by biofiltration, as shown in figure 2, consists in passing a humidified, contaminated gas through a solid bed containing.
from www.ogj.com
Odor treatment technologies based on biotechnology applications are reviewed. Biofilters are an odor treatment technology that utilizes biological processes as the treatment mechanism like biotrickling scrubbers. Odor treatment technologies can be classified into three categories, namely ones employing chemical (thermal oxidation, catalytic oxidation, ozonation),. Physical (activated carbon adsorption, masking, and dilution diffusion),. Biological treatments of waste gas streams, called biofiltration, containing vocs and odorous compounds has gained much attention. Deodorization by biofiltration, as shown in figure 2, consists in passing a humidified, contaminated gas through a solid bed containing. Biological treatments of waste gas streams, called biofiltration, containing vocs and odorous compounds has gained much attention because biofilters are more cost effective and. Odor control technologies are divided into three categories: On the basis of their low environmental impact, high deodorization performance, and low net present value,.
Biofiltration controls odors from asphalt procession plant Oil & Gas
Odor Treatment By Biofiltration Physical (activated carbon adsorption, masking, and dilution diffusion),. Biofilters are an odor treatment technology that utilizes biological processes as the treatment mechanism like biotrickling scrubbers. Odor treatment technologies based on biotechnology applications are reviewed. Odor control technologies are divided into three categories: Biological treatments of waste gas streams, called biofiltration, containing vocs and odorous compounds has gained much attention. On the basis of their low environmental impact, high deodorization performance, and low net present value,. Physical (activated carbon adsorption, masking, and dilution diffusion),. Odor treatment technologies can be classified into three categories, namely ones employing chemical (thermal oxidation, catalytic oxidation, ozonation),. Deodorization by biofiltration, as shown in figure 2, consists in passing a humidified, contaminated gas through a solid bed containing. Biological treatments of waste gas streams, called biofiltration, containing vocs and odorous compounds has gained much attention because biofilters are more cost effective and.
From bioteg.us
Biofilter, Biofilter Plants & Odor Control Systems Bioteg Biofilter Odor Treatment By Biofiltration Biological treatments of waste gas streams, called biofiltration, containing vocs and odorous compounds has gained much attention. Biological treatments of waste gas streams, called biofiltration, containing vocs and odorous compounds has gained much attention because biofilters are more cost effective and. Physical (activated carbon adsorption, masking, and dilution diffusion),. Odor treatment technologies can be classified into three categories, namely ones. Odor Treatment By Biofiltration.
From www.waterworld.com
Studies explore biofiltration's odor management WaterWorld Odor Treatment By Biofiltration Biological treatments of waste gas streams, called biofiltration, containing vocs and odorous compounds has gained much attention because biofilters are more cost effective and. Biological treatments of waste gas streams, called biofiltration, containing vocs and odorous compounds has gained much attention. Odor treatment technologies based on biotechnology applications are reviewed. Physical (activated carbon adsorption, masking, and dilution diffusion),. Odor treatment. Odor Treatment By Biofiltration.
From www.waterworld.com
Biofiltration System Solves Pump Station's Odor Problem WaterWorld Odor Treatment By Biofiltration Biological treatments of waste gas streams, called biofiltration, containing vocs and odorous compounds has gained much attention. On the basis of their low environmental impact, high deodorization performance, and low net present value,. Odor control technologies are divided into three categories: Odor treatment technologies based on biotechnology applications are reviewed. Biofilters are an odor treatment technology that utilizes biological processes. Odor Treatment By Biofiltration.
From www.made-in-china.com
Odor Treatment System Equipment, Biological Filtration Treatment Odor Treatment By Biofiltration Odor treatment technologies can be classified into three categories, namely ones employing chemical (thermal oxidation, catalytic oxidation, ozonation),. Odor treatment technologies based on biotechnology applications are reviewed. Biological treatments of waste gas streams, called biofiltration, containing vocs and odorous compounds has gained much attention. Deodorization by biofiltration, as shown in figure 2, consists in passing a humidified, contaminated gas through. Odor Treatment By Biofiltration.
From www.mvtplant.com
Biofilters in Concrete for Air/Odor Treatment and Control Odor Treatment By Biofiltration Physical (activated carbon adsorption, masking, and dilution diffusion),. Biological treatments of waste gas streams, called biofiltration, containing vocs and odorous compounds has gained much attention because biofilters are more cost effective and. Odor treatment technologies can be classified into three categories, namely ones employing chemical (thermal oxidation, catalytic oxidation, ozonation),. Odor treatment technologies based on biotechnology applications are reviewed. Deodorization. Odor Treatment By Biofiltration.
From www.biocycle.net
Odor Treatment At Composting Facilities BioCycle Odor Treatment By Biofiltration Biological treatments of waste gas streams, called biofiltration, containing vocs and odorous compounds has gained much attention because biofilters are more cost effective and. Biological treatments of waste gas streams, called biofiltration, containing vocs and odorous compounds has gained much attention. On the basis of their low environmental impact, high deodorization performance, and low net present value,. Odor control technologies. Odor Treatment By Biofiltration.
From www.slideserve.com
PPT Biofiltration for Odor and VOC Removal PowerPoint Presentation Odor Treatment By Biofiltration Odor treatment technologies can be classified into three categories, namely ones employing chemical (thermal oxidation, catalytic oxidation, ozonation),. Biological treatments of waste gas streams, called biofiltration, containing vocs and odorous compounds has gained much attention because biofilters are more cost effective and. Biological treatments of waste gas streams, called biofiltration, containing vocs and odorous compounds has gained much attention. Biofilters. Odor Treatment By Biofiltration.
From www.mdpi.com
Clean Technol. Free FullText Removal of Odors (Mainly H2S and NH3 Odor Treatment By Biofiltration Biofilters are an odor treatment technology that utilizes biological processes as the treatment mechanism like biotrickling scrubbers. Odor treatment technologies can be classified into three categories, namely ones employing chemical (thermal oxidation, catalytic oxidation, ozonation),. Odor control technologies are divided into three categories: Deodorization by biofiltration, as shown in figure 2, consists in passing a humidified, contaminated gas through a. Odor Treatment By Biofiltration.
From emis.vito.be
Biofilter EMIS Odor Treatment By Biofiltration Biofilters are an odor treatment technology that utilizes biological processes as the treatment mechanism like biotrickling scrubbers. Physical (activated carbon adsorption, masking, and dilution diffusion),. Odor treatment technologies based on biotechnology applications are reviewed. On the basis of their low environmental impact, high deodorization performance, and low net present value,. Odor treatment technologies can be classified into three categories, namely. Odor Treatment By Biofiltration.
From slidetodoc.com
Biofiltration for Odor and VOC Removal INTRODUCTION Conceptual Odor Treatment By Biofiltration Biofilters are an odor treatment technology that utilizes biological processes as the treatment mechanism like biotrickling scrubbers. Odor control technologies are divided into three categories: Odor treatment technologies based on biotechnology applications are reviewed. Deodorization by biofiltration, as shown in figure 2, consists in passing a humidified, contaminated gas through a solid bed containing. Physical (activated carbon adsorption, masking, and. Odor Treatment By Biofiltration.
From www.tpomag.com
Biofiltration Anua Airashell Treatment Plant Operator Odor Treatment By Biofiltration Biological treatments of waste gas streams, called biofiltration, containing vocs and odorous compounds has gained much attention. Biofilters are an odor treatment technology that utilizes biological processes as the treatment mechanism like biotrickling scrubbers. Deodorization by biofiltration, as shown in figure 2, consists in passing a humidified, contaminated gas through a solid bed containing. Odor treatment technologies based on biotechnology. Odor Treatment By Biofiltration.
From www.slideserve.com
PPT Biofiltration for Odor and VOC Removal PowerPoint Presentation Odor Treatment By Biofiltration Physical (activated carbon adsorption, masking, and dilution diffusion),. Odor treatment technologies based on biotechnology applications are reviewed. Odor control technologies are divided into three categories: Odor treatment technologies can be classified into three categories, namely ones employing chemical (thermal oxidation, catalytic oxidation, ozonation),. Deodorization by biofiltration, as shown in figure 2, consists in passing a humidified, contaminated gas through a. Odor Treatment By Biofiltration.
From www.ogj.com
Biofiltration controls odors from asphalt procession plant Oil & Gas Odor Treatment By Biofiltration Biological treatments of waste gas streams, called biofiltration, containing vocs and odorous compounds has gained much attention because biofilters are more cost effective and. Biofilters are an odor treatment technology that utilizes biological processes as the treatment mechanism like biotrickling scrubbers. Deodorization by biofiltration, as shown in figure 2, consists in passing a humidified, contaminated gas through a solid bed. Odor Treatment By Biofiltration.
From mena-water.com
BioFilter for Odor Control Water and Wastewater Treatment Odor Treatment By Biofiltration Odor treatment technologies based on biotechnology applications are reviewed. Odor control technologies are divided into three categories: Physical (activated carbon adsorption, masking, and dilution diffusion),. Odor treatment technologies can be classified into three categories, namely ones employing chemical (thermal oxidation, catalytic oxidation, ozonation),. Deodorization by biofiltration, as shown in figure 2, consists in passing a humidified, contaminated gas through a. Odor Treatment By Biofiltration.
From www.tpomag.com
Biofiltration DUALL BIOPRO Treatment Plant Operator Odor Treatment By Biofiltration Odor control technologies are divided into three categories: Deodorization by biofiltration, as shown in figure 2, consists in passing a humidified, contaminated gas through a solid bed containing. Biological treatments of waste gas streams, called biofiltration, containing vocs and odorous compounds has gained much attention. Physical (activated carbon adsorption, masking, and dilution diffusion),. On the basis of their low environmental. Odor Treatment By Biofiltration.
From www.researchgate.net
(PDF) Effect of OdorTreatment Biofilter on Bioaerosols from an Indoor Odor Treatment By Biofiltration On the basis of their low environmental impact, high deodorization performance, and low net present value,. Physical (activated carbon adsorption, masking, and dilution diffusion),. Biological treatments of waste gas streams, called biofiltration, containing vocs and odorous compounds has gained much attention. Biofilters are an odor treatment technology that utilizes biological processes as the treatment mechanism like biotrickling scrubbers. Odor treatment. Odor Treatment By Biofiltration.
From tataandhoward.com
Odor Control at Wastewater Treatment Plant, Lyndon, VT Tata & Howard Odor Treatment By Biofiltration Biological treatments of waste gas streams, called biofiltration, containing vocs and odorous compounds has gained much attention. Deodorization by biofiltration, as shown in figure 2, consists in passing a humidified, contaminated gas through a solid bed containing. On the basis of their low environmental impact, high deodorization performance, and low net present value,. Odor control technologies are divided into three. Odor Treatment By Biofiltration.
From www.tpomag.com
Biofiltration AdEdge Water Technologies… Treatment Plant Operator Odor Treatment By Biofiltration Biofilters are an odor treatment technology that utilizes biological processes as the treatment mechanism like biotrickling scrubbers. Biological treatments of waste gas streams, called biofiltration, containing vocs and odorous compounds has gained much attention. Odor treatment technologies based on biotechnology applications are reviewed. On the basis of their low environmental impact, high deodorization performance, and low net present value,. Physical. Odor Treatment By Biofiltration.
From www.slideserve.com
PPT Biofiltration for Odor and VOC Removal PowerPoint Presentation Odor Treatment By Biofiltration Odor treatment technologies based on biotechnology applications are reviewed. On the basis of their low environmental impact, high deodorization performance, and low net present value,. Odor control technologies are divided into three categories: Biological treatments of waste gas streams, called biofiltration, containing vocs and odorous compounds has gained much attention because biofilters are more cost effective and. Biological treatments of. Odor Treatment By Biofiltration.
From www.mdpi.com
Water Free FullText FullScale Odor Abatement Technologies in Odor Treatment By Biofiltration Physical (activated carbon adsorption, masking, and dilution diffusion),. Odor treatment technologies based on biotechnology applications are reviewed. Odor treatment technologies can be classified into three categories, namely ones employing chemical (thermal oxidation, catalytic oxidation, ozonation),. Biological treatments of waste gas streams, called biofiltration, containing vocs and odorous compounds has gained much attention. Biological treatments of waste gas streams, called biofiltration,. Odor Treatment By Biofiltration.
From loeowtepk.blob.core.windows.net
Activated Carbon Odor Control System at Gilbert King blog Odor Treatment By Biofiltration Deodorization by biofiltration, as shown in figure 2, consists in passing a humidified, contaminated gas through a solid bed containing. Biological treatments of waste gas streams, called biofiltration, containing vocs and odorous compounds has gained much attention. Biofilters are an odor treatment technology that utilizes biological processes as the treatment mechanism like biotrickling scrubbers. On the basis of their low. Odor Treatment By Biofiltration.
From www.tpomag.com
Filtration Systems Biofiltration system Treatment Plant Operator Odor Treatment By Biofiltration Odor treatment technologies can be classified into three categories, namely ones employing chemical (thermal oxidation, catalytic oxidation, ozonation),. Biological treatments of waste gas streams, called biofiltration, containing vocs and odorous compounds has gained much attention. Deodorization by biofiltration, as shown in figure 2, consists in passing a humidified, contaminated gas through a solid bed containing. Biofilters are an odor treatment. Odor Treatment By Biofiltration.
From www.slideserve.com
PPT Biofiltration for Odor and VOC Removal PowerPoint Presentation Odor Treatment By Biofiltration Odor treatment technologies based on biotechnology applications are reviewed. Biological treatments of waste gas streams, called biofiltration, containing vocs and odorous compounds has gained much attention. Biofilters are an odor treatment technology that utilizes biological processes as the treatment mechanism like biotrickling scrubbers. Biological treatments of waste gas streams, called biofiltration, containing vocs and odorous compounds has gained much attention. Odor Treatment By Biofiltration.
From www.aquatecenviro.com
Odour Control System Australia & New Zealand Aquatec Odor Treatment By Biofiltration Biological treatments of waste gas streams, called biofiltration, containing vocs and odorous compounds has gained much attention. On the basis of their low environmental impact, high deodorization performance, and low net present value,. Odor control technologies are divided into three categories: Biofilters are an odor treatment technology that utilizes biological processes as the treatment mechanism like biotrickling scrubbers. Biological treatments. Odor Treatment By Biofiltration.
From www.mvtplant.com
Biofilters in Concrete for Air/Odor Treatment and Control Odor Treatment By Biofiltration Biofilters are an odor treatment technology that utilizes biological processes as the treatment mechanism like biotrickling scrubbers. Deodorization by biofiltration, as shown in figure 2, consists in passing a humidified, contaminated gas through a solid bed containing. Biological treatments of waste gas streams, called biofiltration, containing vocs and odorous compounds has gained much attention. Biological treatments of waste gas streams,. Odor Treatment By Biofiltration.
From www.slideserve.com
PPT Biofiltration for Odor and VOC Removal PowerPoint Presentation Odor Treatment By Biofiltration Biofilters are an odor treatment technology that utilizes biological processes as the treatment mechanism like biotrickling scrubbers. Biological treatments of waste gas streams, called biofiltration, containing vocs and odorous compounds has gained much attention. On the basis of their low environmental impact, high deodorization performance, and low net present value,. Deodorization by biofiltration, as shown in figure 2, consists in. Odor Treatment By Biofiltration.
From www.mdpi.com
Atmosphere Free FullText Effect of OdorTreatment Biofilter on Odor Treatment By Biofiltration Odor treatment technologies can be classified into three categories, namely ones employing chemical (thermal oxidation, catalytic oxidation, ozonation),. Biofilters are an odor treatment technology that utilizes biological processes as the treatment mechanism like biotrickling scrubbers. Odor treatment technologies based on biotechnology applications are reviewed. Odor control technologies are divided into three categories: Biological treatments of waste gas streams, called biofiltration,. Odor Treatment By Biofiltration.
From www.rjmcompany.com
Manhole Odor Control Biofilters Odor Treatment By Biofiltration Odor treatment technologies based on biotechnology applications are reviewed. On the basis of their low environmental impact, high deodorization performance, and low net present value,. Odor treatment technologies can be classified into three categories, namely ones employing chemical (thermal oxidation, catalytic oxidation, ozonation),. Odor control technologies are divided into three categories: Physical (activated carbon adsorption, masking, and dilution diffusion),. Biofilters. Odor Treatment By Biofiltration.
From www.waterworld.com
Biofiltration System Eliminates WWTP/WRF Odor Complaints WaterWorld Odor Treatment By Biofiltration Deodorization by biofiltration, as shown in figure 2, consists in passing a humidified, contaminated gas through a solid bed containing. Odor control technologies are divided into three categories: Physical (activated carbon adsorption, masking, and dilution diffusion),. Biofilters are an odor treatment technology that utilizes biological processes as the treatment mechanism like biotrickling scrubbers. Odor treatment technologies based on biotechnology applications. Odor Treatment By Biofiltration.
From bioteg.us
Biofilter, Biofilter Plants & Odor Control Systems Bioteg Biofilter Odor Treatment By Biofiltration On the basis of their low environmental impact, high deodorization performance, and low net present value,. Biofilters are an odor treatment technology that utilizes biological processes as the treatment mechanism like biotrickling scrubbers. Deodorization by biofiltration, as shown in figure 2, consists in passing a humidified, contaminated gas through a solid bed containing. Biological treatments of waste gas streams, called. Odor Treatment By Biofiltration.
From www.bioetp.com
Biofiltration for VOCs and Odors abatementBIOETP Odor Treatment By Biofiltration Odor treatment technologies can be classified into three categories, namely ones employing chemical (thermal oxidation, catalytic oxidation, ozonation),. On the basis of their low environmental impact, high deodorization performance, and low net present value,. Odor treatment technologies based on biotechnology applications are reviewed. Odor control technologies are divided into three categories: Biofilters are an odor treatment technology that utilizes biological. Odor Treatment By Biofiltration.
From applications.finishthompson.com
Mag drive pumps used for biofiltration Finish Thompson Odor Treatment By Biofiltration Physical (activated carbon adsorption, masking, and dilution diffusion),. Odor control technologies are divided into three categories: Biological treatments of waste gas streams, called biofiltration, containing vocs and odorous compounds has gained much attention. Odor treatment technologies based on biotechnology applications are reviewed. Deodorization by biofiltration, as shown in figure 2, consists in passing a humidified, contaminated gas through a solid. Odor Treatment By Biofiltration.
From www.mdpi.com
Atmosphere Free FullText Odors Emitted from Biological Waste and Odor Treatment By Biofiltration Physical (activated carbon adsorption, masking, and dilution diffusion),. On the basis of their low environmental impact, high deodorization performance, and low net present value,. Biological treatments of waste gas streams, called biofiltration, containing vocs and odorous compounds has gained much attention because biofilters are more cost effective and. Odor treatment technologies can be classified into three categories, namely ones employing. Odor Treatment By Biofiltration.
From www.rjmcompany.com
Waste Water Treatment Plant Odor Control Biofilters Odor Treatment By Biofiltration Odor treatment technologies can be classified into three categories, namely ones employing chemical (thermal oxidation, catalytic oxidation, ozonation),. Biological treatments of waste gas streams, called biofiltration, containing vocs and odorous compounds has gained much attention because biofilters are more cost effective and. Deodorization by biofiltration, as shown in figure 2, consists in passing a humidified, contaminated gas through a solid. Odor Treatment By Biofiltration.
From www.slideserve.com
PPT Biofiltration for Odor and VOC Removal PowerPoint Presentation Odor Treatment By Biofiltration Odor treatment technologies based on biotechnology applications are reviewed. Biofilters are an odor treatment technology that utilizes biological processes as the treatment mechanism like biotrickling scrubbers. Odor treatment technologies can be classified into three categories, namely ones employing chemical (thermal oxidation, catalytic oxidation, ozonation),. Deodorization by biofiltration, as shown in figure 2, consists in passing a humidified, contaminated gas through. Odor Treatment By Biofiltration.