Latching Relays In Electronics . These are not traditional electromechanical relays but use semiconductor devices to perform the. Latching relays are electromagnetic switches that stay in their current state (either “open” or “closed”) until they are moved to their opposite state by an external trigger (unlike. A latching relay is an electrically actuated electric switch that can maintain its position without power being applied to its coil. A latching relay is a subtype of electromechanical or electromagnetic switch, commonly chosen in scenarios where the. In other words, it can be defined as a simple. A latching relay, also known as a bistable relay, is a form of electrical switch that employs electromagnetic to switch between two states and then latches into one. A latching relay is a type of relay that maintains its position after being switched on or off, without the need for continuous power. A latching relay is a subtype of electromechanical or electromagnetic switch, commonly chosen in scenarios where the operator needs to control.
from www.electronics-lab.com
A latching relay, also known as a bistable relay, is a form of electrical switch that employs electromagnetic to switch between two states and then latches into one. A latching relay is a subtype of electromechanical or electromagnetic switch, commonly chosen in scenarios where the operator needs to control. Latching relays are electromagnetic switches that stay in their current state (either “open” or “closed”) until they are moved to their opposite state by an external trigger (unlike. A latching relay is a subtype of electromechanical or electromagnetic switch, commonly chosen in scenarios where the. In other words, it can be defined as a simple. A latching relay is an electrically actuated electric switch that can maintain its position without power being applied to its coil. These are not traditional electromechanical relays but use semiconductor devices to perform the. A latching relay is a type of relay that maintains its position after being switched on or off, without the need for continuous power.
2 Channel Smart Dual Coil Latching Relay Board 2 Channel Bistable
Latching Relays In Electronics Latching relays are electromagnetic switches that stay in their current state (either “open” or “closed”) until they are moved to their opposite state by an external trigger (unlike. A latching relay is a subtype of electromechanical or electromagnetic switch, commonly chosen in scenarios where the operator needs to control. These are not traditional electromechanical relays but use semiconductor devices to perform the. In other words, it can be defined as a simple. A latching relay is an electrically actuated electric switch that can maintain its position without power being applied to its coil. A latching relay is a type of relay that maintains its position after being switched on or off, without the need for continuous power. A latching relay is a subtype of electromechanical or electromagnetic switch, commonly chosen in scenarios where the. Latching relays are electromagnetic switches that stay in their current state (either “open” or “closed”) until they are moved to their opposite state by an external trigger (unlike. A latching relay, also known as a bistable relay, is a form of electrical switch that employs electromagnetic to switch between two states and then latches into one.
From www.researchgate.net
Relay selflatch circuit Download Scientific Diagram Latching Relays In Electronics These are not traditional electromechanical relays but use semiconductor devices to perform the. A latching relay, also known as a bistable relay, is a form of electrical switch that employs electromagnetic to switch between two states and then latches into one. A latching relay is a subtype of electromechanical or electromagnetic switch, commonly chosen in scenarios where the operator needs. Latching Relays In Electronics.
From www.ecplaza.net
Latching Relay For Electric Meter YueQing Goodvic Electronic Co.,Ltd Latching Relays In Electronics A latching relay is an electrically actuated electric switch that can maintain its position without power being applied to its coil. A latching relay, also known as a bistable relay, is a form of electrical switch that employs electromagnetic to switch between two states and then latches into one. A latching relay is a subtype of electromechanical or electromagnetic switch,. Latching Relays In Electronics.
From www.czh-labs.com
DPST 1NO 1NC 8Amp Latching Relay Module, Version DC24V Latching Relays In Electronics A latching relay is a subtype of electromechanical or electromagnetic switch, commonly chosen in scenarios where the. A latching relay is an electrically actuated electric switch that can maintain its position without power being applied to its coil. These are not traditional electromechanical relays but use semiconductor devices to perform the. A latching relay is a subtype of electromechanical or. Latching Relays In Electronics.
From mungfali.com
12 Volt Latching Relay Latching Relays In Electronics A latching relay is a type of relay that maintains its position after being switched on or off, without the need for continuous power. Latching relays are electromagnetic switches that stay in their current state (either “open” or “closed”) until they are moved to their opposite state by an external trigger (unlike. These are not traditional electromechanical relays but use. Latching Relays In Electronics.
From forum.arduino.cc
How to use latching relay? Project Guidance Arduino Forum Latching Relays In Electronics A latching relay, also known as a bistable relay, is a form of electrical switch that employs electromagnetic to switch between two states and then latches into one. These are not traditional electromechanical relays but use semiconductor devices to perform the. A latching relay is a subtype of electromechanical or electromagnetic switch, commonly chosen in scenarios where the. A latching. Latching Relays In Electronics.
From diy-electronicsprojects.blogspot.com
the latching relay Types of relays and their Latching Relays In Electronics A latching relay is a subtype of electromechanical or electromagnetic switch, commonly chosen in scenarios where the operator needs to control. A latching relay is a subtype of electromechanical or electromagnetic switch, commonly chosen in scenarios where the. In other words, it can be defined as a simple. A latching relay, also known as a bistable relay, is a form. Latching Relays In Electronics.
From www.youtube.com
Single push button on off switch with relay how latching relay works Latching Relays In Electronics A latching relay, also known as a bistable relay, is a form of electrical switch that employs electromagnetic to switch between two states and then latches into one. A latching relay is a subtype of electromechanical or electromagnetic switch, commonly chosen in scenarios where the operator needs to control. Latching relays are electromagnetic switches that stay in their current state. Latching Relays In Electronics.
From leeselectronic.com
LATCHING RELAY MODULE WITH BISTABLE SWITCH Latching Relays In Electronics A latching relay is a subtype of electromechanical or electromagnetic switch, commonly chosen in scenarios where the operator needs to control. A latching relay, also known as a bistable relay, is a form of electrical switch that employs electromagnetic to switch between two states and then latches into one. In other words, it can be defined as a simple. A. Latching Relays In Electronics.
From www.scottelectrical.co.nz
Omron Relay latching 12V DC 2P CO Scott Electrical Latching Relays In Electronics A latching relay is a subtype of electromechanical or electromagnetic switch, commonly chosen in scenarios where the. A latching relay is an electrically actuated electric switch that can maintain its position without power being applied to its coil. Latching relays are electromagnetic switches that stay in their current state (either “open” or “closed”) until they are moved to their opposite. Latching Relays In Electronics.
From zetroelectronics.com
Latching Relays TR245 Series 90A Zetro Electronics Latching Relays In Electronics Latching relays are electromagnetic switches that stay in their current state (either “open” or “closed”) until they are moved to their opposite state by an external trigger (unlike. A latching relay is a type of relay that maintains its position after being switched on or off, without the need for continuous power. These are not traditional electromechanical relays but use. Latching Relays In Electronics.
From instrumentationtools.com
Relay Latching Circuit using Push Button Instrumentation Tools Latching Relays In Electronics A latching relay is a type of relay that maintains its position after being switched on or off, without the need for continuous power. A latching relay is a subtype of electromechanical or electromagnetic switch, commonly chosen in scenarios where the. In other words, it can be defined as a simple. A latching relay is a subtype of electromechanical or. Latching Relays In Electronics.
From electricalmag.com
Latching Relays How They Work and Why They're Useful ElectricalMag Latching Relays In Electronics In other words, it can be defined as a simple. A latching relay is a subtype of electromechanical or electromagnetic switch, commonly chosen in scenarios where the operator needs to control. A latching relay, also known as a bistable relay, is a form of electrical switch that employs electromagnetic to switch between two states and then latches into one. Latching. Latching Relays In Electronics.
From www.walmart.com
Heavy Duty Single Coil DPDT 1218 Volt ElectroMechanical Latching Latching Relays In Electronics A latching relay is a subtype of electromechanical or electromagnetic switch, commonly chosen in scenarios where the operator needs to control. In other words, it can be defined as a simple. A latching relay is a type of relay that maintains its position after being switched on or off, without the need for continuous power. A latching relay, also known. Latching Relays In Electronics.
From www.indiamart.com
Latching Relay at best price in Ernakulam by Metro Electronics ID Latching Relays In Electronics A latching relay is an electrically actuated electric switch that can maintain its position without power being applied to its coil. A latching relay is a type of relay that maintains its position after being switched on or off, without the need for continuous power. Latching relays are electromagnetic switches that stay in their current state (either “open” or “closed”). Latching Relays In Electronics.
From www.youtube.com
Latching Relay Electronics quick and dirty YouTube Latching Relays In Electronics A latching relay is a type of relay that maintains its position after being switched on or off, without the need for continuous power. These are not traditional electromechanical relays but use semiconductor devices to perform the. A latching relay, also known as a bistable relay, is a form of electrical switch that employs electromagnetic to switch between two states. Latching Relays In Electronics.
From www.electrician-1.com
on video Impulse Relay (Latching Relay) Basic Function, Wiring and Latching Relays In Electronics A latching relay is a subtype of electromechanical or electromagnetic switch, commonly chosen in scenarios where the operator needs to control. A latching relay is a type of relay that maintains its position after being switched on or off, without the need for continuous power. A latching relay, also known as a bistable relay, is a form of electrical switch. Latching Relays In Electronics.
From makermotor.com
Trigger and Stop Functions with a Latching Relay Example of Using a Latching Relays In Electronics A latching relay is a subtype of electromechanical or electromagnetic switch, commonly chosen in scenarios where the. These are not traditional electromechanical relays but use semiconductor devices to perform the. A latching relay is a type of relay that maintains its position after being switched on or off, without the need for continuous power. In other words, it can be. Latching Relays In Electronics.
From www.youtube.com
Latching Relay Circuit YouTube Latching Relays In Electronics A latching relay is a type of relay that maintains its position after being switched on or off, without the need for continuous power. A latching relay is a subtype of electromechanical or electromagnetic switch, commonly chosen in scenarios where the operator needs to control. A latching relay is an electrically actuated electric switch that can maintain its position without. Latching Relays In Electronics.
From mkvtech.blogspot.com
LATCHING RELAY USING 555 TIMER Latching Relays In Electronics A latching relay is an electrically actuated electric switch that can maintain its position without power being applied to its coil. A latching relay, also known as a bistable relay, is a form of electrical switch that employs electromagnetic to switch between two states and then latches into one. In other words, it can be defined as a simple. A. Latching Relays In Electronics.
From www.aliontimer.com
GRM801/02 Latching Relay ALION Latching Relays In Electronics In other words, it can be defined as a simple. A latching relay is a subtype of electromechanical or electromagnetic switch, commonly chosen in scenarios where the operator needs to control. A latching relay is a type of relay that maintains its position after being switched on or off, without the need for continuous power. A latching relay, also known. Latching Relays In Electronics.
From watchlength11.bitbucket.io
Latching Relay Circuit Diagram Three Way Switch Common Latching Relays In Electronics In other words, it can be defined as a simple. A latching relay is an electrically actuated electric switch that can maintain its position without power being applied to its coil. Latching relays are electromagnetic switches that stay in their current state (either “open” or “closed”) until they are moved to their opposite state by an external trigger (unlike. A. Latching Relays In Electronics.
From www.electro-tech-online.com
Latching relays circuit Page 2 Electronics Forum (Circuits Latching Relays In Electronics In other words, it can be defined as a simple. A latching relay is a type of relay that maintains its position after being switched on or off, without the need for continuous power. Latching relays are electromagnetic switches that stay in their current state (either “open” or “closed”) until they are moved to their opposite state by an external. Latching Relays In Electronics.
From www.electricaltechnology.org
How to Wire 8PIN Relay for Holding or Latching Circuit? Latching Relays In Electronics A latching relay is an electrically actuated electric switch that can maintain its position without power being applied to its coil. Latching relays are electromagnetic switches that stay in their current state (either “open” or “closed”) until they are moved to their opposite state by an external trigger (unlike. A latching relay is a subtype of electromechanical or electromagnetic switch,. Latching Relays In Electronics.
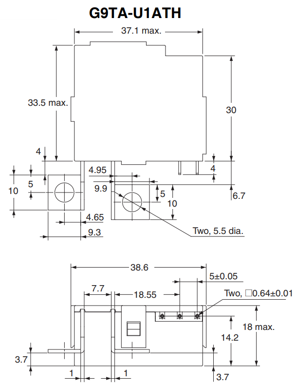
From www.mouser.co.uk
G9TA AC Power Latching Relays Omron Electronics Mouser Latching Relays In Electronics A latching relay is a subtype of electromechanical or electromagnetic switch, commonly chosen in scenarios where the operator needs to control. A latching relay is an electrically actuated electric switch that can maintain its position without power being applied to its coil. A latching relay is a type of relay that maintains its position after being switched on or off,. Latching Relays In Electronics.
From ivymetering.en.made-in-china.com
150A High Current Industrial Control Electronic 3 Phase Latching Relay Latching Relays In Electronics A latching relay, also known as a bistable relay, is a form of electrical switch that employs electromagnetic to switch between two states and then latches into one. Latching relays are electromagnetic switches that stay in their current state (either “open” or “closed”) until they are moved to their opposite state by an external trigger (unlike. A latching relay is. Latching Relays In Electronics.
From circuitenginepuffer.z21.web.core.windows.net
How To Make A Latching Relay Circuit Latching Relays In Electronics Latching relays are electromagnetic switches that stay in their current state (either “open” or “closed”) until they are moved to their opposite state by an external trigger (unlike. A latching relay is an electrically actuated electric switch that can maintain its position without power being applied to its coil. A latching relay, also known as a bistable relay, is a. Latching Relays In Electronics.
From www.electronics-salon.com
ELECTRONICSSALON Passive Bistable/Latching DPDT 8 Amp Power Relay Latching Relays In Electronics In other words, it can be defined as a simple. Latching relays are electromagnetic switches that stay in their current state (either “open” or “closed”) until they are moved to their opposite state by an external trigger (unlike. A latching relay is a type of relay that maintains its position after being switched on or off, without the need for. Latching Relays In Electronics.
From www.kempstoncontrols.co.uk
Omron MY2KUS 24VAC LATCHING RELAY, PLUG IN, 14 PIN, DPDT, 3A Latching Relays In Electronics In other words, it can be defined as a simple. A latching relay, also known as a bistable relay, is a form of electrical switch that employs electromagnetic to switch between two states and then latches into one. A latching relay is a type of relay that maintains its position after being switched on or off, without the need for. Latching Relays In Electronics.
From www.morssmitt.com
Latching relay, bistable relay for heavy duty applications, by Mors Smitt. Latching Relays In Electronics A latching relay is a subtype of electromechanical or electromagnetic switch, commonly chosen in scenarios where the. Latching relays are electromagnetic switches that stay in their current state (either “open” or “closed”) until they are moved to their opposite state by an external trigger (unlike. A latching relay, also known as a bistable relay, is a form of electrical switch. Latching Relays In Electronics.
From diy-electronicsprojects.blogspot.com
latching relays 24 volt coil Relay 9v latching coil 5a DIY Latching Relays In Electronics A latching relay is a type of relay that maintains its position after being switched on or off, without the need for continuous power. Latching relays are electromagnetic switches that stay in their current state (either “open” or “closed”) until they are moved to their opposite state by an external trigger (unlike. In other words, it can be defined as. Latching Relays In Electronics.
From www.instructables.com
Latching Relay Module. 9 Steps (with Pictures) Instructables Latching Relays In Electronics Latching relays are electromagnetic switches that stay in their current state (either “open” or “closed”) until they are moved to their opposite state by an external trigger (unlike. In other words, it can be defined as a simple. A latching relay is an electrically actuated electric switch that can maintain its position without power being applied to its coil. A. Latching Relays In Electronics.
From easby.com
HF115FL Double pole Latching Relay Easby Electronics Latching Relays In Electronics These are not traditional electromechanical relays but use semiconductor devices to perform the. A latching relay is a type of relay that maintains its position after being switched on or off, without the need for continuous power. A latching relay is a subtype of electromechanical or electromagnetic switch, commonly chosen in scenarios where the operator needs to control. A latching. Latching Relays In Electronics.
From itecnotes.com
Electronic Proper operation of latching relay Valuable Tech Notes Latching Relays In Electronics A latching relay is a subtype of electromechanical or electromagnetic switch, commonly chosen in scenarios where the. A latching relay is a subtype of electromechanical or electromagnetic switch, commonly chosen in scenarios where the operator needs to control. In other words, it can be defined as a simple. A latching relay is an electrically actuated electric switch that can maintain. Latching Relays In Electronics.
From www.electronics-lab.com
2 Channel Smart Dual Coil Latching Relay Board 2 Channel Bistable Latching Relays In Electronics These are not traditional electromechanical relays but use semiconductor devices to perform the. A latching relay, also known as a bistable relay, is a form of electrical switch that employs electromagnetic to switch between two states and then latches into one. A latching relay is a subtype of electromechanical or electromagnetic switch, commonly chosen in scenarios where the. In other. Latching Relays In Electronics.
From www.organised-sound.com
How Does A Latching Relay Circuit Work Wiring Diagram Latching Relays In Electronics In other words, it can be defined as a simple. A latching relay, also known as a bistable relay, is a form of electrical switch that employs electromagnetic to switch between two states and then latches into one. A latching relay is a subtype of electromechanical or electromagnetic switch, commonly chosen in scenarios where the. A latching relay is a. Latching Relays In Electronics.