Bore Drill Or Ream . The cutting tool used for reaming is known as reamer. Drilling uses drill bits, and reaming uses reamers. The reamer rotates at approximately half rpm of the drilling operation during reaming. The main difference is that by drilling, you receive a hole; Reaming is a cutting operation to enlarge the existing hole diameter to make it more accurate and improve the surface finish. — drilling vs boring vs reaming: Get ready to uncover the secrets behind creating perfect holes in solid materials! what is reaming operation? All processes involve, to some extent, creating new holes in the workpiece or modifying existing holes. precision machining is a world of finesse and exactitude, and three key processes stand at the forefront: Drilling is the process of drilling, while boring enlarges the diameter of an existing hole. — drilling, boring, reaming, and honing are common processes used by manufacturing companies. — this article explores the fascinating world of hole machining, covering drilling, reaming, countersinking, and boring. Learn how each technique works, their unique advantages, and when to use them.
from www.youtube.com
The main difference is that by drilling, you receive a hole; — this article explores the fascinating world of hole machining, covering drilling, reaming, countersinking, and boring. — drilling, boring, reaming, and honing are common processes used by manufacturing companies. All processes involve, to some extent, creating new holes in the workpiece or modifying existing holes. Drilling is the process of drilling, while boring enlarges the diameter of an existing hole. precision machining is a world of finesse and exactitude, and three key processes stand at the forefront: The cutting tool used for reaming is known as reamer. Learn how each technique works, their unique advantages, and when to use them. Reaming is a cutting operation to enlarge the existing hole diameter to make it more accurate and improve the surface finish. what is reaming operation?
How to ream large pipe without a pipe reamer YouTube
Bore Drill Or Ream The reamer rotates at approximately half rpm of the drilling operation during reaming. Learn how each technique works, their unique advantages, and when to use them. — drilling vs boring vs reaming: Get ready to uncover the secrets behind creating perfect holes in solid materials! The reamer rotates at approximately half rpm of the drilling operation during reaming. what is reaming operation? The main difference is that by drilling, you receive a hole; precision machining is a world of finesse and exactitude, and three key processes stand at the forefront: Drilling is the process of drilling, while boring enlarges the diameter of an existing hole. All processes involve, to some extent, creating new holes in the workpiece or modifying existing holes. — this article explores the fascinating world of hole machining, covering drilling, reaming, countersinking, and boring. The cutting tool used for reaming is known as reamer. Drilling uses drill bits, and reaming uses reamers. — drilling, boring, reaming, and honing are common processes used by manufacturing companies. Reaming is a cutting operation to enlarge the existing hole diameter to make it more accurate and improve the surface finish.
From mapal.com
MEGADrillReamer MAPAL Bore Drill Or Ream — drilling vs boring vs reaming: what is reaming operation? Learn how each technique works, their unique advantages, and when to use them. Drilling uses drill bits, and reaming uses reamers. Get ready to uncover the secrets behind creating perfect holes in solid materials! The cutting tool used for reaming is known as reamer. — drilling, boring,. Bore Drill Or Ream.
From pdfslide.net
(PDF) Drill Press Vise Use a drill press with a drill press vise to Bore Drill Or Ream — drilling vs boring vs reaming: — this article explores the fascinating world of hole machining, covering drilling, reaming, countersinking, and boring. Drilling is the process of drilling, while boring enlarges the diameter of an existing hole. Learn how each technique works, their unique advantages, and when to use them. Get ready to uncover the secrets behind creating. Bore Drill Or Ream.
From www.linkindustrialtools.com
Boring drill reamers in solid carbide with holes H7 KERFOLG DREAM 5XD Bore Drill Or Ream precision machining is a world of finesse and exactitude, and three key processes stand at the forefront: — drilling vs boring vs reaming: Reaming is a cutting operation to enlarge the existing hole diameter to make it more accurate and improve the surface finish. The reamer rotates at approximately half rpm of the drilling operation during reaming. Learn. Bore Drill Or Ream.
From exotqjahr.blob.core.windows.net
Reaming Is Drilling at Ella Stewart blog Bore Drill Or Ream — drilling, boring, reaming, and honing are common processes used by manufacturing companies. All processes involve, to some extent, creating new holes in the workpiece or modifying existing holes. The reamer rotates at approximately half rpm of the drilling operation during reaming. Reaming is a cutting operation to enlarge the existing hole diameter to make it more accurate and. Bore Drill Or Ream.
From www.linkindustrialtools.com
Boring drill reamers in solid carbide with holes H7 KERFOLG DREAM 5XD Bore Drill Or Ream All processes involve, to some extent, creating new holes in the workpiece or modifying existing holes. Get ready to uncover the secrets behind creating perfect holes in solid materials! precision machining is a world of finesse and exactitude, and three key processes stand at the forefront: Learn how each technique works, their unique advantages, and when to use them.. Bore Drill Or Ream.
From www.youtube.com
Drilling Machine Operations Boring, Reaming, Counter Sinking, Spot Bore Drill Or Ream Drilling is the process of drilling, while boring enlarges the diameter of an existing hole. Get ready to uncover the secrets behind creating perfect holes in solid materials! precision machining is a world of finesse and exactitude, and three key processes stand at the forefront: The main difference is that by drilling, you receive a hole; — drilling,. Bore Drill Or Ream.
From mechutopia.com
13 Types of Reamers and Reaming Operation Mechutopia Bore Drill Or Ream Drilling uses drill bits, and reaming uses reamers. Get ready to uncover the secrets behind creating perfect holes in solid materials! The reamer rotates at approximately half rpm of the drilling operation during reaming. All processes involve, to some extent, creating new holes in the workpiece or modifying existing holes. — this article explores the fascinating world of hole. Bore Drill Or Ream.
From www.ebay.com.au
5pcs 4mm 10mm Hand Reamer Straight Tapered Tip HSS Chucking Bore Bore Drill Or Ream Reaming is a cutting operation to enlarge the existing hole diameter to make it more accurate and improve the surface finish. — this article explores the fascinating world of hole machining, covering drilling, reaming, countersinking, and boring. — drilling, boring, reaming, and honing are common processes used by manufacturing companies. All processes involve, to some extent, creating new. Bore Drill Or Ream.
From www.chegg.com
Solved 19.05 18.95 REAM 32 C BORE 9 DEEP 3 DRILL2 HOLES 19R Bore Drill Or Ream what is reaming operation? precision machining is a world of finesse and exactitude, and three key processes stand at the forefront: — this article explores the fascinating world of hole machining, covering drilling, reaming, countersinking, and boring. The cutting tool used for reaming is known as reamer. Drilling uses drill bits, and reaming uses reamers. Learn how. Bore Drill Or Ream.
From www.youtube.com
How to ream large pipe without a pipe reamer YouTube Bore Drill Or Ream Reaming is a cutting operation to enlarge the existing hole diameter to make it more accurate and improve the surface finish. The reamer rotates at approximately half rpm of the drilling operation during reaming. All processes involve, to some extent, creating new holes in the workpiece or modifying existing holes. — drilling vs boring vs reaming: what is. Bore Drill Or Ream.
From www.youtube.com
Drilling,Boring & Reaming(Difference) YouTube Bore Drill Or Ream — drilling vs boring vs reaming: The reamer rotates at approximately half rpm of the drilling operation during reaming. — this article explores the fascinating world of hole machining, covering drilling, reaming, countersinking, and boring. — drilling, boring, reaming, and honing are common processes used by manufacturing companies. what is reaming operation? All processes involve, to. Bore Drill Or Ream.
From www.chegg.com
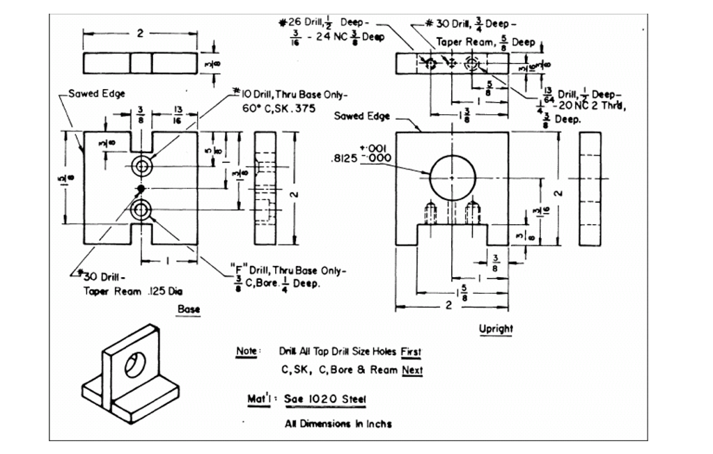
*26 Drill, Deep 30 Dril, Deep Taper Ream, Deep 2 24 Bore Drill Or Ream All processes involve, to some extent, creating new holes in the workpiece or modifying existing holes. Drilling uses drill bits, and reaming uses reamers. Drilling is the process of drilling, while boring enlarges the diameter of an existing hole. The reamer rotates at approximately half rpm of the drilling operation during reaming. what is reaming operation? — drilling,. Bore Drill Or Ream.
From www.aliexpress.com
5Pc 1/4 Round shank Countersink Drill Bit Counter Bore Drill Wood Hole Bore Drill Or Ream precision machining is a world of finesse and exactitude, and three key processes stand at the forefront: what is reaming operation? Learn how each technique works, their unique advantages, and when to use them. — this article explores the fascinating world of hole machining, covering drilling, reaming, countersinking, and boring. — drilling vs boring vs reaming:. Bore Drill Or Ream.
From www.star-su.com
Carbide Drills & Reamers Super Round Tool (SRT) Star SU Bore Drill Or Ream — drilling vs boring vs reaming: All processes involve, to some extent, creating new holes in the workpiece or modifying existing holes. — this article explores the fascinating world of hole machining, covering drilling, reaming, countersinking, and boring. Reaming is a cutting operation to enlarge the existing hole diameter to make it more accurate and improve the surface. Bore Drill Or Ream.
From www.youtube.com
Holier than Thou Precision Holes by Drilling, Boring, and Reaming Bore Drill Or Ream All processes involve, to some extent, creating new holes in the workpiece or modifying existing holes. The main difference is that by drilling, you receive a hole; — drilling vs boring vs reaming: Get ready to uncover the secrets behind creating perfect holes in solid materials! The cutting tool used for reaming is known as reamer. Learn how each. Bore Drill Or Ream.
From dxoeqramg.blob.core.windows.net
Boring Drill Attachment at Cora Gray blog Bore Drill Or Ream Drilling is the process of drilling, while boring enlarges the diameter of an existing hole. Drilling uses drill bits, and reaming uses reamers. All processes involve, to some extent, creating new holes in the workpiece or modifying existing holes. — this article explores the fascinating world of hole machining, covering drilling, reaming, countersinking, and boring. The cutting tool used. Bore Drill Or Ream.
From www.youtube.com
Taper Pin Drill and Ream Part2 YouTube Bore Drill Or Ream The cutting tool used for reaming is known as reamer. — drilling, boring, reaming, and honing are common processes used by manufacturing companies. precision machining is a world of finesse and exactitude, and three key processes stand at the forefront: Reaming is a cutting operation to enlarge the existing hole diameter to make it more accurate and improve. Bore Drill Or Ream.
From engineeringlearner.com
Types of Reamers and Their Uses [with Pictures] Engineering Learner Bore Drill Or Ream The cutting tool used for reaming is known as reamer. The main difference is that by drilling, you receive a hole; Reaming is a cutting operation to enlarge the existing hole diameter to make it more accurate and improve the surface finish. — drilling vs boring vs reaming: — drilling, boring, reaming, and honing are common processes used. Bore Drill Or Ream.
From www.wikihow.com
3 Ways to Ream a Hole wikiHow Bore Drill Or Ream Learn how each technique works, their unique advantages, and when to use them. precision machining is a world of finesse and exactitude, and three key processes stand at the forefront: The cutting tool used for reaming is known as reamer. The main difference is that by drilling, you receive a hole; — this article explores the fascinating world. Bore Drill Or Ream.
From www.wikihow.com
3 Ways to Ream a Hole wikiHow Bore Drill Or Ream — drilling, boring, reaming, and honing are common processes used by manufacturing companies. what is reaming operation? Get ready to uncover the secrets behind creating perfect holes in solid materials! Learn how each technique works, their unique advantages, and when to use them. All processes involve, to some extent, creating new holes in the workpiece or modifying existing. Bore Drill Or Ream.
From www.indiamart.com
Combination Reamer, For Drilling & Reaming, Multicut Carbide Tools Bore Drill Or Ream Learn how each technique works, their unique advantages, and when to use them. Reaming is a cutting operation to enlarge the existing hole diameter to make it more accurate and improve the surface finish. — drilling, boring, reaming, and honing are common processes used by manufacturing companies. — this article explores the fascinating world of hole machining, covering. Bore Drill Or Ream.
From www.youtube.com
Drill N Ream Animation YouTube Bore Drill Or Ream The main difference is that by drilling, you receive a hole; The reamer rotates at approximately half rpm of the drilling operation during reaming. Drilling is the process of drilling, while boring enlarges the diameter of an existing hole. — drilling vs boring vs reaming: precision machining is a world of finesse and exactitude, and three key processes. Bore Drill Or Ream.
From www.drillingmanual.com
THE CRITICAL ROLE THAT DRILLING REAMERS TYPES PLAYS IN DEEP WELLS Bore Drill Or Ream Get ready to uncover the secrets behind creating perfect holes in solid materials! The cutting tool used for reaming is known as reamer. — drilling vs boring vs reaming: — this article explores the fascinating world of hole machining, covering drilling, reaming, countersinking, and boring. Drilling uses drill bits, and reaming uses reamers. Drilling is the process of. Bore Drill Or Ream.
From www.cannondigi.com
How To Drill Into Metal Beam The Best Picture Of Beam Bore Drill Or Ream The cutting tool used for reaming is known as reamer. All processes involve, to some extent, creating new holes in the workpiece or modifying existing holes. precision machining is a world of finesse and exactitude, and three key processes stand at the forefront: — drilling vs boring vs reaming: Learn how each technique works, their unique advantages, and. Bore Drill Or Ream.
From www.homemodelenginemachinist.com
Machining aluminum crankcases for model airplane engines questions Bore Drill Or Ream The cutting tool used for reaming is known as reamer. — this article explores the fascinating world of hole machining, covering drilling, reaming, countersinking, and boring. Reaming is a cutting operation to enlarge the existing hole diameter to make it more accurate and improve the surface finish. Drilling is the process of drilling, while boring enlarges the diameter of. Bore Drill Or Ream.
From exoawbggo.blob.core.windows.net
Bore Drill Concrete at Sabrina Liu blog Bore Drill Or Ream The cutting tool used for reaming is known as reamer. Reaming is a cutting operation to enlarge the existing hole diameter to make it more accurate and improve the surface finish. Get ready to uncover the secrets behind creating perfect holes in solid materials! precision machining is a world of finesse and exactitude, and three key processes stand at. Bore Drill Or Ream.
From www.linkindustrialtools.com
Boring drill reamers in solid carbide with holes KERFOLG DREAM 3XD Bore Drill Or Ream All processes involve, to some extent, creating new holes in the workpiece or modifying existing holes. precision machining is a world of finesse and exactitude, and three key processes stand at the forefront: Reaming is a cutting operation to enlarge the existing hole diameter to make it more accurate and improve the surface finish. Learn how each technique works,. Bore Drill Or Ream.
From www.smlease.com
Drilling vs Boring vs Reaming What is the Difference SMLease Design Bore Drill Or Ream Drilling is the process of drilling, while boring enlarges the diameter of an existing hole. — drilling vs boring vs reaming: — this article explores the fascinating world of hole machining, covering drilling, reaming, countersinking, and boring. Learn how each technique works, their unique advantages, and when to use them. The reamer rotates at approximately half rpm of. Bore Drill Or Ream.
From www.linkindustrialtools.com
Boring drill reamers in solid carbide with holes H7 KERFOLG DREAM 5XD Bore Drill Or Ream — drilling vs boring vs reaming: Drilling is the process of drilling, while boring enlarges the diameter of an existing hole. what is reaming operation? Learn how each technique works, their unique advantages, and when to use them. All processes involve, to some extent, creating new holes in the workpiece or modifying existing holes. Get ready to uncover. Bore Drill Or Ream.
From www.youtube.com
A boring, reaming and drilling video YouTube Bore Drill Or Ream Reaming is a cutting operation to enlarge the existing hole diameter to make it more accurate and improve the surface finish. The reamer rotates at approximately half rpm of the drilling operation during reaming. Learn how each technique works, their unique advantages, and when to use them. The cutting tool used for reaming is known as reamer. — drilling,. Bore Drill Or Ream.
From dokumen.tips
(PDF) Drill Press Vise Use a drill press with a drill press vise to Bore Drill Or Ream precision machining is a world of finesse and exactitude, and three key processes stand at the forefront: Get ready to uncover the secrets behind creating perfect holes in solid materials! Learn how each technique works, their unique advantages, and when to use them. Drilling uses drill bits, and reaming uses reamers. All processes involve, to some extent, creating new. Bore Drill Or Ream.
From www.youtube.com
Gun Barrel Drilling & Reaming Machine DeHoff G560DR2 gun drill Bore Drill Or Ream precision machining is a world of finesse and exactitude, and three key processes stand at the forefront: — drilling, boring, reaming, and honing are common processes used by manufacturing companies. All processes involve, to some extent, creating new holes in the workpiece or modifying existing holes. Get ready to uncover the secrets behind creating perfect holes in solid. Bore Drill Or Ream.
From www.linkindustrialtools.com
Boring drill reamers in solid carbide with holes KERFOLG DREAM 3XD Bore Drill Or Ream All processes involve, to some extent, creating new holes in the workpiece or modifying existing holes. precision machining is a world of finesse and exactitude, and three key processes stand at the forefront: Drilling is the process of drilling, while boring enlarges the diameter of an existing hole. Reaming is a cutting operation to enlarge the existing hole diameter. Bore Drill Or Ream.
From www.alamy.com
A close up shot bore well drilling truck, Tubewell Drilling Machine Bore Drill Or Ream All processes involve, to some extent, creating new holes in the workpiece or modifying existing holes. Reaming is a cutting operation to enlarge the existing hole diameter to make it more accurate and improve the surface finish. Learn how each technique works, their unique advantages, and when to use them. Get ready to uncover the secrets behind creating perfect holes. Bore Drill Or Ream.
From mapal.com
TritanDrillReamer MAPAL Bore Drill Or Ream precision machining is a world of finesse and exactitude, and three key processes stand at the forefront: — this article explores the fascinating world of hole machining, covering drilling, reaming, countersinking, and boring. Reaming is a cutting operation to enlarge the existing hole diameter to make it more accurate and improve the surface finish. Get ready to uncover. Bore Drill Or Ream.