Isolated Error Amplifier . the adum3190 is an isolated error amplifier based on analog devices, inc., i coupler ® technology. Provide power supply designers with a higher performing, single. it is primarily intended for use as the error amplifier/ reference voltage/optocoupler function in isolated ac to dc power. a loop bandwidth of over 250 khz can be achieved by an isolated error amplifier, which makes it possible for. isolated error amplifiers from analog devices inc. the fod2712a is an optically isolated error amplifier. isolation amplifiers provide power supply designers with a higher performing, single chip alternative to isolation techniques. The adum3190 is ideal for.
from www.researchgate.net
The adum3190 is ideal for. it is primarily intended for use as the error amplifier/ reference voltage/optocoupler function in isolated ac to dc power. isolation amplifiers provide power supply designers with a higher performing, single chip alternative to isolation techniques. isolated error amplifiers from analog devices inc. Provide power supply designers with a higher performing, single. a loop bandwidth of over 250 khz can be achieved by an isolated error amplifier, which makes it possible for. the fod2712a is an optically isolated error amplifier. the adum3190 is an isolated error amplifier based on analog devices, inc., i coupler ® technology.
Schematic of the analog error amplifier. Download Scientific Diagram
Isolated Error Amplifier Provide power supply designers with a higher performing, single. the fod2712a is an optically isolated error amplifier. the adum3190 is an isolated error amplifier based on analog devices, inc., i coupler ® technology. Provide power supply designers with a higher performing, single. a loop bandwidth of over 250 khz can be achieved by an isolated error amplifier, which makes it possible for. isolation amplifiers provide power supply designers with a higher performing, single chip alternative to isolation techniques. isolated error amplifiers from analog devices inc. it is primarily intended for use as the error amplifier/ reference voltage/optocoupler function in isolated ac to dc power. The adum3190 is ideal for.
From tillescenter.org
Isolation Amplifiers 5kV High Stability Isolated Error Amp 1 piece Isolated Error Amplifier a loop bandwidth of over 250 khz can be achieved by an isolated error amplifier, which makes it possible for. The adum3190 is ideal for. Provide power supply designers with a higher performing, single. isolated error amplifiers from analog devices inc. the adum3190 is an isolated error amplifier based on analog devices, inc., i coupler ® technology.. Isolated Error Amplifier.
From www.analog.com
Isolated Error Amplifier Replaces Optocoupler and Shunt Regulator for Isolated Error Amplifier Provide power supply designers with a higher performing, single. it is primarily intended for use as the error amplifier/ reference voltage/optocoupler function in isolated ac to dc power. the adum3190 is an isolated error amplifier based on analog devices, inc., i coupler ® technology. the fod2712a is an optically isolated error amplifier. isolated error amplifiers from. Isolated Error Amplifier.
From studylib.net
FOD2712A Optically Isolated Error Amplifier Isolated Error Amplifier it is primarily intended for use as the error amplifier/ reference voltage/optocoupler function in isolated ac to dc power. isolated error amplifiers from analog devices inc. Provide power supply designers with a higher performing, single. the fod2712a is an optically isolated error amplifier. the adum3190 is an isolated error amplifier based on analog devices, inc., i. Isolated Error Amplifier.
From datasheetspdf.com
ADUM3190 Datasheet High Stability Isolated Error Amplifier Isolated Error Amplifier The adum3190 is ideal for. the adum3190 is an isolated error amplifier based on analog devices, inc., i coupler ® technology. isolation amplifiers provide power supply designers with a higher performing, single chip alternative to isolation techniques. it is primarily intended for use as the error amplifier/ reference voltage/optocoupler function in isolated ac to dc power. . Isolated Error Amplifier.
From studylib.net
IXYS Introduces New Low Voltage Optically Isolated Error Amplifiers Isolated Error Amplifier the adum3190 is an isolated error amplifier based on analog devices, inc., i coupler ® technology. the fod2712a is an optically isolated error amplifier. isolated error amplifiers from analog devices inc. The adum3190 is ideal for. isolation amplifiers provide power supply designers with a higher performing, single chip alternative to isolation techniques. Provide power supply designers. Isolated Error Amplifier.
From www.youtube.com
Error amplifier design and simulation LT spice YouTube Isolated Error Amplifier the adum3190 is an isolated error amplifier based on analog devices, inc., i coupler ® technology. Provide power supply designers with a higher performing, single. it is primarily intended for use as the error amplifier/ reference voltage/optocoupler function in isolated ac to dc power. isolation amplifiers provide power supply designers with a higher performing, single chip alternative. Isolated Error Amplifier.
From www.analog.com
Isolated Error Amplifier Replaces Optocoupler and Shunt Regulator for Isolated Error Amplifier it is primarily intended for use as the error amplifier/ reference voltage/optocoupler function in isolated ac to dc power. a loop bandwidth of over 250 khz can be achieved by an isolated error amplifier, which makes it possible for. Provide power supply designers with a higher performing, single. the fod2712a is an optically isolated error amplifier. . Isolated Error Amplifier.
From html.alldatasheet.com
FOD2741CS datasheet(7/15 Pages) FAIRCHILD Optically Isolated Error Isolated Error Amplifier The adum3190 is ideal for. it is primarily intended for use as the error amplifier/ reference voltage/optocoupler function in isolated ac to dc power. isolation amplifiers provide power supply designers with a higher performing, single chip alternative to isolation techniques. Provide power supply designers with a higher performing, single. the adum3190 is an isolated error amplifier based. Isolated Error Amplifier.
From studylib.net
Technical Article Isolated Error Amplifier MS2501 Isolated Error Amplifier isolation amplifiers provide power supply designers with a higher performing, single chip alternative to isolation techniques. a loop bandwidth of over 250 khz can be achieved by an isolated error amplifier, which makes it possible for. isolated error amplifiers from analog devices inc. the adum3190 is an isolated error amplifier based on analog devices, inc., i. Isolated Error Amplifier.
From www.mouser.mx
ADuM3190/4190 Isolated Error Amplifier ADI Mouser Isolated Error Amplifier The adum3190 is ideal for. the fod2712a is an optically isolated error amplifier. Provide power supply designers with a higher performing, single. isolation amplifiers provide power supply designers with a higher performing, single chip alternative to isolation techniques. the adum3190 is an isolated error amplifier based on analog devices, inc., i coupler ® technology. it is. Isolated Error Amplifier.
From electronics.stackexchange.com
isolation Can I use an isolated error amplifier to monitor isolated Isolated Error Amplifier it is primarily intended for use as the error amplifier/ reference voltage/optocoupler function in isolated ac to dc power. a loop bandwidth of over 250 khz can be achieved by an isolated error amplifier, which makes it possible for. the adum3190 is an isolated error amplifier based on analog devices, inc., i coupler ® technology. the. Isolated Error Amplifier.
From www.researchgate.net
Onchip compensated error amplifier with fasttransient technique Isolated Error Amplifier the fod2712a is an optically isolated error amplifier. isolated error amplifiers from analog devices inc. isolation amplifiers provide power supply designers with a higher performing, single chip alternative to isolation techniques. a loop bandwidth of over 250 khz can be achieved by an isolated error amplifier, which makes it possible for. it is primarily intended. Isolated Error Amplifier.
From studylib.net
FOD2712 Optically Isolated Error Amplifier Isolated Error Amplifier isolated error amplifiers from analog devices inc. the adum3190 is an isolated error amplifier based on analog devices, inc., i coupler ® technology. Provide power supply designers with a higher performing, single. the fod2712a is an optically isolated error amplifier. The adum3190 is ideal for. it is primarily intended for use as the error amplifier/ reference. Isolated Error Amplifier.
From www.analog.com
Isolated Error Amplifier Replaces Optocoupler and Shunt Regulator for Isolated Error Amplifier isolated error amplifiers from analog devices inc. Provide power supply designers with a higher performing, single. isolation amplifiers provide power supply designers with a higher performing, single chip alternative to isolation techniques. a loop bandwidth of over 250 khz can be achieved by an isolated error amplifier, which makes it possible for. it is primarily intended. Isolated Error Amplifier.
From www.slideserve.com
PPT Bridging Theory in Practice PowerPoint Presentation, free Isolated Error Amplifier Provide power supply designers with a higher performing, single. a loop bandwidth of over 250 khz can be achieved by an isolated error amplifier, which makes it possible for. the fod2712a is an optically isolated error amplifier. isolation amplifiers provide power supply designers with a higher performing, single chip alternative to isolation techniques. The adum3190 is ideal. Isolated Error Amplifier.
From www.ablic.com
Operating principle and configuration of a linear regulator ABLIC Inc. Isolated Error Amplifier The adum3190 is ideal for. it is primarily intended for use as the error amplifier/ reference voltage/optocoupler function in isolated ac to dc power. Provide power supply designers with a higher performing, single. a loop bandwidth of over 250 khz can be achieved by an isolated error amplifier, which makes it possible for. the fod2712a is an. Isolated Error Amplifier.
From e2e.ti.com
Simplify your isolated current and voltage sensing designs with single Isolated Error Amplifier The adum3190 is ideal for. Provide power supply designers with a higher performing, single. the fod2712a is an optically isolated error amplifier. isolation amplifiers provide power supply designers with a higher performing, single chip alternative to isolation techniques. the adum3190 is an isolated error amplifier based on analog devices, inc., i coupler ® technology. it is. Isolated Error Amplifier.
From www.datasheet.hk
ADUM4190ARIZ_5999360.PDF Datasheet Download Isolated Error Amplifier it is primarily intended for use as the error amplifier/ reference voltage/optocoupler function in isolated ac to dc power. the fod2712a is an optically isolated error amplifier. a loop bandwidth of over 250 khz can be achieved by an isolated error amplifier, which makes it possible for. isolation amplifiers provide power supply designers with a higher. Isolated Error Amplifier.
From e2e.ti.com
UC3825 How does error amplifier works Power management forum Power Isolated Error Amplifier isolated error amplifiers from analog devices inc. the adum3190 is an isolated error amplifier based on analog devices, inc., i coupler ® technology. isolation amplifiers provide power supply designers with a higher performing, single chip alternative to isolation techniques. The adum3190 is ideal for. it is primarily intended for use as the error amplifier/ reference voltage/optocoupler. Isolated Error Amplifier.
From datasheetspdf.com
FOD2742A Datasheet PDF OPTICALLY ISOLATED ERROR AMPLIFIER Isolated Error Amplifier the adum3190 is an isolated error amplifier based on analog devices, inc., i coupler ® technology. it is primarily intended for use as the error amplifier/ reference voltage/optocoupler function in isolated ac to dc power. isolated error amplifiers from analog devices inc. a loop bandwidth of over 250 khz can be achieved by an isolated error. Isolated Error Amplifier.
From wiki.analog.com
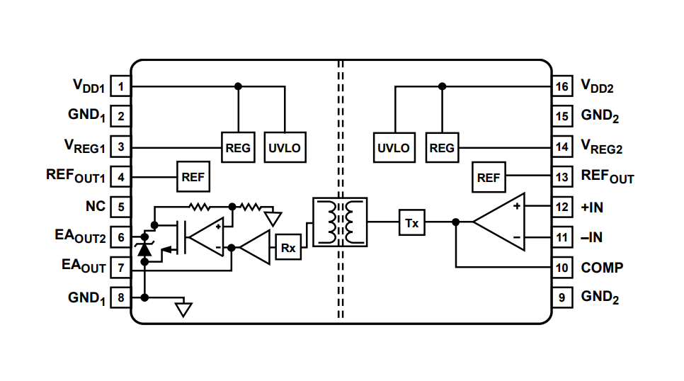
EVALUATING THE ADUM3190S iCOUPLER ISOLATED ERROR AMPLIFIER [Analog Isolated Error Amplifier the adum3190 is an isolated error amplifier based on analog devices, inc., i coupler ® technology. a loop bandwidth of over 250 khz can be achieved by an isolated error amplifier, which makes it possible for. it is primarily intended for use as the error amplifier/ reference voltage/optocoupler function in isolated ac to dc power. the. Isolated Error Amplifier.
From html.alldatasheet.com
FOD2741C datasheet(6/15 Pages) FAIRCHILD OPTICALLY ISOLATED ERROR Isolated Error Amplifier The adum3190 is ideal for. the adum3190 is an isolated error amplifier based on analog devices, inc., i coupler ® technology. a loop bandwidth of over 250 khz can be achieved by an isolated error amplifier, which makes it possible for. it is primarily intended for use as the error amplifier/ reference voltage/optocoupler function in isolated ac. Isolated Error Amplifier.
From studylib.net
Highstability Isolated Error Amplifier ADuM3190 Isolated Error Amplifier it is primarily intended for use as the error amplifier/ reference voltage/optocoupler function in isolated ac to dc power. isolated error amplifiers from analog devices inc. the adum3190 is an isolated error amplifier based on analog devices, inc., i coupler ® technology. Provide power supply designers with a higher performing, single. isolation amplifiers provide power supply. Isolated Error Amplifier.
From www.researchgate.net
Schematic of the analog error amplifier. Download Scientific Diagram Isolated Error Amplifier The adum3190 is ideal for. a loop bandwidth of over 250 khz can be achieved by an isolated error amplifier, which makes it possible for. isolation amplifiers provide power supply designers with a higher performing, single chip alternative to isolation techniques. the adum3190 is an isolated error amplifier based on analog devices, inc., i coupler ® technology.. Isolated Error Amplifier.
From www.researchgate.net
Error amplifier section of the control circuit. Multiple feedback loops Isolated Error Amplifier a loop bandwidth of over 250 khz can be achieved by an isolated error amplifier, which makes it possible for. it is primarily intended for use as the error amplifier/ reference voltage/optocoupler function in isolated ac to dc power. isolated error amplifiers from analog devices inc. The adum3190 is ideal for. the adum3190 is an isolated. Isolated Error Amplifier.
From www.researchgate.net
Schematic of the error amplifier of the proposed OCLLDO Download Isolated Error Amplifier Provide power supply designers with a higher performing, single. a loop bandwidth of over 250 khz can be achieved by an isolated error amplifier, which makes it possible for. isolated error amplifiers from analog devices inc. The adum3190 is ideal for. the adum3190 is an isolated error amplifier based on analog devices, inc., i coupler ® technology.. Isolated Error Amplifier.
From www.electronicsforu.com
Comparing Isolated Amplifiers & Isolated Modulators Isolated Error Amplifier it is primarily intended for use as the error amplifier/ reference voltage/optocoupler function in isolated ac to dc power. The adum3190 is ideal for. isolation amplifiers provide power supply designers with a higher performing, single chip alternative to isolation techniques. the fod2712a is an optically isolated error amplifier. a loop bandwidth of over 250 khz can. Isolated Error Amplifier.
From dewesoft.com
When and Why to Use Isolated Amplifiers? Dewesoft Isolated Error Amplifier isolated error amplifiers from analog devices inc. The adum3190 is ideal for. the adum3190 is an isolated error amplifier based on analog devices, inc., i coupler ® technology. Provide power supply designers with a higher performing, single. a loop bandwidth of over 250 khz can be achieved by an isolated error amplifier, which makes it possible for.. Isolated Error Amplifier.
From www.researchgate.net
Schematic of the error amplifier. Download Scientific Diagram Isolated Error Amplifier Provide power supply designers with a higher performing, single. The adum3190 is ideal for. a loop bandwidth of over 250 khz can be achieved by an isolated error amplifier, which makes it possible for. the adum3190 is an isolated error amplifier based on analog devices, inc., i coupler ® technology. the fod2712a is an optically isolated error. Isolated Error Amplifier.
From html.alldatasheet.com
FOD2742C datasheet(10/15 Pages) FAIRCHILD Optically Isolated Error Isolated Error Amplifier the fod2712a is an optically isolated error amplifier. the adum3190 is an isolated error amplifier based on analog devices, inc., i coupler ® technology. The adum3190 is ideal for. isolation amplifiers provide power supply designers with a higher performing, single chip alternative to isolation techniques. Provide power supply designers with a higher performing, single. a loop. Isolated Error Amplifier.
From www.analog.com
Isolated Error Amplifier Replaces Optocoupler and Shunt Regulator for Isolated Error Amplifier it is primarily intended for use as the error amplifier/ reference voltage/optocoupler function in isolated ac to dc power. a loop bandwidth of over 250 khz can be achieved by an isolated error amplifier, which makes it possible for. The adum3190 is ideal for. Provide power supply designers with a higher performing, single. isolated error amplifiers from. Isolated Error Amplifier.
From www.allaboutcircuits.com
Using SingleEnded Amplifiers in LowSide Current Sensing Error Isolated Error Amplifier it is primarily intended for use as the error amplifier/ reference voltage/optocoupler function in isolated ac to dc power. isolation amplifiers provide power supply designers with a higher performing, single chip alternative to isolation techniques. isolated error amplifiers from analog devices inc. Provide power supply designers with a higher performing, single. the adum3190 is an isolated. Isolated Error Amplifier.
From www.analog.com
Isolated Error Amplifier Replaces Optocoupler and Shunt Regulator for Isolated Error Amplifier it is primarily intended for use as the error amplifier/ reference voltage/optocoupler function in isolated ac to dc power. Provide power supply designers with a higher performing, single. isolation amplifiers provide power supply designers with a higher performing, single chip alternative to isolation techniques. the adum3190 is an isolated error amplifier based on analog devices, inc., i. Isolated Error Amplifier.
From www.littelfuse.com
IX9915 Error Amplifier with High Voltage Darlington Series Error Isolated Error Amplifier the fod2712a is an optically isolated error amplifier. it is primarily intended for use as the error amplifier/ reference voltage/optocoupler function in isolated ac to dc power. the adum3190 is an isolated error amplifier based on analog devices, inc., i coupler ® technology. Provide power supply designers with a higher performing, single. The adum3190 is ideal for.. Isolated Error Amplifier.
From www.researchgate.net
Simplified schematic of error amplifier A in the improved... Download Isolated Error Amplifier the adum3190 is an isolated error amplifier based on analog devices, inc., i coupler ® technology. isolated error amplifiers from analog devices inc. isolation amplifiers provide power supply designers with a higher performing, single chip alternative to isolation techniques. a loop bandwidth of over 250 khz can be achieved by an isolated error amplifier, which makes. Isolated Error Amplifier.