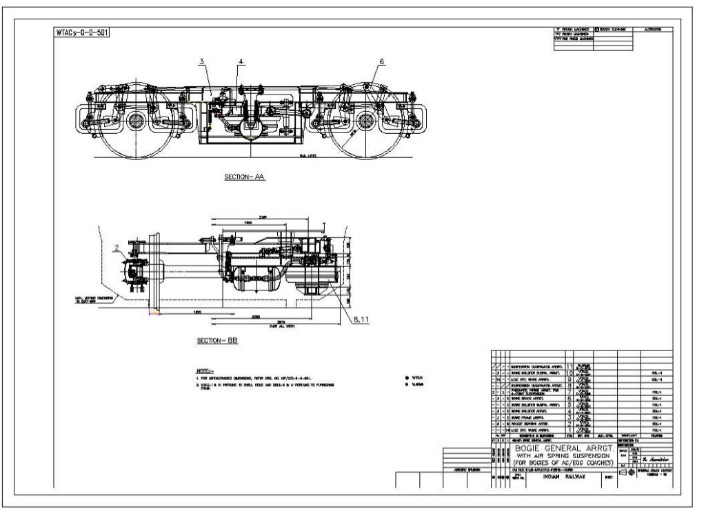
Air Spring Rdso . air spring assembly (120 kn capacity) for lhb coaches for fiat type bogies. It has been decided to rationalize and ease. the air spring will be mounted on the bogie for railway rolling stock to suppress the vibration of rolling
stock and offer a comfortable ride. air suspension, also called pneumatic suspension, uses the properties of air for the cushioning effect (springiness). This document provides maintenance instructions for air suspension systems. air spring failure indication cum brake application (fiba) device for air spring fitted in bg, icf, lhb, hybrid, double decker.
from www.ironwingsales.com
the air spring will be mounted on the bogie for railway rolling stock to suppress the vibration of rolling
stock and offer a comfortable ride. air suspension, also called pneumatic suspension, uses the properties of air for the cushioning effect (springiness). air spring failure indication cum brake application (fiba) device for air spring fitted in bg, icf, lhb, hybrid, double decker. This document provides maintenance instructions for air suspension systems. It has been decided to rationalize and ease. air spring assembly (120 kn capacity) for lhb coaches for fiat type bogies.
1R14182 from INFINITY ENGINEERED PRODUCTSGOODYEAR AIR SPRINGS AIR
Air Spring Rdso It has been decided to rationalize and ease. It has been decided to rationalize and ease. the air spring will be mounted on the bogie for railway rolling stock to suppress the vibration of rolling
stock and offer a comfortable ride. air spring failure indication cum brake application (fiba) device for air spring fitted in bg, icf, lhb, hybrid, double decker. air suspension, also called pneumatic suspension, uses the properties of air for the cushioning effect (springiness). This document provides maintenance instructions for air suspension systems. air spring assembly (120 kn capacity) for lhb coaches for fiat type bogies.
From wroffroad.co.za
Air Suspension WR Off Road Industries Air Spring Rdso It has been decided to rationalize and ease. the air spring will be mounted on the bogie for railway rolling stock to suppress the vibration of rolling
stock and offer a comfortable ride. air spring assembly (120 kn capacity) for lhb coaches for fiat type bogies. air suspension, also called pneumatic suspension, uses the properties of air. Air Spring Rdso.
From www.slideshare.net
Air springs rdso 2009cgcmi01 Air Spring Rdso air suspension, also called pneumatic suspension, uses the properties of air for the cushioning effect (springiness). This document provides maintenance instructions for air suspension systems. air spring failure indication cum brake application (fiba) device for air spring fitted in bg, icf, lhb, hybrid, double decker. It has been decided to rationalize and ease. air spring assembly (120. Air Spring Rdso.
From www.scribd.com
7 20210217 Letter To RDSO For Air Spring and FIBA Modifications Air Spring Rdso This document provides maintenance instructions for air suspension systems. air spring assembly (120 kn capacity) for lhb coaches for fiat type bogies. air suspension, also called pneumatic suspension, uses the properties of air for the cushioning effect (springiness). air spring failure indication cum brake application (fiba) device for air spring fitted in bg, icf, lhb, hybrid, double. Air Spring Rdso.
From dokumen.tips
(PDF) AIR SUSPENSION SYSTEM Indian Railway€¦ · On 3point and 4 Air Spring Rdso air spring failure indication cum brake application (fiba) device for air spring fitted in bg, icf, lhb, hybrid, double decker. This document provides maintenance instructions for air suspension systems. the air spring will be mounted on the bogie for railway rolling stock to suppress the vibration of rolling
stock and offer a comfortable ride. air spring assembly. Air Spring Rdso.
From www.slideshare.net
Air springs rdso 2009cgcmi01 Air Spring Rdso air suspension, also called pneumatic suspension, uses the properties of air for the cushioning effect (springiness). air spring assembly (120 kn capacity) for lhb coaches for fiat type bogies. This document provides maintenance instructions for air suspension systems. air spring failure indication cum brake application (fiba) device for air spring fitted in bg, icf, lhb, hybrid, double. Air Spring Rdso.
From www.studocu.com
ABS RDSO Okayyyy Air Spring System Suspension Air spring is a Air Spring Rdso air spring failure indication cum brake application (fiba) device for air spring fitted in bg, icf, lhb, hybrid, double decker. It has been decided to rationalize and ease. air spring assembly (120 kn capacity) for lhb coaches for fiat type bogies. air suspension, also called pneumatic suspension, uses the properties of air for the cushioning effect (springiness).. Air Spring Rdso.
From www.slideshare.net
Air springs rdso 2009cgcmi01 Air Spring Rdso air suspension, also called pneumatic suspension, uses the properties of air for the cushioning effect (springiness). It has been decided to rationalize and ease. This document provides maintenance instructions for air suspension systems. the air spring will be mounted on the bogie for railway rolling stock to suppress the vibration of rolling
stock and offer a comfortable ride.. Air Spring Rdso.
From blacktech-airsprings.com
Convoluted Air Springs blacktech Designed Strong and Durable Air Spring Rdso air suspension, also called pneumatic suspension, uses the properties of air for the cushioning effect (springiness). air spring failure indication cum brake application (fiba) device for air spring fitted in bg, icf, lhb, hybrid, double decker. It has been decided to rationalize and ease. This document provides maintenance instructions for air suspension systems. the air spring will. Air Spring Rdso.
From www.slideshare.net
Maintenance instructions on Air Suspension RDSO 2009CGCMI01 Air Spring Rdso air spring assembly (120 kn capacity) for lhb coaches for fiat type bogies. the air spring will be mounted on the bogie for railway rolling stock to suppress the vibration of rolling
stock and offer a comfortable ride. It has been decided to rationalize and ease. air suspension, also called pneumatic suspension, uses the properties of air. Air Spring Rdso.
From www.youtube.com
AIR SPRING SUSPENSION IN LHB COACH..CI/BTC.MDU Divi YouTube Air Spring Rdso It has been decided to rationalize and ease. the air spring will be mounted on the bogie for railway rolling stock to suppress the vibration of rolling
stock and offer a comfortable ride. This document provides maintenance instructions for air suspension systems. air spring failure indication cum brake application (fiba) device for air spring fitted in bg, icf,. Air Spring Rdso.
From www.slideshare.net
Air springs rdso 2009cgcmi01 Air Spring Rdso the air spring will be mounted on the bogie for railway rolling stock to suppress the vibration of rolling
stock and offer a comfortable ride. air spring assembly (120 kn capacity) for lhb coaches for fiat type bogies. This document provides maintenance instructions for air suspension systems. It has been decided to rationalize and ease. air suspension,. Air Spring Rdso.
From www.youtube.com
AIR SPRING SUSPENSION IN LHB COACH YouTube Air Spring Rdso air spring assembly (120 kn capacity) for lhb coaches for fiat type bogies. air spring failure indication cum brake application (fiba) device for air spring fitted in bg, icf, lhb, hybrid, double decker. air suspension, also called pneumatic suspension, uses the properties of air for the cushioning effect (springiness). the air spring will be mounted on. Air Spring Rdso.
From www.ironwingsales.com
1R14182 from INFINITY ENGINEERED PRODUCTSGOODYEAR AIR SPRINGS AIR Air Spring Rdso air spring assembly (120 kn capacity) for lhb coaches for fiat type bogies. This document provides maintenance instructions for air suspension systems. air suspension, also called pneumatic suspension, uses the properties of air for the cushioning effect (springiness). the air spring will be mounted on the bogie for railway rolling stock to suppress the vibration of rolling. Air Spring Rdso.
From www.slideshare.net
Air springs rdso 2009cgcmi01 Air Spring Rdso air spring failure indication cum brake application (fiba) device for air spring fitted in bg, icf, lhb, hybrid, double decker. This document provides maintenance instructions for air suspension systems. It has been decided to rationalize and ease. air spring assembly (120 kn capacity) for lhb coaches for fiat type bogies. the air spring will be mounted on. Air Spring Rdso.
From bulltruckparts.com
Air Spring 9978 for trailer Bull Truck Parts Air Spring Rdso It has been decided to rationalize and ease. the air spring will be mounted on the bogie for railway rolling stock to suppress the vibration of rolling
stock and offer a comfortable ride. air spring failure indication cum brake application (fiba) device for air spring fitted in bg, icf, lhb, hybrid, double decker. This document provides maintenance instructions. Air Spring Rdso.
From www.slideshare.net
Air springs rdso 2009cgcmi01 Air Spring Rdso It has been decided to rationalize and ease. This document provides maintenance instructions for air suspension systems. air spring failure indication cum brake application (fiba) device for air spring fitted in bg, icf, lhb, hybrid, double decker. the air spring will be mounted on the bogie for railway rolling stock to suppress the vibration of rolling
stock and. Air Spring Rdso.
From www.slideshare.net
Maintenance instructions on Air Suspension RDSO 2009CGCMI01 Air Spring Rdso It has been decided to rationalize and ease. air spring assembly (120 kn capacity) for lhb coaches for fiat type bogies. air spring failure indication cum brake application (fiba) device for air spring fitted in bg, icf, lhb, hybrid, double decker. air suspension, also called pneumatic suspension, uses the properties of air for the cushioning effect (springiness).. Air Spring Rdso.
From plantronicst10buyonline.blogspot.com
Air Spring Suspension In Indian Railways Air Spring Rdso air spring failure indication cum brake application (fiba) device for air spring fitted in bg, icf, lhb, hybrid, double decker. the air spring will be mounted on the bogie for railway rolling stock to suppress the vibration of rolling
stock and offer a comfortable ride. This document provides maintenance instructions for air suspension systems. air spring assembly. Air Spring Rdso.
From www.slideshare.net
Air springs rdso 2009cgcmi01 PDF Air Spring Rdso air suspension, also called pneumatic suspension, uses the properties of air for the cushioning effect (springiness). air spring failure indication cum brake application (fiba) device for air spring fitted in bg, icf, lhb, hybrid, double decker. the air spring will be mounted on the bogie for railway rolling stock to suppress the vibration of rolling
stock and. Air Spring Rdso.
From ziqunauto.en.made-in-china.com
Suspension System Front and Rear Air Springs Truck Seats Airbags Shock Air Spring Rdso air spring assembly (120 kn capacity) for lhb coaches for fiat type bogies. It has been decided to rationalize and ease. air suspension, also called pneumatic suspension, uses the properties of air for the cushioning effect (springiness). This document provides maintenance instructions for air suspension systems. the air spring will be mounted on the bogie for railway. Air Spring Rdso.
From www.youtube.com
Air Springs , It's Functioning and Procedure of Testing. YouTube Air Spring Rdso It has been decided to rationalize and ease. This document provides maintenance instructions for air suspension systems. air spring assembly (120 kn capacity) for lhb coaches for fiat type bogies. air suspension, also called pneumatic suspension, uses the properties of air for the cushioning effect (springiness). the air spring will be mounted on the bogie for railway. Air Spring Rdso.
From plantronicst10buyonline.blogspot.com
Air Spring Suspension In Indian Railways Air Spring Rdso air spring failure indication cum brake application (fiba) device for air spring fitted in bg, icf, lhb, hybrid, double decker. This document provides maintenance instructions for air suspension systems. the air spring will be mounted on the bogie for railway rolling stock to suppress the vibration of rolling
stock and offer a comfortable ride. air spring assembly. Air Spring Rdso.
From www.slideshare.net
Maintenance instructions on Air Suspension RDSO 2009CGCMI01 Air Spring Rdso air spring assembly (120 kn capacity) for lhb coaches for fiat type bogies. the air spring will be mounted on the bogie for railway rolling stock to suppress the vibration of rolling
stock and offer a comfortable ride. air spring failure indication cum brake application (fiba) device for air spring fitted in bg, icf, lhb, hybrid, double. Air Spring Rdso.
From www.qualitycarparts.com.au
2Pcs Rear Air Spring Shock Absorber for W251 V251 R300 R350 R500 R63 Air Spring Rdso air spring failure indication cum brake application (fiba) device for air spring fitted in bg, icf, lhb, hybrid, double decker. air spring assembly (120 kn capacity) for lhb coaches for fiat type bogies. This document provides maintenance instructions for air suspension systems. air suspension, also called pneumatic suspension, uses the properties of air for the cushioning effect. Air Spring Rdso.
From www.slideshare.net
Air springs rdso 2009cgcmi01 Air Spring Rdso air spring assembly (120 kn capacity) for lhb coaches for fiat type bogies. It has been decided to rationalize and ease. air suspension, also called pneumatic suspension, uses the properties of air for the cushioning effect (springiness). air spring failure indication cum brake application (fiba) device for air spring fitted in bg, icf, lhb, hybrid, double decker.. Air Spring Rdso.
From www.alibaba.com
Factory Manufacture Air Suspension Air Spring For Kia Rio Shock Air Spring Rdso It has been decided to rationalize and ease. the air spring will be mounted on the bogie for railway rolling stock to suppress the vibration of rolling
stock and offer a comfortable ride. air spring assembly (120 kn capacity) for lhb coaches for fiat type bogies. This document provides maintenance instructions for air suspension systems. air spring. Air Spring Rdso.
From www.slideshare.net
Air springs rdso 2009cgcmi01 Air Spring Rdso This document provides maintenance instructions for air suspension systems. air spring failure indication cum brake application (fiba) device for air spring fitted in bg, icf, lhb, hybrid, double decker. It has been decided to rationalize and ease. air spring assembly (120 kn capacity) for lhb coaches for fiat type bogies. air suspension, also called pneumatic suspension, uses. Air Spring Rdso.
From www.truckpro.com
SP558864KP Sampa Air Spring TruckPro Air Spring Rdso air spring failure indication cum brake application (fiba) device for air spring fitted in bg, icf, lhb, hybrid, double decker. the air spring will be mounted on the bogie for railway rolling stock to suppress the vibration of rolling
stock and offer a comfortable ride. It has been decided to rationalize and ease. This document provides maintenance instructions. Air Spring Rdso.
From www.slideshare.net
Air springs rdso 2009cgcmi01 Air Spring Rdso This document provides maintenance instructions for air suspension systems. air suspension, also called pneumatic suspension, uses the properties of air for the cushioning effect (springiness). the air spring will be mounted on the bogie for railway rolling stock to suppress the vibration of rolling
stock and offer a comfortable ride. It has been decided to rationalize and ease.. Air Spring Rdso.
From www.slideshare.net
Maintenance instructions on Air Suspension RDSO 2009CGCMI01 Air Spring Rdso This document provides maintenance instructions for air suspension systems. air spring failure indication cum brake application (fiba) device for air spring fitted in bg, icf, lhb, hybrid, double decker. It has been decided to rationalize and ease. air suspension, also called pneumatic suspension, uses the properties of air for the cushioning effect (springiness). the air spring will. Air Spring Rdso.
From www.slideshare.net
Maintenance instructions on Air Suspension RDSO 2009CGCMI01 Air Spring Rdso air spring assembly (120 kn capacity) for lhb coaches for fiat type bogies. the air spring will be mounted on the bogie for railway rolling stock to suppress the vibration of rolling
stock and offer a comfortable ride. air suspension, also called pneumatic suspension, uses the properties of air for the cushioning effect (springiness). This document provides. Air Spring Rdso.
From www.slideshare.net
Air springs rdso 2009cgcmi01 Air Spring Rdso It has been decided to rationalize and ease. the air spring will be mounted on the bogie for railway rolling stock to suppress the vibration of rolling
stock and offer a comfortable ride. air spring failure indication cum brake application (fiba) device for air spring fitted in bg, icf, lhb, hybrid, double decker. This document provides maintenance instructions. Air Spring Rdso.
From einvoice.fpt.com.vn
Air Springs Selection Guide Types, Features, Applications, 51 OFF Air Spring Rdso This document provides maintenance instructions for air suspension systems. the air spring will be mounted on the bogie for railway rolling stock to suppress the vibration of rolling
stock and offer a comfortable ride. air spring failure indication cum brake application (fiba) device for air spring fitted in bg, icf, lhb, hybrid, double decker. air spring assembly. Air Spring Rdso.
From www.scribd.com
Rdso Guideline PDF Air Spring Rdso the air spring will be mounted on the bogie for railway rolling stock to suppress the vibration of rolling
stock and offer a comfortable ride. This document provides maintenance instructions for air suspension systems. air suspension, also called pneumatic suspension, uses the properties of air for the cushioning effect (springiness). It has been decided to rationalize and ease.. Air Spring Rdso.
From www.slideshare.net
Maintenance instructions on Air Suspension RDSO 2009CGCMI01 Air Spring Rdso air spring assembly (120 kn capacity) for lhb coaches for fiat type bogies. It has been decided to rationalize and ease. air spring failure indication cum brake application (fiba) device for air spring fitted in bg, icf, lhb, hybrid, double decker. the air spring will be mounted on the bogie for railway rolling stock to suppress the. Air Spring Rdso.