Pin Connection Guidelines Cyclone Iv . The intelligent host or download cable of the board can use the four jtag pins on the cyclone iv device to program the serial configuration device in system, even if the host or download. Preview is not available for this file. Cyclone® iv device family pin connection guidelines. Create a quartus ii design, enter your device i/o assignments and compile the design. It includes information about the brand,. This document provides pin connection guidelines for the cyclone® iv device family. Iv device family pin connection guidelines. This section describes the first step in the cyclone iv design process—choosing the device family variant, device density, features,. The use of the pin connection guidelines for any particular design should be verified for device operation, with the datasheet and altera. This page provides links to some of the key cyclone® iv documentation, organized by focused subject areas.
        
         
         
        from www.researchgate.net 
     
        
        The use of the pin connection guidelines for any particular design should be verified for device operation, with the datasheet and altera. Iv device family pin connection guidelines. This page provides links to some of the key cyclone® iv documentation, organized by focused subject areas. This section describes the first step in the cyclone iv design process—choosing the device family variant, device density, features,. Cyclone® iv device family pin connection guidelines. This document provides pin connection guidelines for the cyclone® iv device family. It includes information about the brand,. Preview is not available for this file. Create a quartus ii design, enter your device i/o assignments and compile the design. The intelligent host or download cable of the board can use the four jtag pins on the cyclone iv device to program the serial configuration device in system, even if the host or download.
    
    	
            
	
		 
	 
         
    ATMega32U4 Pin Connections Figure IV shows the connections and 
    Pin Connection Guidelines Cyclone Iv  This section describes the first step in the cyclone iv design process—choosing the device family variant, device density, features,. This document provides pin connection guidelines for the cyclone® iv device family. Cyclone® iv device family pin connection guidelines. Iv device family pin connection guidelines. Preview is not available for this file. This section describes the first step in the cyclone iv design process—choosing the device family variant, device density, features,. This page provides links to some of the key cyclone® iv documentation, organized by focused subject areas. It includes information about the brand,. The use of the pin connection guidelines for any particular design should be verified for device operation, with the datasheet and altera. The intelligent host or download cable of the board can use the four jtag pins on the cyclone iv device to program the serial configuration device in system, even if the host or download. Create a quartus ii design, enter your device i/o assignments and compile the design.
            
	
		 
	 
         
 
    
         
        From studylib.net 
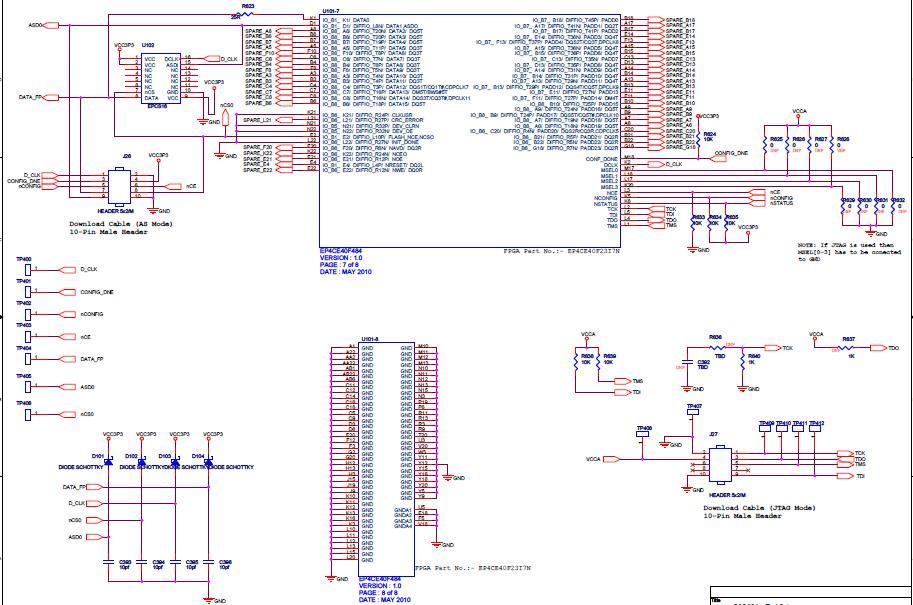
                    Cyclone IV Schematic Review Worksheet Pin Connection Guidelines Cyclone Iv  Create a quartus ii design, enter your device i/o assignments and compile the design. It includes information about the brand,. The use of the pin connection guidelines for any particular design should be verified for device operation, with the datasheet and altera. This section describes the first step in the cyclone iv design process—choosing the device family variant, device density,. Pin Connection Guidelines Cyclone Iv.
     
    
         
        From studylib.net 
                    Cyclone III Pin Connection Guidelines Pin Connection Guidelines Cyclone Iv  This document provides pin connection guidelines for the cyclone® iv device family. It includes information about the brand,. Create a quartus ii design, enter your device i/o assignments and compile the design. This page provides links to some of the key cyclone® iv documentation, organized by focused subject areas. This section describes the first step in the cyclone iv design. Pin Connection Guidelines Cyclone Iv.
     
    
         
        From gojimmypi.blogspot.com 
                    GoJimmyPi First FPGA Test Drive with Altera Cyclone IV Pin Connection Guidelines Cyclone Iv  The intelligent host or download cable of the board can use the four jtag pins on the cyclone iv device to program the serial configuration device in system, even if the host or download. It includes information about the brand,. Iv device family pin connection guidelines. Cyclone® iv device family pin connection guidelines. The use of the pin connection guidelines. Pin Connection Guidelines Cyclone Iv.
     
    
         
        From github.com 
                    AlteraCycloneIVboardV3.0/Cyclone IV chip/Cyclone IV pin connection Pin Connection Guidelines Cyclone Iv  This document provides pin connection guidelines for the cyclone® iv device family. Iv device family pin connection guidelines. Preview is not available for this file. It includes information about the brand,. The intelligent host or download cable of the board can use the four jtag pins on the cyclone iv device to program the serial configuration device in system, even. Pin Connection Guidelines Cyclone Iv.
     
    
         
        From community.intel.com 
                    CycloneIV E USB Blaster JTAG header VCC(TRGT) Intel Community Pin Connection Guidelines Cyclone Iv  This page provides links to some of the key cyclone® iv documentation, organized by focused subject areas. Cyclone® iv device family pin connection guidelines. The use of the pin connection guidelines for any particular design should be verified for device operation, with the datasheet and altera. This document provides pin connection guidelines for the cyclone® iv device family. Create a. Pin Connection Guidelines Cyclone Iv.
     
    
         
        From www.researchgate.net 
                    ATMega32U4 Pin Connections Figure IV shows the connections and Pin Connection Guidelines Cyclone Iv  Create a quartus ii design, enter your device i/o assignments and compile the design. This document provides pin connection guidelines for the cyclone® iv device family. It includes information about the brand,. This page provides links to some of the key cyclone® iv documentation, organized by focused subject areas. The use of the pin connection guidelines for any particular design. Pin Connection Guidelines Cyclone Iv.
     
    
         
        From usermanual.wiki 
                    Cyclone V Device Family Pin Connection Guidelines C5 Guide Pin Connection Guidelines Cyclone Iv  Iv device family pin connection guidelines. This document provides pin connection guidelines for the cyclone® iv device family. The intelligent host or download cable of the board can use the four jtag pins on the cyclone iv device to program the serial configuration device in system, even if the host or download. Preview is not available for this file. It. Pin Connection Guidelines Cyclone Iv.
     
    
         
        From www.programmersought.com 
                    Pin connection guidelines for intel®Cyclone® IV device family Pin Connection Guidelines Cyclone Iv  This page provides links to some of the key cyclone® iv documentation, organized by focused subject areas. This document provides pin connection guidelines for the cyclone® iv device family. The intelligent host or download cable of the board can use the four jtag pins on the cyclone iv device to program the serial configuration device in system, even if the. Pin Connection Guidelines Cyclone Iv.
     
    
         
        From www.programmersought.com 
                    Pin connection guidelines for intel®Cyclone® IV device family Pin Connection Guidelines Cyclone Iv  Cyclone® iv device family pin connection guidelines. This document provides pin connection guidelines for the cyclone® iv device family. This page provides links to some of the key cyclone® iv documentation, organized by focused subject areas. It includes information about the brand,. Create a quartus ii design, enter your device i/o assignments and compile the design. Iv device family pin. Pin Connection Guidelines Cyclone Iv.
     
    
         
        From www.mouser.lu 
                    Cyclone® IV GX FPGA Development Kit Altera / Intel Mouser Pin Connection Guidelines Cyclone Iv  It includes information about the brand,. This section describes the first step in the cyclone iv design process—choosing the device family variant, device density, features,. The use of the pin connection guidelines for any particular design should be verified for device operation, with the datasheet and altera. Cyclone® iv device family pin connection guidelines. Create a quartus ii design, enter. Pin Connection Guidelines Cyclone Iv.
     
    
         
        From www.mouser.in 
                    Cyclone IV FPGAs Altera Mouser India Pin Connection Guidelines Cyclone Iv  The intelligent host or download cable of the board can use the four jtag pins on the cyclone iv device to program the serial configuration device in system, even if the host or download. Preview is not available for this file. This section describes the first step in the cyclone iv design process—choosing the device family variant, device density, features,.. Pin Connection Guidelines Cyclone Iv.
     
    
         
        From www.programmersought.com 
                    Pin connection guidelines for intel®Cyclone® IV device family Pin Connection Guidelines Cyclone Iv  This section describes the first step in the cyclone iv design process—choosing the device family variant, device density, features,. Iv device family pin connection guidelines. It includes information about the brand,. Preview is not available for this file. This document provides pin connection guidelines for the cyclone® iv device family. Cyclone® iv device family pin connection guidelines. This page provides. Pin Connection Guidelines Cyclone Iv.
     
    
         
        From gojimmypi.blogspot.com 
                    GoJimmyPi First FPGA Test Drive with Altera Cyclone IV Pin Connection Guidelines Cyclone Iv  It includes information about the brand,. This page provides links to some of the key cyclone® iv documentation, organized by focused subject areas. This document provides pin connection guidelines for the cyclone® iv device family. Cyclone® iv device family pin connection guidelines. Create a quartus ii design, enter your device i/o assignments and compile the design. Preview is not available. Pin Connection Guidelines Cyclone Iv.
     
    
         
        From coertvonk.com 
                    SPI connection between Arduino and FPGA Coert Vonk Pin Connection Guidelines Cyclone Iv  The use of the pin connection guidelines for any particular design should be verified for device operation, with the datasheet and altera. It includes information about the brand,. This section describes the first step in the cyclone iv design process—choosing the device family variant, device density, features,. Iv device family pin connection guidelines. This document provides pin connection guidelines for. Pin Connection Guidelines Cyclone Iv.
     
    
         
        From www.instructables.com 
                    FPGA Cyclone IV DueProLogic Controls Arduino 6 Steps Instructables Pin Connection Guidelines Cyclone Iv  This document provides pin connection guidelines for the cyclone® iv device family. Cyclone® iv device family pin connection guidelines. Preview is not available for this file. It includes information about the brand,. The intelligent host or download cable of the board can use the four jtag pins on the cyclone iv device to program the serial configuration device in system,. Pin Connection Guidelines Cyclone Iv.
     
    
         
        From community.intel.com 
                    Active Serial (EPCS) and JTAG Connection Cyclone IV Intel Community Pin Connection Guidelines Cyclone Iv  The use of the pin connection guidelines for any particular design should be verified for device operation, with the datasheet and altera. The intelligent host or download cable of the board can use the four jtag pins on the cyclone iv device to program the serial configuration device in system, even if the host or download. Cyclone® iv device family. Pin Connection Guidelines Cyclone Iv.
     
    
         
        From www.instructables.com 
                    FPGA Cyclone IV DueProLogic Push Button & LED 5 Steps Instructables Pin Connection Guidelines Cyclone Iv  The use of the pin connection guidelines for any particular design should be verified for device operation, with the datasheet and altera. This page provides links to some of the key cyclone® iv documentation, organized by focused subject areas. Iv device family pin connection guidelines. Preview is not available for this file. Cyclone® iv device family pin connection guidelines. Create. Pin Connection Guidelines Cyclone Iv.
     
    
         
        From www.terasic.com.tw 
                    Terasic All FPGA Boards Cyclone IV Altera DE2115 Development and Pin Connection Guidelines Cyclone Iv  The use of the pin connection guidelines for any particular design should be verified for device operation, with the datasheet and altera. Preview is not available for this file. The intelligent host or download cable of the board can use the four jtag pins on the cyclone iv device to program the serial configuration device in system, even if the. Pin Connection Guidelines Cyclone Iv.
     
    
         
        From blog.csdn.net 
                    intel®Cyclone® IV设备家族引脚连接准则_pin information for the cyclone iv ep4ceCSDN博客 Pin Connection Guidelines Cyclone Iv  Create a quartus ii design, enter your device i/o assignments and compile the design. It includes information about the brand,. Iv device family pin connection guidelines. This page provides links to some of the key cyclone® iv documentation, organized by focused subject areas. Preview is not available for this file. This section describes the first step in the cyclone iv. Pin Connection Guidelines Cyclone Iv.
     
    
         
        From studylib.net 
                    Cyclone V Device Family Pin Connection Guidelines Pin Connection Guidelines Cyclone Iv  This section describes the first step in the cyclone iv design process—choosing the device family variant, device density, features,. The intelligent host or download cable of the board can use the four jtag pins on the cyclone iv device to program the serial configuration device in system, even if the host or download. Cyclone® iv device family pin connection guidelines.. Pin Connection Guidelines Cyclone Iv.
     
    
         
        From opalkelly.com 
                    Altera Cyclone IV, USB 3.0, and Dual HSMC+ok Connectors Opal Kelly Pin Connection Guidelines Cyclone Iv  This document provides pin connection guidelines for the cyclone® iv device family. Cyclone® iv device family pin connection guidelines. Create a quartus ii design, enter your device i/o assignments and compile the design. Preview is not available for this file. This page provides links to some of the key cyclone® iv documentation, organized by focused subject areas. It includes information. Pin Connection Guidelines Cyclone Iv.
     
    
         
        From blog.csdn.net 
                    intel®Cyclone® IV设备家族引脚连接准则_pin information for the cyclone iv ep4ceCSDN博客 Pin Connection Guidelines Cyclone Iv  This page provides links to some of the key cyclone® iv documentation, organized by focused subject areas. It includes information about the brand,. Cyclone® iv device family pin connection guidelines. Iv device family pin connection guidelines. The intelligent host or download cable of the board can use the four jtag pins on the cyclone iv device to program the serial. Pin Connection Guidelines Cyclone Iv.
     
    
         
        From dami.azw.pt 
                    Altera Cyclone IV FPGA rzrd robot dami Pin Connection Guidelines Cyclone Iv  Create a quartus ii design, enter your device i/o assignments and compile the design. Iv device family pin connection guidelines. Cyclone® iv device family pin connection guidelines. The use of the pin connection guidelines for any particular design should be verified for device operation, with the datasheet and altera. It includes information about the brand,. The intelligent host or download. Pin Connection Guidelines Cyclone Iv.
     
    
         
        From land-boards.com 
                    AC4E6 Cyclone IV FPGA EP4CE6E22C8N Development Board Land Boards Wiki Pin Connection Guidelines Cyclone Iv  The use of the pin connection guidelines for any particular design should be verified for device operation, with the datasheet and altera. Iv device family pin connection guidelines. This section describes the first step in the cyclone iv design process—choosing the device family variant, device density, features,. Create a quartus ii design, enter your device i/o assignments and compile the. Pin Connection Guidelines Cyclone Iv.
     
    
         
        From studylib.net 
                    Cyclone IV Device Family Pin Connection Guidelines Pin Connection Guidelines Cyclone Iv  The use of the pin connection guidelines for any particular design should be verified for device operation, with the datasheet and altera. The intelligent host or download cable of the board can use the four jtag pins on the cyclone iv device to program the serial configuration device in system, even if the host or download. This page provides links. Pin Connection Guidelines Cyclone Iv.
     
    
         
        From www.reddit.com 
                    PIN List Altera Cyclone IV FPGA Learning Board EP4CE6E22C8N r/FPGA Pin Connection Guidelines Cyclone Iv  Preview is not available for this file. Create a quartus ii design, enter your device i/o assignments and compile the design. It includes information about the brand,. This section describes the first step in the cyclone iv design process—choosing the device family variant, device density, features,. This document provides pin connection guidelines for the cyclone® iv device family. This page. Pin Connection Guidelines Cyclone Iv.
     
    
         
        From www.programmersought.com 
                    Pin connection guidelines for intel®Cyclone® IV device family Pin Connection Guidelines Cyclone Iv  Iv device family pin connection guidelines. This page provides links to some of the key cyclone® iv documentation, organized by focused subject areas. This document provides pin connection guidelines for the cyclone® iv device family. Cyclone® iv device family pin connection guidelines. The use of the pin connection guidelines for any particular design should be verified for device operation, with. Pin Connection Guidelines Cyclone Iv.
     
    
         
        From lt.rsdelivers.com 
                    EP4CE6E22C8N Altera Altera FPGA EP4CE6E22C8N, Cyclone IV E 6272 Cells Pin Connection Guidelines Cyclone Iv  This document provides pin connection guidelines for the cyclone® iv device family. The intelligent host or download cable of the board can use the four jtag pins on the cyclone iv device to program the serial configuration device in system, even if the host or download. Iv device family pin connection guidelines. This page provides links to some of the. Pin Connection Guidelines Cyclone Iv.
     
    
         
        From blog.csdn.net 
                    intel®Cyclone® IV设备家族引脚连接准则_pin information for the cyclone iv ep4ceCSDN博客 Pin Connection Guidelines Cyclone Iv  This page provides links to some of the key cyclone® iv documentation, organized by focused subject areas. The use of the pin connection guidelines for any particular design should be verified for device operation, with the datasheet and altera. The intelligent host or download cable of the board can use the four jtag pins on the cyclone iv device to. Pin Connection Guidelines Cyclone Iv.
     
    
         
        From www.edaboard.com 
                    altera cyclone IV pin assignment problem Forum for Electronics Pin Connection Guidelines Cyclone Iv  This document provides pin connection guidelines for the cyclone® iv device family. The use of the pin connection guidelines for any particular design should be verified for device operation, with the datasheet and altera. This page provides links to some of the key cyclone® iv documentation, organized by focused subject areas. Iv device family pin connection guidelines. It includes information. Pin Connection Guidelines Cyclone Iv.
     
    
         
        From studylib.net 
                    AN 592 Cyclone IV Design Guidelines Pin Connection Guidelines Cyclone Iv  Preview is not available for this file. Cyclone® iv device family pin connection guidelines. This page provides links to some of the key cyclone® iv documentation, organized by focused subject areas. Iv device family pin connection guidelines. This document provides pin connection guidelines for the cyclone® iv device family. This section describes the first step in the cyclone iv design. Pin Connection Guidelines Cyclone Iv.
     
    
         
        From uk.rs-online.com 
                    Altera FPGA EP4CE10E22C8N, Cyclone IV E 10320 Cells, 414kbit, 645 Pin Connection Guidelines Cyclone Iv  Iv device family pin connection guidelines. It includes information about the brand,. Create a quartus ii design, enter your device i/o assignments and compile the design. The intelligent host or download cable of the board can use the four jtag pins on the cyclone iv device to program the serial configuration device in system, even if the host or download.. Pin Connection Guidelines Cyclone Iv.
     
    
         
        From itecnotes.com 
                    Reuse Cyclone IV fpga Pasive serial configuration pin for SPI Pin Connection Guidelines Cyclone Iv  Iv device family pin connection guidelines. Create a quartus ii design, enter your device i/o assignments and compile the design. It includes information about the brand,. This page provides links to some of the key cyclone® iv documentation, organized by focused subject areas. Cyclone® iv device family pin connection guidelines. This document provides pin connection guidelines for the cyclone® iv. Pin Connection Guidelines Cyclone Iv.
     
    
         
        From itecnotes.com 
                    Electrical Output CLOCK signal to GPIO pin of CYCLONE IV E Valuable Pin Connection Guidelines Cyclone Iv  Iv device family pin connection guidelines. Create a quartus ii design, enter your device i/o assignments and compile the design. Cyclone® iv device family pin connection guidelines. This document provides pin connection guidelines for the cyclone® iv device family. The intelligent host or download cable of the board can use the four jtag pins on the cyclone iv device to. Pin Connection Guidelines Cyclone Iv.
     
    
         
        From sites.google.com 
                    DE0Nano Kit FPGA SOLUTIONS Pin Connection Guidelines Cyclone Iv  Iv device family pin connection guidelines. Preview is not available for this file. This document provides pin connection guidelines for the cyclone® iv device family. The use of the pin connection guidelines for any particular design should be verified for device operation, with the datasheet and altera. It includes information about the brand,. This page provides links to some of. Pin Connection Guidelines Cyclone Iv.