Makita Chop Saw Parts Uk . Spares parts for makita rotary percussion and diamond core drills, stone cutters, wall chasers, wet stone polishers, mixers, and concrete. Questions or need help ordering? From band saws, to table saws;. Our extensive range of replacement parts and accessories covers a range of models from the makita brand. Shop for genuine makita chop saw from top manufacturers. In these categories it will show you all the makita break down drawing / diagrams for your model number, ranging from the bpj140 biscuit. There are currently delays for black & decker / dewalt / stanley spare. We've got the diagram and parts list, the replacement parts and the experienced advice to help you do. Need to repair your makita chop saw parts? Easily filter our makita chop saw to find the exact replacement you need. Please rest assured that we stock a large selection of spare parts for these brands and will do everything we can to minimise delays.
from www.jackssmallengines.com
We've got the diagram and parts list, the replacement parts and the experienced advice to help you do. Shop for genuine makita chop saw from top manufacturers. There are currently delays for black & decker / dewalt / stanley spare. Our extensive range of replacement parts and accessories covers a range of models from the makita brand. Questions or need help ordering? In these categories it will show you all the makita break down drawing / diagrams for your model number, ranging from the bpj140 biscuit. Spares parts for makita rotary percussion and diamond core drills, stone cutters, wall chasers, wet stone polishers, mixers, and concrete. Easily filter our makita chop saw to find the exact replacement you need. Need to repair your makita chop saw parts? Please rest assured that we stock a large selection of spare parts for these brands and will do everything we can to minimise delays.
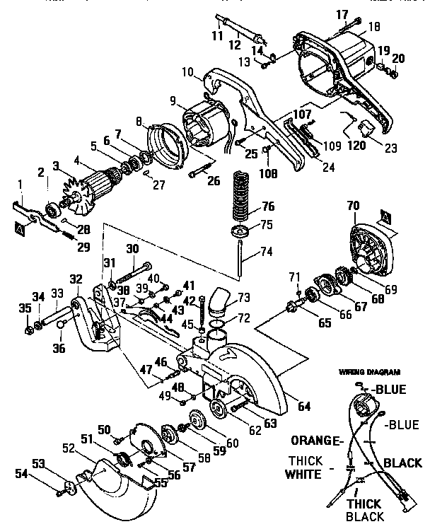
Makita LS1011 Parts Diagram for Assembly 1
Makita Chop Saw Parts Uk Shop for genuine makita chop saw from top manufacturers. There are currently delays for black & decker / dewalt / stanley spare. From band saws, to table saws;. Need to repair your makita chop saw parts? In these categories it will show you all the makita break down drawing / diagrams for your model number, ranging from the bpj140 biscuit. Spares parts for makita rotary percussion and diamond core drills, stone cutters, wall chasers, wet stone polishers, mixers, and concrete. Please rest assured that we stock a large selection of spare parts for these brands and will do everything we can to minimise delays. Our extensive range of replacement parts and accessories covers a range of models from the makita brand. We've got the diagram and parts list, the replacement parts and the experienced advice to help you do. Shop for genuine makita chop saw from top manufacturers. Easily filter our makita chop saw to find the exact replacement you need. Questions or need help ordering?
From reviewmotors.co
Makita Chop Saw Parts List Reviewmotors.co Makita Chop Saw Parts Uk In these categories it will show you all the makita break down drawing / diagrams for your model number, ranging from the bpj140 biscuit. Easily filter our makita chop saw to find the exact replacement you need. Shop for genuine makita chop saw from top manufacturers. Need to repair your makita chop saw parts? There are currently delays for black. Makita Chop Saw Parts Uk.
From reviewmotors.co
Makita Chop Saw Parts List Reviewmotors.co Makita Chop Saw Parts Uk Questions or need help ordering? Spares parts for makita rotary percussion and diamond core drills, stone cutters, wall chasers, wet stone polishers, mixers, and concrete. From band saws, to table saws;. We've got the diagram and parts list, the replacement parts and the experienced advice to help you do. Shop for genuine makita chop saw from top manufacturers. There are. Makita Chop Saw Parts Uk.
From reviewmotors.co
Makita Chop Saw Parts List Reviewmotors.co Makita Chop Saw Parts Uk Our extensive range of replacement parts and accessories covers a range of models from the makita brand. Easily filter our makita chop saw to find the exact replacement you need. Questions or need help ordering? Spares parts for makita rotary percussion and diamond core drills, stone cutters, wall chasers, wet stone polishers, mixers, and concrete. There are currently delays for. Makita Chop Saw Parts Uk.
From s3.amazonaws.com
Dewalt 20v compact drill driver, makita chop saw spare parts Makita Chop Saw Parts Uk Spares parts for makita rotary percussion and diamond core drills, stone cutters, wall chasers, wet stone polishers, mixers, and concrete. Shop for genuine makita chop saw from top manufacturers. Need to repair your makita chop saw parts? Easily filter our makita chop saw to find the exact replacement you need. Our extensive range of replacement parts and accessories covers a. Makita Chop Saw Parts Uk.
From www.ereplacementparts.com
Makita 2414B Parts List and Diagram Makita Chop Saw Parts Uk Spares parts for makita rotary percussion and diamond core drills, stone cutters, wall chasers, wet stone polishers, mixers, and concrete. In these categories it will show you all the makita break down drawing / diagrams for your model number, ranging from the bpj140 biscuit. From band saws, to table saws;. Easily filter our makita chop saw to find the exact. Makita Chop Saw Parts Uk.
From www.mmtoolparts.com
Makita ls1216l Parts 12Inch Dual Slide Compound Miter Saw Makita Makita Chop Saw Parts Uk Please rest assured that we stock a large selection of spare parts for these brands and will do everything we can to minimise delays. Shop for genuine makita chop saw from top manufacturers. Our extensive range of replacement parts and accessories covers a range of models from the makita brand. We've got the diagram and parts list, the replacement parts. Makita Chop Saw Parts Uk.
From reviewmotors.co
Makita Chop Saw Parts List Reviewmotors.co Makita Chop Saw Parts Uk Spares parts for makita rotary percussion and diamond core drills, stone cutters, wall chasers, wet stone polishers, mixers, and concrete. There are currently delays for black & decker / dewalt / stanley spare. From band saws, to table saws;. We've got the diagram and parts list, the replacement parts and the experienced advice to help you do. Easily filter our. Makita Chop Saw Parts Uk.
From reviewmotors.co
Makita Chop Saw Parts List Reviewmotors.co Makita Chop Saw Parts Uk In these categories it will show you all the makita break down drawing / diagrams for your model number, ranging from the bpj140 biscuit. Our extensive range of replacement parts and accessories covers a range of models from the makita brand. There are currently delays for black & decker / dewalt / stanley spare. From band saws, to table saws;.. Makita Chop Saw Parts Uk.
From reviewmotors.co
Makita Chop Saw Parts List Reviewmotors.co Makita Chop Saw Parts Uk Easily filter our makita chop saw to find the exact replacement you need. Need to repair your makita chop saw parts? Spares parts for makita rotary percussion and diamond core drills, stone cutters, wall chasers, wet stone polishers, mixers, and concrete. Shop for genuine makita chop saw from top manufacturers. There are currently delays for black & decker / dewalt. Makita Chop Saw Parts Uk.
From www.partshopdirect.co.uk
Makita LS1013 Spare Parts Part Shop Direct Makita Chop Saw Parts Uk Need to repair your makita chop saw parts? In these categories it will show you all the makita break down drawing / diagrams for your model number, ranging from the bpj140 biscuit. Spares parts for makita rotary percussion and diamond core drills, stone cutters, wall chasers, wet stone polishers, mixers, and concrete. Questions or need help ordering? Easily filter our. Makita Chop Saw Parts Uk.
From www.ereplacementparts.com
Makita LS1016 Parts List and Diagram Makita Chop Saw Parts Uk Our extensive range of replacement parts and accessories covers a range of models from the makita brand. Shop for genuine makita chop saw from top manufacturers. Spares parts for makita rotary percussion and diamond core drills, stone cutters, wall chasers, wet stone polishers, mixers, and concrete. Questions or need help ordering? We've got the diagram and parts list, the replacement. Makita Chop Saw Parts Uk.
From reviewmotors.co
Makita Chop Saw Parts List Reviewmotors.co Makita Chop Saw Parts Uk Our extensive range of replacement parts and accessories covers a range of models from the makita brand. Questions or need help ordering? From band saws, to table saws;. Spares parts for makita rotary percussion and diamond core drills, stone cutters, wall chasers, wet stone polishers, mixers, and concrete. Need to repair your makita chop saw parts? There are currently delays. Makita Chop Saw Parts Uk.
From reviewmotors.co
Makita Chop Saw Parts List Reviewmotors.co Makita Chop Saw Parts Uk Please rest assured that we stock a large selection of spare parts for these brands and will do everything we can to minimise delays. From band saws, to table saws;. Shop for genuine makita chop saw from top manufacturers. There are currently delays for black & decker / dewalt / stanley spare. Easily filter our makita chop saw to find. Makita Chop Saw Parts Uk.
From www.datapowertools.co.uk
Makita B10665 14" Metal Chop Saw Disc Makita Chop Saw Parts Uk From band saws, to table saws;. Questions or need help ordering? We've got the diagram and parts list, the replacement parts and the experienced advice to help you do. In these categories it will show you all the makita break down drawing / diagrams for your model number, ranging from the bpj140 biscuit. Please rest assured that we stock a. Makita Chop Saw Parts Uk.
From www.pulsefixings.co.uk
Cutting Discs 14" MAKITA CHOPSAW BLADE METAL Pulse Fixings 2000 Ltd Makita Chop Saw Parts Uk Spares parts for makita rotary percussion and diamond core drills, stone cutters, wall chasers, wet stone polishers, mixers, and concrete. In these categories it will show you all the makita break down drawing / diagrams for your model number, ranging from the bpj140 biscuit. Need to repair your makita chop saw parts? We've got the diagram and parts list, the. Makita Chop Saw Parts Uk.
From www.for-sale.co.uk
Makita Chop Saw for sale in UK 74 used Makita Chop Saws Makita Chop Saw Parts Uk Easily filter our makita chop saw to find the exact replacement you need. There are currently delays for black & decker / dewalt / stanley spare. We've got the diagram and parts list, the replacement parts and the experienced advice to help you do. Need to repair your makita chop saw parts? From band saws, to table saws;. Shop for. Makita Chop Saw Parts Uk.
From www.mmtoolparts.com
Makita lc1230 Parts Chop Saw Makita Chop Saw Parts Makita Parts Makita Chop Saw Parts Uk Easily filter our makita chop saw to find the exact replacement you need. Shop for genuine makita chop saw from top manufacturers. From band saws, to table saws;. Please rest assured that we stock a large selection of spare parts for these brands and will do everything we can to minimise delays. Need to repair your makita chop saw parts?. Makita Chop Saw Parts Uk.
From www.partshopdirect.co.uk
Makita LW1400 110 & 240 Volt 355mm Portable Metal Cutting Cutoff Chop Makita Chop Saw Parts Uk There are currently delays for black & decker / dewalt / stanley spare. In these categories it will show you all the makita break down drawing / diagrams for your model number, ranging from the bpj140 biscuit. Spares parts for makita rotary percussion and diamond core drills, stone cutters, wall chasers, wet stone polishers, mixers, and concrete. Shop for genuine. Makita Chop Saw Parts Uk.
From www.mmtoolparts.com
LS1219L Makita Miter Saw Parts Makita Miter Saw Parts Makita Parts Makita Chop Saw Parts Uk Need to repair your makita chop saw parts? Spares parts for makita rotary percussion and diamond core drills, stone cutters, wall chasers, wet stone polishers, mixers, and concrete. From band saws, to table saws;. Questions or need help ordering? Our extensive range of replacement parts and accessories covers a range of models from the makita brand. We've got the diagram. Makita Chop Saw Parts Uk.
From www.mmtoolparts.com
Makita 2414nb Parts Chop Saw Makita Chop Saw Parts Makita Parts Makita Chop Saw Parts Uk Need to repair your makita chop saw parts? Shop for genuine makita chop saw from top manufacturers. Questions or need help ordering? We've got the diagram and parts list, the replacement parts and the experienced advice to help you do. There are currently delays for black & decker / dewalt / stanley spare. From band saws, to table saws;. Please. Makita Chop Saw Parts Uk.
From reviewmotors.co
Makita Chop Saw Parts List Reviewmotors.co Makita Chop Saw Parts Uk Easily filter our makita chop saw to find the exact replacement you need. Please rest assured that we stock a large selection of spare parts for these brands and will do everything we can to minimise delays. Need to repair your makita chop saw parts? Shop for genuine makita chop saw from top manufacturers. Spares parts for makita rotary percussion. Makita Chop Saw Parts Uk.
From www.jackssmallengines.com
Makita LS1212 Parts Diagram for Assembly 2 Makita Chop Saw Parts Uk Easily filter our makita chop saw to find the exact replacement you need. Shop for genuine makita chop saw from top manufacturers. Spares parts for makita rotary percussion and diamond core drills, stone cutters, wall chasers, wet stone polishers, mixers, and concrete. Please rest assured that we stock a large selection of spare parts for these brands and will do. Makita Chop Saw Parts Uk.
From www.jackssmallengines.com
Makita MT240 Parts Diagram for Assembly 1 Makita Chop Saw Parts Uk There are currently delays for black & decker / dewalt / stanley spare. We've got the diagram and parts list, the replacement parts and the experienced advice to help you do. Please rest assured that we stock a large selection of spare parts for these brands and will do everything we can to minimise delays. Shop for genuine makita chop. Makita Chop Saw Parts Uk.
From www.rsis.co.uk
Makita Carbon Brush Set for Chop Saw 2414NB (Pack of 2) RSIS Makita Chop Saw Parts Uk Questions or need help ordering? Our extensive range of replacement parts and accessories covers a range of models from the makita brand. In these categories it will show you all the makita break down drawing / diagrams for your model number, ranging from the bpj140 biscuit. Need to repair your makita chop saw parts? Spares parts for makita rotary percussion. Makita Chop Saw Parts Uk.
From reviewmotors.co
Makita Chop Saw Parts List Reviewmotors.co Makita Chop Saw Parts Uk Questions or need help ordering? In these categories it will show you all the makita break down drawing / diagrams for your model number, ranging from the bpj140 biscuit. Our extensive range of replacement parts and accessories covers a range of models from the makita brand. Shop for genuine makita chop saw from top manufacturers. Need to repair your makita. Makita Chop Saw Parts Uk.
From reviewmotors.co
Makita Chop Saw Parts List Reviewmotors.co Makita Chop Saw Parts Uk We've got the diagram and parts list, the replacement parts and the experienced advice to help you do. Need to repair your makita chop saw parts? Easily filter our makita chop saw to find the exact replacement you need. In these categories it will show you all the makita break down drawing / diagrams for your model number, ranging from. Makita Chop Saw Parts Uk.
From www.ereplacementparts.com
Makita 2416S Parts List and Diagram Makita Chop Saw Parts Uk We've got the diagram and parts list, the replacement parts and the experienced advice to help you do. In these categories it will show you all the makita break down drawing / diagrams for your model number, ranging from the bpj140 biscuit. Please rest assured that we stock a large selection of spare parts for these brands and will do. Makita Chop Saw Parts Uk.
From gatedata.com.br
Business, Office & Industrial GENUINE MAKITA SAFETY COVER GUARD FIT Makita Chop Saw Parts Uk There are currently delays for black & decker / dewalt / stanley spare. Spares parts for makita rotary percussion and diamond core drills, stone cutters, wall chasers, wet stone polishers, mixers, and concrete. From band saws, to table saws;. Need to repair your makita chop saw parts? Shop for genuine makita chop saw from top manufacturers. In these categories it. Makita Chop Saw Parts Uk.
From reviewmotors.co
Makita Chop Saw Parts List Reviewmotors.co Makita Chop Saw Parts Uk We've got the diagram and parts list, the replacement parts and the experienced advice to help you do. There are currently delays for black & decker / dewalt / stanley spare. In these categories it will show you all the makita break down drawing / diagrams for your model number, ranging from the bpj140 biscuit. Our extensive range of replacement. Makita Chop Saw Parts Uk.
From www.ereplacementparts.com
Makita LS1440 Parts List and Diagram Makita Chop Saw Parts Uk Please rest assured that we stock a large selection of spare parts for these brands and will do everything we can to minimise delays. In these categories it will show you all the makita break down drawing / diagrams for your model number, ranging from the bpj140 biscuit. Easily filter our makita chop saw to find the exact replacement you. Makita Chop Saw Parts Uk.
From www.jackssmallengines.com
Makita LS1011 Parts Diagram for Assembly 1 Makita Chop Saw Parts Uk Shop for genuine makita chop saw from top manufacturers. Our extensive range of replacement parts and accessories covers a range of models from the makita brand. From band saws, to table saws;. Easily filter our makita chop saw to find the exact replacement you need. Spares parts for makita rotary percussion and diamond core drills, stone cutters, wall chasers, wet. Makita Chop Saw Parts Uk.
From reviewmotors.co
Makita Chop Saw Parts List Reviewmotors.co Makita Chop Saw Parts Uk Easily filter our makita chop saw to find the exact replacement you need. Need to repair your makita chop saw parts? Questions or need help ordering? From band saws, to table saws;. Spares parts for makita rotary percussion and diamond core drills, stone cutters, wall chasers, wet stone polishers, mixers, and concrete. Shop for genuine makita chop saw from top. Makita Chop Saw Parts Uk.
From www.jackssmallengines.com
Makita LS1440 Parts Diagram for Assembly 2 Makita Chop Saw Parts Uk Our extensive range of replacement parts and accessories covers a range of models from the makita brand. Easily filter our makita chop saw to find the exact replacement you need. Spares parts for makita rotary percussion and diamond core drills, stone cutters, wall chasers, wet stone polishers, mixers, and concrete. Questions or need help ordering? Please rest assured that we. Makita Chop Saw Parts Uk.
From www.jackssmallengines.com
Makita 2414 Type 1 Parts Diagram for Assembly 1 Makita Chop Saw Parts Uk Please rest assured that we stock a large selection of spare parts for these brands and will do everything we can to minimise delays. Our extensive range of replacement parts and accessories covers a range of models from the makita brand. Shop for genuine makita chop saw from top manufacturers. Easily filter our makita chop saw to find the exact. Makita Chop Saw Parts Uk.
From reviewmotors.co
Makita Chop Saw Parts List Reviewmotors.co Makita Chop Saw Parts Uk We've got the diagram and parts list, the replacement parts and the experienced advice to help you do. Shop for genuine makita chop saw from top manufacturers. There are currently delays for black & decker / dewalt / stanley spare. Our extensive range of replacement parts and accessories covers a range of models from the makita brand. Spares parts for. Makita Chop Saw Parts Uk.