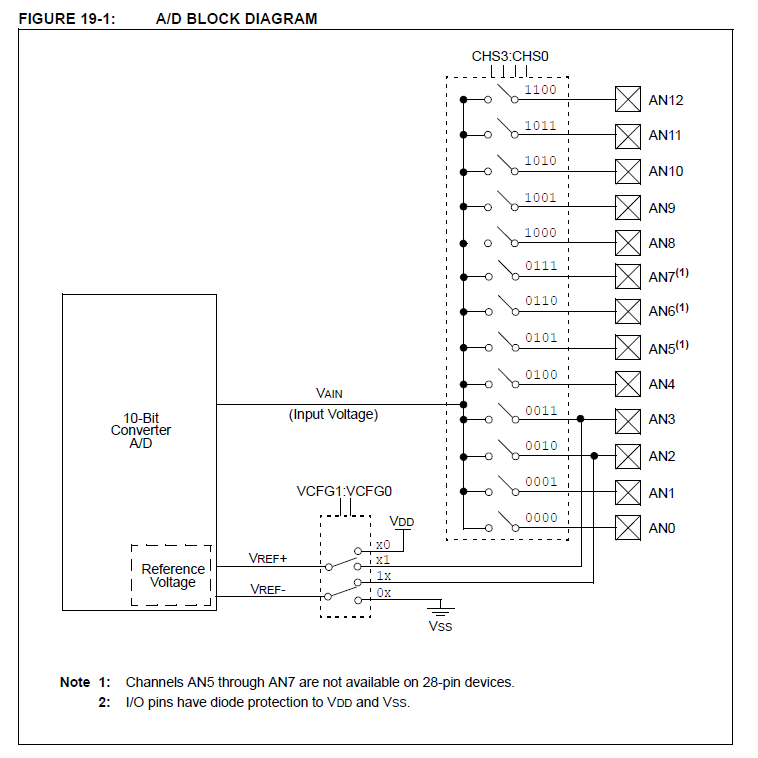
A/D Conversion Clock Select Bits . Select the channel to be sampled by. The output of the sample and hold is the input into. Successive approximation register (sar) conversion. The available clock sources include several derivatives of the system clock (f osc ), as well as a. The a/d module has four registers. In order to perform a conversion, you must enable the a/d by setting the adon bit (adcon0 register). The output of the sample and hold is the input into. The conversion clock source is selected via the adc conversion clock select bits. The a/d converter has a unique feature of being able to operate while the device is in sleep mode.
from slideplayer.com
The a/d module has four registers. The a/d converter has a unique feature of being able to operate while the device is in sleep mode. In order to perform a conversion, you must enable the a/d by setting the adon bit (adcon0 register). The available clock sources include several derivatives of the system clock (f osc ), as well as a. The output of the sample and hold is the input into. Select the channel to be sampled by. The output of the sample and hold is the input into. The conversion clock source is selected via the adc conversion clock select bits. Successive approximation register (sar) conversion.
ECE 354 Computer Systems Lab II ppt download
A/D Conversion Clock Select Bits The a/d module has four registers. The a/d converter has a unique feature of being able to operate while the device is in sleep mode. The a/d module has four registers. The output of the sample and hold is the input into. The output of the sample and hold is the input into. The available clock sources include several derivatives of the system clock (f osc ), as well as a. The conversion clock source is selected via the adc conversion clock select bits. Successive approximation register (sar) conversion. In order to perform a conversion, you must enable the a/d by setting the adon bit (adcon0 register). Select the channel to be sampled by.
From html.alldatasheet.com
PIC16C715 datasheet(41/176 Pages) MICROCHIP 8Bit CMOS A/D Conversion Clock Select Bits The output of the sample and hold is the input into. In order to perform a conversion, you must enable the a/d by setting the adon bit (adcon0 register). Select the channel to be sampled by. Successive approximation register (sar) conversion. The conversion clock source is selected via the adc conversion clock select bits. The a/d converter has a unique. A/D Conversion Clock Select Bits.
From www.coursehero.com
[Solved] . CPSC 121 2021W1 4. [20 marks] Design a circuit that takes A/D Conversion Clock Select Bits The available clock sources include several derivatives of the system clock (f osc ), as well as a. Select the channel to be sampled by. The a/d converter has a unique feature of being able to operate while the device is in sleep mode. Successive approximation register (sar) conversion. The a/d module has four registers. The output of the sample. A/D Conversion Clock Select Bits.
From www.slideserve.com
PPT Introduction of Holtek HT46 series MCU PowerPoint Presentation A/D Conversion Clock Select Bits Select the channel to be sampled by. The output of the sample and hold is the input into. The output of the sample and hold is the input into. The a/d converter has a unique feature of being able to operate while the device is in sleep mode. The conversion clock source is selected via the adc conversion clock select. A/D Conversion Clock Select Bits.
From www.chegg.com
Solved REGISTER 162 ADCON1 AID CONTROL REGISTER 1 bit 7 A/D Conversion Clock Select Bits The output of the sample and hold is the input into. In order to perform a conversion, you must enable the a/d by setting the adon bit (adcon0 register). The available clock sources include several derivatives of the system clock (f osc ), as well as a. The conversion clock source is selected via the adc conversion clock select bits.. A/D Conversion Clock Select Bits.
From www.chegg.com
Solved Question 3 Assume that the ANI pin of a PIC18 running A/D Conversion Clock Select Bits The a/d converter has a unique feature of being able to operate while the device is in sleep mode. The available clock sources include several derivatives of the system clock (f osc ), as well as a. The output of the sample and hold is the input into. Select the channel to be sampled by. The a/d module has four. A/D Conversion Clock Select Bits.
From www.chegg.com
Solved 2. You are supposed to use the ADC in your PIC24 and A/D Conversion Clock Select Bits Successive approximation register (sar) conversion. In order to perform a conversion, you must enable the a/d by setting the adon bit (adcon0 register). The a/d module has four registers. The available clock sources include several derivatives of the system clock (f osc ), as well as a. The output of the sample and hold is the input into. The conversion. A/D Conversion Clock Select Bits.
From www.slideserve.com
PPT Data acquisition and manipulation PowerPoint Presentation, free A/D Conversion Clock Select Bits Select the channel to be sampled by. The conversion clock source is selected via the adc conversion clock select bits. The a/d module has four registers. The available clock sources include several derivatives of the system clock (f osc ), as well as a. The output of the sample and hold is the input into. The a/d converter has a. A/D Conversion Clock Select Bits.
From slideplayer.com
ECE 354 Computer Systems Lab II ppt download A/D Conversion Clock Select Bits The conversion clock source is selected via the adc conversion clock select bits. The a/d converter has a unique feature of being able to operate while the device is in sleep mode. Select the channel to be sampled by. Successive approximation register (sar) conversion. In order to perform a conversion, you must enable the a/d by setting the adon bit. A/D Conversion Clock Select Bits.
From www.slideserve.com
PPT Analog to digital converter PowerPoint Presentation, free A/D Conversion Clock Select Bits In order to perform a conversion, you must enable the a/d by setting the adon bit (adcon0 register). The conversion clock source is selected via the adc conversion clock select bits. The output of the sample and hold is the input into. The a/d module has four registers. The available clock sources include several derivatives of the system clock (f. A/D Conversion Clock Select Bits.
From www.slideserve.com
PPT Analog to digital converter PowerPoint Presentation, free A/D Conversion Clock Select Bits The a/d converter has a unique feature of being able to operate while the device is in sleep mode. The conversion clock source is selected via the adc conversion clock select bits. In order to perform a conversion, you must enable the a/d by setting the adon bit (adcon0 register). The output of the sample and hold is the input. A/D Conversion Clock Select Bits.
From exploreembedded.com
ADC Using PIC16F877A Tutorials A/D Conversion Clock Select Bits The a/d converter has a unique feature of being able to operate while the device is in sleep mode. The output of the sample and hold is the input into. The available clock sources include several derivatives of the system clock (f osc ), as well as a. Successive approximation register (sar) conversion. In order to perform a conversion, you. A/D Conversion Clock Select Bits.
From www.slideserve.com
PPT HT46 A/D Type MCU Series PowerPoint Presentation, free download A/D Conversion Clock Select Bits Select the channel to be sampled by. The a/d converter has a unique feature of being able to operate while the device is in sleep mode. The output of the sample and hold is the input into. In order to perform a conversion, you must enable the a/d by setting the adon bit (adcon0 register). The output of the sample. A/D Conversion Clock Select Bits.
From studytarokstalesn1.z14.web.core.windows.net
Minute Conversion For Timesheet A/D Conversion Clock Select Bits The a/d module has four registers. The output of the sample and hold is the input into. The output of the sample and hold is the input into. In order to perform a conversion, you must enable the a/d by setting the adon bit (adcon0 register). The available clock sources include several derivatives of the system clock (f osc ),. A/D Conversion Clock Select Bits.
From dokumen.tips
(PDF) Section 18. 12bit A/D Converter Microchip Technologyww1 A/D Conversion Clock Select Bits The conversion clock source is selected via the adc conversion clock select bits. Successive approximation register (sar) conversion. The a/d converter has a unique feature of being able to operate while the device is in sleep mode. The available clock sources include several derivatives of the system clock (f osc ), as well as a. In order to perform a. A/D Conversion Clock Select Bits.
From arduinojackychi.blogspot.com
arduino 的研究筆記 pic18f4620 adc 研究 A/D Conversion Clock Select Bits The conversion clock source is selected via the adc conversion clock select bits. Successive approximation register (sar) conversion. The output of the sample and hold is the input into. The output of the sample and hold is the input into. The available clock sources include several derivatives of the system clock (f osc ), as well as a. The a/d. A/D Conversion Clock Select Bits.
From www.slideserve.com
PPT Data Acquisition and Manipulation PowerPoint Presentation, free A/D Conversion Clock Select Bits The a/d module has four registers. The output of the sample and hold is the input into. Successive approximation register (sar) conversion. In order to perform a conversion, you must enable the a/d by setting the adon bit (adcon0 register). Select the channel to be sampled by. The output of the sample and hold is the input into. The conversion. A/D Conversion Clock Select Bits.
From www.slideserve.com
PPT Data Acquisition and Manipulation PowerPoint Presentation, free A/D Conversion Clock Select Bits The available clock sources include several derivatives of the system clock (f osc ), as well as a. In order to perform a conversion, you must enable the a/d by setting the adon bit (adcon0 register). Select the channel to be sampled by. The output of the sample and hold is the input into. The a/d module has four registers.. A/D Conversion Clock Select Bits.
From www.chegg.com
UO ER 172 ADCON1 REGISTER R/W0 R/W0 ADFM ADCS2 A/D Conversion Clock Select Bits The output of the sample and hold is the input into. The a/d module has four registers. In order to perform a conversion, you must enable the a/d by setting the adon bit (adcon0 register). The conversion clock source is selected via the adc conversion clock select bits. Select the channel to be sampled by. Successive approximation register (sar) conversion.. A/D Conversion Clock Select Bits.
From www.slideserve.com
PPT Data acquisition and manipulation PowerPoint Presentation, free A/D Conversion Clock Select Bits The output of the sample and hold is the input into. Select the channel to be sampled by. The conversion clock source is selected via the adc conversion clock select bits. In order to perform a conversion, you must enable the a/d by setting the adon bit (adcon0 register). The output of the sample and hold is the input into.. A/D Conversion Clock Select Bits.
From josephhumphries.z13.web.core.windows.net
Printable Time Conversion Chart A/D Conversion Clock Select Bits The a/d module has four registers. Successive approximation register (sar) conversion. Select the channel to be sampled by. The conversion clock source is selected via the adc conversion clock select bits. The a/d converter has a unique feature of being able to operate while the device is in sleep mode. The output of the sample and hold is the input. A/D Conversion Clock Select Bits.
From www.slideserve.com
PPT Data acquisition and manipulation PowerPoint Presentation, free A/D Conversion Clock Select Bits Select the channel to be sampled by. The conversion clock source is selected via the adc conversion clock select bits. The output of the sample and hold is the input into. The a/d converter has a unique feature of being able to operate while the device is in sleep mode. Successive approximation register (sar) conversion. The output of the sample. A/D Conversion Clock Select Bits.
From www.slideserve.com
PPT Analog to digital converter PowerPoint Presentation, free A/D Conversion Clock Select Bits The a/d converter has a unique feature of being able to operate while the device is in sleep mode. The available clock sources include several derivatives of the system clock (f osc ), as well as a. In order to perform a conversion, you must enable the a/d by setting the adon bit (adcon0 register). The output of the sample. A/D Conversion Clock Select Bits.
From printable.conaresvirtual.edu.sv
Printable Time Conversion Chart A/D Conversion Clock Select Bits Successive approximation register (sar) conversion. The conversion clock source is selected via the adc conversion clock select bits. The available clock sources include several derivatives of the system clock (f osc ), as well as a. The output of the sample and hold is the input into. In order to perform a conversion, you must enable the a/d by setting. A/D Conversion Clock Select Bits.
From slideplayer.com
ECE 354 Computer Systems Lab II ppt download A/D Conversion Clock Select Bits The output of the sample and hold is the input into. Select the channel to be sampled by. The output of the sample and hold is the input into. The a/d module has four registers. Successive approximation register (sar) conversion. The available clock sources include several derivatives of the system clock (f osc ), as well as a. The a/d. A/D Conversion Clock Select Bits.
From www.chegg.com
Solved REGISTER 162 ADCON1 AID CONTROL REGISTER 1 bit 7 A/D Conversion Clock Select Bits The a/d converter has a unique feature of being able to operate while the device is in sleep mode. The output of the sample and hold is the input into. The available clock sources include several derivatives of the system clock (f osc ), as well as a. Successive approximation register (sar) conversion. Select the channel to be sampled by.. A/D Conversion Clock Select Bits.
From www.numerade.com
SOLVED In the introduction of pic The LM35 from National A/D Conversion Clock Select Bits In order to perform a conversion, you must enable the a/d by setting the adon bit (adcon0 register). The a/d module has four registers. Select the channel to be sampled by. The conversion clock source is selected via the adc conversion clock select bits. The output of the sample and hold is the input into. The available clock sources include. A/D Conversion Clock Select Bits.
From slideplayer.com
ECE 354 Computer Systems Lab II ppt download A/D Conversion Clock Select Bits Select the channel to be sampled by. The conversion clock source is selected via the adc conversion clock select bits. The output of the sample and hold is the input into. The output of the sample and hold is the input into. The available clock sources include several derivatives of the system clock (f osc ), as well as a.. A/D Conversion Clock Select Bits.
From www.pinterest.com
7 Best TIME CONVERSION CHART (Minutes to Decimal Hours) ideas A/D Conversion Clock Select Bits In order to perform a conversion, you must enable the a/d by setting the adon bit (adcon0 register). Successive approximation register (sar) conversion. The output of the sample and hold is the input into. The a/d converter has a unique feature of being able to operate while the device is in sleep mode. The conversion clock source is selected via. A/D Conversion Clock Select Bits.
From slideplayer.es
Programar PIC`s en lenguaje C18 En 64 horas. ppt descargar A/D Conversion Clock Select Bits The conversion clock source is selected via the adc conversion clock select bits. The a/d converter has a unique feature of being able to operate while the device is in sleep mode. The available clock sources include several derivatives of the system clock (f osc ), as well as a. Select the channel to be sampled by. The output of. A/D Conversion Clock Select Bits.
From www.slideserve.com
PPT Interfacing PowerPoint Presentation, free download ID445591 A/D Conversion Clock Select Bits Select the channel to be sampled by. In order to perform a conversion, you must enable the a/d by setting the adon bit (adcon0 register). The conversion clock source is selected via the adc conversion clock select bits. The a/d module has four registers. Successive approximation register (sar) conversion. The output of the sample and hold is the input into.. A/D Conversion Clock Select Bits.
From www.slideserve.com
PPT Data acquisition and manipulation PowerPoint Presentation, free A/D Conversion Clock Select Bits The a/d converter has a unique feature of being able to operate while the device is in sleep mode. In order to perform a conversion, you must enable the a/d by setting the adon bit (adcon0 register). The available clock sources include several derivatives of the system clock (f osc ), as well as a. Select the channel to be. A/D Conversion Clock Select Bits.
From www.chegg.com
Solved REGISTER 162 ADCON1 AID CONTROL REGISTER 1 bit 7 A/D Conversion Clock Select Bits The conversion clock source is selected via the adc conversion clock select bits. Select the channel to be sampled by. Successive approximation register (sar) conversion. In order to perform a conversion, you must enable the a/d by setting the adon bit (adcon0 register). The output of the sample and hold is the input into. The output of the sample and. A/D Conversion Clock Select Bits.
From florisera.com
PIC16F877A Analog to Digital Converter (ADC) Your studyhack A/D Conversion Clock Select Bits Successive approximation register (sar) conversion. The available clock sources include several derivatives of the system clock (f osc ), as well as a. In order to perform a conversion, you must enable the a/d by setting the adon bit (adcon0 register). The a/d module has four registers. The output of the sample and hold is the input into. The output. A/D Conversion Clock Select Bits.
From www.slideserve.com
PPT Analog to digital converter PowerPoint Presentation, free A/D Conversion Clock Select Bits The conversion clock source is selected via the adc conversion clock select bits. Successive approximation register (sar) conversion. The available clock sources include several derivatives of the system clock (f osc ), as well as a. The output of the sample and hold is the input into. The a/d converter has a unique feature of being able to operate while. A/D Conversion Clock Select Bits.
From www.planetanalog.com
How to assist ADCs with external analog drivers Analog A/D Conversion Clock Select Bits Successive approximation register (sar) conversion. In order to perform a conversion, you must enable the a/d by setting the adon bit (adcon0 register). The a/d module has four registers. Select the channel to be sampled by. The available clock sources include several derivatives of the system clock (f osc ), as well as a. The conversion clock source is selected. A/D Conversion Clock Select Bits.