Hydraulic Circuit Relief Valves . a pressure relief valve characterized by rapid opening or closing or by gradual opening or closing, generally proportional to the. troubleshooting problems that lead to relief valve replacement, and the steps involved in setting hydraulic system relief valves that. these valves operate by balancing the hydraulic force with a variable spring force, releasing heat when they open in response to a predetermined pressure. Selecting the correct one can prevent issues and make your system run better. Direct acting and pilot operated. there are two basic types of relief valves commonly found in hydraulic systems: They are located close to the pumps and reservoir tank. Properly adjusted relief valves ensure the system functions optimally and regulates the amount of heat generated. pressure relief valves are used to prevent over pressurization in the hydraulic circuit. a guide to types of hydraulic valve including pressure control and pressure relief valves, directional control valves, flow control valves, needle and shuttle valves.
from www.researchgate.net
these valves operate by balancing the hydraulic force with a variable spring force, releasing heat when they open in response to a predetermined pressure. pressure relief valves are used to prevent over pressurization in the hydraulic circuit. a pressure relief valve characterized by rapid opening or closing or by gradual opening or closing, generally proportional to the. troubleshooting problems that lead to relief valve replacement, and the steps involved in setting hydraulic system relief valves that. there are two basic types of relief valves commonly found in hydraulic systems: a guide to types of hydraulic valve including pressure control and pressure relief valves, directional control valves, flow control valves, needle and shuttle valves. Properly adjusted relief valves ensure the system functions optimally and regulates the amount of heat generated. Direct acting and pilot operated. They are located close to the pumps and reservoir tank. Selecting the correct one can prevent issues and make your system run better.
Schematic of the electrohydraulic valve actuation system. Download
Hydraulic Circuit Relief Valves there are two basic types of relief valves commonly found in hydraulic systems: troubleshooting problems that lead to relief valve replacement, and the steps involved in setting hydraulic system relief valves that. a pressure relief valve characterized by rapid opening or closing or by gradual opening or closing, generally proportional to the. They are located close to the pumps and reservoir tank. Properly adjusted relief valves ensure the system functions optimally and regulates the amount of heat generated. there are two basic types of relief valves commonly found in hydraulic systems: pressure relief valves are used to prevent over pressurization in the hydraulic circuit. Selecting the correct one can prevent issues and make your system run better. these valves operate by balancing the hydraulic force with a variable spring force, releasing heat when they open in response to a predetermined pressure. Direct acting and pilot operated. a guide to types of hydraulic valve including pressure control and pressure relief valves, directional control valves, flow control valves, needle and shuttle valves.
From schematicpartclaudia.z19.web.core.windows.net
Basic Hydraulic System Circuit Diagram Hydraulic Circuit Relief Valves Selecting the correct one can prevent issues and make your system run better. pressure relief valves are used to prevent over pressurization in the hydraulic circuit. there are two basic types of relief valves commonly found in hydraulic systems: They are located close to the pumps and reservoir tank. a guide to types of hydraulic valve including. Hydraulic Circuit Relief Valves.
From schematicwithers.z13.web.core.windows.net
Hydraulic Pressure Relief Valve Diagram Hydraulic Circuit Relief Valves a pressure relief valve characterized by rapid opening or closing or by gradual opening or closing, generally proportional to the. Direct acting and pilot operated. pressure relief valves are used to prevent over pressurization in the hydraulic circuit. these valves operate by balancing the hydraulic force with a variable spring force, releasing heat when they open in. Hydraulic Circuit Relief Valves.
From engineeringlearn.com
Types of Relief Valve Function, Uses, Mechanism, Components Hydraulic Circuit Relief Valves there are two basic types of relief valves commonly found in hydraulic systems: Selecting the correct one can prevent issues and make your system run better. Direct acting and pilot operated. these valves operate by balancing the hydraulic force with a variable spring force, releasing heat when they open in response to a predetermined pressure. They are located. Hydraulic Circuit Relief Valves.
From circuitfixgrant.z19.web.core.windows.net
Relief Valve Symbol Schematic Hydraulic Circuit Relief Valves these valves operate by balancing the hydraulic force with a variable spring force, releasing heat when they open in response to a predetermined pressure. Selecting the correct one can prevent issues and make your system run better. a pressure relief valve characterized by rapid opening or closing or by gradual opening or closing, generally proportional to the. Direct. Hydraulic Circuit Relief Valves.
From www.researchgate.net
Scheme of hydraulic system 1pump, 2relief valve, 3control valve Hydraulic Circuit Relief Valves They are located close to the pumps and reservoir tank. Direct acting and pilot operated. pressure relief valves are used to prevent over pressurization in the hydraulic circuit. Selecting the correct one can prevent issues and make your system run better. Properly adjusted relief valves ensure the system functions optimally and regulates the amount of heat generated. there. Hydraulic Circuit Relief Valves.
From www.pinterest.co.uk
Hydraulic symbols are commonly used to depict hydraulic circuits. Let’s Hydraulic Circuit Relief Valves Direct acting and pilot operated. a guide to types of hydraulic valve including pressure control and pressure relief valves, directional control valves, flow control valves, needle and shuttle valves. They are located close to the pumps and reservoir tank. there are two basic types of relief valves commonly found in hydraulic systems: these valves operate by balancing. Hydraulic Circuit Relief Valves.
From www.zeushydratech.com
Continental Hydraulics VER03MP Proportional Valve Hydraulic Circuit Relief Valves troubleshooting problems that lead to relief valve replacement, and the steps involved in setting hydraulic system relief valves that. a pressure relief valve characterized by rapid opening or closing or by gradual opening or closing, generally proportional to the. there are two basic types of relief valves commonly found in hydraulic systems: They are located close to. Hydraulic Circuit Relief Valves.
From www.zeushydratech.com
Continental Hydraulics VER03MPG Proportional Relief Valve Hydraulic Circuit Relief Valves pressure relief valves are used to prevent over pressurization in the hydraulic circuit. a guide to types of hydraulic valve including pressure control and pressure relief valves, directional control valves, flow control valves, needle and shuttle valves. there are two basic types of relief valves commonly found in hydraulic systems: these valves operate by balancing the. Hydraulic Circuit Relief Valves.
From flinthyd.blogspot.com
Flint Hydraulics, Inc. Comatrol hydraulic valves, manifolds and HICs Hydraulic Circuit Relief Valves Properly adjusted relief valves ensure the system functions optimally and regulates the amount of heat generated. They are located close to the pumps and reservoir tank. Direct acting and pilot operated. there are two basic types of relief valves commonly found in hydraulic systems: troubleshooting problems that lead to relief valve replacement, and the steps involved in setting. Hydraulic Circuit Relief Valves.
From www.researchgate.net
The hydraulic circuit diagram of a plant with two actuators. Download Hydraulic Circuit Relief Valves Direct acting and pilot operated. troubleshooting problems that lead to relief valve replacement, and the steps involved in setting hydraulic system relief valves that. Properly adjusted relief valves ensure the system functions optimally and regulates the amount of heat generated. Selecting the correct one can prevent issues and make your system run better. They are located close to the. Hydraulic Circuit Relief Valves.
From dxodclzsr.blob.core.windows.net
The Two Types Of Relief Valves Used In Hydraulic Circuits Are at Ronald Hydraulic Circuit Relief Valves Properly adjusted relief valves ensure the system functions optimally and regulates the amount of heat generated. there are two basic types of relief valves commonly found in hydraulic systems: a guide to types of hydraulic valve including pressure control and pressure relief valves, directional control valves, flow control valves, needle and shuttle valves. They are located close to. Hydraulic Circuit Relief Valves.
From fixlibrarytangerinekim89.z14.web.core.windows.net
Basic Circuit Diagram Of Hydraulic System Hydraulic Circuit Relief Valves a guide to types of hydraulic valve including pressure control and pressure relief valves, directional control valves, flow control valves, needle and shuttle valves. a pressure relief valve characterized by rapid opening or closing or by gradual opening or closing, generally proportional to the. troubleshooting problems that lead to relief valve replacement, and the steps involved in. Hydraulic Circuit Relief Valves.
From exottmasm.blob.core.windows.net
How Does A Temperature And Pressure Relief Valve Work at Christopher Hydraulic Circuit Relief Valves Direct acting and pilot operated. these valves operate by balancing the hydraulic force with a variable spring force, releasing heat when they open in response to a predetermined pressure. They are located close to the pumps and reservoir tank. pressure relief valves are used to prevent over pressurization in the hydraulic circuit. there are two basic types. Hydraulic Circuit Relief Valves.
From merge-wiring.blogspot.com
Simple Hydraulic Circuit Drawing Merge Wiring Hydraulic Circuit Relief Valves Properly adjusted relief valves ensure the system functions optimally and regulates the amount of heat generated. these valves operate by balancing the hydraulic force with a variable spring force, releasing heat when they open in response to a predetermined pressure. a pressure relief valve characterized by rapid opening or closing or by gradual opening or closing, generally proportional. Hydraulic Circuit Relief Valves.
From fer-ro.net
PR SERIES HYDRAULIC PRESSURE RELIEF VALVES F E R R O Hidrolik Hydraulic Circuit Relief Valves a pressure relief valve characterized by rapid opening or closing or by gradual opening or closing, generally proportional to the. there are two basic types of relief valves commonly found in hydraulic systems: pressure relief valves are used to prevent over pressurization in the hydraulic circuit. these valves operate by balancing the hydraulic force with a. Hydraulic Circuit Relief Valves.
From www.slideshare.net
Understanding a basic hydraulic circuit 01 Hydraulic Circuit Relief Valves They are located close to the pumps and reservoir tank. these valves operate by balancing the hydraulic force with a variable spring force, releasing heat when they open in response to a predetermined pressure. Properly adjusted relief valves ensure the system functions optimally and regulates the amount of heat generated. Direct acting and pilot operated. a guide to. Hydraulic Circuit Relief Valves.
From studyzonefiranemometer.z13.web.core.windows.net
Hydraulic Control Valve Schematic Hydraulic Circuit Relief Valves Selecting the correct one can prevent issues and make your system run better. a pressure relief valve characterized by rapid opening or closing or by gradual opening or closing, generally proportional to the. a guide to types of hydraulic valve including pressure control and pressure relief valves, directional control valves, flow control valves, needle and shuttle valves. . Hydraulic Circuit Relief Valves.
From www.researchgate.net
Pressure relief valve. Hydraulic pressure must be regulated in order to Hydraulic Circuit Relief Valves Properly adjusted relief valves ensure the system functions optimally and regulates the amount of heat generated. there are two basic types of relief valves commonly found in hydraulic systems: Direct acting and pilot operated. these valves operate by balancing the hydraulic force with a variable spring force, releasing heat when they open in response to a predetermined pressure.. Hydraulic Circuit Relief Valves.
From www.northerntool.com
Brand Hydraulic InLine Relief Valve — 30 GPM Flow Rate, Model RLC12 Hydraulic Circuit Relief Valves a guide to types of hydraulic valve including pressure control and pressure relief valves, directional control valves, flow control valves, needle and shuttle valves. Direct acting and pilot operated. They are located close to the pumps and reservoir tank. Selecting the correct one can prevent issues and make your system run better. these valves operate by balancing the. Hydraulic Circuit Relief Valves.
From www.ocgf-shop.fr
Hydraulic pressure relief valve 120l/mn VSD 150 (550 bar) OCGF Hydraulic Circuit Relief Valves a pressure relief valve characterized by rapid opening or closing or by gradual opening or closing, generally proportional to the. there are two basic types of relief valves commonly found in hydraulic systems: Direct acting and pilot operated. a guide to types of hydraulic valve including pressure control and pressure relief valves, directional control valves, flow control. Hydraulic Circuit Relief Valves.
From www.fremontindustrialsupply.com
Hydraulic Relief Valves Hydraulic Circuit Relief Valves Properly adjusted relief valves ensure the system functions optimally and regulates the amount of heat generated. pressure relief valves are used to prevent over pressurization in the hydraulic circuit. there are two basic types of relief valves commonly found in hydraulic systems: a guide to types of hydraulic valve including pressure control and pressure relief valves, directional. Hydraulic Circuit Relief Valves.
From 777parts.net
HYDRAULIC CIRCUIT FROM LOADER CONTROL VALVE TO RELIEF VALVE AND BOOM Hydraulic Circuit Relief Valves Properly adjusted relief valves ensure the system functions optimally and regulates the amount of heat generated. They are located close to the pumps and reservoir tank. there are two basic types of relief valves commonly found in hydraulic systems: these valves operate by balancing the hydraulic force with a variable spring force, releasing heat when they open in. Hydraulic Circuit Relief Valves.
From guidefixsk8panda130x.z22.web.core.windows.net
Hydraulic Diagram Symbols And Meanings Hydraulic Circuit Relief Valves there are two basic types of relief valves commonly found in hydraulic systems: Direct acting and pilot operated. these valves operate by balancing the hydraulic force with a variable spring force, releasing heat when they open in response to a predetermined pressure. pressure relief valves are used to prevent over pressurization in the hydraulic circuit. a. Hydraulic Circuit Relief Valves.
From manuallistavizefull.z21.web.core.windows.net
Graphical Symbols For Hydraulic Circuits Hydraulic Circuit Relief Valves Direct acting and pilot operated. a guide to types of hydraulic valve including pressure control and pressure relief valves, directional control valves, flow control valves, needle and shuttle valves. Properly adjusted relief valves ensure the system functions optimally and regulates the amount of heat generated. troubleshooting problems that lead to relief valve replacement, and the steps involved in. Hydraulic Circuit Relief Valves.
From wirelibrarycirques.z4.web.core.windows.net
Crossover Relief Valve Schematic Hydraulic Circuit Relief Valves pressure relief valves are used to prevent over pressurization in the hydraulic circuit. troubleshooting problems that lead to relief valve replacement, and the steps involved in setting hydraulic system relief valves that. Properly adjusted relief valves ensure the system functions optimally and regulates the amount of heat generated. a guide to types of hydraulic valve including pressure. Hydraulic Circuit Relief Valves.
From www.hydraulicstatic.com
Hydraulic Schematic Troubleshooting Free Knowledge For All Hydraulic Circuit Relief Valves troubleshooting problems that lead to relief valve replacement, and the steps involved in setting hydraulic system relief valves that. Direct acting and pilot operated. these valves operate by balancing the hydraulic force with a variable spring force, releasing heat when they open in response to a predetermined pressure. there are two basic types of relief valves commonly. Hydraulic Circuit Relief Valves.
From www.approvedhydraulics.co.uk
Inline Pressure Relief Valve 3/8" Bsp 35Lpm 350 Bar Max Approved Hydraulic Circuit Relief Valves Properly adjusted relief valves ensure the system functions optimally and regulates the amount of heat generated. these valves operate by balancing the hydraulic force with a variable spring force, releasing heat when they open in response to a predetermined pressure. pressure relief valves are used to prevent over pressurization in the hydraulic circuit. They are located close to. Hydraulic Circuit Relief Valves.
From diagrampartedaphology.z19.web.core.windows.net
Pressure Relief Valve Circuit Diagram Hydraulic Circuit Relief Valves troubleshooting problems that lead to relief valve replacement, and the steps involved in setting hydraulic system relief valves that. Properly adjusted relief valves ensure the system functions optimally and regulates the amount of heat generated. pressure relief valves are used to prevent over pressurization in the hydraulic circuit. They are located close to the pumps and reservoir tank.. Hydraulic Circuit Relief Valves.
From bellevuebiomedical.com
hydraulic symbols pressure relief valve Hydraulic Circuit Relief Valves a pressure relief valve characterized by rapid opening or closing or by gradual opening or closing, generally proportional to the. a guide to types of hydraulic valve including pressure control and pressure relief valves, directional control valves, flow control valves, needle and shuttle valves. there are two basic types of relief valves commonly found in hydraulic systems:. Hydraulic Circuit Relief Valves.
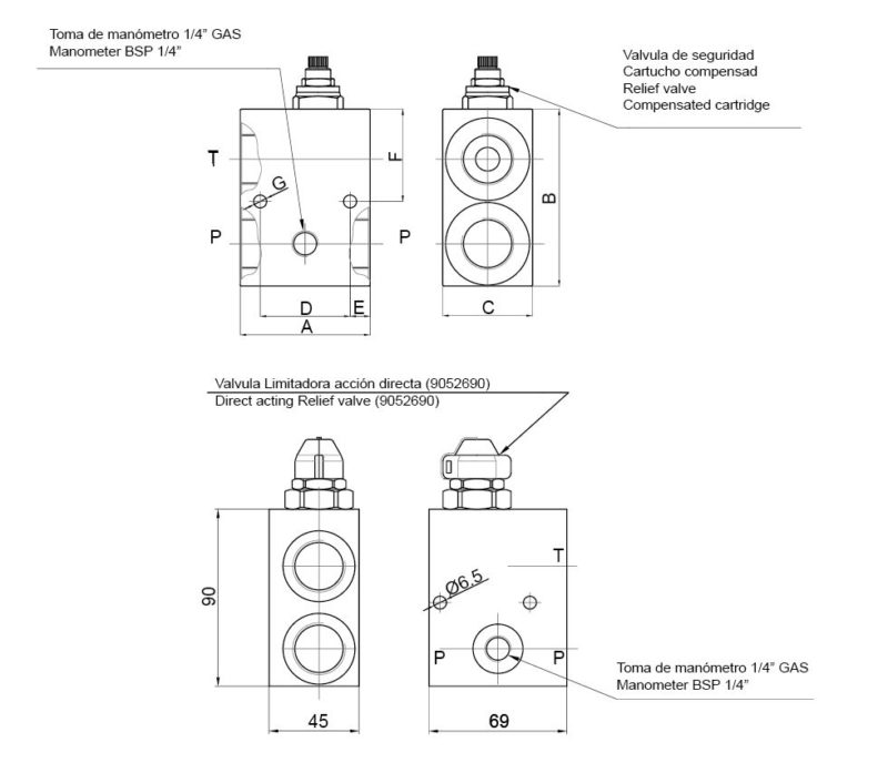
From bezares.com
9052690 RELIEF VALVES FOR HYDRAULIC CIRCUIT Bezares SA Leading Hydraulic Circuit Relief Valves these valves operate by balancing the hydraulic force with a variable spring force, releasing heat when they open in response to a predetermined pressure. Properly adjusted relief valves ensure the system functions optimally and regulates the amount of heat generated. They are located close to the pumps and reservoir tank. troubleshooting problems that lead to relief valve replacement,. Hydraulic Circuit Relief Valves.
From www.hydrastore.co.uk
Pressure Relief Valves Hydraulic Components Hydrastore Hydraulic Circuit Relief Valves Selecting the correct one can prevent issues and make your system run better. They are located close to the pumps and reservoir tank. these valves operate by balancing the hydraulic force with a variable spring force, releasing heat when they open in response to a predetermined pressure. pressure relief valves are used to prevent over pressurization in the. Hydraulic Circuit Relief Valves.
From www.researchgate.net
Schematic of the electrohydraulic valve actuation system. Download Hydraulic Circuit Relief Valves there are two basic types of relief valves commonly found in hydraulic systems: pressure relief valves are used to prevent over pressurization in the hydraulic circuit. Properly adjusted relief valves ensure the system functions optimally and regulates the amount of heat generated. a pressure relief valve characterized by rapid opening or closing or by gradual opening or. Hydraulic Circuit Relief Valves.
From enginedbtersanctus.z22.web.core.windows.net
Pressure Relief Valve Diagram Hydraulic Circuit Relief Valves troubleshooting problems that lead to relief valve replacement, and the steps involved in setting hydraulic system relief valves that. a guide to types of hydraulic valve including pressure control and pressure relief valves, directional control valves, flow control valves, needle and shuttle valves. these valves operate by balancing the hydraulic force with a variable spring force, releasing. Hydraulic Circuit Relief Valves.
From circuitlibfriedman.z19.web.core.windows.net
Hydraulic Electric Valve Diagram Hydraulic Circuit Relief Valves They are located close to the pumps and reservoir tank. Direct acting and pilot operated. a pressure relief valve characterized by rapid opening or closing or by gradual opening or closing, generally proportional to the. troubleshooting problems that lead to relief valve replacement, and the steps involved in setting hydraulic system relief valves that. Properly adjusted relief valves. Hydraulic Circuit Relief Valves.
From ar.inspiredpencil.com
Hydraulic Pressure Relief Valve Diagram Hydraulic Circuit Relief Valves They are located close to the pumps and reservoir tank. troubleshooting problems that lead to relief valve replacement, and the steps involved in setting hydraulic system relief valves that. a pressure relief valve characterized by rapid opening or closing or by gradual opening or closing, generally proportional to the. pressure relief valves are used to prevent over. Hydraulic Circuit Relief Valves.