Lombardini Engine Control Panel . Put the ignition key in the ignition switch. 3.2.2 place engine on level sur face to ensure accurate. Lombardini supplied control panels, oem/end user supplied/installed relays, controls, etc. The panel connector index numbers. Tun the key to 1. Kohler omnilink control panel pdf manual download. Check the level of the engine oil, fuel and coolant and fill if necessary. 6.1 engine oil replacement important before proceeding with operation, read par. View and download lombardini marine kohler omnilink owner's manual online. Engines are not used according to the instructions reported in the “use and maintenance” booklet supplied with each. This genuine oem control panel is built to meet the high standards of lombardini equipment, providing a reliable and durable replacement. Please also refer to the diagram on page 70, which details the interface engine side wiring harness for the lombardini control panel.
from newgardenstore.eu
Kohler omnilink control panel pdf manual download. View and download lombardini marine kohler omnilink owner's manual online. Check the level of the engine oil, fuel and coolant and fill if necessary. 3.2.2 place engine on level sur face to ensure accurate. Engines are not used according to the instructions reported in the “use and maintenance” booklet supplied with each. Lombardini supplied control panels, oem/end user supplied/installed relays, controls, etc. This genuine oem control panel is built to meet the high standards of lombardini equipment, providing a reliable and durable replacement. 6.1 engine oil replacement important before proceeding with operation, read par. The panel connector index numbers. Please also refer to the diagram on page 70, which details the interface engine side wiring harness for the lombardini control panel.
Control panel 12V 2 lamps SAPRISA C315 engine LOMBARDINI 15LD 7245....
Lombardini Engine Control Panel Engines are not used according to the instructions reported in the “use and maintenance” booklet supplied with each. Engines are not used according to the instructions reported in the “use and maintenance” booklet supplied with each. Lombardini supplied control panels, oem/end user supplied/installed relays, controls, etc. Check the level of the engine oil, fuel and coolant and fill if necessary. Put the ignition key in the ignition switch. 3.2.2 place engine on level sur face to ensure accurate. This genuine oem control panel is built to meet the high standards of lombardini equipment, providing a reliable and durable replacement. Kohler omnilink control panel pdf manual download. 6.1 engine oil replacement important before proceeding with operation, read par. The panel connector index numbers. Please also refer to the diagram on page 70, which details the interface engine side wiring harness for the lombardini control panel. View and download lombardini marine kohler omnilink owner's manual online. Tun the key to 1.
From newgardenstore.eu
Control panel 12V 2 lamps SAPRISA C315 engine LOMBARDINI 15LD 7245.... Lombardini Engine Control Panel Tun the key to 1. 3.2.2 place engine on level sur face to ensure accurate. The panel connector index numbers. Kohler omnilink control panel pdf manual download. View and download lombardini marine kohler omnilink owner's manual online. Lombardini supplied control panels, oem/end user supplied/installed relays, controls, etc. Put the ignition key in the ignition switch. Check the level of the. Lombardini Engine Control Panel.
From www.technidiscount.com
Control panel lombardini 7245464 kohler ed0072454640s saprisa d309 Lombardini Engine Control Panel Check the level of the engine oil, fuel and coolant and fill if necessary. This genuine oem control panel is built to meet the high standards of lombardini equipment, providing a reliable and durable replacement. Please also refer to the diagram on page 70, which details the interface engine side wiring harness for the lombardini control panel. Tun the key. Lombardini Engine Control Panel.
From www.technidiscount.com
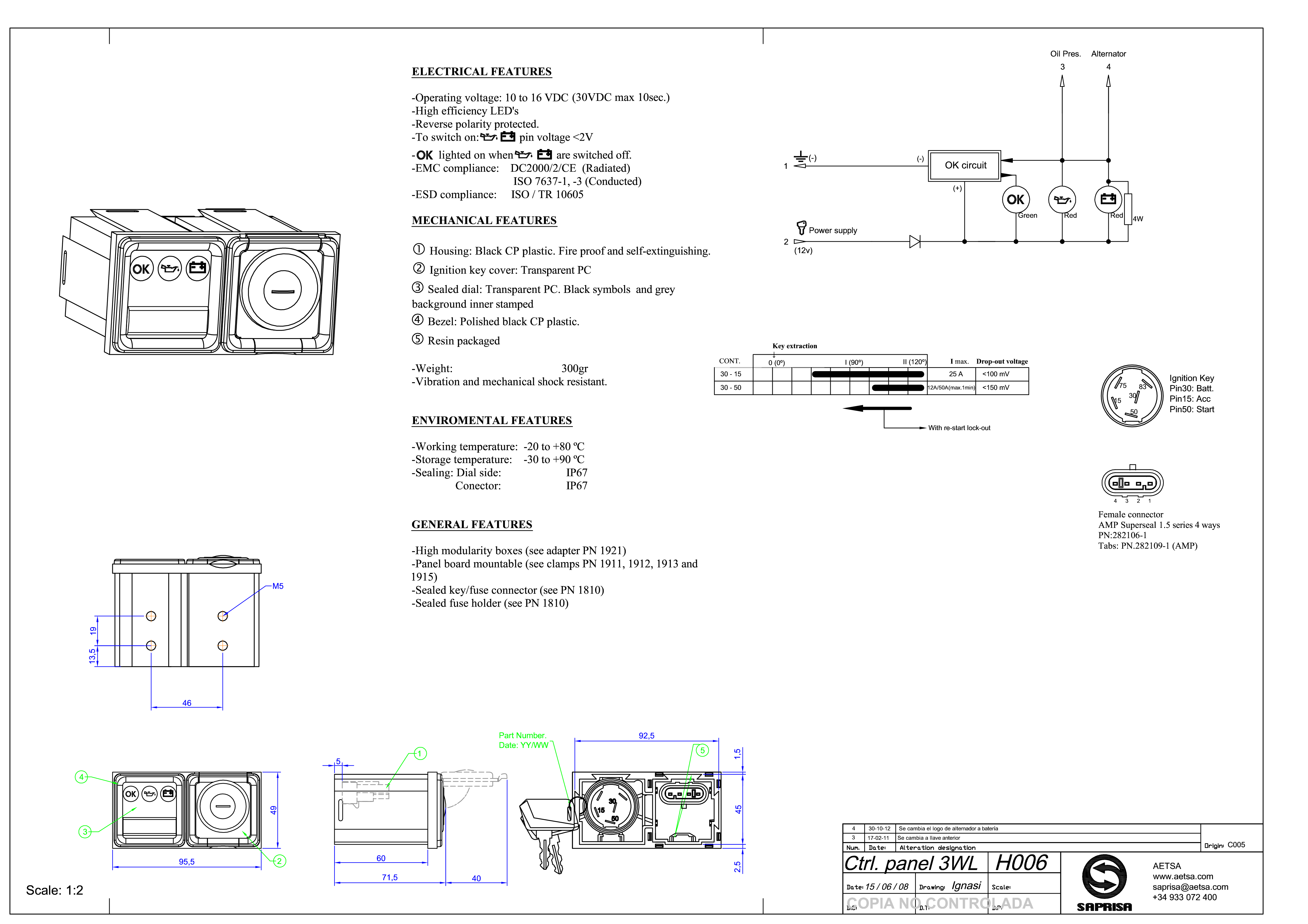
Control panel lombardini ed0072454830s / 7245483 saprisa h006 Lombardini Engine Control Panel This genuine oem control panel is built to meet the high standards of lombardini equipment, providing a reliable and durable replacement. Please also refer to the diagram on page 70, which details the interface engine side wiring harness for the lombardini control panel. Put the ignition key in the ignition switch. The panel connector index numbers. Engines are not used. Lombardini Engine Control Panel.
From www.technidiscount.com
Control panel lombardini kohler ed0072455010s / saprisa a107 Lombardini Engine Control Panel 6.1 engine oil replacement important before proceeding with operation, read par. Check the level of the engine oil, fuel and coolant and fill if necessary. Tun the key to 1. View and download lombardini marine kohler omnilink owner's manual online. This genuine oem control panel is built to meet the high standards of lombardini equipment, providing a reliable and durable. Lombardini Engine Control Panel.
From newgardenparts.com
Control panel 12V 3 lamps SAPRISA C005 LOMBARDINI 6LD 9LD engine 72... Lombardini Engine Control Panel Check the level of the engine oil, fuel and coolant and fill if necessary. Please also refer to the diagram on page 70, which details the interface engine side wiring harness for the lombardini control panel. Kohler omnilink control panel pdf manual download. Put the ignition key in the ignition switch. 3.2.2 place engine on level sur face to ensure. Lombardini Engine Control Panel.
From www.technidiscount.com
Contol panel lombardini 7245491 saprisa h315 / ed0072454910s Lombardini Engine Control Panel This genuine oem control panel is built to meet the high standards of lombardini equipment, providing a reliable and durable replacement. Engines are not used according to the instructions reported in the “use and maintenance” booklet supplied with each. View and download lombardini marine kohler omnilink owner's manual online. Check the level of the engine oil, fuel and coolant and. Lombardini Engine Control Panel.
From www.technidiscount.com
Control panel lombardini 7245466 kohler ed0072454660s saprisa d109 Lombardini Engine Control Panel Put the ignition key in the ignition switch. The panel connector index numbers. This genuine oem control panel is built to meet the high standards of lombardini equipment, providing a reliable and durable replacement. Kohler omnilink control panel pdf manual download. Tun the key to 1. View and download lombardini marine kohler omnilink owner's manual online. Please also refer to. Lombardini Engine Control Panel.
From www.technidiscount.com
Kohler control panel 12v ed0072454900s kohler 7245490 lombardini a719a Lombardini Engine Control Panel Tun the key to 1. Kohler omnilink control panel pdf manual download. Lombardini supplied control panels, oem/end user supplied/installed relays, controls, etc. Put the ignition key in the ignition switch. The panel connector index numbers. 6.1 engine oil replacement important before proceeding with operation, read par. Please also refer to the diagram on page 70, which details the interface engine. Lombardini Engine Control Panel.
From www.marinedieselbasics.com
Lombardini Omnilink Control Panel Owner Manual MARINE DIESEL BASICS Lombardini Engine Control Panel Lombardini supplied control panels, oem/end user supplied/installed relays, controls, etc. The panel connector index numbers. Please also refer to the diagram on page 70, which details the interface engine side wiring harness for the lombardini control panel. Kohler omnilink control panel pdf manual download. Put the ignition key in the ignition switch. View and download lombardini marine kohler omnilink owner's. Lombardini Engine Control Panel.
From newgardenstore.eu
Control panel 12V 2 lamps SAPRISA C315 engine LOMBARDINI 15LD 7245.... Lombardini Engine Control Panel Engines are not used according to the instructions reported in the “use and maintenance” booklet supplied with each. 3.2.2 place engine on level sur face to ensure accurate. 6.1 engine oil replacement important before proceeding with operation, read par. Check the level of the engine oil, fuel and coolant and fill if necessary. Tun the key to 1. Lombardini supplied. Lombardini Engine Control Panel.
From newgardenstore.eu
Control panel 12V 2 lamps SAPRISA C315 engine LOMBARDINI 15LD 7245.... Lombardini Engine Control Panel Check the level of the engine oil, fuel and coolant and fill if necessary. Please also refer to the diagram on page 70, which details the interface engine side wiring harness for the lombardini control panel. Put the ignition key in the ignition switch. 3.2.2 place engine on level sur face to ensure accurate. View and download lombardini marine kohler. Lombardini Engine Control Panel.
From www.technidiscount.com
Control panel lombardini 7245464 kohler ed0072454640s saprisa d309 Lombardini Engine Control Panel Lombardini supplied control panels, oem/end user supplied/installed relays, controls, etc. Please also refer to the diagram on page 70, which details the interface engine side wiring harness for the lombardini control panel. The panel connector index numbers. 3.2.2 place engine on level sur face to ensure accurate. This genuine oem control panel is built to meet the high standards of. Lombardini Engine Control Panel.
From www.technidiscount.com
Kohler control panel 12v lombardini 7245492 kohler ed0072454920s Lombardini Engine Control Panel Kohler omnilink control panel pdf manual download. Tun the key to 1. The panel connector index numbers. Please also refer to the diagram on page 70, which details the interface engine side wiring harness for the lombardini control panel. This genuine oem control panel is built to meet the high standards of lombardini equipment, providing a reliable and durable replacement.. Lombardini Engine Control Panel.
From e-rubber.eu
Control panel Kohler Lombardini ED0072454830S Erubber.eu Lombardini Engine Control Panel Check the level of the engine oil, fuel and coolant and fill if necessary. View and download lombardini marine kohler omnilink owner's manual online. Put the ignition key in the ignition switch. 6.1 engine oil replacement important before proceeding with operation, read par. This genuine oem control panel is built to meet the high standards of lombardini equipment, providing a. Lombardini Engine Control Panel.
From newgardenstore.eu
Control panel 12V 2 lamps SAPRISA C315 engine LOMBARDINI 15LD 7245.... Lombardini Engine Control Panel The panel connector index numbers. Put the ignition key in the ignition switch. This genuine oem control panel is built to meet the high standards of lombardini equipment, providing a reliable and durable replacement. Tun the key to 1. Check the level of the engine oil, fuel and coolant and fill if necessary. Please also refer to the diagram on. Lombardini Engine Control Panel.
From www.technidiscount.com
Control panel lombardini 7245465 kohler ed0072454650s saprisa d009 Lombardini Engine Control Panel 3.2.2 place engine on level sur face to ensure accurate. This genuine oem control panel is built to meet the high standards of lombardini equipment, providing a reliable and durable replacement. The panel connector index numbers. Engines are not used according to the instructions reported in the “use and maintenance” booklet supplied with each. Tun the key to 1. Kohler. Lombardini Engine Control Panel.
From www.technidiscount.com
Control panel lombardini 7245466 kohler ed0072454660s saprisa d109 Lombardini Engine Control Panel This genuine oem control panel is built to meet the high standards of lombardini equipment, providing a reliable and durable replacement. Kohler omnilink control panel pdf manual download. Please also refer to the diagram on page 70, which details the interface engine side wiring harness for the lombardini control panel. View and download lombardini marine kohler omnilink owner's manual online.. Lombardini Engine Control Panel.
From www.gensetcomponents.com
Control Panel 3WL+REG Lombardini (ED0072454910S) GENSET COMPONENTS Lombardini Engine Control Panel Please also refer to the diagram on page 70, which details the interface engine side wiring harness for the lombardini control panel. Kohler omnilink control panel pdf manual download. The panel connector index numbers. Check the level of the engine oil, fuel and coolant and fill if necessary. Engines are not used according to the instructions reported in the “use. Lombardini Engine Control Panel.
From www.technidiscount.com
Control panel lombardini ed0072454830s / 7245483 saprisa h006 Lombardini Engine Control Panel 3.2.2 place engine on level sur face to ensure accurate. Tun the key to 1. Please also refer to the diagram on page 70, which details the interface engine side wiring harness for the lombardini control panel. Put the ignition key in the ignition switch. This genuine oem control panel is built to meet the high standards of lombardini equipment,. Lombardini Engine Control Panel.
From www.technidiscount.com
Control panel lombardini 7245466 kohler ed0072454660s saprisa d109 Lombardini Engine Control Panel Engines are not used according to the instructions reported in the “use and maintenance” booklet supplied with each. The panel connector index numbers. Put the ignition key in the ignition switch. Tun the key to 1. View and download lombardini marine kohler omnilink owner's manual online. 3.2.2 place engine on level sur face to ensure accurate. Please also refer to. Lombardini Engine Control Panel.
From www.technidiscount.com
Control panel saprisa a007 / lombardini kohler ed007245500s Lombardini Engine Control Panel View and download lombardini marine kohler omnilink owner's manual online. Put the ignition key in the ignition switch. 6.1 engine oil replacement important before proceeding with operation, read par. This genuine oem control panel is built to meet the high standards of lombardini equipment, providing a reliable and durable replacement. Lombardini supplied control panels, oem/end user supplied/installed relays, controls, etc.. Lombardini Engine Control Panel.
From www.gdn-industries.com
Panel 7245501 engines LOMBARDINI GDN INDUSTRIES Lombardini Engine Control Panel Check the level of the engine oil, fuel and coolant and fill if necessary. This genuine oem control panel is built to meet the high standards of lombardini equipment, providing a reliable and durable replacement. 3.2.2 place engine on level sur face to ensure accurate. 6.1 engine oil replacement important before proceeding with operation, read par. Tun the key to. Lombardini Engine Control Panel.
From newgardenstore.eu
Control panel 12V 2 lamps SAPRISA C315 engine LOMBARDINI 15LD 7245.... Lombardini Engine Control Panel 6.1 engine oil replacement important before proceeding with operation, read par. Engines are not used according to the instructions reported in the “use and maintenance” booklet supplied with each. Please also refer to the diagram on page 70, which details the interface engine side wiring harness for the lombardini control panel. This genuine oem control panel is built to meet. Lombardini Engine Control Panel.
From www.technidiscount.com
Control panel lombardini ed0072454830s / 7245483 saprisa h006 Lombardini Engine Control Panel Lombardini supplied control panels, oem/end user supplied/installed relays, controls, etc. Tun the key to 1. Put the ignition key in the ignition switch. 3.2.2 place engine on level sur face to ensure accurate. View and download lombardini marine kohler omnilink owner's manual online. 6.1 engine oil replacement important before proceeding with operation, read par. Check the level of the engine. Lombardini Engine Control Panel.
From www.technidiscount.com
Kohler control panel 12v ed0072450010s lombardini 7245001 saprisa a327 Lombardini Engine Control Panel Check the level of the engine oil, fuel and coolant and fill if necessary. This genuine oem control panel is built to meet the high standards of lombardini equipment, providing a reliable and durable replacement. Engines are not used according to the instructions reported in the “use and maintenance” booklet supplied with each. Put the ignition key in the ignition. Lombardini Engine Control Panel.
From newgardenstore.eu
Control panel 12V 2 lamps SAPRISA C315 engine LOMBARDINI 15LD 7245.... Lombardini Engine Control Panel View and download lombardini marine kohler omnilink owner's manual online. 6.1 engine oil replacement important before proceeding with operation, read par. Lombardini supplied control panels, oem/end user supplied/installed relays, controls, etc. Kohler omnilink control panel pdf manual download. 3.2.2 place engine on level sur face to ensure accurate. The panel connector index numbers. Put the ignition key in the ignition. Lombardini Engine Control Panel.
From www.technidiscount.com
Control panel lombardini 7245464 kohler ed0072454640s saprisa d309 Lombardini Engine Control Panel 6.1 engine oil replacement important before proceeding with operation, read par. This genuine oem control panel is built to meet the high standards of lombardini equipment, providing a reliable and durable replacement. Please also refer to the diagram on page 70, which details the interface engine side wiring harness for the lombardini control panel. Check the level of the engine. Lombardini Engine Control Panel.
From www.technidiscount.com
Control panel lombardini kohler ed0072455010s / saprisa a107 Lombardini Engine Control Panel View and download lombardini marine kohler omnilink owner's manual online. 3.2.2 place engine on level sur face to ensure accurate. Engines are not used according to the instructions reported in the “use and maintenance” booklet supplied with each. The panel connector index numbers. Tun the key to 1. Lombardini supplied control panels, oem/end user supplied/installed relays, controls, etc. Put the. Lombardini Engine Control Panel.
From newgardenstore.eu
Control panel 12V 2 lamps SAPRISA C315 engine LOMBARDINI 15LD 7245.... Lombardini Engine Control Panel 3.2.2 place engine on level sur face to ensure accurate. The panel connector index numbers. Put the ignition key in the ignition switch. Engines are not used according to the instructions reported in the “use and maintenance” booklet supplied with each. View and download lombardini marine kohler omnilink owner's manual online. Check the level of the engine oil, fuel and. Lombardini Engine Control Panel.
From www.gdn-industries.com
Panel 12V 7245423 engine LOMBARDINI 15LD 440/ KD440 GDN INDUSTRIES Lombardini Engine Control Panel This genuine oem control panel is built to meet the high standards of lombardini equipment, providing a reliable and durable replacement. Tun the key to 1. 6.1 engine oil replacement important before proceeding with operation, read par. The panel connector index numbers. View and download lombardini marine kohler omnilink owner's manual online. Please also refer to the diagram on page. Lombardini Engine Control Panel.
From www.technidiscount.com
Control panel lombardini ed0072454830s / 7245483 saprisa h006 Lombardini Engine Control Panel Please also refer to the diagram on page 70, which details the interface engine side wiring harness for the lombardini control panel. Engines are not used according to the instructions reported in the “use and maintenance” booklet supplied with each. Put the ignition key in the ignition switch. Tun the key to 1. Kohler omnilink control panel pdf manual download.. Lombardini Engine Control Panel.
From www.technidiscount.com
Control panel lombardini 7245466 kohler ed0072454660s saprisa d109 Lombardini Engine Control Panel View and download lombardini marine kohler omnilink owner's manual online. Lombardini supplied control panels, oem/end user supplied/installed relays, controls, etc. Engines are not used according to the instructions reported in the “use and maintenance” booklet supplied with each. Kohler omnilink control panel pdf manual download. 3.2.2 place engine on level sur face to ensure accurate. The panel connector index numbers.. Lombardini Engine Control Panel.
From www.technidiscount.com
Kohler control panel 12v ed0072450010s lombardini 7245001 saprisa a327 Lombardini Engine Control Panel 6.1 engine oil replacement important before proceeding with operation, read par. 3.2.2 place engine on level sur face to ensure accurate. View and download lombardini marine kohler omnilink owner's manual online. Lombardini supplied control panels, oem/end user supplied/installed relays, controls, etc. Engines are not used according to the instructions reported in the “use and maintenance” booklet supplied with each. Tun. Lombardini Engine Control Panel.
From www.technidiscount.com
Control panel saprisa a007 / lombardini kohler ed007245500s Lombardini Engine Control Panel Please also refer to the diagram on page 70, which details the interface engine side wiring harness for the lombardini control panel. Kohler omnilink control panel pdf manual download. View and download lombardini marine kohler omnilink owner's manual online. 6.1 engine oil replacement important before proceeding with operation, read par. This genuine oem control panel is built to meet the. Lombardini Engine Control Panel.
From www.gdn-industries.com
Panel 7245499 engines LOMBARDINI GDN INDUSTRIES Lombardini Engine Control Panel Check the level of the engine oil, fuel and coolant and fill if necessary. Please also refer to the diagram on page 70, which details the interface engine side wiring harness for the lombardini control panel. Engines are not used according to the instructions reported in the “use and maintenance” booklet supplied with each. Put the ignition key in the. Lombardini Engine Control Panel.