Ferrite Bead For Usb . any length of an electrical conductor is an antenna in the presence of a radio frequency signal. It should be resistive to. i am building a usb project and i want to use a ferrite bead in the usb 5v rail. when designing hardware for usb host, remember the following: i came across this pcb schematic and i see they use a ferrite bead at the input of the usb 5v power. I am looking for 1206 ferrite. If you fire up your. • use a ferrite bead for. The usb specification prohibits the use of ferrite beads on the usb dp and dm data. the ferrite bead between the cable shield and ground may be valued between 10 ω and 50 ωat 100 mhz; • use a 48 mhz (2500 ppm) crystal.
from www.reddit.com
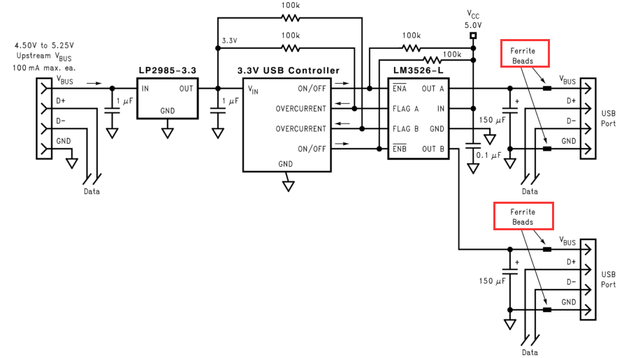
The usb specification prohibits the use of ferrite beads on the usb dp and dm data. the ferrite bead between the cable shield and ground may be valued between 10 ω and 50 ωat 100 mhz; • use a ferrite bead for. i came across this pcb schematic and i see they use a ferrite bead at the input of the usb 5v power. • use a 48 mhz (2500 ppm) crystal. any length of an electrical conductor is an antenna in the presence of a radio frequency signal. I am looking for 1206 ferrite. If you fire up your. i am building a usb project and i want to use a ferrite bead in the usb 5v rail. when designing hardware for usb host, remember the following:
They said Ferrite Bead can reduce dropped USB connection... 3Dprinting
Ferrite Bead For Usb If you fire up your. i came across this pcb schematic and i see they use a ferrite bead at the input of the usb 5v power. • use a ferrite bead for. • use a 48 mhz (2500 ppm) crystal. If you fire up your. I am looking for 1206 ferrite. when designing hardware for usb host, remember the following: i am building a usb project and i want to use a ferrite bead in the usb 5v rail. any length of an electrical conductor is an antenna in the presence of a radio frequency signal. the ferrite bead between the cable shield and ground may be valued between 10 ω and 50 ωat 100 mhz; It should be resistive to. The usb specification prohibits the use of ferrite beads on the usb dp and dm data.
From www.aliexpress.com
Besegad 10pcs Clip on Design Ferrite Beads Ferrite Ring Core RFI EMI Ferrite Bead For Usb I am looking for 1206 ferrite. any length of an electrical conductor is an antenna in the presence of a radio frequency signal. The usb specification prohibits the use of ferrite beads on the usb dp and dm data. If you fire up your. • use a 48 mhz (2500 ppm) crystal. i am building a usb project. Ferrite Bead For Usb.
From www.pinterest.com
BEST Ferrite Bead For Headphones Smartphone Noise Suppressor USB HDMI Ferrite Bead For Usb It should be resistive to. when designing hardware for usb host, remember the following: The usb specification prohibits the use of ferrite beads on the usb dp and dm data. If you fire up your. • use a 48 mhz (2500 ppm) crystal. • use a ferrite bead for. any length of an electrical conductor is an antenna. Ferrite Bead For Usb.
From www.alibaba.com
Usb C Cable With Ferrite Beads Buy Usb Type C Plug Cable With Ferrite Ferrite Bead For Usb i am building a usb project and i want to use a ferrite bead in the usb 5v rail. the ferrite bead between the cable shield and ground may be valued between 10 ω and 50 ωat 100 mhz; i came across this pcb schematic and i see they use a ferrite bead at the input of. Ferrite Bead For Usb.
From www.usbfirewire.com
Ferrite Bead for USB 2.0 Cables 877.522.3779 Ferrite Bead For Usb If you fire up your. any length of an electrical conductor is an antenna in the presence of a radio frequency signal. • use a 48 mhz (2500 ppm) crystal. when designing hardware for usb host, remember the following: i am building a usb project and i want to use a ferrite bead in the usb 5v. Ferrite Bead For Usb.
From www.tanotis.com
7' HiSpeed USB Type A Male to Mini USB Type B Cable with Ferrite Bead Ferrite Bead For Usb i came across this pcb schematic and i see they use a ferrite bead at the input of the usb 5v power. the ferrite bead between the cable shield and ground may be valued between 10 ω and 50 ωat 100 mhz; i am building a usb project and i want to use a ferrite bead in. Ferrite Bead For Usb.
From www.desertcart.ae
iSKUKA [Pack of 10] Ferrite Beads Clip on Design for HDMI Cable USB Ferrite Bead For Usb i came across this pcb schematic and i see they use a ferrite bead at the input of the usb 5v power. • use a ferrite bead for. I am looking for 1206 ferrite. when designing hardware for usb host, remember the following: If you fire up your. the ferrite bead between the cable shield and ground. Ferrite Bead For Usb.
From www.dreamstime.com
Close Up Ferrite Bead in USB Stock Photo Image of closeup, cable Ferrite Bead For Usb If you fire up your. The usb specification prohibits the use of ferrite beads on the usb dp and dm data. the ferrite bead between the cable shield and ground may be valued between 10 ω and 50 ωat 100 mhz; • use a 48 mhz (2500 ppm) crystal. i am building a usb project and i want. Ferrite Bead For Usb.
From e2echina.ti.com
USB OTG ferrite bead selected 电源管理论坛 电源管理 E2E™ 设计支持 Ferrite Bead For Usb I am looking for 1206 ferrite. any length of an electrical conductor is an antenna in the presence of a radio frequency signal. the ferrite bead between the cable shield and ground may be valued between 10 ω and 50 ωat 100 mhz; • use a 48 mhz (2500 ppm) crystal. The usb specification prohibits the use of. Ferrite Bead For Usb.
From www.careful.cn
Benefits of a Ferrite Bead USB Cable Ferrite Bead For Usb the ferrite bead between the cable shield and ground may be valued between 10 ω and 50 ωat 100 mhz; If you fire up your. i am building a usb project and i want to use a ferrite bead in the usb 5v rail. • use a 48 mhz (2500 ppm) crystal. any length of an electrical. Ferrite Bead For Usb.
From www.reddit.com
They said Ferrite Bead can reduce dropped USB connection... 3Dprinting Ferrite Bead For Usb when designing hardware for usb host, remember the following: If you fire up your. • use a 48 mhz (2500 ppm) crystal. It should be resistive to. The usb specification prohibits the use of ferrite beads on the usb dp and dm data. • use a ferrite bead for. i am building a usb project and i want. Ferrite Bead For Usb.
From www.newark.com
MC002470 Pro USB Cable, With Ferrite Beads, USB Type A Plug Ferrite Bead For Usb the ferrite bead between the cable shield and ground may be valued between 10 ω and 50 ωat 100 mhz; when designing hardware for usb host, remember the following: i am building a usb project and i want to use a ferrite bead in the usb 5v rail. It should be resistive to. I am looking for. Ferrite Bead For Usb.
From es.aliexpress.com
Dual Ferrite Bead Sync Charging Micro USB Cable for Smartphone Digital Ferrite Bead For Usb • use a ferrite bead for. If you fire up your. when designing hardware for usb host, remember the following: any length of an electrical conductor is an antenna in the presence of a radio frequency signal. I am looking for 1206 ferrite. The usb specification prohibits the use of ferrite beads on the usb dp and dm. Ferrite Bead For Usb.
From www.usbfirewire.com
Ferrite Bead for USB 2.0 Cables 877.522.3779 Ferrite Bead For Usb The usb specification prohibits the use of ferrite beads on the usb dp and dm data. I am looking for 1206 ferrite. i am building a usb project and i want to use a ferrite bead in the usb 5v rail. It should be resistive to. • use a 48 mhz (2500 ppm) crystal. the ferrite bead between. Ferrite Bead For Usb.
From www.amazon.com
iSKUKA [Pack of 10] Ferrite Beads Clip on Design for HDMI Ferrite Bead For Usb • use a 48 mhz (2500 ppm) crystal. • use a ferrite bead for. any length of an electrical conductor is an antenna in the presence of a radio frequency signal. i came across this pcb schematic and i see they use a ferrite bead at the input of the usb 5v power. The usb specification prohibits the. Ferrite Bead For Usb.
From v3.airspy.us
Ferrite bead for Airspy USB cable (Clipon) Airspy.US Ferrite Bead For Usb I am looking for 1206 ferrite. • use a ferrite bead for. The usb specification prohibits the use of ferrite beads on the usb dp and dm data. when designing hardware for usb host, remember the following: the ferrite bead between the cable shield and ground may be valued between 10 ω and 50 ωat 100 mhz; . Ferrite Bead For Usb.
From northcoastsynthesis.com
The Truth About Ferrite Beads Will Shock You North Coast Synthesis Ltd. Ferrite Bead For Usb The usb specification prohibits the use of ferrite beads on the usb dp and dm data. i am building a usb project and i want to use a ferrite bead in the usb 5v rail. any length of an electrical conductor is an antenna in the presence of a radio frequency signal. • use a ferrite bead for.. Ferrite Bead For Usb.
From www.alamy.com
Detail of the head of a black mini usb cable with ferrite bead Stock Ferrite Bead For Usb • use a 48 mhz (2500 ppm) crystal. i am building a usb project and i want to use a ferrite bead in the usb 5v rail. I am looking for 1206 ferrite. The usb specification prohibits the use of ferrite beads on the usb dp and dm data. • use a ferrite bead for. the ferrite bead. Ferrite Bead For Usb.
From www.aliexpress.com
Inner 3.5mm 0.14'' clip EMI filter ferrite ring RF choke ferrite bead Ferrite Bead For Usb the ferrite bead between the cable shield and ground may be valued between 10 ω and 50 ωat 100 mhz; I am looking for 1206 ferrite. It should be resistive to. i am building a usb project and i want to use a ferrite bead in the usb 5v rail. • use a ferrite bead for. The usb. Ferrite Bead For Usb.
From en.wikipedia.org
Ferrite bead Wikipedia Ferrite Bead For Usb • use a ferrite bead for. i came across this pcb schematic and i see they use a ferrite bead at the input of the usb 5v power. The usb specification prohibits the use of ferrite beads on the usb dp and dm data. i am building a usb project and i want to use a ferrite bead. Ferrite Bead For Usb.
From www.angledcables.com
Ferrite Bead for USB 3.0 Cables 877.522.3779 Ferrite Bead For Usb i am building a usb project and i want to use a ferrite bead in the usb 5v rail. • use a ferrite bead for. If you fire up your. The usb specification prohibits the use of ferrite beads on the usb dp and dm data. any length of an electrical conductor is an antenna in the presence. Ferrite Bead For Usb.
From www.getuscart.com
GetUSCart iSKUKA [Pack of 10 Ferrite Beads Clip on Design HDMI Cable Ferrite Bead For Usb The usb specification prohibits the use of ferrite beads on the usb dp and dm data. i came across this pcb schematic and i see they use a ferrite bead at the input of the usb 5v power. the ferrite bead between the cable shield and ground may be valued between 10 ω and 50 ωat 100 mhz;. Ferrite Bead For Usb.
From www.prnewswire.com
Launches New USB 2.0 and 3.0 Cables with Ferrite Beads Ferrite Bead For Usb If you fire up your. It should be resistive to. • use a ferrite bead for. when designing hardware for usb host, remember the following: i am building a usb project and i want to use a ferrite bead in the usb 5v rail. The usb specification prohibits the use of ferrite beads on the usb dp and. Ferrite Bead For Usb.
From www.amazon.com.au
Tripp Lite USB 2.0 HiSpeed A/B Cable with Ferrite Chokes (M/M) 3ft Ferrite Bead For Usb It should be resistive to. • use a 48 mhz (2500 ppm) crystal. • use a ferrite bead for. when designing hardware for usb host, remember the following: the ferrite bead between the cable shield and ground may be valued between 10 ω and 50 ωat 100 mhz; If you fire up your. i am building a. Ferrite Bead For Usb.
From www.quora.com
What is the purpose of a ferrite bead on a USB cable? Does it actually Ferrite Bead For Usb • use a 48 mhz (2500 ppm) crystal. I am looking for 1206 ferrite. any length of an electrical conductor is an antenna in the presence of a radio frequency signal. If you fire up your. the ferrite bead between the cable shield and ground may be valued between 10 ω and 50 ωat 100 mhz; It should. Ferrite Bead For Usb.
From www.amazon.com
U2A000152M USB Cable, W/Ferrite Bead, USB Type A Plug Ferrite Bead For Usb i am building a usb project and i want to use a ferrite bead in the usb 5v rail. I am looking for 1206 ferrite. any length of an electrical conductor is an antenna in the presence of a radio frequency signal. • use a ferrite bead for. The usb specification prohibits the use of ferrite beads on. Ferrite Bead For Usb.
From www.alamy.com
Detail of the head of a black mini usb cable with ferrite bead Stock Ferrite Bead For Usb The usb specification prohibits the use of ferrite beads on the usb dp and dm data. any length of an electrical conductor is an antenna in the presence of a radio frequency signal. If you fire up your. I am looking for 1206 ferrite. • use a 48 mhz (2500 ppm) crystal. i came across this pcb schematic. Ferrite Bead For Usb.
From exoxegtyv.blob.core.windows.net
Ferrite Beads Usb at Douglas Valentin blog Ferrite Bead For Usb i came across this pcb schematic and i see they use a ferrite bead at the input of the usb 5v power. when designing hardware for usb host, remember the following: the ferrite bead between the cable shield and ground may be valued between 10 ω and 50 ωat 100 mhz; I am looking for 1206 ferrite.. Ferrite Bead For Usb.
From electronics.stackexchange.com
noise Why use a ferrite bead at a USB input Electrical Engineering Ferrite Bead For Usb any length of an electrical conductor is an antenna in the presence of a radio frequency signal. • use a ferrite bead for. It should be resistive to. I am looking for 1206 ferrite. the ferrite bead between the cable shield and ground may be valued between 10 ω and 50 ωat 100 mhz; i am building. Ferrite Bead For Usb.
From www.wit-area.com
Professional USB C Cable With Ferrite Beads manufacturer. Ferrite Bead For Usb • use a ferrite bead for. • use a 48 mhz (2500 ppm) crystal. when designing hardware for usb host, remember the following: It should be resistive to. The usb specification prohibits the use of ferrite beads on the usb dp and dm data. the ferrite bead between the cable shield and ground may be valued between 10. Ferrite Bead For Usb.
From www.angledcables.com
Ferrite Bead for USB 3.0 Cables 877.522.3779 Ferrite Bead For Usb I am looking for 1206 ferrite. • use a ferrite bead for. It should be resistive to. i came across this pcb schematic and i see they use a ferrite bead at the input of the usb 5v power. • use a 48 mhz (2500 ppm) crystal. any length of an electrical conductor is an antenna in the. Ferrite Bead For Usb.
From bigamart.com
10pcs Clipon Ferrite Ring Core Bead RFI EMI Noise Suppressor High Ferrite Bead For Usb i am building a usb project and i want to use a ferrite bead in the usb 5v rail. i came across this pcb schematic and i see they use a ferrite bead at the input of the usb 5v power. the ferrite bead between the cable shield and ground may be valued between 10 ω and. Ferrite Bead For Usb.
From exoxegtyv.blob.core.windows.net
Ferrite Beads Usb at Douglas Valentin blog Ferrite Bead For Usb The usb specification prohibits the use of ferrite beads on the usb dp and dm data. i am building a usb project and i want to use a ferrite bead in the usb 5v rail. • use a ferrite bead for. • use a 48 mhz (2500 ppm) crystal. the ferrite bead between the cable shield and ground. Ferrite Bead For Usb.
From www.wit-area.com
Professional USB C Cable With Ferrite Beads manufacturer. Ferrite Bead For Usb I am looking for 1206 ferrite. i came across this pcb schematic and i see they use a ferrite bead at the input of the usb 5v power. It should be resistive to. If you fire up your. i am building a usb project and i want to use a ferrite bead in the usb 5v rail. •. Ferrite Bead For Usb.
From www.getuscart.com
GetUSCart iSKUKA [Pack of 10 Ferrite Beads Clip on Design HDMI Cable Ferrite Bead For Usb I am looking for 1206 ferrite. the ferrite bead between the cable shield and ground may be valued between 10 ω and 50 ωat 100 mhz; i came across this pcb schematic and i see they use a ferrite bead at the input of the usb 5v power. The usb specification prohibits the use of ferrite beads on. Ferrite Bead For Usb.
From www.angledcables.com
Ferrite Bead for USB 2.0 Cables 877.522.3779 Ferrite Bead For Usb any length of an electrical conductor is an antenna in the presence of a radio frequency signal. If you fire up your. the ferrite bead between the cable shield and ground may be valued between 10 ω and 50 ωat 100 mhz; • use a 48 mhz (2500 ppm) crystal. I am looking for 1206 ferrite. i. Ferrite Bead For Usb.