Steam Jacketed Kettle Diagram . A steam jacketed kettle is a cooking vessel designed for the efficient and uniform heating of food products. It operates on the principle of indirect heating, where steam is circulated in the space between the inner and outer walls of the kettle, transferring heat to the contents inside. A steam jacketed kettle diagram is a graphical representation of the parts and components of a steam jacketed kettle. Ensure that the external electrical service to.
from design1systems.com
It operates on the principle of indirect heating, where steam is circulated in the space between the inner and outer walls of the kettle, transferring heat to the contents inside. A steam jacketed kettle diagram is a graphical representation of the parts and components of a steam jacketed kettle. A steam jacketed kettle is a cooking vessel designed for the efficient and uniform heating of food products. Ensure that the external electrical service to.
How Steam Jacketed Kettle Diagrams Enhance Efficiency in Commercial
Steam Jacketed Kettle Diagram A steam jacketed kettle is a cooking vessel designed for the efficient and uniform heating of food products. Ensure that the external electrical service to. It operates on the principle of indirect heating, where steam is circulated in the space between the inner and outer walls of the kettle, transferring heat to the contents inside. A steam jacketed kettle diagram is a graphical representation of the parts and components of a steam jacketed kettle. A steam jacketed kettle is a cooking vessel designed for the efficient and uniform heating of food products.
From asianbeernetwork.com
Brewing with Steam The Pros and Cons Asian Beer Network Steam Jacketed Kettle Diagram A steam jacketed kettle diagram is a graphical representation of the parts and components of a steam jacketed kettle. Ensure that the external electrical service to. It operates on the principle of indirect heating, where steam is circulated in the space between the inner and outer walls of the kettle, transferring heat to the contents inside. A steam jacketed kettle. Steam Jacketed Kettle Diagram.
From exodhcobs.blob.core.windows.net
How To Steam Using Kettle at Steven Hoopes blog Steam Jacketed Kettle Diagram Ensure that the external electrical service to. A steam jacketed kettle is a cooking vessel designed for the efficient and uniform heating of food products. It operates on the principle of indirect heating, where steam is circulated in the space between the inner and outer walls of the kettle, transferring heat to the contents inside. A steam jacketed kettle diagram. Steam Jacketed Kettle Diagram.
From www.heritage-equipment.com
Steam Jacketed Kettles Stainless Steel Commercial Steam Kettles Steam Jacketed Kettle Diagram It operates on the principle of indirect heating, where steam is circulated in the space between the inner and outer walls of the kettle, transferring heat to the contents inside. A steam jacketed kettle is a cooking vessel designed for the efficient and uniform heating of food products. A steam jacketed kettle diagram is a graphical representation of the parts. Steam Jacketed Kettle Diagram.
From cezqywkq.blob.core.windows.net
How Are SteamJacketed Kettles Heated at Phillip Gill blog Steam Jacketed Kettle Diagram It operates on the principle of indirect heating, where steam is circulated in the space between the inner and outer walls of the kettle, transferring heat to the contents inside. A steam jacketed kettle diagram is a graphical representation of the parts and components of a steam jacketed kettle. A steam jacketed kettle is a cooking vessel designed for the. Steam Jacketed Kettle Diagram.
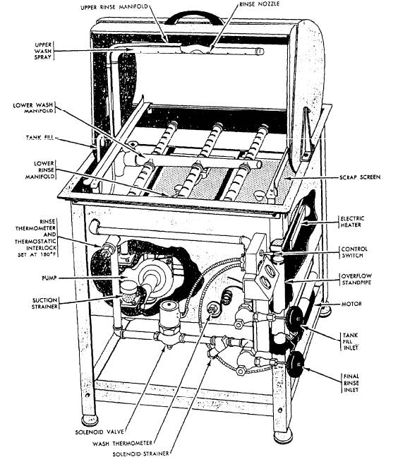
From www.tpub.com
Steamjacketed kettles Steam Jacketed Kettle Diagram Ensure that the external electrical service to. A steam jacketed kettle diagram is a graphical representation of the parts and components of a steam jacketed kettle. It operates on the principle of indirect heating, where steam is circulated in the space between the inner and outer walls of the kettle, transferring heat to the contents inside. A steam jacketed kettle. Steam Jacketed Kettle Diagram.
From peacecommission.kdsg.gov.ng
What Is Steam Jacketed Kettle? Working Principle, Construction, Diagram Steam Jacketed Kettle Diagram A steam jacketed kettle diagram is a graphical representation of the parts and components of a steam jacketed kettle. Ensure that the external electrical service to. A steam jacketed kettle is a cooking vessel designed for the efficient and uniform heating of food products. It operates on the principle of indirect heating, where steam is circulated in the space between. Steam Jacketed Kettle Diagram.
From www.researchgate.net
A conventional steam jacketed kettle used to heat batches of food Steam Jacketed Kettle Diagram A steam jacketed kettle is a cooking vessel designed for the efficient and uniform heating of food products. Ensure that the external electrical service to. A steam jacketed kettle diagram is a graphical representation of the parts and components of a steam jacketed kettle. It operates on the principle of indirect heating, where steam is circulated in the space between. Steam Jacketed Kettle Diagram.
From www.heritage-equipment.com
Steam Jacketed Kettles Stainless Steel Commercial Steam Kettles Steam Jacketed Kettle Diagram Ensure that the external electrical service to. A steam jacketed kettle is a cooking vessel designed for the efficient and uniform heating of food products. It operates on the principle of indirect heating, where steam is circulated in the space between the inner and outer walls of the kettle, transferring heat to the contents inside. A steam jacketed kettle diagram. Steam Jacketed Kettle Diagram.
From www.fermag.com
How to Choose a SteamJacketed Kettle Foodservice Equipment Reports Steam Jacketed Kettle Diagram Ensure that the external electrical service to. It operates on the principle of indirect heating, where steam is circulated in the space between the inner and outer walls of the kettle, transferring heat to the contents inside. A steam jacketed kettle is a cooking vessel designed for the efficient and uniform heating of food products. A steam jacketed kettle diagram. Steam Jacketed Kettle Diagram.
From solutionpharmacy.in
Steam Jacketed Kettle Construction, Working, and More Steam Jacketed Kettle Diagram Ensure that the external electrical service to. A steam jacketed kettle diagram is a graphical representation of the parts and components of a steam jacketed kettle. It operates on the principle of indirect heating, where steam is circulated in the space between the inner and outer walls of the kettle, transferring heat to the contents inside. A steam jacketed kettle. Steam Jacketed Kettle Diagram.
From design1systems.com
How Steam Jacketed Kettle Diagrams Enhance Efficiency in Commercial Steam Jacketed Kettle Diagram A steam jacketed kettle is a cooking vessel designed for the efficient and uniform heating of food products. Ensure that the external electrical service to. A steam jacketed kettle diagram is a graphical representation of the parts and components of a steam jacketed kettle. It operates on the principle of indirect heating, where steam is circulated in the space between. Steam Jacketed Kettle Diagram.
From design1systems.com
How Steam Jacketed Kettle Diagrams Enhance Efficiency in Commercial Steam Jacketed Kettle Diagram Ensure that the external electrical service to. It operates on the principle of indirect heating, where steam is circulated in the space between the inner and outer walls of the kettle, transferring heat to the contents inside. A steam jacketed kettle diagram is a graphical representation of the parts and components of a steam jacketed kettle. A steam jacketed kettle. Steam Jacketed Kettle Diagram.
From extension.okstate.edu
Steam Kettle Hookup Oklahoma State University Steam Jacketed Kettle Diagram A steam jacketed kettle is a cooking vessel designed for the efficient and uniform heating of food products. A steam jacketed kettle diagram is a graphical representation of the parts and components of a steam jacketed kettle. Ensure that the external electrical service to. It operates on the principle of indirect heating, where steam is circulated in the space between. Steam Jacketed Kettle Diagram.
From www.youtube.com
How to Start and Operate a Groen Steam Jacketed Kettle YouTube Steam Jacketed Kettle Diagram Ensure that the external electrical service to. It operates on the principle of indirect heating, where steam is circulated in the space between the inner and outer walls of the kettle, transferring heat to the contents inside. A steam jacketed kettle diagram is a graphical representation of the parts and components of a steam jacketed kettle. A steam jacketed kettle. Steam Jacketed Kettle Diagram.
From cezqywkq.blob.core.windows.net
How Are SteamJacketed Kettles Heated at Phillip Gill blog Steam Jacketed Kettle Diagram It operates on the principle of indirect heating, where steam is circulated in the space between the inner and outer walls of the kettle, transferring heat to the contents inside. Ensure that the external electrical service to. A steam jacketed kettle is a cooking vessel designed for the efficient and uniform heating of food products. A steam jacketed kettle diagram. Steam Jacketed Kettle Diagram.
From www.firemixer.com
How Does A Kettle With A Steam Jacketed Cooking Kettle Work?_Shandong Steam Jacketed Kettle Diagram A steam jacketed kettle diagram is a graphical representation of the parts and components of a steam jacketed kettle. Ensure that the external electrical service to. It operates on the principle of indirect heating, where steam is circulated in the space between the inner and outer walls of the kettle, transferring heat to the contents inside. A steam jacketed kettle. Steam Jacketed Kettle Diagram.
From design1systems.com
How Steam Jacketed Kettle Diagrams Enhance Efficiency in Commercial Steam Jacketed Kettle Diagram It operates on the principle of indirect heating, where steam is circulated in the space between the inner and outer walls of the kettle, transferring heat to the contents inside. A steam jacketed kettle diagram is a graphical representation of the parts and components of a steam jacketed kettle. Ensure that the external electrical service to. A steam jacketed kettle. Steam Jacketed Kettle Diagram.
From www.youtube.com
Evaporation Steam Jacketed Kettle Horizontal Tube Evaporator Steam Jacketed Kettle Diagram It operates on the principle of indirect heating, where steam is circulated in the space between the inner and outer walls of the kettle, transferring heat to the contents inside. A steam jacketed kettle is a cooking vessel designed for the efficient and uniform heating of food products. A steam jacketed kettle diagram is a graphical representation of the parts. Steam Jacketed Kettle Diagram.
From cezqywkq.blob.core.windows.net
How Are SteamJacketed Kettles Heated at Phillip Gill blog Steam Jacketed Kettle Diagram It operates on the principle of indirect heating, where steam is circulated in the space between the inner and outer walls of the kettle, transferring heat to the contents inside. Ensure that the external electrical service to. A steam jacketed kettle diagram is a graphical representation of the parts and components of a steam jacketed kettle. A steam jacketed kettle. Steam Jacketed Kettle Diagram.
From www.dcnorris.com
Industrial Steam Jacketed Kettles Food Processing Machines Steam Jacketed Kettle Diagram Ensure that the external electrical service to. A steam jacketed kettle is a cooking vessel designed for the efficient and uniform heating of food products. It operates on the principle of indirect heating, where steam is circulated in the space between the inner and outer walls of the kettle, transferring heat to the contents inside. A steam jacketed kettle diagram. Steam Jacketed Kettle Diagram.
From datavisualexpert.com
Understanding the Steam Jacketed Kettle A Comprehensive Diagram Steam Jacketed Kettle Diagram A steam jacketed kettle is a cooking vessel designed for the efficient and uniform heating of food products. A steam jacketed kettle diagram is a graphical representation of the parts and components of a steam jacketed kettle. It operates on the principle of indirect heating, where steam is circulated in the space between the inner and outer walls of the. Steam Jacketed Kettle Diagram.
From taizyfoodmachines.com
Jacketed Kettle \ Sandwich steam pot sandwich / jacketed pot Taizy Steam Jacketed Kettle Diagram A steam jacketed kettle is a cooking vessel designed for the efficient and uniform heating of food products. A steam jacketed kettle diagram is a graphical representation of the parts and components of a steam jacketed kettle. It operates on the principle of indirect heating, where steam is circulated in the space between the inner and outer walls of the. Steam Jacketed Kettle Diagram.
From www.ticomachine.com
Steam Jacketed Kettle, Vital Equipment for Heating Steam Jacketed Kettle Diagram Ensure that the external electrical service to. It operates on the principle of indirect heating, where steam is circulated in the space between the inner and outer walls of the kettle, transferring heat to the contents inside. A steam jacketed kettle is a cooking vessel designed for the efficient and uniform heating of food products. A steam jacketed kettle diagram. Steam Jacketed Kettle Diagram.
From electricalworkbook.com
What is Steam Jacketed Kettle? Working Principle, Construction, Diagram Steam Jacketed Kettle Diagram A steam jacketed kettle is a cooking vessel designed for the efficient and uniform heating of food products. Ensure that the external electrical service to. A steam jacketed kettle diagram is a graphical representation of the parts and components of a steam jacketed kettle. It operates on the principle of indirect heating, where steam is circulated in the space between. Steam Jacketed Kettle Diagram.
From electricalworkbook.com
What is Steam Jacketed Kettle? Working Principle, Construction, Diagram Steam Jacketed Kettle Diagram Ensure that the external electrical service to. A steam jacketed kettle diagram is a graphical representation of the parts and components of a steam jacketed kettle. A steam jacketed kettle is a cooking vessel designed for the efficient and uniform heating of food products. It operates on the principle of indirect heating, where steam is circulated in the space between. Steam Jacketed Kettle Diagram.
From cezqywkq.blob.core.windows.net
How Are SteamJacketed Kettles Heated at Phillip Gill blog Steam Jacketed Kettle Diagram A steam jacketed kettle is a cooking vessel designed for the efficient and uniform heating of food products. Ensure that the external electrical service to. A steam jacketed kettle diagram is a graphical representation of the parts and components of a steam jacketed kettle. It operates on the principle of indirect heating, where steam is circulated in the space between. Steam Jacketed Kettle Diagram.
From www.inox-fer.com
Double Jacketed Steam Kettle for jams and sauces production Steam Jacketed Kettle Diagram It operates on the principle of indirect heating, where steam is circulated in the space between the inner and outer walls of the kettle, transferring heat to the contents inside. Ensure that the external electrical service to. A steam jacketed kettle diagram is a graphical representation of the parts and components of a steam jacketed kettle. A steam jacketed kettle. Steam Jacketed Kettle Diagram.
From datavisualexpert.com
Understanding the Steam Jacketed Kettle A Comprehensive Diagram Steam Jacketed Kettle Diagram Ensure that the external electrical service to. A steam jacketed kettle is a cooking vessel designed for the efficient and uniform heating of food products. A steam jacketed kettle diagram is a graphical representation of the parts and components of a steam jacketed kettle. It operates on the principle of indirect heating, where steam is circulated in the space between. Steam Jacketed Kettle Diagram.
From www.youtube.com
Steam Jacketed kettle Wiring Diagram YouTube Steam Jacketed Kettle Diagram It operates on the principle of indirect heating, where steam is circulated in the space between the inner and outer walls of the kettle, transferring heat to the contents inside. A steam jacketed kettle diagram is a graphical representation of the parts and components of a steam jacketed kettle. A steam jacketed kettle is a cooking vessel designed for the. Steam Jacketed Kettle Diagram.
From www.pinterest.com
Steam jacketed kettle Steam jacketed kettle diagram Steam jacketed Steam Jacketed Kettle Diagram A steam jacketed kettle is a cooking vessel designed for the efficient and uniform heating of food products. It operates on the principle of indirect heating, where steam is circulated in the space between the inner and outer walls of the kettle, transferring heat to the contents inside. A steam jacketed kettle diagram is a graphical representation of the parts. Steam Jacketed Kettle Diagram.
From kettles.com
LEE 500 GALLON STAINLESS STEEL STEAM JACKETED KETTLE Production Steam Jacketed Kettle Diagram Ensure that the external electrical service to. A steam jacketed kettle diagram is a graphical representation of the parts and components of a steam jacketed kettle. It operates on the principle of indirect heating, where steam is circulated in the space between the inner and outer walls of the kettle, transferring heat to the contents inside. A steam jacketed kettle. Steam Jacketed Kettle Diagram.
From www.youtube.com
steam jacketed kettle project YouTube Steam Jacketed Kettle Diagram A steam jacketed kettle diagram is a graphical representation of the parts and components of a steam jacketed kettle. Ensure that the external electrical service to. A steam jacketed kettle is a cooking vessel designed for the efficient and uniform heating of food products. It operates on the principle of indirect heating, where steam is circulated in the space between. Steam Jacketed Kettle Diagram.
From www.jhen-ten.com
JTRZG Jacketed Steam Kettle Custom fabricate tank and filtration Steam Jacketed Kettle Diagram It operates on the principle of indirect heating, where steam is circulated in the space between the inner and outer walls of the kettle, transferring heat to the contents inside. A steam jacketed kettle diagram is a graphical representation of the parts and components of a steam jacketed kettle. A steam jacketed kettle is a cooking vessel designed for the. Steam Jacketed Kettle Diagram.
From www.inox-fer.com
Double Jacketed Steam Kettle for jams and sauces production Steam Jacketed Kettle Diagram It operates on the principle of indirect heating, where steam is circulated in the space between the inner and outer walls of the kettle, transferring heat to the contents inside. A steam jacketed kettle is a cooking vessel designed for the efficient and uniform heating of food products. Ensure that the external electrical service to. A steam jacketed kettle diagram. Steam Jacketed Kettle Diagram.
From www.dcnorrisna.com
Equipment Focus Steam Jacketed Cooking Kettles DCN USA Steam Jacketed Kettle Diagram A steam jacketed kettle is a cooking vessel designed for the efficient and uniform heating of food products. A steam jacketed kettle diagram is a graphical representation of the parts and components of a steam jacketed kettle. Ensure that the external electrical service to. It operates on the principle of indirect heating, where steam is circulated in the space between. Steam Jacketed Kettle Diagram.