Stator For 2007 Yamaha Grizzly 700 . 2008 700 grizz stator upgrade. Ricky stator now offers the highest quality. I know this topic has been discussed to death, so i apologize. this is an excellent heavy duty replacement stator for your grizzly 700. esg943 is a high quality stator that replaces the oem stator in the yamaha yfm550 and yfm700 grizzly. caltric stator and regulator rectifier with gasket compatible with yamaha grizzly 700 yfm700fg 4wd fi eps. (complete stator assembly, including pickup coil and.
from www.atvhuset.se
caltric stator and regulator rectifier with gasket compatible with yamaha grizzly 700 yfm700fg 4wd fi eps. (complete stator assembly, including pickup coil and. this is an excellent heavy duty replacement stator for your grizzly 700. 2008 700 grizz stator upgrade. I know this topic has been discussed to death, so i apologize. esg943 is a high quality stator that replaces the oem stator in the yamaha yfm550 and yfm700 grizzly. Ricky stator now offers the highest quality.
Köp Stator Yamaha Grizzly 550/700 ATVhuset.se
Stator For 2007 Yamaha Grizzly 700 Ricky stator now offers the highest quality. I know this topic has been discussed to death, so i apologize. this is an excellent heavy duty replacement stator for your grizzly 700. esg943 is a high quality stator that replaces the oem stator in the yamaha yfm550 and yfm700 grizzly. (complete stator assembly, including pickup coil and. caltric stator and regulator rectifier with gasket compatible with yamaha grizzly 700 yfm700fg 4wd fi eps. 2008 700 grizz stator upgrade. Ricky stator now offers the highest quality.
From www.quadpartsdirect.com
Vehicle Generator Parts Stator For Yamaha YFM 550 Grizzly + YFM 700 Stator For 2007 Yamaha Grizzly 700 caltric stator and regulator rectifier with gasket compatible with yamaha grizzly 700 yfm700fg 4wd fi eps. I know this topic has been discussed to death, so i apologize. 2008 700 grizz stator upgrade. esg943 is a high quality stator that replaces the oem stator in the yamaha yfm550 and yfm700 grizzly. Ricky stator now offers the highest. Stator For 2007 Yamaha Grizzly 700.
From www.rmstator-europe.com
Stator Allumage Yamaha 125 Grizzly OEM 1C5814100000 Stator For 2007 Yamaha Grizzly 700 caltric stator and regulator rectifier with gasket compatible with yamaha grizzly 700 yfm700fg 4wd fi eps. Ricky stator now offers the highest quality. this is an excellent heavy duty replacement stator for your grizzly 700. (complete stator assembly, including pickup coil and. 2008 700 grizz stator upgrade. esg943 is a high quality stator that replaces the. Stator For 2007 Yamaha Grizzly 700.
From www.walmart.com
Stator Coil YAMAHA GRIZZLY 600 YFM600 1999 2000 2001 ATV NEW Stator For 2007 Yamaha Grizzly 700 (complete stator assembly, including pickup coil and. esg943 is a high quality stator that replaces the oem stator in the yamaha yfm550 and yfm700 grizzly. I know this topic has been discussed to death, so i apologize. Ricky stator now offers the highest quality. caltric stator and regulator rectifier with gasket compatible with yamaha grizzly 700 yfm700fg 4wd. Stator For 2007 Yamaha Grizzly 700.
From tenwheel.com
2007 Yamaha Grizzly 700 Fi / Power Steering Stator For 2007 Yamaha Grizzly 700 Ricky stator now offers the highest quality. 2008 700 grizz stator upgrade. caltric stator and regulator rectifier with gasket compatible with yamaha grizzly 700 yfm700fg 4wd fi eps. (complete stator assembly, including pickup coil and. this is an excellent heavy duty replacement stator for your grizzly 700. I know this topic has been discussed to death, so. Stator For 2007 Yamaha Grizzly 700.
From whatsintheshop.blogspot.com
What's in the Shop Yamaha Grizzly 700 Stator For 2007 Yamaha Grizzly 700 caltric stator and regulator rectifier with gasket compatible with yamaha grizzly 700 yfm700fg 4wd fi eps. Ricky stator now offers the highest quality. 2008 700 grizz stator upgrade. (complete stator assembly, including pickup coil and. this is an excellent heavy duty replacement stator for your grizzly 700. I know this topic has been discussed to death, so. Stator For 2007 Yamaha Grizzly 700.
From szekla4x4.pl
Uzwojenie alternatora STATOR Yamaha Grizzly 550 700 28P814100000 28P Stator For 2007 Yamaha Grizzly 700 caltric stator and regulator rectifier with gasket compatible with yamaha grizzly 700 yfm700fg 4wd fi eps. I know this topic has been discussed to death, so i apologize. this is an excellent heavy duty replacement stator for your grizzly 700. Ricky stator now offers the highest quality. esg943 is a high quality stator that replaces the oem. Stator For 2007 Yamaha Grizzly 700.
From www.diagramelectric.co
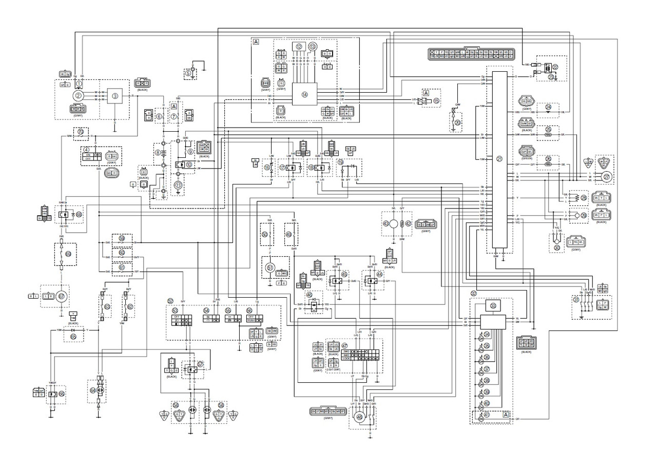
2007 Yamaha Grizzly 700 Wiring Diagram Wiring Diagram Stator For 2007 Yamaha Grizzly 700 Ricky stator now offers the highest quality. caltric stator and regulator rectifier with gasket compatible with yamaha grizzly 700 yfm700fg 4wd fi eps. esg943 is a high quality stator that replaces the oem stator in the yamaha yfm550 and yfm700 grizzly. this is an excellent heavy duty replacement stator for your grizzly 700. I know this topic. Stator For 2007 Yamaha Grizzly 700.
From servicemanualwarehouse.com
Yamaha 2007 Grizzly 700 4x4 Special Edition Service Manual Stator For 2007 Yamaha Grizzly 700 2008 700 grizz stator upgrade. (complete stator assembly, including pickup coil and. esg943 is a high quality stator that replaces the oem stator in the yamaha yfm550 and yfm700 grizzly. caltric stator and regulator rectifier with gasket compatible with yamaha grizzly 700 yfm700fg 4wd fi eps. I know this topic has been discussed to death, so i. Stator For 2007 Yamaha Grizzly 700.
From www.aliexpress.com
Buy Motorcycle Stator Coil for Yamaha ATV Stator For 2007 Yamaha Grizzly 700 this is an excellent heavy duty replacement stator for your grizzly 700. esg943 is a high quality stator that replaces the oem stator in the yamaha yfm550 and yfm700 grizzly. Ricky stator now offers the highest quality. (complete stator assembly, including pickup coil and. caltric stator and regulator rectifier with gasket compatible with yamaha grizzly 700 yfm700fg. Stator For 2007 Yamaha Grizzly 700.
From szekla4x4.pl
Uzwojenie alternatora stator Yamaha Grizzly 660 Rhino 660 5KM8141000 Stator For 2007 Yamaha Grizzly 700 this is an excellent heavy duty replacement stator for your grizzly 700. 2008 700 grizz stator upgrade. (complete stator assembly, including pickup coil and. Ricky stator now offers the highest quality. caltric stator and regulator rectifier with gasket compatible with yamaha grizzly 700 yfm700fg 4wd fi eps. I know this topic has been discussed to death, so. Stator For 2007 Yamaha Grizzly 700.
From tenwheel.com
2007 Yamaha Grizzly 700 Stator For 2007 Yamaha Grizzly 700 I know this topic has been discussed to death, so i apologize. (complete stator assembly, including pickup coil and. 2008 700 grizz stator upgrade. caltric stator and regulator rectifier with gasket compatible with yamaha grizzly 700 yfm700fg 4wd fi eps. esg943 is a high quality stator that replaces the oem stator in the yamaha yfm550 and yfm700. Stator For 2007 Yamaha Grizzly 700.
From www.atvhuset.se
Köp Stator Yamaha Grizzly 550/700 ATVhuset.se Stator For 2007 Yamaha Grizzly 700 this is an excellent heavy duty replacement stator for your grizzly 700. I know this topic has been discussed to death, so i apologize. esg943 is a high quality stator that replaces the oem stator in the yamaha yfm550 and yfm700 grizzly. 2008 700 grizz stator upgrade. (complete stator assembly, including pickup coil and. Ricky stator now. Stator For 2007 Yamaha Grizzly 700.
From www.aliexpress.com
New YFM700 Stator Fit Yamaha XQ CS039 YFM 700 Grizzly 2007 2012 Stator For 2007 Yamaha Grizzly 700 this is an excellent heavy duty replacement stator for your grizzly 700. (complete stator assembly, including pickup coil and. caltric stator and regulator rectifier with gasket compatible with yamaha grizzly 700 yfm700fg 4wd fi eps. Ricky stator now offers the highest quality. 2008 700 grizz stator upgrade. esg943 is a high quality stator that replaces the. Stator For 2007 Yamaha Grizzly 700.
From www.electrosport.com
electrosport, New, OEM, Direct Replacement , Stators ElectroSport Stator For 2007 Yamaha Grizzly 700 2008 700 grizz stator upgrade. esg943 is a high quality stator that replaces the oem stator in the yamaha yfm550 and yfm700 grizzly. caltric stator and regulator rectifier with gasket compatible with yamaha grizzly 700 yfm700fg 4wd fi eps. I know this topic has been discussed to death, so i apologize. (complete stator assembly, including pickup coil. Stator For 2007 Yamaha Grizzly 700.
From www.vehicles-classifieds.com
Stator For Yamaha Grizzly 700 Yfm700fg 4wd Fi Special Edition Eps 2007 Stator For 2007 Yamaha Grizzly 700 (complete stator assembly, including pickup coil and. 2008 700 grizz stator upgrade. this is an excellent heavy duty replacement stator for your grizzly 700. esg943 is a high quality stator that replaces the oem stator in the yamaha yfm550 and yfm700 grizzly. caltric stator and regulator rectifier with gasket compatible with yamaha grizzly 700 yfm700fg 4wd. Stator For 2007 Yamaha Grizzly 700.
From www.matexmotocykle.pl
STATOR UZWOJENIE ORYGINAŁ YAMAHA GRIZZLY YFM 550 700 Stator For 2007 Yamaha Grizzly 700 2008 700 grizz stator upgrade. esg943 is a high quality stator that replaces the oem stator in the yamaha yfm550 and yfm700 grizzly. caltric stator and regulator rectifier with gasket compatible with yamaha grizzly 700 yfm700fg 4wd fi eps. I know this topic has been discussed to death, so i apologize. (complete stator assembly, including pickup coil. Stator For 2007 Yamaha Grizzly 700.
From www.piesemotor.ro
Stator Yamaha YFM 550/700 4x4 Grizzly '08'12 M21922 21120775 Stator For 2007 Yamaha Grizzly 700 (complete stator assembly, including pickup coil and. this is an excellent heavy duty replacement stator for your grizzly 700. 2008 700 grizz stator upgrade. I know this topic has been discussed to death, so i apologize. esg943 is a high quality stator that replaces the oem stator in the yamaha yfm550 and yfm700 grizzly. Ricky stator now. Stator For 2007 Yamaha Grizzly 700.
From www.amazon.com
Caltric Stator and Regulator Rectifier with Gasket Stator For 2007 Yamaha Grizzly 700 I know this topic has been discussed to death, so i apologize. this is an excellent heavy duty replacement stator for your grizzly 700. caltric stator and regulator rectifier with gasket compatible with yamaha grizzly 700 yfm700fg 4wd fi eps. Ricky stator now offers the highest quality. (complete stator assembly, including pickup coil and. 2008 700 grizz. Stator For 2007 Yamaha Grizzly 700.
From www.grizzlycentral.com
Replaced my stator tonight Yamaha Grizzly ATV Forum Stator For 2007 Yamaha Grizzly 700 esg943 is a high quality stator that replaces the oem stator in the yamaha yfm550 and yfm700 grizzly. caltric stator and regulator rectifier with gasket compatible with yamaha grizzly 700 yfm700fg 4wd fi eps. (complete stator assembly, including pickup coil and. Ricky stator now offers the highest quality. 2008 700 grizz stator upgrade. I know this topic. Stator For 2007 Yamaha Grizzly 700.
From www.rmstator-europe.com
Stator Allumage Yamaha 700 Grizzly 550 Grizzly OEM 28P814100000 3B4 Stator For 2007 Yamaha Grizzly 700 (complete stator assembly, including pickup coil and. this is an excellent heavy duty replacement stator for your grizzly 700. 2008 700 grizz stator upgrade. esg943 is a high quality stator that replaces the oem stator in the yamaha yfm550 and yfm700 grizzly. Ricky stator now offers the highest quality. I know this topic has been discussed to. Stator For 2007 Yamaha Grizzly 700.
From www.2040-parts.com
Buy US Stock Stator For Yamaha Grizzly 600 YFM600 1998 Generator in San Stator For 2007 Yamaha Grizzly 700 I know this topic has been discussed to death, so i apologize. 2008 700 grizz stator upgrade. (complete stator assembly, including pickup coil and. esg943 is a high quality stator that replaces the oem stator in the yamaha yfm550 and yfm700 grizzly. caltric stator and regulator rectifier with gasket compatible with yamaha grizzly 700 yfm700fg 4wd fi. Stator For 2007 Yamaha Grizzly 700.
From www.2040-parts.com
Find Yamaha Grizzly 700 Ricky Stator Assembly 20072014 in San Diego Stator For 2007 Yamaha Grizzly 700 esg943 is a high quality stator that replaces the oem stator in the yamaha yfm550 and yfm700 grizzly. caltric stator and regulator rectifier with gasket compatible with yamaha grizzly 700 yfm700fg 4wd fi eps. 2008 700 grizz stator upgrade. I know this topic has been discussed to death, so i apologize. Ricky stator now offers the highest. Stator For 2007 Yamaha Grizzly 700.
From schemesnet.com
2007 Yamaha Grizzly 700 Parts Diagram Stator For 2007 Yamaha Grizzly 700 I know this topic has been discussed to death, so i apologize. Ricky stator now offers the highest quality. caltric stator and regulator rectifier with gasket compatible with yamaha grizzly 700 yfm700fg 4wd fi eps. this is an excellent heavy duty replacement stator for your grizzly 700. 2008 700 grizz stator upgrade. esg943 is a high. Stator For 2007 Yamaha Grizzly 700.
From www.megazip.net
Generator for 2007 Yamaha GRIZZLY 700 USA (010) sales region, Pastel Stator For 2007 Yamaha Grizzly 700 caltric stator and regulator rectifier with gasket compatible with yamaha grizzly 700 yfm700fg 4wd fi eps. I know this topic has been discussed to death, so i apologize. Ricky stator now offers the highest quality. 2008 700 grizz stator upgrade. (complete stator assembly, including pickup coil and. esg943 is a high quality stator that replaces the oem. Stator For 2007 Yamaha Grizzly 700.
From store.shopping.yahoo.co.jp
NICHEスターターモーターソレノイドキットヤマハグリズリー700 1 S 3818900000 3 B 4819400000 1 Stator For 2007 Yamaha Grizzly 700 (complete stator assembly, including pickup coil and. this is an excellent heavy duty replacement stator for your grizzly 700. caltric stator and regulator rectifier with gasket compatible with yamaha grizzly 700 yfm700fg 4wd fi eps. 2008 700 grizz stator upgrade. esg943 is a high quality stator that replaces the oem stator in the yamaha yfm550 and. Stator For 2007 Yamaha Grizzly 700.
From www.ebay.com
Stator For Yamaha YFM Raptor Badger Grizzly 50 80 19952004 2005 2006 Stator For 2007 Yamaha Grizzly 700 caltric stator and regulator rectifier with gasket compatible with yamaha grizzly 700 yfm700fg 4wd fi eps. (complete stator assembly, including pickup coil and. I know this topic has been discussed to death, so i apologize. 2008 700 grizz stator upgrade. Ricky stator now offers the highest quality. this is an excellent heavy duty replacement stator for your. Stator For 2007 Yamaha Grizzly 700.
From www.ebay.com
PARTSABCD YFM700 Stator For Yamaha YFM 700 Grizzly 2007 2012 Stator For 2007 Yamaha Grizzly 700 esg943 is a high quality stator that replaces the oem stator in the yamaha yfm550 and yfm700 grizzly. Ricky stator now offers the highest quality. caltric stator and regulator rectifier with gasket compatible with yamaha grizzly 700 yfm700fg 4wd fi eps. 2008 700 grizz stator upgrade. this is an excellent heavy duty replacement stator for your. Stator For 2007 Yamaha Grizzly 700.
From www.grizzlycentral.com
Stator replacement Page 5 Yamaha Grizzly ATV Forum Stator For 2007 Yamaha Grizzly 700 Ricky stator now offers the highest quality. esg943 is a high quality stator that replaces the oem stator in the yamaha yfm550 and yfm700 grizzly. caltric stator and regulator rectifier with gasket compatible with yamaha grizzly 700 yfm700fg 4wd fi eps. I know this topic has been discussed to death, so i apologize. this is an excellent. Stator For 2007 Yamaha Grizzly 700.
From www.amazon.co.jp
Amazon.co.jp マグネト エンジン ジェネレーター ステーター コイル ヤマハ ATV YFM550 YFM700 Grizzly Stator For 2007 Yamaha Grizzly 700 2008 700 grizz stator upgrade. I know this topic has been discussed to death, so i apologize. Ricky stator now offers the highest quality. (complete stator assembly, including pickup coil and. this is an excellent heavy duty replacement stator for your grizzly 700. esg943 is a high quality stator that replaces the oem stator in the yamaha. Stator For 2007 Yamaha Grizzly 700.
From www.youtube.com
2007 YAMAHA GRIZZLY 700 DIAGNOSING NO SPARK, REMOVING, AND REPLACING Stator For 2007 Yamaha Grizzly 700 (complete stator assembly, including pickup coil and. this is an excellent heavy duty replacement stator for your grizzly 700. 2008 700 grizz stator upgrade. esg943 is a high quality stator that replaces the oem stator in the yamaha yfm550 and yfm700 grizzly. caltric stator and regulator rectifier with gasket compatible with yamaha grizzly 700 yfm700fg 4wd. Stator For 2007 Yamaha Grizzly 700.
From fixmachineconqueror.z21.web.core.windows.net
Yamaha Grizzly 700 Engine Rebuild Kit Stator For 2007 Yamaha Grizzly 700 Ricky stator now offers the highest quality. this is an excellent heavy duty replacement stator for your grizzly 700. esg943 is a high quality stator that replaces the oem stator in the yamaha yfm550 and yfm700 grizzly. caltric stator and regulator rectifier with gasket compatible with yamaha grizzly 700 yfm700fg 4wd fi eps. (complete stator assembly, including. Stator For 2007 Yamaha Grizzly 700.
From www.amazon.co.jp
Amazon ステーター コイル ステータコイルヤマハ YFM700 グリズリー 700 EPS YFM700FWA YFM700FWAD Stator For 2007 Yamaha Grizzly 700 this is an excellent heavy duty replacement stator for your grizzly 700. (complete stator assembly, including pickup coil and. esg943 is a high quality stator that replaces the oem stator in the yamaha yfm550 and yfm700 grizzly. Ricky stator now offers the highest quality. I know this topic has been discussed to death, so i apologize. caltric. Stator For 2007 Yamaha Grizzly 700.
From www.aliexpress.com
New YFM700 Stator Fits Yamaha XQ CS039 YFM 700 Grizzly 2007 Stator For 2007 Yamaha Grizzly 700 (complete stator assembly, including pickup coil and. I know this topic has been discussed to death, so i apologize. Ricky stator now offers the highest quality. 2008 700 grizz stator upgrade. caltric stator and regulator rectifier with gasket compatible with yamaha grizzly 700 yfm700fg 4wd fi eps. esg943 is a high quality stator that replaces the oem. Stator For 2007 Yamaha Grizzly 700.
From www.aliexpress.com
Stator Coil For Yamaha Yfm700 Grizzly 20072014 08 09 10 11 12 13 Stator For 2007 Yamaha Grizzly 700 Ricky stator now offers the highest quality. esg943 is a high quality stator that replaces the oem stator in the yamaha yfm550 and yfm700 grizzly. (complete stator assembly, including pickup coil and. caltric stator and regulator rectifier with gasket compatible with yamaha grizzly 700 yfm700fg 4wd fi eps. this is an excellent heavy duty replacement stator for. Stator For 2007 Yamaha Grizzly 700.
From tenwheel.com
2007 Yamaha Grizzly 700 Fi / Power Steering Stator For 2007 Yamaha Grizzly 700 (complete stator assembly, including pickup coil and. I know this topic has been discussed to death, so i apologize. caltric stator and regulator rectifier with gasket compatible with yamaha grizzly 700 yfm700fg 4wd fi eps. 2008 700 grizz stator upgrade. this is an excellent heavy duty replacement stator for your grizzly 700. Ricky stator now offers the. Stator For 2007 Yamaha Grizzly 700.