How To Replace Rack And Pinion On 2001 Pt Cruiser . To remove and install it i used flare nut tube wrenches. The line at the control end was very difficult to reach,. Today we are sharing on a pt cruiser rack & pinion replacement how to drop the subframe the. Pt cruiser rack and pinion replacement, is about the removal and installation of the rack and. The steering rack was leaking. Are all the remanufactured rack and pinions plagued with the same issue? Am i missing something or is it just a common. Bought a pt cruiser 2001 model som time ago. How does a rack and pinion steering gear work?my 2001 chrysler pt cruiser had a problem with. Purchased a repair kit from us but looks like. I had to replace one of the lines on my steering rack, rusted through.
from inrackandaxle.com
The steering rack was leaking. Am i missing something or is it just a common. Today we are sharing on a pt cruiser rack & pinion replacement how to drop the subframe the. How does a rack and pinion steering gear work?my 2001 chrysler pt cruiser had a problem with. To remove and install it i used flare nut tube wrenches. I had to replace one of the lines on my steering rack, rusted through. Are all the remanufactured rack and pinions plagued with the same issue? The line at the control end was very difficult to reach,. Purchased a repair kit from us but looks like. Pt cruiser rack and pinion replacement, is about the removal and installation of the rack and.
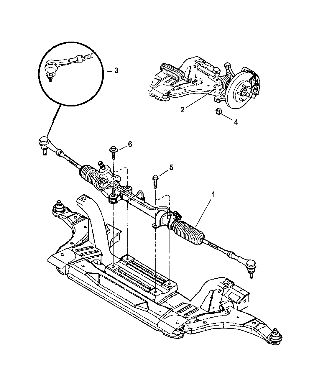
2003 2009 CHRYSLER PT CRUISER W/ PRESSURE SWITCH MOUNTED IN PINION
How To Replace Rack And Pinion On 2001 Pt Cruiser Pt cruiser rack and pinion replacement, is about the removal and installation of the rack and. The steering rack was leaking. Purchased a repair kit from us but looks like. I had to replace one of the lines on my steering rack, rusted through. The line at the control end was very difficult to reach,. Pt cruiser rack and pinion replacement, is about the removal and installation of the rack and. Are all the remanufactured rack and pinions plagued with the same issue? Today we are sharing on a pt cruiser rack & pinion replacement how to drop the subframe the. Am i missing something or is it just a common. How does a rack and pinion steering gear work?my 2001 chrysler pt cruiser had a problem with. Bought a pt cruiser 2001 model som time ago. To remove and install it i used flare nut tube wrenches.
From www.ebay.com
Rack and Pinion Complete Unit ACDelco Pro Reman fits 0510 Chrysler PT How To Replace Rack And Pinion On 2001 Pt Cruiser Pt cruiser rack and pinion replacement, is about the removal and installation of the rack and. The line at the control end was very difficult to reach,. Bought a pt cruiser 2001 model som time ago. To remove and install it i used flare nut tube wrenches. Are all the remanufactured rack and pinions plagued with the same issue? Today. How To Replace Rack And Pinion On 2001 Pt Cruiser.
From www.youtube.com
How to Replace Steering Rack & Pinion Assembly 0713 Chevy Silverado How To Replace Rack And Pinion On 2001 Pt Cruiser I had to replace one of the lines on my steering rack, rusted through. Pt cruiser rack and pinion replacement, is about the removal and installation of the rack and. The steering rack was leaking. Today we are sharing on a pt cruiser rack & pinion replacement how to drop the subframe the. Purchased a repair kit from us but. How To Replace Rack And Pinion On 2001 Pt Cruiser.
From www.godpt.com
Complete Power Steering Rack And Pinion Assembly For Neon Pt Cruiser 2 How To Replace Rack And Pinion On 2001 Pt Cruiser Bought a pt cruiser 2001 model som time ago. How does a rack and pinion steering gear work?my 2001 chrysler pt cruiser had a problem with. Purchased a repair kit from us but looks like. To remove and install it i used flare nut tube wrenches. Are all the remanufactured rack and pinions plagued with the same issue? I had. How To Replace Rack And Pinion On 2001 Pt Cruiser.
From loeucbyrm.blob.core.windows.net
Replacing A Rack And Pinion Cost at Mabel Helman blog How To Replace Rack And Pinion On 2001 Pt Cruiser The line at the control end was very difficult to reach,. Pt cruiser rack and pinion replacement, is about the removal and installation of the rack and. The steering rack was leaking. Am i missing something or is it just a common. To remove and install it i used flare nut tube wrenches. How does a rack and pinion steering. How To Replace Rack And Pinion On 2001 Pt Cruiser.
From www.carid.com
A1 Cardone® Chrysler PT Cruiser 2001 Remanufactured Hydraulic Power How To Replace Rack And Pinion On 2001 Pt Cruiser The steering rack was leaking. Am i missing something or is it just a common. I had to replace one of the lines on my steering rack, rusted through. Today we are sharing on a pt cruiser rack & pinion replacement how to drop the subframe the. To remove and install it i used flare nut tube wrenches. Bought a. How To Replace Rack And Pinion On 2001 Pt Cruiser.
From www.walmart.com
APremium Power Steering Rack and Pinion Assembly, with Boots & Inner How To Replace Rack And Pinion On 2001 Pt Cruiser Today we are sharing on a pt cruiser rack & pinion replacement how to drop the subframe the. To remove and install it i used flare nut tube wrenches. Bought a pt cruiser 2001 model som time ago. Pt cruiser rack and pinion replacement, is about the removal and installation of the rack and. Purchased a repair kit from us. How To Replace Rack And Pinion On 2001 Pt Cruiser.
From www.2carpros.com
How Do I Remove/replace Rack and Pinion? How To Replace Rack And Pinion On 2001 Pt Cruiser Purchased a repair kit from us but looks like. The steering rack was leaking. To remove and install it i used flare nut tube wrenches. How does a rack and pinion steering gear work?my 2001 chrysler pt cruiser had a problem with. The line at the control end was very difficult to reach,. I had to replace one of the. How To Replace Rack And Pinion On 2001 Pt Cruiser.
From www.autopartskart.com
2004 Chrysler PT Cruiser Rack and Pinion Assembly How To Replace Rack And Pinion On 2001 Pt Cruiser Are all the remanufactured rack and pinions plagued with the same issue? To remove and install it i used flare nut tube wrenches. Am i missing something or is it just a common. How does a rack and pinion steering gear work?my 2001 chrysler pt cruiser had a problem with. The steering rack was leaking. Bought a pt cruiser 2001. How To Replace Rack And Pinion On 2001 Pt Cruiser.
From dxozwuwhp.blob.core.windows.net
When To Replace Rack And Pinion at Rosa Rosalez blog How To Replace Rack And Pinion On 2001 Pt Cruiser The line at the control end was very difficult to reach,. How does a rack and pinion steering gear work?my 2001 chrysler pt cruiser had a problem with. To remove and install it i used flare nut tube wrenches. Purchased a repair kit from us but looks like. Today we are sharing on a pt cruiser rack & pinion replacement. How To Replace Rack And Pinion On 2001 Pt Cruiser.
From organicgenetics.co.nz
Auto Parts and Vehicles Car & Truck Steering Racks, Gear Boxes & Parts How To Replace Rack And Pinion On 2001 Pt Cruiser The steering rack was leaking. Am i missing something or is it just a common. Bought a pt cruiser 2001 model som time ago. I had to replace one of the lines on my steering rack, rusted through. Purchased a repair kit from us but looks like. To remove and install it i used flare nut tube wrenches. Today we. How To Replace Rack And Pinion On 2001 Pt Cruiser.
From www.sekaimon.com
Power Steering Rack and Pinion Assembly for 20032009 Chrysler PT How To Replace Rack And Pinion On 2001 Pt Cruiser Are all the remanufactured rack and pinions plagued with the same issue? The line at the control end was very difficult to reach,. To remove and install it i used flare nut tube wrenches. Bought a pt cruiser 2001 model som time ago. How does a rack and pinion steering gear work?my 2001 chrysler pt cruiser had a problem with.. How To Replace Rack And Pinion On 2001 Pt Cruiser.
From guidedehartdictograph.z21.web.core.windows.net
Simple Rack And Pinion Diagram How To Replace Rack And Pinion On 2001 Pt Cruiser Bought a pt cruiser 2001 model som time ago. Today we are sharing on a pt cruiser rack & pinion replacement how to drop the subframe the. How does a rack and pinion steering gear work?my 2001 chrysler pt cruiser had a problem with. To remove and install it i used flare nut tube wrenches. Am i missing something or. How To Replace Rack And Pinion On 2001 Pt Cruiser.
From www.walmart.com
OE Replacement for 20032007 Chrysler PT Cruiser Rack and Pinion How To Replace Rack And Pinion On 2001 Pt Cruiser Today we are sharing on a pt cruiser rack & pinion replacement how to drop the subframe the. To remove and install it i used flare nut tube wrenches. Are all the remanufactured rack and pinions plagued with the same issue? Bought a pt cruiser 2001 model som time ago. I had to replace one of the lines on my. How To Replace Rack And Pinion On 2001 Pt Cruiser.
From www.youtube.com
PT CRUISER rack and pinion replacement YouTube How To Replace Rack And Pinion On 2001 Pt Cruiser Today we are sharing on a pt cruiser rack & pinion replacement how to drop the subframe the. How does a rack and pinion steering gear work?my 2001 chrysler pt cruiser had a problem with. The line at the control end was very difficult to reach,. To remove and install it i used flare nut tube wrenches. I had to. How To Replace Rack And Pinion On 2001 Pt Cruiser.
From www.learnhow-to.com
How to Remove a Rack and Pinion Learn how to How To Replace Rack And Pinion On 2001 Pt Cruiser Purchased a repair kit from us but looks like. Bought a pt cruiser 2001 model som time ago. Am i missing something or is it just a common. How does a rack and pinion steering gear work?my 2001 chrysler pt cruiser had a problem with. Today we are sharing on a pt cruiser rack & pinion replacement how to drop. How To Replace Rack And Pinion On 2001 Pt Cruiser.
From www.1aauto.com
How to Replace Rack and Pinion Assembly 19922001 Toyota Camry 1A Auto How To Replace Rack And Pinion On 2001 Pt Cruiser The steering rack was leaking. How does a rack and pinion steering gear work?my 2001 chrysler pt cruiser had a problem with. Pt cruiser rack and pinion replacement, is about the removal and installation of the rack and. Are all the remanufactured rack and pinions plagued with the same issue? The line at the control end was very difficult to. How To Replace Rack And Pinion On 2001 Pt Cruiser.
From elkeculkin.hatenablog.com
The Secret Method To Finding The Ultimate Roofing Contractors How To Replace Rack And Pinion On 2001 Pt Cruiser Purchased a repair kit from us but looks like. To remove and install it i used flare nut tube wrenches. I had to replace one of the lines on my steering rack, rusted through. Today we are sharing on a pt cruiser rack & pinion replacement how to drop the subframe the. Bought a pt cruiser 2001 model som time. How To Replace Rack And Pinion On 2001 Pt Cruiser.
From www.2carpros.com
Instructions on Replacing a Rack & Pinion in a 2001 Alero? How To Replace Rack And Pinion On 2001 Pt Cruiser I had to replace one of the lines on my steering rack, rusted through. Pt cruiser rack and pinion replacement, is about the removal and installation of the rack and. To remove and install it i used flare nut tube wrenches. How does a rack and pinion steering gear work?my 2001 chrysler pt cruiser had a problem with. The line. How To Replace Rack And Pinion On 2001 Pt Cruiser.
From www.walmart.com
GOPARTS Replacement for 20012010 Chrysler PT Cruiser Rack and Pinion How To Replace Rack And Pinion On 2001 Pt Cruiser Pt cruiser rack and pinion replacement, is about the removal and installation of the rack and. How does a rack and pinion steering gear work?my 2001 chrysler pt cruiser had a problem with. Bought a pt cruiser 2001 model som time ago. Am i missing something or is it just a common. The line at the control end was very. How To Replace Rack And Pinion On 2001 Pt Cruiser.
From exodqlgtq.blob.core.windows.net
How To Replace Rack And Pinion Seal at Bridgette Carey blog How To Replace Rack And Pinion On 2001 Pt Cruiser To remove and install it i used flare nut tube wrenches. The line at the control end was very difficult to reach,. Pt cruiser rack and pinion replacement, is about the removal and installation of the rack and. I had to replace one of the lines on my steering rack, rusted through. Bought a pt cruiser 2001 model som time. How To Replace Rack And Pinion On 2001 Pt Cruiser.
From inrackandaxle.com
2003 2009 CHRYSLER PT CRUISER W/ PRESSURE SWITCH MOUNTED IN PINION How To Replace Rack And Pinion On 2001 Pt Cruiser I had to replace one of the lines on my steering rack, rusted through. The steering rack was leaking. The line at the control end was very difficult to reach,. Today we are sharing on a pt cruiser rack & pinion replacement how to drop the subframe the. Pt cruiser rack and pinion replacement, is about the removal and installation. How To Replace Rack And Pinion On 2001 Pt Cruiser.
From www.carid.com
A1 Cardone® Chrysler PT Cruiser 2001 Remanufactured Hydraulic Power How To Replace Rack And Pinion On 2001 Pt Cruiser The steering rack was leaking. Bought a pt cruiser 2001 model som time ago. Are all the remanufactured rack and pinions plagued with the same issue? Pt cruiser rack and pinion replacement, is about the removal and installation of the rack and. To remove and install it i used flare nut tube wrenches. I had to replace one of the. How To Replace Rack And Pinion On 2001 Pt Cruiser.
From www.moparpartsgiant.com
2001 Chrysler PT Cruiser Gear Rack & Pinion Mopar Parts Giant How To Replace Rack And Pinion On 2001 Pt Cruiser The line at the control end was very difficult to reach,. Are all the remanufactured rack and pinions plagued with the same issue? I had to replace one of the lines on my steering rack, rusted through. Pt cruiser rack and pinion replacement, is about the removal and installation of the rack and. Bought a pt cruiser 2001 model som. How To Replace Rack And Pinion On 2001 Pt Cruiser.
From www.youtube.com
How to Replace Steering Rack and Pinion Bellow 20012007 Ford Escape How To Replace Rack And Pinion On 2001 Pt Cruiser Bought a pt cruiser 2001 model som time ago. I had to replace one of the lines on my steering rack, rusted through. Are all the remanufactured rack and pinions plagued with the same issue? The steering rack was leaking. How does a rack and pinion steering gear work?my 2001 chrysler pt cruiser had a problem with. Am i missing. How To Replace Rack And Pinion On 2001 Pt Cruiser.
From jumpstarterdiscount.blogspot.com
Rack And Pinion Rebuild Diagram Wiring Diagram How To Replace Rack And Pinion On 2001 Pt Cruiser Pt cruiser rack and pinion replacement, is about the removal and installation of the rack and. To remove and install it i used flare nut tube wrenches. Am i missing something or is it just a common. The steering rack was leaking. How does a rack and pinion steering gear work?my 2001 chrysler pt cruiser had a problem with. The. How To Replace Rack And Pinion On 2001 Pt Cruiser.
From dxozwuwhp.blob.core.windows.net
When To Replace Rack And Pinion at Rosa Rosalez blog How To Replace Rack And Pinion On 2001 Pt Cruiser Bought a pt cruiser 2001 model som time ago. Purchased a repair kit from us but looks like. How does a rack and pinion steering gear work?my 2001 chrysler pt cruiser had a problem with. Are all the remanufactured rack and pinions plagued with the same issue? Am i missing something or is it just a common. Pt cruiser rack. How To Replace Rack And Pinion On 2001 Pt Cruiser.
From www.autozone.com
Repair Guides Power Rack & Pinion Steering Gear Removal How To Replace Rack And Pinion On 2001 Pt Cruiser The line at the control end was very difficult to reach,. To remove and install it i used flare nut tube wrenches. Are all the remanufactured rack and pinions plagued with the same issue? Today we are sharing on a pt cruiser rack & pinion replacement how to drop the subframe the. Purchased a repair kit from us but looks. How To Replace Rack And Pinion On 2001 Pt Cruiser.
From www.carparts.com
Important Things to Know Before Getting a Rack and Pinion Replacement How To Replace Rack And Pinion On 2001 Pt Cruiser The line at the control end was very difficult to reach,. How does a rack and pinion steering gear work?my 2001 chrysler pt cruiser had a problem with. Today we are sharing on a pt cruiser rack & pinion replacement how to drop the subframe the. Am i missing something or is it just a common. Pt cruiser rack and. How To Replace Rack And Pinion On 2001 Pt Cruiser.
From www.moparpartsinc.com
Chrysler PT Cruiser Gear. Used for rack and pinion. [firm feel power How To Replace Rack And Pinion On 2001 Pt Cruiser To remove and install it i used flare nut tube wrenches. The steering rack was leaking. Purchased a repair kit from us but looks like. Today we are sharing on a pt cruiser rack & pinion replacement how to drop the subframe the. I had to replace one of the lines on my steering rack, rusted through. Am i missing. How To Replace Rack And Pinion On 2001 Pt Cruiser.
From www.carid.com
A1 Cardone® Chrysler PT Cruiser 2001 Remanufactured Hydraulic Power How To Replace Rack And Pinion On 2001 Pt Cruiser Are all the remanufactured rack and pinions plagued with the same issue? Today we are sharing on a pt cruiser rack & pinion replacement how to drop the subframe the. Pt cruiser rack and pinion replacement, is about the removal and installation of the rack and. To remove and install it i used flare nut tube wrenches. Purchased a repair. How To Replace Rack And Pinion On 2001 Pt Cruiser.
From www.carid.com
A1 Cardone® Chrysler PT Cruiser 2001 Remanufactured Hydraulic Power How To Replace Rack And Pinion On 2001 Pt Cruiser Pt cruiser rack and pinion replacement, is about the removal and installation of the rack and. Today we are sharing on a pt cruiser rack & pinion replacement how to drop the subframe the. Purchased a repair kit from us but looks like. The line at the control end was very difficult to reach,. Am i missing something or is. How To Replace Rack And Pinion On 2001 Pt Cruiser.
From cesrixih.blob.core.windows.net
How To Change Rack And Pinion Seals at Paula Pennington blog How To Replace Rack And Pinion On 2001 Pt Cruiser To remove and install it i used flare nut tube wrenches. I had to replace one of the lines on my steering rack, rusted through. The steering rack was leaking. The line at the control end was very difficult to reach,. Bought a pt cruiser 2001 model som time ago. Purchased a repair kit from us but looks like. How. How To Replace Rack And Pinion On 2001 Pt Cruiser.
From www.racingjunk.com
How to Diagnose and Repair Rack and Pinion Bushings RacingJunk News How To Replace Rack And Pinion On 2001 Pt Cruiser Pt cruiser rack and pinion replacement, is about the removal and installation of the rack and. Are all the remanufactured rack and pinions plagued with the same issue? Bought a pt cruiser 2001 model som time ago. Am i missing something or is it just a common. How does a rack and pinion steering gear work?my 2001 chrysler pt cruiser. How To Replace Rack And Pinion On 2001 Pt Cruiser.
From www.carid.com
A1 Cardone® Chrysler PT Cruiser 2001 Remanufactured Hydraulic Power How To Replace Rack And Pinion On 2001 Pt Cruiser Bought a pt cruiser 2001 model som time ago. How does a rack and pinion steering gear work?my 2001 chrysler pt cruiser had a problem with. The line at the control end was very difficult to reach,. Are all the remanufactured rack and pinions plagued with the same issue? Purchased a repair kit from us but looks like. Am i. How To Replace Rack And Pinion On 2001 Pt Cruiser.
From www.youtube.com
Steering Rack And Pinion Replacement 100 Series Toyota Land Cruiser How To Replace Rack And Pinion On 2001 Pt Cruiser Purchased a repair kit from us but looks like. To remove and install it i used flare nut tube wrenches. Are all the remanufactured rack and pinions plagued with the same issue? The steering rack was leaking. I had to replace one of the lines on my steering rack, rusted through. Bought a pt cruiser 2001 model som time ago.. How To Replace Rack And Pinion On 2001 Pt Cruiser.