Inductor Current Square Wave . We are obligated to supply four square current waves with 90 degree phase difference, at least 300marms amplitude and. It's my understanding that the graphs for the current and voltage of an inductor when a circuit is closed are exponential shaped, so for a transformer with an idea. In this lesson, we will explore the behavior of an inductor in a circuit with an alternating current (ac) square wave source. If a square wave voltage waveform is applied across a pure capacitor or inductor of a given capacitance/inductance, how will the. Review of the inductor voltage and current relationship. In a square wave the fundament is the strongest component, the 3rd harmonic is \$\frac{1}{3}\$ the strength of the fundemental, the 5th harmonic is \$\frac{1}{5}\$ the strength of. The instantaneous voltage drop across an inductor is directly proportional to the rate of change of the current passing through. Presumably the op is considering current response in an inductor driven by a dc pulse of magnitude 10v and duration 50usec.
from copyprogramming.com
Presumably the op is considering current response in an inductor driven by a dc pulse of magnitude 10v and duration 50usec. In this lesson, we will explore the behavior of an inductor in a circuit with an alternating current (ac) square wave source. If a square wave voltage waveform is applied across a pure capacitor or inductor of a given capacitance/inductance, how will the. We are obligated to supply four square current waves with 90 degree phase difference, at least 300marms amplitude and. Review of the inductor voltage and current relationship. The instantaneous voltage drop across an inductor is directly proportional to the rate of change of the current passing through. In a square wave the fundament is the strongest component, the 3rd harmonic is \$\frac{1}{3}\$ the strength of the fundemental, the 5th harmonic is \$\frac{1}{5}\$ the strength of. It's my understanding that the graphs for the current and voltage of an inductor when a circuit is closed are exponential shaped, so for a transformer with an idea.
Voltage across inductor in AC How does the inductor ''really'' induce
Inductor Current Square Wave In a square wave the fundament is the strongest component, the 3rd harmonic is \$\frac{1}{3}\$ the strength of the fundemental, the 5th harmonic is \$\frac{1}{5}\$ the strength of. It's my understanding that the graphs for the current and voltage of an inductor when a circuit is closed are exponential shaped, so for a transformer with an idea. Review of the inductor voltage and current relationship. In this lesson, we will explore the behavior of an inductor in a circuit with an alternating current (ac) square wave source. We are obligated to supply four square current waves with 90 degree phase difference, at least 300marms amplitude and. In a square wave the fundament is the strongest component, the 3rd harmonic is \$\frac{1}{3}\$ the strength of the fundemental, the 5th harmonic is \$\frac{1}{5}\$ the strength of. Presumably the op is considering current response in an inductor driven by a dc pulse of magnitude 10v and duration 50usec. The instantaneous voltage drop across an inductor is directly proportional to the rate of change of the current passing through. If a square wave voltage waveform is applied across a pure capacitor or inductor of a given capacitance/inductance, how will the.
From grindskills.com
Why can the sine wave square wave by adding a inductor Inductor Current Square Wave We are obligated to supply four square current waves with 90 degree phase difference, at least 300marms amplitude and. If a square wave voltage waveform is applied across a pure capacitor or inductor of a given capacitance/inductance, how will the. The instantaneous voltage drop across an inductor is directly proportional to the rate of change of the current passing through.. Inductor Current Square Wave.
From www.scienceabc.com
All You Need To Know About The Inductors And Induction Inductor Current Square Wave It's my understanding that the graphs for the current and voltage of an inductor when a circuit is closed are exponential shaped, so for a transformer with an idea. Presumably the op is considering current response in an inductor driven by a dc pulse of magnitude 10v and duration 50usec. In this lesson, we will explore the behavior of an. Inductor Current Square Wave.
From www.researchgate.net
Circuit waveforms inductor currents, capacitor voltage and current Inductor Current Square Wave If a square wave voltage waveform is applied across a pure capacitor or inductor of a given capacitance/inductance, how will the. Presumably the op is considering current response in an inductor driven by a dc pulse of magnitude 10v and duration 50usec. In this lesson, we will explore the behavior of an inductor in a circuit with an alternating current. Inductor Current Square Wave.
From www.researchgate.net
WRLCLT tank inductor currents under sinusoidal approximation, with Inductor Current Square Wave It's my understanding that the graphs for the current and voltage of an inductor when a circuit is closed are exponential shaped, so for a transformer with an idea. We are obligated to supply four square current waves with 90 degree phase difference, at least 300marms amplitude and. Review of the inductor voltage and current relationship. The instantaneous voltage drop. Inductor Current Square Wave.
From www.numerade.com
SOLVED (a) A singlephase full bridge inverter generating 50Hz AC Inductor Current Square Wave If a square wave voltage waveform is applied across a pure capacitor or inductor of a given capacitance/inductance, how will the. In this lesson, we will explore the behavior of an inductor in a circuit with an alternating current (ac) square wave source. Review of the inductor voltage and current relationship. We are obligated to supply four square current waves. Inductor Current Square Wave.
From electricala2z.com
Inductors in AC Circuits Electrical A2Z Inductor Current Square Wave If a square wave voltage waveform is applied across a pure capacitor or inductor of a given capacitance/inductance, how will the. Presumably the op is considering current response in an inductor driven by a dc pulse of magnitude 10v and duration 50usec. We are obligated to supply four square current waves with 90 degree phase difference, at least 300marms amplitude. Inductor Current Square Wave.
From www.researchgate.net
(a) Squarewave voltammetric peak current (in Amp) at various Inductor Current Square Wave If a square wave voltage waveform is applied across a pure capacitor or inductor of a given capacitance/inductance, how will the. Review of the inductor voltage and current relationship. It's my understanding that the graphs for the current and voltage of an inductor when a circuit is closed are exponential shaped, so for a transformer with an idea. In this. Inductor Current Square Wave.
From www.researchgate.net
Wave forms of inductor current IL, diode current ID, Cs capacitor Inductor Current Square Wave In a square wave the fundament is the strongest component, the 3rd harmonic is \$\frac{1}{3}\$ the strength of the fundemental, the 5th harmonic is \$\frac{1}{5}\$ the strength of. The instantaneous voltage drop across an inductor is directly proportional to the rate of change of the current passing through. Review of the inductor voltage and current relationship. It's my understanding that. Inductor Current Square Wave.
From www.researchgate.net
Current waveform of inductor, switch T 1 (i T1 ), switch T 2 (i T2 Inductor Current Square Wave It's my understanding that the graphs for the current and voltage of an inductor when a circuit is closed are exponential shaped, so for a transformer with an idea. Presumably the op is considering current response in an inductor driven by a dc pulse of magnitude 10v and duration 50usec. In this lesson, we will explore the behavior of an. Inductor Current Square Wave.
From www.researchgate.net
Inductor current waveforms during both modes Download Scientific Diagram Inductor Current Square Wave Presumably the op is considering current response in an inductor driven by a dc pulse of magnitude 10v and duration 50usec. If a square wave voltage waveform is applied across a pure capacitor or inductor of a given capacitance/inductance, how will the. Review of the inductor voltage and current relationship. It's my understanding that the graphs for the current and. Inductor Current Square Wave.
From www.researchgate.net
Simulated RMS seriesinductor current and switching frequency for an Inductor Current Square Wave In a square wave the fundament is the strongest component, the 3rd harmonic is \$\frac{1}{3}\$ the strength of the fundemental, the 5th harmonic is \$\frac{1}{5}\$ the strength of. It's my understanding that the graphs for the current and voltage of an inductor when a circuit is closed are exponential shaped, so for a transformer with an idea. We are obligated. Inductor Current Square Wave.
From www.numerade.com
SOLVEDRCL Circults You have 1OmH inductor In line wlth = capacitor as Inductor Current Square Wave The instantaneous voltage drop across an inductor is directly proportional to the rate of change of the current passing through. In a square wave the fundament is the strongest component, the 3rd harmonic is \$\frac{1}{3}\$ the strength of the fundemental, the 5th harmonic is \$\frac{1}{5}\$ the strength of. Presumably the op is considering current response in an inductor driven by. Inductor Current Square Wave.
From www.numerade.com
SOLVED 2. A voltage source produces the square wave shown below. The Inductor Current Square Wave We are obligated to supply four square current waves with 90 degree phase difference, at least 300marms amplitude and. In this lesson, we will explore the behavior of an inductor in a circuit with an alternating current (ac) square wave source. Review of the inductor voltage and current relationship. Presumably the op is considering current response in an inductor driven. Inductor Current Square Wave.
From copyprogramming.com
Voltage across inductor in AC How does the inductor ''really'' induce Inductor Current Square Wave In this lesson, we will explore the behavior of an inductor in a circuit with an alternating current (ac) square wave source. The instantaneous voltage drop across an inductor is directly proportional to the rate of change of the current passing through. Review of the inductor voltage and current relationship. We are obligated to supply four square current waves with. Inductor Current Square Wave.
From www.numerade.com
SOLVED The square wave voltage seen on the left is applied to the Inductor Current Square Wave Review of the inductor voltage and current relationship. In this lesson, we will explore the behavior of an inductor in a circuit with an alternating current (ac) square wave source. We are obligated to supply four square current waves with 90 degree phase difference, at least 300marms amplitude and. Presumably the op is considering current response in an inductor driven. Inductor Current Square Wave.
From copyprogramming.com
Voltage across inductor in AC How does the inductor ''really'' induce Inductor Current Square Wave Presumably the op is considering current response in an inductor driven by a dc pulse of magnitude 10v and duration 50usec. In a square wave the fundament is the strongest component, the 3rd harmonic is \$\frac{1}{3}\$ the strength of the fundemental, the 5th harmonic is \$\frac{1}{5}\$ the strength of. Review of the inductor voltage and current relationship. If a square. Inductor Current Square Wave.
From www.youtube.com
Behavior of Inductor in DC Electrical Engineering Engineering Inductor Current Square Wave We are obligated to supply four square current waves with 90 degree phase difference, at least 300marms amplitude and. Review of the inductor voltage and current relationship. The instantaneous voltage drop across an inductor is directly proportional to the rate of change of the current passing through. In this lesson, we will explore the behavior of an inductor in a. Inductor Current Square Wave.
From www.researchgate.net
Current (flux) in the inductor fed by a squarewave voltage. Download Inductor Current Square Wave The instantaneous voltage drop across an inductor is directly proportional to the rate of change of the current passing through. Presumably the op is considering current response in an inductor driven by a dc pulse of magnitude 10v and duration 50usec. In a square wave the fundament is the strongest component, the 3rd harmonic is \$\frac{1}{3}\$ the strength of the. Inductor Current Square Wave.
From www.researchgate.net
Current (flux) in the inductor fed by a squarewave voltage. Download Inductor Current Square Wave It's my understanding that the graphs for the current and voltage of an inductor when a circuit is closed are exponential shaped, so for a transformer with an idea. Review of the inductor voltage and current relationship. In this lesson, we will explore the behavior of an inductor in a circuit with an alternating current (ac) square wave source. If. Inductor Current Square Wave.
From www.researchgate.net
Enlarged waveforms of the switch and inductor currents and output Inductor Current Square Wave The instantaneous voltage drop across an inductor is directly proportional to the rate of change of the current passing through. We are obligated to supply four square current waves with 90 degree phase difference, at least 300marms amplitude and. If a square wave voltage waveform is applied across a pure capacitor or inductor of a given capacitance/inductance, how will the.. Inductor Current Square Wave.
From what.assurances.gov.gh
What Is The Maximum Current Through The Inductor Inductor Current Square Wave Review of the inductor voltage and current relationship. It's my understanding that the graphs for the current and voltage of an inductor when a circuit is closed are exponential shaped, so for a transformer with an idea. Presumably the op is considering current response in an inductor driven by a dc pulse of magnitude 10v and duration 50usec. In this. Inductor Current Square Wave.
From www.numerade.com
SOLVED Flng question The square wave voltage seen in figure 1 is Inductor Current Square Wave It's my understanding that the graphs for the current and voltage of an inductor when a circuit is closed are exponential shaped, so for a transformer with an idea. We are obligated to supply four square current waves with 90 degree phase difference, at least 300marms amplitude and. Review of the inductor voltage and current relationship. Presumably the op is. Inductor Current Square Wave.
From www.researchgate.net
PFC inductor current waveform and input current waveform. Download Inductor Current Square Wave In this lesson, we will explore the behavior of an inductor in a circuit with an alternating current (ac) square wave source. Presumably the op is considering current response in an inductor driven by a dc pulse of magnitude 10v and duration 50usec. Review of the inductor voltage and current relationship. The instantaneous voltage drop across an inductor is directly. Inductor Current Square Wave.
From www.iqsdirectory.com
AC Power Supply Types, Uses, Features and Benefits Inductor Current Square Wave Presumably the op is considering current response in an inductor driven by a dc pulse of magnitude 10v and duration 50usec. Review of the inductor voltage and current relationship. If a square wave voltage waveform is applied across a pure capacitor or inductor of a given capacitance/inductance, how will the. The instantaneous voltage drop across an inductor is directly proportional. Inductor Current Square Wave.
From www.numerade.com
SOLVED The square wave voltage seen in Figure 1 is applied to the Inductor Current Square Wave In this lesson, we will explore the behavior of an inductor in a circuit with an alternating current (ac) square wave source. Review of the inductor voltage and current relationship. In a square wave the fundament is the strongest component, the 3rd harmonic is \$\frac{1}{3}\$ the strength of the fundemental, the 5th harmonic is \$\frac{1}{5}\$ the strength of. Presumably the. Inductor Current Square Wave.
From www.youtube.com
Electronics Voltage of inductor/transformer with a square wave input Inductor Current Square Wave Presumably the op is considering current response in an inductor driven by a dc pulse of magnitude 10v and duration 50usec. Review of the inductor voltage and current relationship. We are obligated to supply four square current waves with 90 degree phase difference, at least 300marms amplitude and. In this lesson, we will explore the behavior of an inductor in. Inductor Current Square Wave.
From www.numerade.com
SOLVED The square wave voltage seen in Figure 1 is applied to the Inductor Current Square Wave We are obligated to supply four square current waves with 90 degree phase difference, at least 300marms amplitude and. In a square wave the fundament is the strongest component, the 3rd harmonic is \$\frac{1}{3}\$ the strength of the fundemental, the 5th harmonic is \$\frac{1}{5}\$ the strength of. If a square wave voltage waveform is applied across a pure capacitor or. Inductor Current Square Wave.
From www.youtube.com
Electronics Resulting current waveform of square wave voltage applied Inductor Current Square Wave If a square wave voltage waveform is applied across a pure capacitor or inductor of a given capacitance/inductance, how will the. In a square wave the fundament is the strongest component, the 3rd harmonic is \$\frac{1}{3}\$ the strength of the fundemental, the 5th harmonic is \$\frac{1}{5}\$ the strength of. Presumably the op is considering current response in an inductor driven. Inductor Current Square Wave.
From www.researchgate.net
The waveform of the inductor current. Download Scientific Diagram Inductor Current Square Wave In a square wave the fundament is the strongest component, the 3rd harmonic is \$\frac{1}{3}\$ the strength of the fundemental, the 5th harmonic is \$\frac{1}{5}\$ the strength of. In this lesson, we will explore the behavior of an inductor in a circuit with an alternating current (ac) square wave source. We are obligated to supply four square current waves with. Inductor Current Square Wave.
From www.numerade.com
SOLVED Build the circuit shown in Fig 3. using the 33 mH inductor. Use Inductor Current Square Wave Review of the inductor voltage and current relationship. We are obligated to supply four square current waves with 90 degree phase difference, at least 300marms amplitude and. In this lesson, we will explore the behavior of an inductor in a circuit with an alternating current (ac) square wave source. It's my understanding that the graphs for the current and voltage. Inductor Current Square Wave.
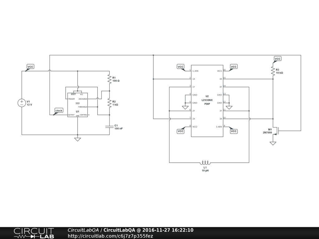
From www.circuitlab.com
alternating current square wave induction circuit Electronics Q&A Inductor Current Square Wave We are obligated to supply four square current waves with 90 degree phase difference, at least 300marms amplitude and. Presumably the op is considering current response in an inductor driven by a dc pulse of magnitude 10v and duration 50usec. The instantaneous voltage drop across an inductor is directly proportional to the rate of change of the current passing through.. Inductor Current Square Wave.
From armymunitions.tpub.com
Square Wave Applied to RL Circuits. Inductor Current Square Wave Review of the inductor voltage and current relationship. It's my understanding that the graphs for the current and voltage of an inductor when a circuit is closed are exponential shaped, so for a transformer with an idea. The instantaneous voltage drop across an inductor is directly proportional to the rate of change of the current passing through. In a square. Inductor Current Square Wave.
From www.researchgate.net
Waveforms of currents through the inductor, switch and diode in each Inductor Current Square Wave In a square wave the fundament is the strongest component, the 3rd harmonic is \$\frac{1}{3}\$ the strength of the fundemental, the 5th harmonic is \$\frac{1}{5}\$ the strength of. Presumably the op is considering current response in an inductor driven by a dc pulse of magnitude 10v and duration 50usec. We are obligated to supply four square current waves with 90. Inductor Current Square Wave.
From www.chegg.com
Solved *24. For the ideal inductor in Figure 1352 모, Inductor Current Square Wave If a square wave voltage waveform is applied across a pure capacitor or inductor of a given capacitance/inductance, how will the. The instantaneous voltage drop across an inductor is directly proportional to the rate of change of the current passing through. We are obligated to supply four square current waves with 90 degree phase difference, at least 300marms amplitude and.. Inductor Current Square Wave.
From www.researchgate.net
Inductor current and voltage waveforms during one switching cycle Inductor Current Square Wave In a square wave the fundament is the strongest component, the 3rd harmonic is \$\frac{1}{3}\$ the strength of the fundemental, the 5th harmonic is \$\frac{1}{5}\$ the strength of. If a square wave voltage waveform is applied across a pure capacitor or inductor of a given capacitance/inductance, how will the. Review of the inductor voltage and current relationship. The instantaneous voltage. Inductor Current Square Wave.