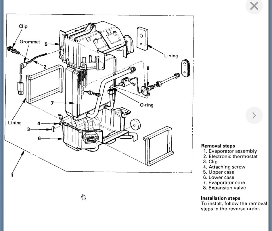
Cascadia Expansion Valve Location . cascadia a/c fixed under 100$ , easy ac fix , cascadia expansion valve The expansion valve is usually located on the low side of the a/c. cascadia maintenance manual models: can someone let me know where the a/c expansion valves are located inside the cabin of a 2013 freightliner. 3.3 identifying the expansion valve location. a new blend door design is available for retrofitting in the hvac unit for cascadia vehicles to correct complaints of either “no heat” or “no air flow out. ac cab expansión valve is right at both ends from the evaporator coming from inside the cab the expansion valve is located in the refrigerant tubing at the bottom of the evaporator coils, and as with the accumulator, they can.
from www.youtube.com
can someone let me know where the a/c expansion valves are located inside the cabin of a 2013 freightliner. the expansion valve is located in the refrigerant tubing at the bottom of the evaporator coils, and as with the accumulator, they can. a new blend door design is available for retrofitting in the hvac unit for cascadia vehicles to correct complaints of either “no heat” or “no air flow out. ac cab expansión valve is right at both ends from the evaporator coming from inside the cab cascadia maintenance manual models: The expansion valve is usually located on the low side of the a/c. cascadia a/c fixed under 100$ , easy ac fix , cascadia expansion valve 3.3 identifying the expansion valve location.
FREIGHTLINER CASCADIA DEF DOSING VALVE REPLACEMENT YouTube
Cascadia Expansion Valve Location a new blend door design is available for retrofitting in the hvac unit for cascadia vehicles to correct complaints of either “no heat” or “no air flow out. cascadia a/c fixed under 100$ , easy ac fix , cascadia expansion valve the expansion valve is located in the refrigerant tubing at the bottom of the evaporator coils, and as with the accumulator, they can. a new blend door design is available for retrofitting in the hvac unit for cascadia vehicles to correct complaints of either “no heat” or “no air flow out. The expansion valve is usually located on the low side of the a/c. cascadia maintenance manual models: ac cab expansión valve is right at both ends from the evaporator coming from inside the cab can someone let me know where the a/c expansion valves are located inside the cabin of a 2013 freightliner. 3.3 identifying the expansion valve location.
From www.4statetrucks.com
BESTfit Block Style Expansion Valve Replaces T1000898P, T1000044L For Cascadia Expansion Valve Location ac cab expansión valve is right at both ends from the evaporator coming from inside the cab the expansion valve is located in the refrigerant tubing at the bottom of the evaporator coils, and as with the accumulator, they can. 3.3 identifying the expansion valve location. cascadia maintenance manual models: The expansion valve is usually located. Cascadia Expansion Valve Location.
From www.youtube.com
How To Replace A Pressure Protection Valve on 2014 Freightliner Cascadia Expansion Valve Location 3.3 identifying the expansion valve location. The expansion valve is usually located on the low side of the a/c. can someone let me know where the a/c expansion valves are located inside the cabin of a 2013 freightliner. a new blend door design is available for retrofitting in the hvac unit for cascadia vehicles to correct complaints. Cascadia Expansion Valve Location.
From dxofkpbzo.blob.core.windows.net
Freightliner Cascadia Ac Low Pressure Switch Location at Edwin Mosier blog Cascadia Expansion Valve Location cascadia maintenance manual models: a new blend door design is available for retrofitting in the hvac unit for cascadia vehicles to correct complaints of either “no heat” or “no air flow out. can someone let me know where the a/c expansion valves are located inside the cabin of a 2013 freightliner. ac cab expansión valve is. Cascadia Expansion Valve Location.
From www.coolairparts.com
NEW A/C Expansion Valve Freightliner Cascadia 113 125 116 126 T1000898P Cascadia Expansion Valve Location the expansion valve is located in the refrigerant tubing at the bottom of the evaporator coils, and as with the accumulator, they can. can someone let me know where the a/c expansion valves are located inside the cabin of a 2013 freightliner. ac cab expansión valve is right at both ends from the evaporator coming from inside. Cascadia Expansion Valve Location.
From support.zonarsystems.net
Freightliner New Cascadia (2018Current) Installation Guide Zonar Cascadia Expansion Valve Location cascadia maintenance manual models: the expansion valve is located in the refrigerant tubing at the bottom of the evaporator coils, and as with the accumulator, they can. a new blend door design is available for retrofitting in the hvac unit for cascadia vehicles to correct complaints of either “no heat” or “no air flow out. cascadia. Cascadia Expansion Valve Location.
From rigrepairpro.com
How To Check The Expansion Valve In A Cascadia's A/C? big rig repair pro Cascadia Expansion Valve Location the expansion valve is located in the refrigerant tubing at the bottom of the evaporator coils, and as with the accumulator, they can. The expansion valve is usually located on the low side of the a/c. a new blend door design is available for retrofitting in the hvac unit for cascadia vehicles to correct complaints of either “no. Cascadia Expansion Valve Location.
From www.dtnaecomponents.com
Cascadia EPA13 Antilock Brake System RSC Valve Cascadia Expansion Valve Location The expansion valve is usually located on the low side of the a/c. cascadia maintenance manual models: the expansion valve is located in the refrigerant tubing at the bottom of the evaporator coils, and as with the accumulator, they can. 3.3 identifying the expansion valve location. ac cab expansión valve is right at both ends from. Cascadia Expansion Valve Location.
From frontiertruckparts.com
Freightliner Cascadia Air Valve Components Frontier Truck Parts Cascadia Expansion Valve Location the expansion valve is located in the refrigerant tubing at the bottom of the evaporator coils, and as with the accumulator, they can. cascadia a/c fixed under 100$ , easy ac fix , cascadia expansion valve can someone let me know where the a/c expansion valves are located inside the cabin of a 2013 freightliner. 3.3. Cascadia Expansion Valve Location.
From lando-chillers.com
How To Install The Thermal Expansion Valve(TXV) Lando Water Chillers Cascadia Expansion Valve Location cascadia a/c fixed under 100$ , easy ac fix , cascadia expansion valve cascadia maintenance manual models: The expansion valve is usually located on the low side of the a/c. a new blend door design is available for retrofitting in the hvac unit for cascadia vehicles to correct complaints of either “no heat” or “no air flow. Cascadia Expansion Valve Location.
From www.ebay.com
Replace A/C Expansion Valve eBay Cascadia Expansion Valve Location a new blend door design is available for retrofitting in the hvac unit for cascadia vehicles to correct complaints of either “no heat” or “no air flow out. ac cab expansión valve is right at both ends from the evaporator coming from inside the cab cascadia maintenance manual models: cascadia a/c fixed under 100$ , easy. Cascadia Expansion Valve Location.
From wiringdiagramaft.z13.web.core.windows.net
Freightliner Abs Air Valve Cascadia Expansion Valve Location 3.3 identifying the expansion valve location. ac cab expansión valve is right at both ends from the evaporator coming from inside the cab cascadia a/c fixed under 100$ , easy ac fix , cascadia expansion valve The expansion valve is usually located on the low side of the a/c. a new blend door design is available. Cascadia Expansion Valve Location.
From www.justanswer.com
I can't find the fuse box for the trailer on the 2019 fl cascadia. Fuse Cascadia Expansion Valve Location the expansion valve is located in the refrigerant tubing at the bottom of the evaporator coils, and as with the accumulator, they can. can someone let me know where the a/c expansion valves are located inside the cabin of a 2013 freightliner. The expansion valve is usually located on the low side of the a/c. ac cab. Cascadia Expansion Valve Location.
From www.youtube.com
How to access the HVAC drain on a Freightliner Cascadia (for cab HVAC Cascadia Expansion Valve Location can someone let me know where the a/c expansion valves are located inside the cabin of a 2013 freightliner. cascadia a/c fixed under 100$ , easy ac fix , cascadia expansion valve ac cab expansión valve is right at both ends from the evaporator coming from inside the cab The expansion valve is usually located on the. Cascadia Expansion Valve Location.
From www.youtube.com
FREIGHTLINER CASCADIA DEF DOSING VALVE REPLACEMENT YouTube Cascadia Expansion Valve Location cascadia maintenance manual models: The expansion valve is usually located on the low side of the a/c. 3.3 identifying the expansion valve location. ac cab expansión valve is right at both ends from the evaporator coming from inside the cab can someone let me know where the a/c expansion valves are located inside the cabin of. Cascadia Expansion Valve Location.
From www.youtube.com
DIY 2016 freightliner cascadia quick release fitting replacement for Cascadia Expansion Valve Location cascadia maintenance manual models: can someone let me know where the a/c expansion valves are located inside the cabin of a 2013 freightliner. ac cab expansión valve is right at both ends from the evaporator coming from inside the cab The expansion valve is usually located on the low side of the a/c. a new blend. Cascadia Expansion Valve Location.
From www.youtube.com
How to remove and replace Freightliner Cascadia leveling valve (step by Cascadia Expansion Valve Location cascadia maintenance manual models: ac cab expansión valve is right at both ends from the evaporator coming from inside the cab a new blend door design is available for retrofitting in the hvac unit for cascadia vehicles to correct complaints of either “no heat” or “no air flow out. the expansion valve is located in the. Cascadia Expansion Valve Location.
From www.youtube.com
Freightliner cascadia heater core replacement YouTube Cascadia Expansion Valve Location 3.3 identifying the expansion valve location. the expansion valve is located in the refrigerant tubing at the bottom of the evaporator coils, and as with the accumulator, they can. The expansion valve is usually located on the low side of the a/c. ac cab expansión valve is right at both ends from the evaporator coming from inside. Cascadia Expansion Valve Location.
From tractoclimas.com
VALVULA EXPANSION FREIGHTLINER 2009 2008 CASCADIA Cascadia Expansion Valve Location can someone let me know where the a/c expansion valves are located inside the cabin of a 2013 freightliner. ac cab expansión valve is right at both ends from the evaporator coming from inside the cab a new blend door design is available for retrofitting in the hvac unit for cascadia vehicles to correct complaints of either. Cascadia Expansion Valve Location.
From www.mylittlesalesman.com
2012 Freightliner Cascadia 125 Valve For Sale Montréal, QC, Canada Cascadia Expansion Valve Location The expansion valve is usually located on the low side of the a/c. ac cab expansión valve is right at both ends from the evaporator coming from inside the cab a new blend door design is available for retrofitting in the hvac unit for cascadia vehicles to correct complaints of either “no heat” or “no air flow out.. Cascadia Expansion Valve Location.
From www.ebay.com
A/C Expansion Valve 4 Seasons 39484 fits 0820 Freightliner Cascadia 12 Cascadia Expansion Valve Location can someone let me know where the a/c expansion valves are located inside the cabin of a 2013 freightliner. 3.3 identifying the expansion valve location. The expansion valve is usually located on the low side of the a/c. cascadia a/c fixed under 100$ , easy ac fix , cascadia expansion valve ac cab expansión valve is. Cascadia Expansion Valve Location.
From www.justanswer.com
I got 2014 freightliner cascadia with abs light. it got diff 2 ASR Cascadia Expansion Valve Location ac cab expansión valve is right at both ends from the evaporator coming from inside the cab cascadia maintenance manual models: 3.3 identifying the expansion valve location. cascadia a/c fixed under 100$ , easy ac fix , cascadia expansion valve can someone let me know where the a/c expansion valves are located inside the cabin. Cascadia Expansion Valve Location.
From rigrepairpro.com
How To Check The Expansion Valve In A Cascadia's A/C? big rig repair pro Cascadia Expansion Valve Location The expansion valve is usually located on the low side of the a/c. the expansion valve is located in the refrigerant tubing at the bottom of the evaporator coils, and as with the accumulator, they can. can someone let me know where the a/c expansion valves are located inside the cabin of a 2013 freightliner. a new. Cascadia Expansion Valve Location.
From www.traceytruckparts.com
Alliance Freightliner Cascadia Expansion Valve ABP N83 308024 Cascadia Expansion Valve Location cascadia maintenance manual models: ac cab expansión valve is right at both ends from the evaporator coming from inside the cab can someone let me know where the a/c expansion valves are located inside the cabin of a 2013 freightliner. a new blend door design is available for retrofitting in the hvac unit for cascadia vehicles. Cascadia Expansion Valve Location.
From enginevictorcervetosnj.z13.web.core.windows.net
Freightliner Cascadia Starter Relay Location Cascadia Expansion Valve Location cascadia a/c fixed under 100$ , easy ac fix , cascadia expansion valve The expansion valve is usually located on the low side of the a/c. the expansion valve is located in the refrigerant tubing at the bottom of the evaporator coils, and as with the accumulator, they can. a new blend door design is available for. Cascadia Expansion Valve Location.
From www.youtube.com
Freightliner cascadia coolant expansion tank function fluid transfer Cascadia Expansion Valve Location cascadia maintenance manual models: the expansion valve is located in the refrigerant tubing at the bottom of the evaporator coils, and as with the accumulator, they can. cascadia a/c fixed under 100$ , easy ac fix , cascadia expansion valve 3.3 identifying the expansion valve location. The expansion valve is usually located on the low side. Cascadia Expansion Valve Location.
From rigrepairpro.com
How To Check The Expansion Valve In A Cascadia's A/C? big rig repair pro Cascadia Expansion Valve Location ac cab expansión valve is right at both ends from the evaporator coming from inside the cab The expansion valve is usually located on the low side of the a/c. cascadia a/c fixed under 100$ , easy ac fix , cascadia expansion valve a new blend door design is available for retrofitting in the hvac unit for. Cascadia Expansion Valve Location.
From www.researchgate.net
Map and schematic view of the Cascadia subduction zone a Topography and Cascadia Expansion Valve Location cascadia a/c fixed under 100$ , easy ac fix , cascadia expansion valve a new blend door design is available for retrofitting in the hvac unit for cascadia vehicles to correct complaints of either “no heat” or “no air flow out. can someone let me know where the a/c expansion valves are located inside the cabin of. Cascadia Expansion Valve Location.
From www.acparts.com
EXPANSION VALVE Freightliner Cascadia 20082019 (2001024) AC Parts Cascadia Expansion Valve Location cascadia maintenance manual models: cascadia a/c fixed under 100$ , easy ac fix , cascadia expansion valve 3.3 identifying the expansion valve location. can someone let me know where the a/c expansion valves are located inside the cabin of a 2013 freightliner. The expansion valve is usually located on the low side of the a/c. . Cascadia Expansion Valve Location.
From www.youtube.com
How to fix DEF metering valve on freightliner cascadia clear code snp Cascadia Expansion Valve Location The expansion valve is usually located on the low side of the a/c. cascadia a/c fixed under 100$ , easy ac fix , cascadia expansion valve a new blend door design is available for retrofitting in the hvac unit for cascadia vehicles to correct complaints of either “no heat” or “no air flow out. ac cab expansión. Cascadia Expansion Valve Location.
From www.youtube.com
EGR Valve troubleshooting Freightliner Cascadia YouTube Cascadia Expansion Valve Location can someone let me know where the a/c expansion valves are located inside the cabin of a 2013 freightliner. a new blend door design is available for retrofitting in the hvac unit for cascadia vehicles to correct complaints of either “no heat” or “no air flow out. The expansion valve is usually located on the low side of. Cascadia Expansion Valve Location.
From www.youtube.com
Freightliner Cascadia ABS module removal and installation YouTube Cascadia Expansion Valve Location the expansion valve is located in the refrigerant tubing at the bottom of the evaporator coils, and as with the accumulator, they can. can someone let me know where the a/c expansion valves are located inside the cabin of a 2013 freightliner. a new blend door design is available for retrofitting in the hvac unit for cascadia. Cascadia Expansion Valve Location.
From dtnaecomponents.com
Cascadia EPA13 DD13 Engine Cascadia Expansion Valve Location the expansion valve is located in the refrigerant tubing at the bottom of the evaporator coils, and as with the accumulator, they can. 3.3 identifying the expansion valve location. The expansion valve is usually located on the low side of the a/c. ac cab expansión valve is right at both ends from the evaporator coming from inside. Cascadia Expansion Valve Location.
From www.youtube.com
NEW CASCADIA HOW TO REPLACE ELECTRONIC FOOT CAMBIAR VALVULA Cascadia Expansion Valve Location ac cab expansión valve is right at both ends from the evaporator coming from inside the cab The expansion valve is usually located on the low side of the a/c. cascadia maintenance manual models: can someone let me know where the a/c expansion valves are located inside the cabin of a 2013 freightliner. 3.3 identifying the. Cascadia Expansion Valve Location.
From www.youtube.com
Freightliner cascadia DD13 DD15 DD16 high pressure fuel rail limiting Cascadia Expansion Valve Location can someone let me know where the a/c expansion valves are located inside the cabin of a 2013 freightliner. cascadia maintenance manual models: a new blend door design is available for retrofitting in the hvac unit for cascadia vehicles to correct complaints of either “no heat” or “no air flow out. cascadia a/c fixed under 100$. Cascadia Expansion Valve Location.
From www.2carpros.com
A/C Expansion Valve Location Just Got the A/C Compressor, and the... Cascadia Expansion Valve Location the expansion valve is located in the refrigerant tubing at the bottom of the evaporator coils, and as with the accumulator, they can. 3.3 identifying the expansion valve location. The expansion valve is usually located on the low side of the a/c. cascadia a/c fixed under 100$ , easy ac fix , cascadia expansion valve ac. Cascadia Expansion Valve Location.