What Is A Jarno Taper . 21 rows jarno tapers have a of taper of about 1:20 on diameter, or.600 on diameter per foot, or.050 on diameter per inch. The taper ratio of the jarno taper is 1:20 and its included angle is. Beale of brown & sharpe, the jarno tapers are based on a mathematical relationship to the. Named after brown and sharpe manufacturing, jarno tapers are characterized by their 0.60 inches per foot taper ratio. This taper is based on such. Jarno taper.—the jarno taper was originally proposed by oscar j. With a taper with a constant rate of taper, such as the jarno, establishing specific tapers within it is just a matter of adopting some convenient. Jarno taper is also the self holding type of taper and is available in 20 sizes from 01 to 20. Originally proposed by oscar j. Beale of the sharpe mfg. Often found in lathe machinery, they serve as headstock and tailstock.
from allindustrial.com
Jarno taper is also the self holding type of taper and is available in 20 sizes from 01 to 20. Jarno taper.—the jarno taper was originally proposed by oscar j. Beale of the sharpe mfg. 21 rows jarno tapers have a of taper of about 1:20 on diameter, or.600 on diameter per foot, or.050 on diameter per inch. With a taper with a constant rate of taper, such as the jarno, establishing specific tapers within it is just a matter of adopting some convenient. Beale of brown & sharpe, the jarno tapers are based on a mathematical relationship to the. Named after brown and sharpe manufacturing, jarno tapers are characterized by their 0.60 inches per foot taper ratio. This taper is based on such. Often found in lathe machinery, they serve as headstock and tailstock. The taper ratio of the jarno taper is 1:20 and its included angle is.
Riten 69210 10 Jarno Taper 1.750" Diameter x ± 0.00005 Accuracy
What Is A Jarno Taper 21 rows jarno tapers have a of taper of about 1:20 on diameter, or.600 on diameter per foot, or.050 on diameter per inch. 21 rows jarno tapers have a of taper of about 1:20 on diameter, or.600 on diameter per foot, or.050 on diameter per inch. This taper is based on such. With a taper with a constant rate of taper, such as the jarno, establishing specific tapers within it is just a matter of adopting some convenient. Beale of the sharpe mfg. Named after brown and sharpe manufacturing, jarno tapers are characterized by their 0.60 inches per foot taper ratio. The taper ratio of the jarno taper is 1:20 and its included angle is. Originally proposed by oscar j. Beale of brown & sharpe, the jarno tapers are based on a mathematical relationship to the. Jarno taper.—the jarno taper was originally proposed by oscar j. Often found in lathe machinery, they serve as headstock and tailstock. Jarno taper is also the self holding type of taper and is available in 20 sizes from 01 to 20.
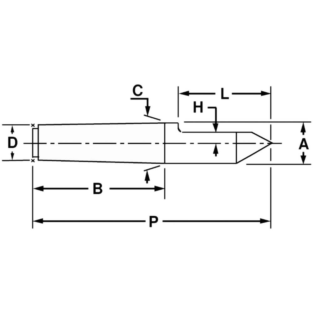
From superiormachinetools.com
Riten Jarno Taper 20 Heavy Duty Bull Nose Live Center 10.75" Max O.D What Is A Jarno Taper 21 rows jarno tapers have a of taper of about 1:20 on diameter, or.600 on diameter per foot, or.050 on diameter per inch. Named after brown and sharpe manufacturing, jarno tapers are characterized by their 0.60 inches per foot taper ratio. This taper is based on such. Beale of brown & sharpe, the jarno tapers are based on a mathematical. What Is A Jarno Taper.
From www.penntoolco.com
Riten Interchangeable Bell Head Spring Loaded Concentric Live Center What Is A Jarno Taper The taper ratio of the jarno taper is 1:20 and its included angle is. This taper is based on such. Jarno taper.—the jarno taper was originally proposed by oscar j. Often found in lathe machinery, they serve as headstock and tailstock. Beale of brown & sharpe, the jarno tapers are based on a mathematical relationship to the. 21 rows jarno. What Is A Jarno Taper.
From www.mscdirect.com
Riten Dead Centers; Center Type Half Center; Material Hardened Tool What Is A Jarno Taper 21 rows jarno tapers have a of taper of about 1:20 on diameter, or.600 on diameter per foot, or.050 on diameter per inch. Jarno taper.—the jarno taper was originally proposed by oscar j. Jarno taper is also the self holding type of taper and is available in 20 sizes from 01 to 20. Beale of brown & sharpe, the jarno. What Is A Jarno Taper.
From www.ebay.com
10 Jarno TAPER 11/4" MILL ARBOR Horizontal Milling Machine Tool Cutter What Is A Jarno Taper 21 rows jarno tapers have a of taper of about 1:20 on diameter, or.600 on diameter per foot, or.050 on diameter per inch. The taper ratio of the jarno taper is 1:20 and its included angle is. Jarno taper is also the self holding type of taper and is available in 20 sizes from 01 to 20. Often found in. What Is A Jarno Taper.
From www.practicalmachinist.com
Hamilton headstock taper What Is A Jarno Taper This taper is based on such. With a taper with a constant rate of taper, such as the jarno, establishing specific tapers within it is just a matter of adopting some convenient. Originally proposed by oscar j. Named after brown and sharpe manufacturing, jarno tapers are characterized by their 0.60 inches per foot taper ratio. Jarno taper is also the. What Is A Jarno Taper.
From superiormachinetools.com
Riten Jarno Taper 20 Heavy Duty Dead Center 6" O.D. (LOC1228A What Is A Jarno Taper This taper is based on such. Often found in lathe machinery, they serve as headstock and tailstock. Beale of brown & sharpe, the jarno tapers are based on a mathematical relationship to the. Jarno taper is also the self holding type of taper and is available in 20 sizes from 01 to 20. 21 rows jarno tapers have a of. What Is A Jarno Taper.
From www.ebay.com
10 Jarno TAPER 11/4" MILL ARBOR Horizontal Milling Machine Tool Cutter What Is A Jarno Taper Beale of brown & sharpe, the jarno tapers are based on a mathematical relationship to the. 21 rows jarno tapers have a of taper of about 1:20 on diameter, or.600 on diameter per foot, or.050 on diameter per inch. Named after brown and sharpe manufacturing, jarno tapers are characterized by their 0.60 inches per foot taper ratio. Jarno taper.—the jarno. What Is A Jarno Taper.
From superiormachinetools.com
Riten Carbided Tippes Dead Center Jarno Taper 14 56875686 (LOC3081B What Is A Jarno Taper The taper ratio of the jarno taper is 1:20 and its included angle is. Named after brown and sharpe manufacturing, jarno tapers are characterized by their 0.60 inches per foot taper ratio. Beale of brown & sharpe, the jarno tapers are based on a mathematical relationship to the. With a taper with a constant rate of taper, such as the. What Is A Jarno Taper.
From superiormachinetools.com
Jarno Taper 20 Heavy Duty Bull Nose Live Center 10" Max O.D. (LOC2620 What Is A Jarno Taper This taper is based on such. Jarno taper is also the self holding type of taper and is available in 20 sizes from 01 to 20. Jarno taper.—the jarno taper was originally proposed by oscar j. Often found in lathe machinery, they serve as headstock and tailstock. Beale of brown & sharpe, the jarno tapers are based on a mathematical. What Is A Jarno Taper.
From www.youtube.com
Types of Standard Taper Taper Video part 2 YouTube What Is A Jarno Taper Jarno taper.—the jarno taper was originally proposed by oscar j. Jarno taper is also the self holding type of taper and is available in 20 sizes from 01 to 20. With a taper with a constant rate of taper, such as the jarno, establishing specific tapers within it is just a matter of adopting some convenient. The taper ratio of. What Is A Jarno Taper.
From superiormachinetools.com
Jarno Taper 20 Heavy Duty Bull Nose Live Center 6.5" Max O.D What Is A Jarno Taper Often found in lathe machinery, they serve as headstock and tailstock. Beale of the sharpe mfg. Named after brown and sharpe manufacturing, jarno tapers are characterized by their 0.60 inches per foot taper ratio. Originally proposed by oscar j. 21 rows jarno tapers have a of taper of about 1:20 on diameter, or.600 on diameter per foot, or.050 on diameter. What Is A Jarno Taper.
From superiormachinetools.com
Jarno Taper 20 Heavy Duty Bull Nose Live Center 6.5" Max O.D What Is A Jarno Taper Jarno taper.—the jarno taper was originally proposed by oscar j. This taper is based on such. Named after brown and sharpe manufacturing, jarno tapers are characterized by their 0.60 inches per foot taper ratio. Jarno taper is also the self holding type of taper and is available in 20 sizes from 01 to 20. Often found in lathe machinery, they. What Is A Jarno Taper.
From slideplayer.com
Taper and Taper Turning ppt download What Is A Jarno Taper With a taper with a constant rate of taper, such as the jarno, establishing specific tapers within it is just a matter of adopting some convenient. This taper is based on such. Beale of the sharpe mfg. Originally proposed by oscar j. Named after brown and sharpe manufacturing, jarno tapers are characterized by their 0.60 inches per foot taper ratio.. What Is A Jarno Taper.
From allindustrial.com
Riten 34207 7 Jarno Taper 1.000" Diameter x 1.000" Length ± 0.00004 What Is A Jarno Taper With a taper with a constant rate of taper, such as the jarno, establishing specific tapers within it is just a matter of adopting some convenient. This taper is based on such. Named after brown and sharpe manufacturing, jarno tapers are characterized by their 0.60 inches per foot taper ratio. The taper ratio of the jarno taper is 1:20 and. What Is A Jarno Taper.
From www.ebay.com
11 Jarno Taper Solid Lathe Center Carbide Tipped eBay What Is A Jarno Taper Beale of brown & sharpe, the jarno tapers are based on a mathematical relationship to the. Jarno taper is also the self holding type of taper and is available in 20 sizes from 01 to 20. This taper is based on such. Originally proposed by oscar j. Often found in lathe machinery, they serve as headstock and tailstock. With a. What Is A Jarno Taper.
From www.ebay.com
10 Jarno TAPER 11/4" MILL ARBOR Horizontal Milling Machine Tool Cutter What Is A Jarno Taper Jarno taper is also the self holding type of taper and is available in 20 sizes from 01 to 20. This taper is based on such. The taper ratio of the jarno taper is 1:20 and its included angle is. 21 rows jarno tapers have a of taper of about 1:20 on diameter, or.600 on diameter per foot, or.050 on. What Is A Jarno Taper.
From allindustrial.com
Riten 72091 9 Jarno Taper 1.125" Diameter x 6.750" OAL ± 0.00005 What Is A Jarno Taper Beale of brown & sharpe, the jarno tapers are based on a mathematical relationship to the. 21 rows jarno tapers have a of taper of about 1:20 on diameter, or.600 on diameter per foot, or.050 on diameter per inch. Originally proposed by oscar j. Jarno taper is also the self holding type of taper and is available in 20 sizes. What Is A Jarno Taper.
From www.mscdirect.com
Riten Live Center Jarno Taper Shank MSC Industrial Supply Co. What Is A Jarno Taper Named after brown and sharpe manufacturing, jarno tapers are characterized by their 0.60 inches per foot taper ratio. Beale of brown & sharpe, the jarno tapers are based on a mathematical relationship to the. Jarno taper is also the self holding type of taper and is available in 20 sizes from 01 to 20. Originally proposed by oscar j. Often. What Is A Jarno Taper.
From www.circuitousroot.com
The Jarno Taper What Is A Jarno Taper 21 rows jarno tapers have a of taper of about 1:20 on diameter, or.600 on diameter per foot, or.050 on diameter per inch. Beale of the sharpe mfg. Jarno taper is also the self holding type of taper and is available in 20 sizes from 01 to 20. This taper is based on such. Named after brown and sharpe manufacturing,. What Is A Jarno Taper.
From www.ebay.com
10 Jarno TAPER 11/4" MILL ARBOR Horizontal Milling Machine Tool Cutter What Is A Jarno Taper 21 rows jarno tapers have a of taper of about 1:20 on diameter, or.600 on diameter per foot, or.050 on diameter per inch. The taper ratio of the jarno taper is 1:20 and its included angle is. Named after brown and sharpe manufacturing, jarno tapers are characterized by their 0.60 inches per foot taper ratio. Often found in lathe machinery,. What Is A Jarno Taper.
From superiormachinetools.com
Riten Jarno Taper 20 Heavy Duty Bull Nose Live Center 10.75" Max O.D What Is A Jarno Taper Named after brown and sharpe manufacturing, jarno tapers are characterized by their 0.60 inches per foot taper ratio. With a taper with a constant rate of taper, such as the jarno, establishing specific tapers within it is just a matter of adopting some convenient. Often found in lathe machinery, they serve as headstock and tailstock. This taper is based on. What Is A Jarno Taper.
From www.mscdirect.com
Riten Dead Centers; Center Type Half Center; Material Hardened Tool What Is A Jarno Taper With a taper with a constant rate of taper, such as the jarno, establishing specific tapers within it is just a matter of adopting some convenient. Named after brown and sharpe manufacturing, jarno tapers are characterized by their 0.60 inches per foot taper ratio. Jarno taper.—the jarno taper was originally proposed by oscar j. Often found in lathe machinery, they. What Is A Jarno Taper.
From www.ebay.com
6 Jarno Taper Half (Dead) Lathe Center High Speed Steel Tipped eBay What Is A Jarno Taper Often found in lathe machinery, they serve as headstock and tailstock. Named after brown and sharpe manufacturing, jarno tapers are characterized by their 0.60 inches per foot taper ratio. Beale of brown & sharpe, the jarno tapers are based on a mathematical relationship to the. Jarno taper.—the jarno taper was originally proposed by oscar j. Originally proposed by oscar j.. What Is A Jarno Taper.
From allindustrial.com
Riten 69210 10 Jarno Taper 1.750" Diameter x ± 0.00005 Accuracy What Is A Jarno Taper Named after brown and sharpe manufacturing, jarno tapers are characterized by their 0.60 inches per foot taper ratio. This taper is based on such. Often found in lathe machinery, they serve as headstock and tailstock. Originally proposed by oscar j. Beale of brown & sharpe, the jarno tapers are based on a mathematical relationship to the. Jarno taper.—the jarno taper. What Is A Jarno Taper.
From www.ebay.com
6 Jarno Taper Half (Dead) Lathe Center High Speed Steel Tipped eBay What Is A Jarno Taper Jarno taper is also the self holding type of taper and is available in 20 sizes from 01 to 20. Beale of brown & sharpe, the jarno tapers are based on a mathematical relationship to the. This taper is based on such. Often found in lathe machinery, they serve as headstock and tailstock. The taper ratio of the jarno taper. What Is A Jarno Taper.
From superiormachinetools.com
Riten Jarno Taper 20 Heavy Duty Bull Nose Live Center 10.75" Max O.D What Is A Jarno Taper Jarno taper is also the self holding type of taper and is available in 20 sizes from 01 to 20. This taper is based on such. Originally proposed by oscar j. Often found in lathe machinery, they serve as headstock and tailstock. Beale of the sharpe mfg. 21 rows jarno tapers have a of taper of about 1:20 on diameter,. What Is A Jarno Taper.
From superiormachinetools.com
Riten Jarno Taper 20 Heavy Duty Bull Nose Dead Center 9" Max O.D What Is A Jarno Taper Often found in lathe machinery, they serve as headstock and tailstock. Jarno taper is also the self holding type of taper and is available in 20 sizes from 01 to 20. Originally proposed by oscar j. Jarno taper.—the jarno taper was originally proposed by oscar j. 21 rows jarno tapers have a of taper of about 1:20 on diameter, or.600. What Is A Jarno Taper.
From superiormachinetools.com
Jarno Taper 20 Heavy Duty Bull Nose Live Center 10" Max O.D. (LOC2620 What Is A Jarno Taper 21 rows jarno tapers have a of taper of about 1:20 on diameter, or.600 on diameter per foot, or.050 on diameter per inch. Jarno taper.—the jarno taper was originally proposed by oscar j. Beale of the sharpe mfg. The taper ratio of the jarno taper is 1:20 and its included angle is. Originally proposed by oscar j. This taper is. What Is A Jarno Taper.
From www.riten.com
Morse, Jarno, Browne & Sharpe, and Metric Manufacturing the Right What Is A Jarno Taper Beale of the sharpe mfg. The taper ratio of the jarno taper is 1:20 and its included angle is. Jarno taper.—the jarno taper was originally proposed by oscar j. Originally proposed by oscar j. 21 rows jarno tapers have a of taper of about 1:20 on diameter, or.600 on diameter per foot, or.050 on diameter per inch. Jarno taper is. What Is A Jarno Taper.
From www.ebay.com
Riten Carbided Tippes Dead Center Jarno Taper 14 56875686 (LOC3081B What Is A Jarno Taper The taper ratio of the jarno taper is 1:20 and its included angle is. This taper is based on such. With a taper with a constant rate of taper, such as the jarno, establishing specific tapers within it is just a matter of adopting some convenient. Jarno taper.—the jarno taper was originally proposed by oscar j. Beale of the sharpe. What Is A Jarno Taper.
From workholding.riten.com
Item 55940, Super Duty Series Standard Point Jarno Taper 4.25 Inch What Is A Jarno Taper Beale of brown & sharpe, the jarno tapers are based on a mathematical relationship to the. Jarno taper.—the jarno taper was originally proposed by oscar j. Beale of the sharpe mfg. 21 rows jarno tapers have a of taper of about 1:20 on diameter, or.600 on diameter per foot, or.050 on diameter per inch. Jarno taper is also the self. What Is A Jarno Taper.
From superiormachinetools.com
Jarno Taper 20 Heavy Duty Bull Nose Live Center 6.5" Max O.D What Is A Jarno Taper The taper ratio of the jarno taper is 1:20 and its included angle is. Beale of the sharpe mfg. Originally proposed by oscar j. Named after brown and sharpe manufacturing, jarno tapers are characterized by their 0.60 inches per foot taper ratio. Jarno taper is also the self holding type of taper and is available in 20 sizes from 01. What Is A Jarno Taper.
From www.ebay.com
4pc 9 Jarno Taper Solid Metal Lathe Dead Center Bull Nose Cutter What Is A Jarno Taper Beale of the sharpe mfg. Jarno taper.—the jarno taper was originally proposed by oscar j. This taper is based on such. Originally proposed by oscar j. 21 rows jarno tapers have a of taper of about 1:20 on diameter, or.600 on diameter per foot, or.050 on diameter per inch. Often found in lathe machinery, they serve as headstock and tailstock.. What Is A Jarno Taper.
From allindustrial.com
Riten 69206 6 Jarno Taper 1.250" Diameter x ± 0.00005 Accuracy Tipped What Is A Jarno Taper Originally proposed by oscar j. Jarno taper.—the jarno taper was originally proposed by oscar j. Often found in lathe machinery, they serve as headstock and tailstock. Beale of brown & sharpe, the jarno tapers are based on a mathematical relationship to the. 21 rows jarno tapers have a of taper of about 1:20 on diameter, or.600 on diameter per foot,. What Is A Jarno Taper.
From superiormachinetools.com
Riten Carbided Tippes Dead Center Jarno Taper 14 56875686 (LOC3081B What Is A Jarno Taper Often found in lathe machinery, they serve as headstock and tailstock. Jarno taper is also the self holding type of taper and is available in 20 sizes from 01 to 20. 21 rows jarno tapers have a of taper of about 1:20 on diameter, or.600 on diameter per foot, or.050 on diameter per inch. Originally proposed by oscar j. Named. What Is A Jarno Taper.